Colour Television                                                                                                  Chassis
                                                   14PT3131/78R
                                                   14PT4131/78R
                                                                                                                  L03.1L
                                                                                                                               AA
                                                   20PT3331/78R
                                                   20PT4331/78R


              ç
          Volta ao Menu



                                                                                                                    CL 36532044_000.eps
                                                                                                                                020603




                          CONTEÚDO                                        PÁGINA

                          1  Especificações Técnicas, Conexões e Vista
                             Geral do Chassis                                 2
                          2 Precauções de Segurança e Manutenção
                             Instruções, Avisos e Notas                       4
                          3 Instruções de Uso                                 6
                          4 Instruções Mecânicas                              16
                          5 Modos de Serviço, Códigos de Erro e
                             Descoberta de Falhas                             17
                          6 Diagrama em Blocos, Pontos de teste, I2C e
                             Diagrama em Blocos                               21
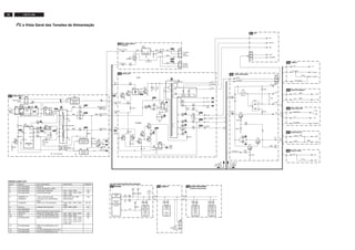
                             Vista Geral da Tensão de Alimentação             22
                             Vista Geral dos Pontos de Teste                  23
                           7 Esquemas e Painéis                               Diagr.   Painel
                             Fonte de Alimentação (Diagrama A1)               24       33-39
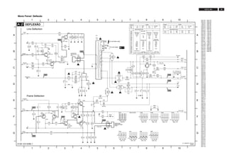
                             Deflexão (Diagrama A2)                            25       33-39
                             Tuner I/F (Diagrama A3)                          26       33-39
                             Processamento de Vídeo (Diagrama A4)             27       33-39
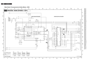
                             Proces. de Áudio (Stereo + SAP) (Diagrama A5)    28       33-39
                             Amp. Áudio + Proc. Som Mono(Diagrama A6)         29       33-39
                             E/S Frontal + Controle + Headphone (Diagrama A7) 30       33-39
                             E/S Traseiro (Diagrama A8)                       31       33-39
                             Tabela de Diversidade                            32       33-39
                             Alimentação DVD Opcional (Diagrama A9)           32       33-39
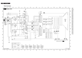
                             Painel CRT (Diagrama B1)                         40       41-42
                             Painel Controle Superior (Diagrama E)            42       42
                          8 Ajustes                                           43
                          9 Descrição do Circuito                             51
                             Lista de Abreviações                             54
                             Data Sheets dos CIs                              56
                          10 Listas de Material
                             Lista de Material 14PT3131/78R                   57
                             Lista de Material 20PT3331/78R                   61
                             Lista de Material 14PT4131/78R                   65
                             Lista de Material 20PT4331/78R                   69




Impresso no Brasil                    Sujeito a Modificações                       Todos os Direitos Reservados      4806 727 17272
07/2003
2                  L03.1L AA




1. Especificações Técnicas, Conexões, e Vista Geral do Chassis
1.1 Especificações Técnicas                                                  1.2.2 Conexões Traseiras

1.1.1 Recepção

Sistema de sintonia                            : PLL
                                                                                                  AVout       CVI        AV1 IN
Sistemas de cor                                : NTSC M
                                               : PAL M
                                                                                              V           Y         V
                                               : PAL N
                                               :PAL-BG Playback
Sistemas de áudio                              : Mono, ou                     75 Ohm ANT.     L           U          L
                                               : BTSC com SAP
Seleções de canais                             : 181 Canais                                   R           V         R
                                               : Cabo Completo
Frequência FI                                  : 45.75 MHz
Entrada de antena                              : 75 ohm (tipo F), Coaxial                     MONITOR               AV1
                                                                                                OUT                  IN
1.1.2 Miscelânia

Saída de Áudio                                 : Mono: 3 W rms
                                               : Stereo: 2 x 3 W rms                    Figura 1-2 Conexões traseiras
Tensão de Rede                                 : 90 - 276 V (± 10 %)
Frequência de Rede                             : 50 / 60 Hz (± 5 %)
Temperatura Ambiente                           : + 5 to + 45 deg. C
Pressão do ar mínima                           : 60 kPa (=600 mBar)         Monitor Out
Umidade Máxima                                 : 90 %                       1 - Vídeo         1 Vpp / 75 ohm                      kq
Consumo                                        : 36 W (14”) to              2 - Áudio         L (0.5 Vrms / 1 kohm)               kq
                                               : 50 W (21”)                 3 - Áudio         R (0.5 Vrms / 1 kohm)               kq
Consumo de energia Standby                     :<3W
                                                                            AV1 In (YUV)
                                                                            1-Y               0.7 Vpp / 75 ohm                    jq
                                                                            2-U               0.7 Vpp / 75 ohm                    jq
1.2 Conexões                                                                3-V               0.7 Vpp / 75 ohm                    jq

1.2.1 Conexões Frontais e Controle Frontal/Superior                         AV1 In
                                                                            4 - Vídeo         1 Vpp / 75 ohm                      jq
                                                                            5 - Áudio         L (0.5 Vrms / 10 kohm)              jq
                            CONTROLE SUPERIOR                               6 - Áudio         R (0.5 V rms / 10 kohm)             jq
                                   P+

                             V-            V+

                                    P-
                                                INSTALL/MENU



                                                  INSTALL MENU



                                                   - VOLUME +




            LED    IR LED              AUDIO                     CHANNEL
                               VIDEO              - VOLUME +




                 Figura 1-1 Conexões Frontais.



Headphone
1 - Headphone,
    3.5 mm            8 - 600 Ω / 4 mW                                rt

Audio / Video In
2 - Vídeo             1 Vpp / 75 ohm                                  jq
3 - Áudio             Mono 0.2 V rms / 10 kohm                        jq
L03.1L AA              3




1.3   Vista Geral do Chassis




                                                                     PAINEL CONTROLE SUPERIOR            E
       B1   PAINEL CRT




                                                                     FONTE                              A1
                                                                     DEFLEXÃO HORIZONTAL                A2
                                                                     TUNER IF                           A3
                                                                     PROCESSAMENTO DE VÍDEO             A4
                                                         PAINEL      PROCESSAM. ÁUDIO (STEREO +SAP)     A5
                                                         PRINCIPAL
                                                                     AUDIO AMP + MONO SOUND PROC.       A6
                                                                     E/S FRONTAL+ CONTROLE FRONTAL
                                                                     + HEADPHONE                        A7
                                                                     I/O TRASEIRO CINCH                 A8
                                                                     ALIMENTAÇÃO DO DVD
                                                                                                        A9

                                                                                           CL 36532044_021.eps
                                                                                                       020603

                               Figura 1-3 Vista Geral do Chassis
4                L03.1L AA




2. Instruções de Segurança e de Manutenção, Avisos e Notas

                                                                           2.3 Avisos
Índice deste capítulo
                                                                           • Para prevenir danos aos CIs e transistores, evitar qualquer
                                                                               faísca ou alta tensão. Para previnir danos ao tubo, use o método
1.   Instruções de Segurança para os Reparos
                                                                               mostrado na Fig. 2-1, para descarregar o tubo. Use uma ponta de
2.   Instruções de Manutenção
                                                                               alta tensão e um multímetro (posição Vdc). Descarregue até que a
3.   Avisos
                                                                               leitura do multímetro esteja 0 V (depois de aprox. 30 s).
4.   Notas

2.1 Instruções de Segurança para Reparos
                                                                                   V
•
     Normas de Segurança requeridas durante um reparo:
     Devido as partes ‘quentes’ deste chassis, o conjunto deve ser
     conectado a energia AC via transformador de isolação.
•    Componentes de Segurança, indicados pelo símbolo h, deverão
     ser repostos por componentes idênticos aos originais.
•    Quando trocar o CRT, utilizar óculos de segurança.

Instruções de Segurança requerem que depois um reparo, o conjunto
deve voltar a sua condição original. Atenção aos seguintes pontos:
                                                                                  Figura 2-1 Descarga do tubo de imagem
• Instrução de reparo Geral: como uma precaução extra, recomen-
    damos resoldar as conexões de solda onde a corrente do deflexão
                                                                           •   Todos os CIs e outros semicondutores são suscetíveis à descarga
    horizontal está fluindo em particular:
                                                                               eletrostática (ESD w). Falta de cuidado no manuseio durante
    - todos os pinos do transformador de saída de linha (LOT)
                                                                               reparo pode reduzir drasticamente a vida do componente. Quando
    - capacitor(es) do fly-back
                                                                               reparando, certifique-se que você está conectado com o mesmo
    - capacitor(es) da correção S
                                                                               potencial de terra do aparelho por uma pulseira com resistência.
    - transistor de saída de linha
                                                                               Mantenha componentes e ferramentas também neste potencial.
    - pinos do conector com os fios da bobina de deflexão
                                                                           •   Equipamentos de Proteção ESD disponíveis :
    - outros componentes que suportam a corrente de deflexão.
                                                                               - kit Completo ESD3 (mesa de trabalho, pulseira, caixa de cone
                                                                                  xão, cabo de extensão, e cabo de aterramento).
Nota: Esta resoldagem é indicada para prevenir más conexões causa-
                                                                               - Testador de Pulseira.
das pela fadiga de metal em pontos de solda e é unicamente necessá-
                                                                               A unidade de deflexão e qualquer unidade multi-polo, tubos planos
ria para televisores com mais de 2 anos.
                                                                               formam uma unidade integrada. A deflexão e as unidades multi-
• Roteie os fios e cabos do EHT corretamente e prenda-os com as
                                                                               polo são otimizadas em fábrica.
     travas de cabo.
                                                                           •   Adaptação desta unidade durante reparo não é recomendada.
• Cheque a isolação do cabo de alimentação AC de danos externos.
                                                                           •   Cuidado durante medições na parte de alta tensão e no tubo.
• Cheque o alívio de esforço do cabo de alimentação AC, preve-
                                                                           •   Nunca troque módulos ou outros componentes enquanto a uni-
     nindo que o cabo toque o CRT, componentes quentes, ou fontes
                                                                               dade está ligada.
     de calor.
                                                                           •   Para ajustar o aparelho, use ferramentas de plástico em vez das
• Cheque a resistência elétrica DC entre o plug AC e o lado secun-
                                                                               de metal. Assim, prevenimos quaisquer curtos e o perigo de um
     dário (unicamente em aparelhos com fontes isoladas). Faça da
                                                                               circuito tornar-se instável.
     seguintes forma:
     1. Desligue o cabo AC e conecte um fio entre dois pinos do plug.
                                                                           2.4 Notas
     2. Ligue o interruptor principal ( com o cabo AC desconectado!).
     3. Meça o valor da resistência entre os pinos do plug e a blinda-
                                                                           •   Meça as tensões e formas de onda considerando o chassis
        gem do tuner na conexão de antena do aparelho. A leitura
                                                                               (= tuner) terra ( H ), ou terra quente ( I ), dependendo da área do
        deverá estar entre 4.5 M e12 M.
                                                                               circuito a ser testado.
     4. Desligue o interruptor e remova o fio entre os dois pinos do plug
                                                                           •   As tensões e formas de onda mostradas nos diagramas são
        AC.
                                                                               indicativas. Meça-as no Modo de Default de Serviço (ver seção
• Cheque defeitos do gabinete, prevenindo que o cliente toque qual-
                                                                               Modos de Serviços, Códigos de Erro...) com sinal barras coloridas
     quer peça interna.
                                                                               e som estéreo (L:3 kHz, R: 1 kHz a menos que declarado de outro
                                                                               modo) e portadora de figura em 475.25 MHz (PAL) ou 61.25 MHz
2.2 Instruções de Manutenção
                                                                               (NTSC/PAL-M canal 3).
                                                                           •   Onde necessário, meça a forma de onda e as tensões com ( D )
É recomendado que a inspeção de manutenção seja realizada por
                                                                               e sem ( E ) sinal. Meça o voltages na seção de alimentação em
pessoal qualificado. O intervalo de inspeção depende das condições
                                                                               ambas operações: normal ( G ) e standby ( F ). Esses valores são
de uso:
                                                                               indicados por símbolos apropriados.
• Quando o equipamento é utilizado sob circunstâncias normais, por
    exemplo, em uma sala de estar, o intervalo recomendado é de três
    a cinco anos.
• Quando o equipamento é utilizado em um ambiente com presença
    de poeira, gordura ou altos níveis de umidade, por exemplo em
    uma cozinha, o intervalo recomendado é um ano.
• A inspeção de manutenção inclui as seguintes ações:
    1. Realizar a ‘ instrução de reparo geral’ descrita acima.
    2. Limpe a fonte de alimentação e circuito de deflexão no chassis.
    3. Limpe o painel e o pescoço do tubo.
L03.1L AA   5




•   O painel do tubo tem impresso espaçamentos para faiscamento.
    Cada espaço de faiscamento é conectado entre um eletrodo do
    tubo e o revestimento Aquadag.
•   Os semicondutores indicados no diagrama do circuito e nas listas
    de partes e peças são completamente permutáveis com os semi-
    condutores na unidade independente da indicação de tipo neles.

2.4.2 Notas sobre o esquema

•   Todos os valores dos resistores são dados em Ohms e o valor
    multiplicador é geralmente usado no local do ponto decimal (ex:
    2K2 indica 2,2 KOhms).
•   Valores de resistores sem multiplicador podem ser indicados tanto
    por “E” ou “R” (ex: 220E ou 220R indicam 220 Ohm)
•   Todos os valores dos capacitores são dados em Micro-Farads
    (u=x10-6), (Nano-Farads (n=x10-9), ou Pico-Farads (p=x10-12).
•   Os valores dos capacitores podem também usar o multiplicador
    como indicação do local do ponto decimal (ex: 2p2 indica 2,2 pF).
•   Um asterisco (*) indica variação no uso do componentes. Verifique
    a tabela de diversidades para saber os valores corretos.
•   O valor correto do componente estão listados na lista de mate-
    rias. Portanto, a lista deve ser consultado quando houver alguma
    dúvida.

2.4.3 Precauções Práticas de Serviço

•   Evite se expor a Choques Elétricos.
    Enquanto algumas fontes são reconhecidamente causadoras de
    impactos perigosos, outras de potencial tão perigoso quanto, ficam
    desapercebidas.
•   Sempre Respeite as Tensões. Enquanto algumas delas possam
    não ser perigosas, elas podem causar reações inexperadas e
    que devem ser evitadas. Antes de manusear um TV alimentado,
    é aconselhável fazer o teste de isolação de alta tensão. Ele é fácil
    de fazer e é uma boa precaução.
•   Antes de ligar o TV sem a tampa traseira, prenda um terminal
    no terra do CRT DAG e na ponta de uma chave de fenda com uma
    boa isolação. Após o TV ser ligado aproxime a chave do anodo,
    começando pela carcaça do fly-back. Passe a chave a 2 polega-
    das do conector do cinescópio. Se um arco voltaico for formado
    você achou uma fuga sem se machucar! Se o arco aparecer,
    troque o componente que causou o problema, o fly-back ou o
    terminal.
PARABÉNS POR TER ADQUIRIDO ESTE PRODUTO...                                                                                                                                                                                                                                                       6
E BEM-VINDO À FAMÍLIA PHILIPS.
                                                                                                                                                                         ÍNDICE
Agradecemos sua confiança na Philips e temos certeza de que seu televisor lhe trará
muitos momentos agradáveis, pois ele é um produto de tecnologia moderna e com            Operando o TV
muitos recursos. Para usufruir de todo seu potencial, basta ler atentamente este
                                                                                         Informações de Segurança .................................................................................................................................... 4
manual e seguir as orientações dadas. Se após ler o manual ainda restar alguma dúvida,
                                                                                         Dicas Úteis ............................................................................................................................................................... 4
fale conosco através do nosso CIC (Centro de Informações ao Consumidor).                 Instalação Básica do Controle Remoto ............................................................................................................. 4
                                                                                         Instalação Básica do TV ......................................................................................................................................... 5
                                                                                                                                                                                                                                                                                                 L03.1L AA




                                                                                         Funções dos Controles do TV ............................................................................................................................. 5
                                                                                                                                                                                                                                                                          3. Instruções de Uso



CIC, tel. 0800 701 02 03 (discagem direta gratuita), de segunda a sexta, das 8:00 às     Conectando a Equipamentos Periféricos (Reprodução) ............................................................................... 6
20:00 h. Aos sábados, das 8:00 às 13:00 h.                                               Conectando a Equipamentos Periféricos (Gravação) .................................................................................... 6
                                                                                         Funções do Controle Remoto ............................................................................................................................ 7
                                                                                         Acessando o Menu Principal e os Sub-Menus ................................................................................................. 8
Atenciosamente,                                                                          Visão Geral do Menu Principal e Sub-Menus ................................................................................................... 8
Philips da Amazônia Ind. Elet. Ltda.                                                     Selecionando o Menu Instalação ................................................................................................................... 9-10
                                                                                         Como Ajustar a Imagem do TV ......................................................................................................................... 11
                                                                                         Utilizando o Controle Smart Picture ............................................................................................................... 11
                                                                                         Como Ajustar o Som do TV ...................................................................................................................................... 12
                                                                                         Utilizando o Controle Smart Sound ................................................................................................................ 12
INFORMAÇÃO AMBIENTAL                                                                     Utilizando o Timer ............................................................................................................................................... 13
                                                                                         Utilizando o Active Control ............................................................................................................................... 13
                                                                                         Utilizando o Closed Caption ............................................................................................................................. 14
Embalagem:                                                                               Utilizando o Limitador de Volume .................................................................................................................... 14
Todo o material desnecessário foi retirado da embalagem do produto. Nós                  Utilizando a Função Nível de Sinal ................................................................................................................... 14
procuramos, a cada projeto, fazer embalagens cujas partes sejam de fácil separação,      Utilizando o Sleeptimer ...................................................................................................................................... 15
                                                                                         Utilizando o Controle Surf ................................................................................................................................. 15
bem como de materiais recicláveis, sendo: calço de isopor, caixa de papelão e sacos
                                                                                         Antes de Chamar o Serviço Técnico ............................................................................................................... 16
plásticos. Procure fazer o descarte da embalagem de maneira consciente,                  Lista de Serviços Autorizados ..................................................................................................................... 17-18
preferencialmente destinando a recicladores.                                             Especificações Técnicas ....................................................................................................................................... 19
                                                                                         Garantia .................................................................................................................................................................. 20
Produto:
O produto adquirido consiste de materiais que podem ser reciclados e reutilizados se
desmontados por companhias especializadas.

Baterias e pilhas:
As pilhas e baterias fornecidas com os produtos Philips não causam danos ao meio
ambiente, pois estão dentro dos limites especificados na resolução CONAMA No.
257 de 30/06/99, podendo desta forma serem descartadas junto com o lixo
doméstico.

Descarte:
Solicitamos observar a legislação existente em sua região, com relação à destinação
do produto no seu final de vida, disposição dos componentes da embalagem e das
pilhas e baterias.

Em caso de dúvida ou consulta, favor ligar para o Centro de Informações ao
Consumidor - 0800 701 02 03 (ligação direta gratuita) ou para a Linha Verde                     Diretiva de Reciclagem – Seu TV utiliza materiais que são reutilizáveis ou que podem ser
(0+XX+92) 652-2525.                                                                             reciclados. Para minimizar a quantidade de material descartado no meio ambiente, companhias
                                                                                                especializadas recuperam aparelhos usados para desmonte e coleta dos materiais reutilizáveis
A Philips da Amazônia Indústria Eletrônica Ltda. e o Meio Ambiente agradecem sua
colaboração.
INFORMAÇÕES DE SEGURANÇA                                                                                         INSTALAÇÃO BÁSICA DO TV
•   Desconecte o cabo de rede quando :                                                                        1                             2                          3                       4
–   a luz verde abaixo da tela do TV estiver piscando continuamente.                                                       10 cm
–   uma linha branca luminosa aparecer na tela.
–   durante uma tempestade de raios.                                                                          10 cm                 10 cm
–   o aparelho não for utilizado por um período prolongado de tempo.
• Ao limpar a tela do TV, nunca use agentes de limpeza abrasivos. Use um pano macio umedecido.                                                                  75 1
                                                                                                                                                                 g

• Nenhuma fonte de chama, como velas acesas, deve ser colocada em cima do TV ou nas imediações.
• Não coloque seu TV sob luz direta do sol ou calor.
                                                                                                              1 Posicionamento do aparelho de TV
• Deixe um espaço de no mínimo 10cm ao redor do televisor para permitir uma adequada ventilação,              •   Coloque o TV em uma base sólida (rack, estante, etc.)
  evitando aquecimento excessivo. Não cubra o televisor quando estiver em uso.                                •   Deixe pelo menos 10 cm de espaço ao redor do aparelho para ventilação, evitando aquecimento excessivo.
• Evite colocar seu aparelho onde ele possa ser exposto a chuva ou umidade (próximo à janela, por exemplo).   •   Não coloque o aparelho perto de um aquecedor ou outras fontes de calor.
                                                                                                              •   Não coloque o TV onde ele possa ser exposto à chuva ou umidade excessiva.
• Nenhum objeto contendo líquido deve ser colocado sobre o televisor, para evitar que líquidos gotejem
  ou espirrem no aparelho.                                                                                    2 Conectando a antena
                                                                                                              • Conecte a antena ao respectivo conector na parte traseira do aparelho.
• Quando seu aparelho utilizar antena interna e a recepção estiver ruim, não utilize palha de aço ou
  outros produtos na antena, pois eles podem danificar o seu televisor.                                       3 Conectando à rede
• Nunca tente reparar um aparelho defeituoso. Consulte sempre técnicos ou oficinas autorizadas, evitando      • O aparelho está preparado para tensões de 90 a 255 Volts (automático).
  assim a perda da garantia e riscos à sua saúde.                                                               Nota : O diagrama mostrado não é representativo do plug e tomadas de rede reais.
                                                                                                              4 Ligando o Aparelho
                                                                                                              • Pressione o botão 3POWER para ligar / desligar o TV. Se o aparelho está no modo stand-by (desligado
                                                                                                                pelo controle remoto), pressione a tecla POWER ou CH + / – no controle remoto ou a tecla
                                                                                                                CHANNEL do aparelho para ligá-lo.


                                                                                                                                            FUNÇÕES DOS CONTROLES DO TV
                                                                  mín.
                                                                  1m




                                           DICAS ÚTEIS                                                                               3
                                                                                                                                     &
• Não movimente ou gire o seu aparelho quando ele estiver ligado. Imagens com cores não uniformes                                   é
  poderão ser apresentadas na tela.                                                                                                “
                                                                                                                                                              ‘ (
• Limpe cuidadosamente as superfícies do gabinete com um tecido limpo. Nunca utilize solventes, lustra
  móveis, sprays inseticidas ou outros produtos químicos no gabinete ou em áreas próximas, pois eles              &    Power                              Liga ou desliga o televisor.
  podem danificar permanentemente o acabamento do gabinete.                                                       é    Indicação de Standby               Led verde acende quando o TV estiver em modo standby
                                                                                                                                                          (desligado pelo controle remoto).

                    INSTALAÇÃO BÁSICA DO CONTROLE REMOTO                                                          “    Sensor de Controle Remoto          Aponte o Controle Remoto ao sensor quando estiver
                                                                                                                                                          operando o TV.
                                   • Troque as pilhas do controle remoto assim que o TV passar a não              ‘    Volume + / –                       Aumenta ou diminui o volume.
                                     reagir aos seus comandos.                                                    (    Channel 3 / 4                      Seleciona canais em ordem crescente / decrescente.
                                                                                                                                                                                                                           L03.1L AA




                                   • Pressione a extremidade da tampa e puxe-a para ter acesso ao
                                     compartimento de pilhas.                                                 Nota:
                                   • Observe a polaridade das pilhas (+ e -).                                 No caso de perda ou quebra do controle remoto, os controles do TV poderão ser feitos com as teclas do
                      +
                          –                                                                                   televisor.
                                   • Use somente pilhas "AA" e nunca misture pilhas novas com usadas          • Pressione simultaneamente as teclas de volume + e – para mostrar/cancelar o menu principal.
                                     ou alcalinas com comuns.                                                 • Pressione as teclas Channel 3 ou 4 para selecionar os itens do menu.
                                                                                                              • Pressione as teclas Volume + ou – para acessar os submenus e ajustar os controles.
                                                                                                                                                                                                                           7
8

                       CONECTANDO A EQUIPAMENTOS PERIFÉRICOS (REPRODUÇÃO)                                                                                                                                                                       FUNÇÕES DO CONTROLE REMOTO
Para identificar quais as conexões disponíveis no seu televisor, vide tabela de Especificações Técnicas na pág. 19.                                                                                               1    Power
Nota: Para os aparelhos Mono, apenas a entrada de AUDIO L está disponível.                                                                                                                                        -    Pressione esta tecla para ligar ou desligar o TV.
                                                                                                                                                                                                                  -    Se o TV estiver em modo standby, pressione Canal +/-,
                                                                                                                                                                                                                       as Teclas Numéricas (0-9) ou a tecla Power.
Conectores AV na traseira do TV*                                                                                 Conexão AV Traseira ou Frontal                                                                   2    Teclas de DVD
                                                                                                                 Equipamentos, tais como: DVD,VCR, Laser Disc Player,                                                  5 Rewind - retornar              9 Stop - parar disco
                               AV out      CVI          AV1 in                                                   VCD, etc. podem ser ligados às entradas de ÁUDIO e                                                    2 Play - reproduzir              6 Forward - avançar
                 VIDEO
                                                                                                                 VÍDEO (AV), localizadas na parte traseira ou frontal                                             3    Timer
                      L
                 AUDIO
                                                                                                                                                                                                                                                                                                                                        L03.1L AA




                                                                                                                 de seu TV. Desligue o TV e os equipamentos a serem                                                    Permite digitar um horário específico para que o
                      R                                                                                                                                                                                                TV mude para outro programa. Essa função também
                                                                                                                 conectados antes de realizar quaisquer conexões.
                                                                                                                 • Conecte as saídas (OUT) de ÁUDIO e VÍDEO dos                                                        serve como alarme para acordá-lo em um horário
                                                                                            VCR equipado                                                                                                               específico, quando o aparelho estiver em stand-by,
                                                                                                                   equipamentos aos conectores de entrada (IN) do TV.                                                  e também para desligar o TV no horário desejado.
                                                                                            com saídas de
                       OUT                      OUT              OUT
                                                                                                                 • Para visualizar programas, selecione o canal de AV,
                                                                                            ÁUDIO e VÍDEO                                                                                                         4    Stereo (tecla sem função para aparelhos Mono)
                                               VIDEO
                      ANTENNA                                R AUDIO      L
                                                                                                                   através da tecla AV do controle remoto.                                                             Pressione repetidamente para selecionar entre os
                          IN                     IN                  IN


                                                                                                                 Nota: Se o seu aparelho possui as duas conexões de                                                    modos de som Mono, Stereo e SAP, quando
             Traseira do VCR                                                                                                                                                                                           disponível. Se a transmissão não for estéreo, apenas a
                                                                                                                 entrada (traseiro e frontal), apenas uma conexão poderá ser                                           indicação MONO aparecerá na tela.
                                                                                                                 vista por vez. Neste caso a conexão frontal tem prioridade,                                      5    Smart Sound (tecla sem função para aparelhos Mono)
                                                                                                                 ou seja, para visualizar o programa transmitido via conexão                                           Pressione a tecla Smart Sound repetidamente para
Conectores AV na traseira do TV*                                                                                 traseira é necessário desconectar a conexão frontal.                                                  acessar os 4 tipos diferentes de ajustes de som e
                                                                                                                                                                                                                       escolher o ajuste que for mais conveniente.
           AV out         CVI           AV1 in

  VIDEO                                                                                                          Conexão Vídeo Componente                                                                         6    Surf
       L
                                                                                                                 Você pode assistir reproduções de discos DVD                                                          Permite selecionar um máximo de 8 canais e ver
  AUDIO                                                                                                                                                                                                                rapidamente os canais selecionados.
                                                                                                                 utilizando os conectores de entrada VÍDEO
       R
                                                                                                                 COMPONENTE, localizados na traseira do TV.                                                       7    Menu
                                                                                                                 • Conecte as entradas “Y”, “Pb” e “Pr” (Component                                                     Mostra o Menu principal. Também retira o Menu da tela.
                                                                                             DVD equipado                                                                                                         8    cursor PARA A ESQUERDA
                                                                                             com saídas “Y”,
                                                                                                                    Video Input) do TV às saídas “Y”, “Pb” e “Pr” (ou
                                                                                                                    “Y”, “Cb” e “Cr”) do seu aparelho DVD para                                                         Permite selecionar os submenus e ajustar os controles.
           OUT                                    OUT
                                                                                             “Pb” e “Pr”
                                                                                                                    reproduzir discos DVD.                                                                        9    cursor PARA BAIXO
   Y        Pb            Pr             R AUDIO         L                                                       • Conecte as saídas de AUDIO L e R de seu DVD às                                                      Permite selecionar o próximo item no menu.
                                                                                                                    entradas AUDIO AV1-in L e R na traseira do TV.                                                10   Volume + / –
Traseira do DVD                                                                                                  • Para visualizar programas, selecione o canal de CVI,                                                Permite aumentar (+) ou diminuir (–) o volume.
                                                                                                                    através da tecla AV do controle remoto.                                                       11   Teclado Numérico (0 -9)
                                                                                                                                                                                                                       Pressione para selecionar um canal. Para um número de
Conectores AV na traseira do TV*
                                                                                                                 Nota: Se o seu aparelho possui conexão frontal e a                                                    canal com dois dígitos, pressione o primeiro e
           AV out          CVI           AV1 in                                                                  mesma está ligada, é necessário desconectar o áudio da                                                imediatamente o segundo. Da mesma forma, para um
  VIDEO
                                                                                                                                                                                                                       canal com três dígitos (TV a Cabo), pressione o
                                                                                                                 conexão frontal, para reproduzir a conexão Vídeo                                                      primeiro seguido pelos outros dois.
       L                                                                                                         Componente corretamente.
  AUDIO                                                                                                                                                                                                           12   Sleep
       R                                                                                                                                                                                                               Permite selecionar um período de tempo após o qual o
                                                                                                                 Conexão a Equipamentos de Áudio
                                                                                                                 Para melhorar o som de seu TV, conecte as saídas                                                      aparelho será colocado na condição de stand-by (desligado).
                                                                                                                 (OUT) AUDIO L e R a um equipamento de som,                                                       13   Incredible Surround (tecla sem função para                  17 cursor PARA CIMA
                                                                                                                 em vez do VCR. Para equipamentos mono, conecte                                                        aparelhos Mono)                                                Permite selecionar o item anterior do Menu.
                                                                                                                                                                                                                       Permite selecionar Stereo ou Incredible Surround
                                                                                                                 apenas a saída (OUT) AUDIO L.                                                                         quando a transmissão for em estéreo, e Espacial ou          18 cursor PARA A DIREITA
                                                                                                                                                                                                                       Mono quando a transmissão for mono.                            Permite acessar os submenus e ajustar os
                                                                                                                                                                                                                                                                                      controles.
                                  CONECTANDO A EQUIPAMENTOS PERIFÉRICOS (GRAVAÇÃO)                                                                                                                                14   AV
                                                                                                                                                                                                                       Pressione esta tecla repetidamente para selecionar as       19 v Formato
                                                                                                                                                                                                                       entradas de AV (conexões).                                     Permite selecionar os diferentes modos de
       Conectores AV na traseira do TV*                                                                          Gravando de um canal de TV                                                                                                                                           formato de tela: 4:3 e Expande 4:3.
                                                                                                                 • Conecte as entradas (IN) AUDIO e VIDEO do VCR                                                  15   Smart Picture                                                  (Veja a seção "Como Ajustar a Imagem do TV")
                                AV out           CVI         AV1 in
                                                                                                                                                                                                                       Pressione a tecla Smart Picture repetidamente para
                    VIDEO                                                                                          às correspondentes saídas OUT (MONITOR                                                                                                                          20 Canal + / –
                                                                                                                                                                                                                       acessar os 5 diferentes tipos de ajustes de imagem e
                       L
                                                                                                                   OUT) na traseira do TV.                                                                             escolher o ajuste que for mais agradável.                      Permite selecionar canais em ordem crescente
                 AUDIO                                                                                                                                                                                                                                                                (+) ou decrescente (–).
                       R
                                                                                                                                                                                                                  16   OSD
                                                                                                                                                                                                                       Apresenta na tela o número do canal, o relógio (se          21 Mute
                                                                                                                                                                                                                       disponível), o status do modo SLEEP e, também retira o         Interrompe o som. Para restaurá-lo, pressione a
                                         OUT                  OUT                OUT         VCR equipado com
                                                                                                                                                                                                                       menu da tela. Para que o número do canal fique fixo na         tecla novamente ou a tecla Volume +.
                                                             VIDEO
                                        ANTENNA                               L AUDIO   R    saídas de ÁUDIO e
                                          IN                   IN                 IN
                                                                                                                                                                                                                       tela, pressione a tecla por 5 segundos. O número irá        22 CC (Closed Caption)
                                                                                             VÍDEO                                                                                                                     piscar indicando que a função foi ativada. Para remover        Permite ler o conteúdo falado de programas
                                                                                                                                                                                                                       da tela, pressione a tecla novamente.                          de televisão.Você pode escolher 3 modos:
                                                                                                                                                                                                                                                                                      CC1, CC2 e CC Mudo.
                                                                                                                                                                               * Desenho ilustrativo (20PT4331)




           Traseira do VCR
ACESSANDO O MENU PRINCIPAL E OS SUB-MENUS                                                                                 SELECIONANDO O MENU INSTALAÇÃO

O menu principal permite acessar os sub-menus Imagem, Som, Funções e Instalação.
                                                                                                                                                                                Instalação o
                                                                                                                      MENU                 OSD
                                                                                                                                                                                ✔ Idioma        Português É
Como acionar o menu principal                                                                                                                                                   ■ Sistema Cor

                                                                                                                                                                                ■ Modo
                                 MENU
                                                                              Menu         o
• Pressione a tecla MENU                para ativar o menu principal.                                                                                                           ■ Auto Seleção
                                                                              ✔ Imagem     É   Brilho
                                                                                                                                                                                ■ Sintonia Fina
                                                                              ■ Som            Cor
                                                                                                                                                                                ■ Seleção
                                                                              ■ Funções        Contraste
• As quatro teclas do controle remoto, cursor PARA CIMA                                                                                                                                     œ
                                                                              ■ Instalação     Nitidez
       , PARA BAIXO            , PARA A ESQUERDA        e                                      Matiz
                                                                                               Próximo...
  PARA A DIREITA              , permitem selecionar o item desejado                        œ                        Pressione   MENU   , pressione a seta     ou        até o item Instalação e pressione        .
  do menu, fazer ajustes e, acessar os sub-menus.

                                                                                  MENU              OSD
                                                                                                                   Idioma: A função Idioma permite ajustar o menu para ser mostrado no idioma desejado.
• Pressione a tecla OSD    OSD    para sair do menu. Quando o menu
                                                                                                                                        Pressione a tecla de cursor PARA A DIREITA ou PARA A ESQUERDA
  não está na tela, a tecla OSD apresenta várias informações úteis ao usuário.                                                          repetidamente para selecionar o idioma preferido (Português, Español ou
                                                                                                                                        English).



               VISÃO GERAL DO MENU PRINCIPAL E SUB-MENUS                                                    Sistema Cor: Selecione o sistema de cor NTSC, PAL-M ou PAL-N. Quando a opção Auto está
                                                                                                                         selecionada, o sistema transmitido é detectado e selecionado automaticamente.
                                                                                                                         Selecione o sistema apropriado se a recepção for ruim no modo Auto. Para as entradas
                                                                                                                         AV, o sistema de cor é automático, por isto quando uma das entradas AV estiver
                                                                                                                         selecionada, este item não aparecerá neste menu.
                                                   Menu principal
                                                                                                                                        Pressione a tecla de cursor PARA A DIREITA ou PARA A ESQUERDA
                                                   Imagem
                                                                                                                                        repetidamente para selecionar o sistema apropriado.
                                                   Som
                                                   Funções
                                                   Instalação
                                                                                                                     Modo: Escolha o tipo de sintonia: Antena (canal 2 ao 69), Cabo (canal 1 ao 125) ou Auto. Use
                                                                                                                           o modo Cabo somente se esse sistema for disponível em sua residência. No modo Auto,
                                                                                                                           o tipo de sintonia é detectado e selecionado automaticamente.

                                  Som                                                                                                   Pressione a tecla de cursor PARA A DIREITA ou PARA A ESQUERDA
Imagem                                                           Instalação              Funções                                        repetidamente para selecionar o modo desejado.
                                  (para aparelhos Mono)
Brilho                            Nivelar Vol.                   Idioma                  Timer
Cor                               Som                            Sistema Cor             Active Control
Contraste                         (para aparelhos Estéreo)       Modo                    Closed Caption
Nitidez                                                          Auto Seleção            Limit. Volume      Auto Seleção: Faz a sintonia automática dos canais disponíveis ou com sinal, “saltando” os canais que
Matiz                             Agudos                         Sintonia Fina           Nível Sinal                      não estão sendo transmitidos. Na auto seleção ocorrem oscilações de imagem. A imagem
Tom De Cor                        Graves                         Seleção                                                  voltará a se estabilizar ao término da operação.
Contraste +                       Balanço                                                                                 Dica : Antes de fazer a seleção de canais, certifique-se de que a antena ou cabo esteja conectado.
Formato                           Nivelar Vol.
                                  Incr. Surround                                                                                        Pressione a tecla de cursor PARA A DIREITA ou PARA A ESQUERDA para
                                  Ultra Bass                                                                                            iniciar a auto seleção.
                                  Som
                                                                                                                                                                                                                               L03.1L AA




                                                                                                                                OSD     A tecla OSD pode ser utilizada para interromper esta operação.

                                                                                                                              Após a auto seleção, apenas os canais selecionados serão apresentados ao se pressionar
                                                                                                                              as teclas CH (canal) 3 ou 4, entretanto todos os canais podem ser acessados através do
                                                                                                                              teclado numérico do controle remoto.
                                                                                                                                                                                                                               9
10

                    SELECIONANDO O MENU INSTALAÇÃO (CONT.)                                                                                                                COMO AJUSTAR A IMAGEM DO TV

                                                                         Instalação o                                                   MENU                      OSD            Imagem      o                                                      Imagem        o
         MENU                       OSD
                                                                         ✔ Idioma        Português É                                                                             ✔ Brilho      p❘ ❘ ❘ ❘ ❘ ❘ ❘ ❘ ❘ ❘ ❘ ❘ ❘ ❘ ❘ ❘ ❘ ❘ ❘ ❘ ❘ ❘ ❘ 59π   ✔ Matiz         p❘ ❘ ❘ ❘ ❘ ❘ ❘ ❘ ❘ ❘ ❘ ❘ ❘ ❘ ❘ ❘ ❘ ❘ ❘ ❘ ❘ ❘ ❘ 59π
                                                                         ■ Sistema Cor                                                                                           ■ Cor                                                              ■ Tom De Cor

                                                                         ■ Modo                                                                                                  ■ Contraste                                                        ■ Contraste +

                                                                         ■ Auto Seleção                                                                                          ■ Nitidez                                                          ■ Formato

                                                                         ■ Sintonia Fina                                                                                         ■ Matiz

                                                                         ■ Seleção                                                                                               ■ Tom De Cor

                                                                                     œ                                                                                                       œ                                                                                  œ
                                                                                                                                                                                                                                                                                                                         L03.1L AA




       Pressione    MENU       , pressione a seta     ou        até o item Instalação e pressione                .                             Pressione       MENU    , pressione a seta                       ou                   até o item Imagem e pressione                                       .

Sintonia Fina: Usada nas raras situações em que é necessário fazer um pequeno ajuste na sintonia fina                            Utilize a tecla de cursor PARA CIMA           ou PARA BAIXO            para selecionar os itens no
               do TV, para melhorar a recepção de imagem ou de som. Quando o valor da sintonia fina                              submenu. Faça os ajustes ou a ativação do recurso com a tecla de cursor PARA A DIREITA             ou
               está no centro da escala, a sintonia é automática.                                                                PARA A ESQUERDA               . Pressione a tecla OSD OSD para sair do menu.
                                Pressione a tecla de cursor PARA A
                                                                                Sintonia Fina    o
                                DIREITA para ativar o menu Sintonia             ✔ Ajuste         Ñ❘❘❘❘❘❘❘❘❘❘❘ ❘❘ ❘❘❘❘❘❘❘❘❘❘❘ π    Item do menu                   Atividade
                                Fina.                                           ■ Memorizar
                                                                                                                                  Brilho                         Escurece ou clarea a imagem.
                1    2     3                                                                                                      Cor                            Aumenta ou diminui o nível de cor (saturação) da imagem.
                                Selecione o canal desejado através das
                4    5     6
                7    8     9    teclas numéricas do controle remoto.                                                              Contraste                      Aumenta ou diminui o nível de contraste.
                     0                                                                           œ

                                Pressione a tecla de cursor PARA A                                                                Nitidez                        Suaviza a imagem ou a torna mais nítida.
                                DIREITA ou PARA A ESQUERDA até obter o ajuste desejado.                                           Matiz                          Torna a imagem mais esverdeada ou avermelhada. Esta função é aplicável somente
                                                                                                                                                                 nas transmissões em NTSC.
                                Quando atingir a sintonia desejada, pressione a tecla de cursor PARA BAIXO                        Tom de Cor                     Permite uma escolha de 3 ajustes de tonalidade de cor: Normal, Quente ou Frio.
                                para selecionar Memorizar.
                                                                                                                                  Contraste +                    Selecionando a opção Sim, o contraste total será otimizado, realçando a imagem.
                                Pressione a tecla de cursor PARA A DIREITA para gravar o ajuste efetuado.                         Formato                        Permite selecionar diferentes formatos de tela para seu prazer visual, que são: 4:3 e
                                                                                                                                                                 Expande 4:3.
                    MENU        Pressione a tecla MENU para retornar ao menu Instalação.                                                                         Modo Expande 4:3: Expande as imagens de filmes
                                                                                                                                                                 gravados no formato de caixa de textos (letterbox 16:9).
                                                                                                                                                                 Com este formato selecionado, as barras horizontais
                                                                                                                                                                 negras existentes no topo e na parte inferior das
                                                                                                                                                                 imagens são removidas ou reduzidas.
     Seleção: Algumas vezes pode ser necessário a inclusão de alguns canais, como no caso dos vídeos                                                             Nota: Quando o menu não estiver na tela, você pode selecionar o formato de tela (q)
              cassetes ligados pela antena ou canais fracos (com chuviscos), ou a exclusão de alguns                                                             diretamente através das teclas de cursor PARA CIMA            e PARA BAIXO          .
              canais indesejados.
              Nota: Uma vez que o canal é cancelado, não é possível acessar este canal usando a tecla de
              CH + ou - . Só será possível selecioná-lo através das teclas numéricas (0-9).

                                Pressione a tecla de cursor PARA A                                                                                             UTILIZANDO O CONTROLE SMART PICTURE
                                DIREITA para ativar o menu Seleção.             Seleção     o
                                                                                ■ Canal
                1   2      3
                                                                                                                                 Independente de você estar assistindo um filme ou jogando vídeo game, seu TV tem um controle automático
                                                                                ✔ Cancelado          Sim
                4   5      6    Selecione o canal desejado através das                                                           de ajustes de imagem que é ideal para o programa ou fonte que você está utilizando. Cada opção do Smart
                7   8      9                                                                                                     Picture é pré-ajustada na fábrica para selecionar automaticamente os níveis de brilho, cor, contraste e nitidez.
                    0           teclas numéricas do controle remoto.
                                                                                                                                                       SMART PICTURE
                                                                                                                                                                       Pressione a tecla SMART PICTURE repetidamente para circular através dos 5
                                Pressione a tecla de cursor PARA BAIXO                       œ                                                                         ajustes de imagem : Pessoal, Vibrante, Natural, Suave e Games.
                                para selecionar Cancelado.
                                                                                                                                 Definição dos ajuste de Imagem
                                Pressione a tecla de cursor PARA A DIREITA e selecione Sim para eliminar o                       Pessoal           :   Opção que pode ser ajustada pelo usuário.
                                canal ou Não para adicionar o canal.                                                             Vibrante          :   Reforça cores mais vibrantes. (Apropriado para modo AV em ambientes mais luminosos)
                                                                                                                                 Natural           :   Reforça cores originais.
                    OSD                                                                                                          Suave             :   Reforça cores “suaves”. (Apropriado para sinais fracos e ruidosos)
                                Pressione a tecla OSD para sair do menu.
                                                                                                                                 Games             :   Reforça cores “quentes”. (Apropriado para jogos de computadores, vídeo games, etc.)
COMO AJUSTAR O SOM DO TV                                                                                                                         UTILIZANDO O TIMER

        MENU                    OSD            Som         o                                     Som         o                                                                                                            Funções          o
                                                                                                                                                            MENU                   OSD
                                               ✔ Agudos       p❘❘❘❘❘❘❘❘❘❘❘ ❘ ❘❘❘❘❘❘❘❘❘❘❘ 2π      ✔ Balanço      pL❘❘❘❘❘❘❘❘❘ ❘❘ ❘❘❘❘❘❘❘❘❘ Rπ                                                                               ✔ Timer          É Relógio
                                               ■ Graves                                          ■ Nivelar Vol.                                                                                                           ■ Active Control   Ligar Às
                                               ■ Balanço                                         ■ Incr. Surround                                                                                                         ■ Closed Caption   Desligar Às
                                               ■ Nivelar Vol.                                    ■ Ultra Bass                                                                                                             ■ Limit. Volume    Canal
                                               ■ Incr. Surround                                  ■ Som                                                                                                                    ■ Nível Sinal      Ativar
                                               ■ Ultra Bass                                                                                                                                                                                  Mostrar Hora
                                                           œ                                                       œ                                                                                                                       œ


                Pressione       MENU   , pressione a seta              ou             até o item Som e pressione                .                                       MENU
                                                                                                                                                            Pressione          , pressione a seta    ou        até o item Funções e pressione                .

Utilize a tecla de cursor PARA CIMA           ou PARA BAIXO            para selecionar os itens no                                            Este recurso permite digitar um horário e mostrá-lo na tela pressionando a tecla OSD. Permite, também, digitar o
submenu. Faça os ajustes ou a ativação do recurso com a tecla de cursor PARA A DIREITA             ou                                         horário que você deseja que o aparelho mude para outro programa, desligue o TV ou, ainda, funcionar como um alarme
PARA A ESQUERDA               . Pressione a tecla OSD OSD para sair do menu.                                                                  para acordá-lo em horários específicos, quando o aparelho estiver no modo stand-by (desligado pelo controle remoto).

            Item do menu Atividade                                                                                                                        Pressione a tecla de cursor PARA A DIREITA para ativar o
                                                                                                                                                                                                                                   Timer         o
                                                                                                                                                          menu Timer.                                                              ✔ Relógio     π   08:30
            Agudos                    Aumenta ou diminui o nível de altas freqüências (sons agudos) no som.                                                                                                                        ■ Ligar Às
                                                                                                                                              1   2   3
            Graves                    Aumenta ou diminui o nível de baixas freqüências (sons graves) no som.                                  4   5   6                                                                            ■ Desligar Às
                                                                                                                                              7   8   9
                                                                                                                                                          Relógio : Utilize as teclas numéricas (0 - 9) para digitar o
                                                                                                                                                                                                                                   ■ Canal
            Balanço                   Distribui o som pelos alto-falantes direito e esquerdo.                                                     0       horário atual.                                                           ■ Ativar

            Nivelar Volume            Como variações nas condições do sinal podem resultar numa súbita alteração no                                                                                                                ■ Mostrar Hora
                                                                                                                                              1   2   3
                                      volume durante intervalos comerciais ou trocas de canal, selecionando a opção                           4   5   6   Ligar às : Utilize as teclas numéricas (0 - 9) para digitar o                          œ
                                                                                                                                              7   8   9
                                      Sim, o volume irá permanecer num nível padrão.                                                              0       horário que você deseja que o programa seja ativado.
            Incredible                Proporciona a sensação de um som mais envolvente. Quando a transmissão for estéreo,
                                                                                                                                              1   2   3
            Surround                  permite selecionar Incr. Surround ou Stereo, quando for mono, Espacial ou Mono.                         4   5   6   Desligar às : Utilize as teclas numéricas (0 - 9) para digitar
                                                                                                                                              7   8   9
            Ultra Bass                Selecione a opção Sim para apreciar um reforço de graves na saída de som.                                   0       o horário que você deseja desligar o aparelho.




 Estéreo
aparelhos
            Som                       Permite a seleção entre Stereo, Mono e SAP. SAP permite ouvir o som
                                                                                                                                              1   2   3
                                      original em transmissão simultânea. Se o programa transmitido não contém a                              4   5   6   Canal : Utilize as teclas numéricas (0 - 9) para digitar o número do canal.
                                                                                                                                              7   8   9
                                      informação SAP, a opção SAP não estará disponível no menu. Ao assistir um                                   0

                                      programa em modo SAP e mudar para outro canal, a opção SAP será desligada                                           Ativar : Use a tecla de cursor PARA A DIREITA ou PARA A ESQUERDA para selecionar
                                      quando retornar ao canal anterior (com SAP). É necessário refazer a seleção da
                                                                                                                                                          entre os modos Uma vez e Todo dia.
                                      opção SAP no recurso SOM.
                                      Nota: Se a transmissão não for estéreo, apenas a indicação Mono aparecerá na tela.
                                                                                                                                                          Mostrar Hora : Use a tecla de cursor PARA A DIREITA ou PARA A ESQUERDA para
                                                                                                                                                          selecionar Sim e mostrar o horário corrente na tela.
            Item do menu Atividade
            Nivelar Volume            Como variações nas condições do sinal podem resultar numa súbita alteração no                                       Dica: Pode-se acessar diretamente o menu Timer através da tecla Timer do controle remoto.




  Mono
                                      volume durante intervalos comerciais ou trocas de canal, selecionando a opção




aparelhos
                                      Sim, o volume irá permanecer num nível padrão.



                                UTILIZANDO O CONTROLE SMART SOUND                                                                                                                 UTILIZANDO O ACTIVE CONTROL
                                              (somente para aparelhos Estéreo)                                                                Este recurso ajusta automaticamente a qualidade da imagem, dependendo do sinal recebido pela antena.
Independente de você estar assistindo um filme ou jogando vídeo game, seu TV tem um controle automático
de ajustes de som que é ideal para o programa ou fonte que você está utilizando. Cada opção do Smart                                                                     Use a tecla de cursor PARA A DIREITA ou                   Funções          o
Sound é pré-ajustada na fábrica, para selecionar automaticamente os níveis de graves e agudos.                                                                           PARA A ESQUERDA para selecionar Sim,                      ■ Timer

                                                                                                                                                                         Exibir ou Não.                                            ✔ Active Control         Sim
                                                                                                                                                                                                                                   ■ Closed Caption
                       SMART SOUND   Pressione a tecla SMART SOUND repetidamente para circular através dos 4
                                                                                                                                                                                                                                   ■ Limit. Volume
                                                                                                                                                                                                                                                                     L03.1L AA




                                     ajustes de som : Pessoal, Voz, Música e Teatro.                                                                                     Nota: Quando EXIBIR estiver selecionado, os
                                                                                                                                                                                                                                   ■ Nível Sinal
                                                                                                                                                                         ajustes de Brilho, Contraste, Nitidez e
Definição dos ajustes de Som                                                                                                                                             Contraste+ serão mostrados na tela ao mudar                                 œ
                                                                                                                                                                         de canal.
Pessoal            :   Opção que pode ser ajustada pelo usuário.
Voz                :   Reforça tons de alta freqüência. (agudos reforçados)                                                                                              Nota: Esta função não atua nas conexões AV e CVI (se disponível).
Música             :   Reforça tons de baixa freqüência. (graves reforçados)
Teatro             :   Reforça sensações em programas de ação. (graves e agudos reforçados).
                                                                                                                                                                                                                                                                     11
12

                             UTILIZANDO O CLOSED CAPTION                                                                                                  UTILIZANDO O SLEEPTIMER
O Closed Caption (CC) permite ler o conteúdo falado dos programas na tela do TV. Este recurso utiliza               O recurso Sleeptimer permite selecionar um período de tempo após o qual o aparelho irá automaticamente
“caixas de texto” para mostrar os diálogos e conversas enquanto o programa está sendo apresentado.                  para o modo Stand-by. Você pode selecionar o temporizador de um período inicial de 15 minutos até um
Nem todos os programas e comerciais de TV são produzidos com Closed Caption. As opções CC1 e CC2                    máximo de 240 minutos.
dependem das transmissões das emissoras. As estações de TV podem freqüentemente utilizar abreviações
                                                                                                                                        SLEEP
das palavras, símbolos e outras reduções gramaticais de forma a manter o diálogo sincronizado com a ação.                                       Pressione a tecla SLEEP para ativar um período de tempo.
Isto varia de acordo com a fonte do material que está sendo transformado em texto e não indica a
                                                                                                                                        SLEEP
existência de problemas na televisão.                                                                                                           Pressione a tecla SLEEP repetidamente para circular através das opções de
                                                                                                                                                períodos de tempo disponíveis e selecione o desejado.
                                                                                                                                                                                                                                   L03.1L AA




                      Pressione a tecla de cursor PARA A                    Funções          o
                      DIREITA ou PARA A ESQUERDA para                       ■ Timer

                      selecionar a opção de Closed Caption                  ■ Active Control
                                                                                                                    Notas :
                      desejada (CC1, CC2, CC Mudo e CC Não).                ✔ Closed Caption            CC1
                                                                            ■ Limit. Volume
                                                                                                                    • Durante o último minuto de um comando Sleep, uma contagem regressiva será apresentada na tela.
                                                                            ■ Nível Sinal
                                                                                                                    • Pressionando qualquer tecla do controle remoto durante a contagem regressiva, o Sleeptimer será cancelado.
                      Nota : CC Mudo aciona o modo CC1 somente                                                      • Nos últimos 10 segundos da contagem regressiva, a mensagem Até logo... será mostrada na tela.
                      quando a função Mudo estiver ativada.                                    œ

                      Dica : Pode-se acessar os diversos modos de Closed
                      Caption através da tecla CC no controle remoto.                                                                               UTILIZANDO O CONTROLE SURF
                                                                                                                    Com este recurso você pode facilmente navegar pelos diferentes programas de TV que o interessam.
                         UTILIZANDO O LIMITADOR DE VOLUME                                                           Este recurso permite colocar até oito canais em sua lista de visualização.

Permite configurar o volume máximo desejado para todos os canais.                                                   Como adicionar canais à lista Surf
                                                                            Funções       o
                                                                            ■ Timer
                                                                                                                    • Selecione um canal para ser adicionado à lista Surf.
                      Pressione a tecla VOL +/– para ajustar o                                                                                                                                     8
              VOL                                                                                                                                  SURF
                      volume desejado.                                      ■ Active Control
                                                                                                                    • Pressione a tecla SURF              para ativar a lista Surf.              Surf
                                                                            ■ Closed Caption

                                                                            ✔ Limit. Volume            Sim                                                                                              8    Incluir?
                      Pressione a tecla de cursor PARA A DIREITA ou                                                 • A tela ao lado aparecerá perguntando se você deseja incluir o
                                                                            ■ Nível Sinal
                      PARA A ESQUERDA e selecione Sim para ativar                                                     canal selecionado.
                      a opção Limit.Volume. Selecione Não caso queira                      œ                        • Pressione a tecla de cursor PARA A DIREITA                para
                      desativar a função Limit.Volume.                                                                adicionar o canal à lista Surf. Para adicionar mais canais à lista Surf,
                                                                                Limit. Volume Ativado
                                                                                                                      repita os passos anteriores.
                      Nota: Depois que a opção Sim for selecionada, a
                      mensagem Limit. Volume Ativado junto com                                                        Nota : Uma vez adicionado um canal, a opção Cancelar ? aparece,
                      nível máximo desejado do Volume vão aparecer                                                    indicando que este canal poderá ser cancelado.
                                                                               Volume   ............    18
                      na tela sempre que a tecla Volume + for
                      pressionada para aumentar o volume.                                                           Como remover canais da lista surf
                                                                                                                                                   SURF
                                                                                                                    • Pressione a tecla SURF              para ativar a lista Surf.
                                                                                                                                                                                                   8

                       UTILIZANDO A FUNÇÃO NÍVEL DE SINAL                                                           • Use as teclas de cursor PARA CIMA                ou PARA BAIXO             Surf

                                                                                                                             para circular através dos canais da lista Surf e selecione o               8    Cancelar?

Este recurso permite ver o nível do sinal quando a opção Sim estiver selecionada. O nível do sinal será               canal a ser removido.
mostrado na parte inferior da tela sempre que for feita uma troca de canal. Quanto mais próximo do valor            • A tela ao lado aparecerá perguntando se você deseja cancelar o
0, mais fraco é o nível de sinal da TV.                                                                               canal selecionado.
                      Pressione a tecla de cursor PARA A                    Funções         o                       • Pressione a tecla de cursor PARA A DIREITA                  para
                                                                            ■ Timer                                   remover o canal da lista Surf.
                      DIREITA para selecionar Sim ou Não.
                                                                            ■ Active Control
                                                                                                                      Nota: Uma vez eliminado um canal, a opção Incluir ? aparece,
                                                                            ■ Closed Caption
                      Nota: Quando o nível do sinal for fraco, é possível   ■ Limit. Volume
                                                                                                                      indicando que este canal poderá voltar a ser adicionado, se estiver
                      acessar a opção Active Control no menu Funções e      ✔ Nível Sinal                     Sim     apenas um canal na lista. Caso contrário, a TV sintonizará o canal
                      selecionar a opção Sim, que irá ajustar                                                         anterior que está armazenado na lista SURF.
                      automaticamente a qualidade da imagem. (Veja a                        œ
                                                                            Nível Sinal ...........
                                                                                        ..........            80
                      seção "Utilizando o Active Control")
                                                                                                                    Como visualizar os canais selecionados na lista surf
                                                                                                                                                   SURF
                      Dica: Mantendo a função Nível de Sinal ativada e                                              • Pressione a tecla SURF              para ativar a lista Surf.
                      selecionada dentro do menu, é possível ajustar a
                      direção de sua antena e escolher a posição que lhe                                            • Use as teclas de cursor PARA CIMA                   ou PARA BAIXO           para circular através dos
                      proporcione o maior nível, ou seja o melhor sinal.                                              canais da lista Surf.
                                                          14
ANTES DE CHAMAR O SERVIÇO TÉCNICO                                                                                                 LISTA DE SERVIÇOS AUTORIZADOS
Abaixo é apresentada uma lista de sintomas ocorridos freqüentemente com o TV. Antes de chamar o Serviço            ACRE                                 CASTELO                 28-5421811   ALMENARA                 33-7211234   VAZANTE                34-8131420
                                                                                                                   RIO BRANCO              68-2249116   COLATINA               27-37222288   ANDRADAS                35-37312970   VIÇOSA                31-38918000
Técnico, faça estas verificações simples. Alguns destes sintomas podem ser corrigidos facilmente com a ajuda                                            GUARAPARI               27-3614355   ARAXA                   34-36611132
das informações abaixo.                                                                                            ALAGOAS                              LINHARES               27-33710148   ARAXA                   34-36691869   PARÁ
                                                                                                                   ARAPIRACA               82-5222367   NOVA VENECIA           27-37521729   ARCOS                   37-33513455   ABAETETUBA            91-37512272
                                                                                                                   MACEIO                  82-2417237   PINHEIROS               27-7651303   BAMBUI                  34-34311473   BELEM                  91-2690400
                                                                                                                   PALMEIRA DOS INDIOS     82-4213452   SAO DOMINGO DO NORTE    27-7421237   BARBACENA               32-33310283   BELEM                  91-2462100
Sintoma                  O que fazer                                                                               UNIAO DOS PALMARES      82-2811305   SAO GABRIEL DA PALHA    27-7271153   BELO HORIZONTE          31-32257262   CAPANEMA               91-4621100
Mancha nas cores         • Desligue o televisor pela chave de rede. Aguarde 20 minutos antes de ligar o aparelho                                        SAO MATEUS              27-7631366   BELO HORIZONTE          31-32254066   CASTANHAL             91-37215052
                                                                                                                   AMAZONAS                             VILA VELHA             27-32891233   BELO HORIZONTE          31-34420944   ITAITUBA               93-5181545
                           novamente.                                                                              MANAUS                  92-6333035   VITORIA                27-32233899   BELO HORIZONTE          31-32733777   MARABA                 94-3211891
                         • Verifique se o aparelho não está colocado muito próximo de alto-falantes ou objetos     MANAUS                  92-6633366                                        BETIM                   31-35322088   OBIDOS                 93-5471621
                                                                                                                                                        GOIÁS                                BOM DESPACHO            37-35212906   PARAGOMINAS            91-7293356
                           magnéticos.                                                                             AMAPÁ                                ANAPOLIS                62-3243562   BOM DESPACHO             37-5222511   PARAUAPEBAS            94-3461137
                                                                                                                   MACAPA                  96-2234869   CACU                    62-6561811   CARANGOLA               32-37412017   PORTO TROMBETAS        91-5491606
Não liga                 • Verifique se o cabo de rede está conectado na tomada. Se o aparelho ainda não ligar,    MACAPA                  96-2175934   CATALAO                 64-4412786   CARATINGA               33-33212379   REDENCAO               94-4240351
                                                                                                                   SANTANA                 96-2830406   GOIANESIA               62-3531302   CASSIA                  35-35412293   SANTAREM               93-5235322
                           desligue-o da tomada, espere 60 segundos e então reinsira o plug na tomada de rede.                                          GOIANIA                 62-2919095   CATAGUASES              32-34215321
                           Pressione o botão liga/desliga novamente.                                               BAHIA                                GOIANIA                 62-2292908   CAXAMBU                 35-33413661   PARAÍBA
                                                                                                                   ALAGOINHAS              75-4211128   GOIATUBA                64-4952401   CONGONHAS               31-37311683   CAMPINA GRANDE         83-3212128
                                                                                                                   BARREIRAS               77-6117592   INHUMAS                 62-5111840   CONS LAFAIETE           31-37612871   ESPERANCA              83-3612273
Sem imagem               • Verifique a conexão da antena na parte traseira do aparelho.                            BOM JESUS DA LAPA       77-4814335   IPAMERI                 62-4511184   CONTAGEM                31-33912994   GUARABIRA              83-2711159
                         • Possível problema na estação de TV. Tente outro canal.                                  BRUMADO                 77-4412381   ITAPURANGA              62-3551484   CONTAGEM                 31-3953461   IGUATU                 88-5810512
                         • Verifique os ajustes do menu IMAGEM ou pressione a tecla SMART PICTURE.                 CAETITE                 77-4541183   ITUMBIARA               64-4310837   CORONEL FABRICIANO      31-38411804   JOAO PESSOA            83-2467043
                                                                                                                   CAMACARI                71-6218288   JATAI                   64-6314819   CURVELO                 38-37213009   NOVA FLORESTA          83-3741014
                                                                                                                   CATU                    71-6411982   JATAM                   64-6367458   DIVINOPOLIS             37-32212353   PATOS                  83-4232172
Imagem boa, mas sem      • Tente aumentar o volume.                                                                CICERO DANTAS           75-2781169   JUSSARA                 62-3731806   FORMIGA                 37-33212868   SAPE                   83-2832479
                                                                                                                   CRUZ DAS ALMAS          75-6212839   PIRES DO RIO            64-4611133   FRUTAL                  34-34235279   SOLANEA                83-3633937
som                      • Verifique se a função LIMITADOR DE VOLUME está ativada.                                 CRUZ DAS ALMAS          75-6212839   PORANGATU               62-3671799   GOV VALADARES           33-32716650
                                                                                                                   ESPLANADA               75-4271454   RIALMA                  62-3971320   GUAXUPE                 35-35513891   PARANÁ
Som bom, mas cor pobre • Tente aumentar os ajustes de contraste, brilho e cor.                                     EUNAPOLIS               73-2815181   RIO VERDE               64-6210173   GUAXUPE                  35-5514124   AMPERE                 46-5471605
                                                                                                                   FEIRA DE SANTANA        75-2232882   TRINDADE                62-5051505   IPATINGA                 31-8222332   ANTONINA               41-4321404
ou sem imagem          • Tente outra regulagem de SMART PICTURE via controle remoto.                               GANDU                   73-2541664   URUACU                  62-3571285   ITABIRA                 31-38316218   APUCARANA              43-4225306
                                                                                                                   ILHEUS                  73-2315995                                        ITAJUBA                 35-36211315   ARAPONGAS              43-2522882
Imagem e som ruidosos    • Verifique a conexão de antena na parte traseira do TV.                                  IPIAU                   73-5311219   MARANHÃO                             ITAPECERICA              37-3411326   ASSIS CHATEAUBRIAND    44-5285181
                                                                                                                   IRECE                   74-6411248   ACAILANDIA              99-5381889   ITAUNA                  37-32412468   ASTORGA                44-2341213
                         • Em alguns casos, somente a utilização de uma antena externa poderá melhorar a imagem.   ITABERABA               75-2512358   BACABAL                 99-6216370   ITUIUTABA               34-32682131   BANDEIRANTES           43-5421711
                         • Tente ajustar a sintonia fina.                                                          ITABUNA                 73-6137777   BALSAS                  99-5410113   JANAUBA                 38-38211605   CAMPO MOURAO           44-5238970
                                                                                                                   ITAPETINGA              77-2613003   CAROLINA                98-7311335   JOÃO MONLEVADE          31-38512909   CASCAVEL               45-2254005
                                                                                                                   JACOBINA                74-6213451   CHAPADINHA              98-4711364   JOÃO MONLEVADE           31-8521112   CIANORTE               44-6292842
Linhas pontilhadas       • Possível interferência elétrica por ex.: secador de cabelos, aspirador de pó, etc.      JEQUIE                  73-5254141   CAXIAS                  99-5212377   JOÃO PINHEIRO           38-35611327   CURITIBA               41-3334764
horizontais                Desligue os eletrodomésticos.                                                           JUAZEIRO                74-6116456   CODO                    99-6611277   JUIZ DE FORA            32-32151514   CURITIBA               41-2648791
                                                                                                                   JUAZEIRO                74-6111002   COELHO NETO             98-4731351   LAGOA DA PRATA           37-2611908   DOIS VIZINHOS          46-5361490
                                                                                                                   MURITIBA                75-4241908   IMPERATRIZ              99-5244969   LAGOA SANTA              31-6812311   FOZ DO IGUACU          45-5233029
Imagens duplas ou        • Possível mau posicionamento da antena. A utilização de uma antena mais direcional       PAULO AFONSO            75-2811349   PRES. DUTRA             99-6631815   LAVRAS                  35-38219188   FOZ DO IGUACU          45-5234115
imagens “Fantasma”         pode melhorar a recepção.                                                               POCOES                  77-4311523   SAO JOSE DE RIBAMAR     98-2241581   MANHUACU                 33-3314735   FRANCISCO BELTRAO      46-5233230
                                                                                                                   RIBEIRA DO POMBAL       75-2761853   SAO LUIS                98-2323236   MONTE CARMELO           34-38422082   GOIO-ERE               44-5221446
                                                                                                                   SALVADOR                71-2473659                                        MONTE SANTO DE MINAS    35-35911888   GUARAPUAVA             42-6235325
TV não responde ao       • Verifique as baterias do controle remoto.                                               SALVADOR                71-2072791   MATO GROSSO                          MONTES CLAROS           38-32218925   IBAITI                 43-5461162
controle remoto          • Dirija o controle remoto diretamente à lente do sensor de controle remoto.              SALVADOR                71-3356233   ALTA FLORESTA           66-5212460   MURIAE                   32-7224334   IBIPORA                43-2581863
                                                                                                                   SANTO AMARO             75-2413330   ALTO ARAGUAIA           66-4811726   MUZAMBINHO               35-5712419   IRATI                  42-4221337
                                                                                                                   SENHOR DO BONFIM        74-5413143   BARRA DO GARÇAS         66-4011438   NANUQUE                 33-36212165   LAPA                   41-6222410
                                                                                                                   SERRINHA                75-2611794   CACERES                 65-2234760   NOVA LIMA               31-35412026   LOANDA                 44-4252053
                                                                                                                   STO ANTONIO JESUS       75-6314470   CUIABA                  65-6230421   OLIVEIRA                37-33314444   LONDRINA              43-33241002
                                                                                                                   VALENCA                 75-6413710   LUCAS DO RIO VERDE      65-5491333   PARA DE MINAS           37-32316369   MAL CANDIDO RONDON     45-2541949
                                                                                                                   VITORIA DA CONQUISTA    77-4241183   MIRASSOL D'OESTE        65-2411716   PARACATU                38-36711250   MANDAGUARI             44-2331335
                                                                                                                                                        PONTES E LACERDA        65-2662326   PASSOS                  35-35214342   MARINGA                44-2264620
                                                                                                                   CEARÁ                                PRIMAVERA DO LESTE      66-4981682   PATOS DE MINAS          34-38222588   MEDIANEIRA             45-2642580
                                                                                                                   BREJO SANTO             88-5310133   RONDONOPOLIS            66-4233888   PATROCINIO              34-38311531   NOVA ESPERANCA         44-2524705
                                                                                                                   FORTALEZA               85-2573155   SINOP                   66-5311473   PIRAPORA                38-37414197   NOVA LONDRINA          44-4322991
                                                                                                                   IBIAPINA                88-6531223   SORRISO                 66-5441443   PITANGUI                37-32714101   PALMEIRA                42-522455
                                                                                                                   IGUATU                  88-5810512   TANGARA DA SERRA        65-3261431   PIUNHI                  37-33714632   PALMEIRA               42-2523006
                                                                                                                   JUAZEIRO DO NORTE       88-5112667                                        POÇOS DE CALDAS         35-37222531   PALOTINA               446-495131
                                                                                                                   OROS                    88-5841271   MATO GROSSO DO SUL                   POÇOS DE CALDAS         35-37224448   PARANAGUA              41-4225804
                                                                                                                   SOBRAL                  88-6110605   AMAMBAI                 67-4811543   POUSO ALEGRE            35-34212120   PARANAVAI              44-4234711
                                                                                                                                                        CAMPO GRANDE            67-3242804   SANTOS DUMONT            32-2514820   PATO BRANCO            46-2242786
                                                                                                                   DISTRITO FEDERAL                     CORUMBA                 67-2313923   SAO JOÃO DEL REI        32-33718306   PEROLA                 44-6361419
                                                                                                                   BRASILIA                61-2269898   DOURADOS                67-4217117   SAO SEBASTIAO PARAISO    35-5313094   PONTA GROSSA           42-2226590
                                                                                                                                                                                                                                                                       L03.1L AA




                                                                                                                   GAMA                    61-5564840   IVINHEMA                67-4421244   SAO SEBASTIAO PARAISO   35-35312054   ROLANDIA               43-2561947
                                                                                                                   TAGUATINGA              61-3526655   NAVIRAI                 67-4612486   SETE LAGOAS              31-7713307   SANTA FE               44-2471147
                                                                                                                                                        NOVA ANDRADINA          67-4413851   STO ANTONIO MONTE       37-32811258   SAO JORGE D'OESTE      46-5341305
                                                                                                                   ESPÍRITO SANTO                       PONTA PORA              67-4314313   TIMOTEO                 31-38482728   SAO JOSE DOSAO PINHAIS 41-2822522
                                                                                                                   ALEGRE                  28-5526349   RIO BRILHANTE           67-4527950   TRES CORACOES           35-32312493   SAO MIGUEL DO IGUACU 45-5651429
                                                                                                                   ARACRUZ                27-32561251   TRES LAGOAS             67-5212007   UBA                     32-35323626   STO ANTONIO PLATINA    43-5341809
                                                                                                                   BAIXO GUANDU           27-37321142                                        UBERABA                 34-33332520   TOLEDO                 45-2522471
                                                                                                                   BARRA S FRANCISCO      27-37562245   MINAS GERAIS                         UBERLANDIA              34-32123636   UMUARAMA               44-6231233
                                                                                                                   CACH DO ITAPEMIRIM     28-35219372   ALFENAS                35-32923911   VARGINHA                35-32227889   WENCESLAU BRAZ         43-8223066
                                                                                                                                                                                                                                                                       13
14

                                     LISTA DE SERVIÇOS AUTORIZADOS                                                                                                                    ESPECIFICAÇÕES TÉCNICAS
PERNAMBUCO                          GIRUA                 55-3611764   DESCANSO              49-6230245   MARILIA                14-4247437                                             14PT3131               14PT4131               20PT3331               20PT4331
BELO JARDIM           81-37261918   GRAVATAI              51-4882830   FLORIANOPOLIS         48-2254149   MATAO                  16-2821046
CABO STO AGOSTINHO    81-35211823   HORIZONTINA          55-35371817   IBIRAMA               473-572567   MAUA                  11-45145233   Sistema
CAMARAGIBE            81-34581246   HORIZONTINA          55-35371680   INDAIAL               47-3330361   MOGI DAS CRUZES       11-47277025
CARUARU               81-37220235   IBIRAIARAS            54-3551359   IPORA DO OESTE        498-341289   MOGI-MIRIM            19-38624401
                                                                                                                                               AUTO                                         •                      •                       •                      •
FLORESTA               81-8771274   IJUI                 55-33327766   ITAIOPOLIS            476-522282   MOJI-GUACU            19-38311811    PAL-M                                        •                      •                       •                      •
GARANHUNS             87-37611090   ITAQUI                55-4331305   ITAJAI                47-3444777   OLIMPIA                17-2812184    PAL-N                                        •                      •                       •                      •
PAULISTA              81-34331142   JAGUARAO              53-2612264   JARAGUA DO SUL        47-3722050   OSASCO                11-36837343
RECIFE                81-32313399   LAJEADO              51-37145155   JOACABA               49-5220418   OURINHOS              14-33225457    NTSC                                         •                      •                       •                      •
RECIFE                81-34452111   LIBERATO SALZANO      55-7551236   JOINVILLE             47-4331146   PIRACICABA            19-34340454    PAL-BG Playback                              •                      •                       •                      •
RECIFE                81-34656042   MONTENEGRO            51-6324187   LAGES                 49-2232355   PIRASSUNUNGA           19-5614091
                                                                                                                                                                                                                                                                                                                                      L03.1L AA




SALGUEIRO             87-38716309   NONOAI                54-3621126   LAGES                 49-2244414   PORTO FERREIRA         19-5812441   Alimentação
SERRA TALHADA         87-38311401   NOVA PRATA            54-2421328   LAGUNA                48-6461221   PRES. EPITACIO         18-2814184    90 a 255V Automático                         •                      •                       •                      •
                                    NOVO HAMBURGO         51-5823191   LAURO MULLER          484-643202   PRES. PRUDENTE         18-2225168
PIAUÍ                               OSORIO                51-6632524   MARAVILHA             49-8640052   PROMISSAO              14-5411696    50/60Hz                                      •                      •                       •                      •
CAMPO MAIOR            86-2521376   PALMEIRA MISSOES     55-37421407   ORLEANS               48-4660674   RIBEIRAO PRETO         16-6106989   Consumo aprox.                              36W                    38W                     46W                    48W
FLORIANO               86-5221154   PANAMBI               55-3753488   PINHALZINHO           497-661014   RIBEIRAO PRETO         16-6368156
OEIRAS                 89-4621066   PASSO FUNDO           54-3111104   PORTO UNIAO           42-5232839   RIO CLARO              19-5348543
                                                                                                                                              Consumo em Stand-by (220 V)                 < 3W                   < 3W                    < 3W                   < 3W
PARNAIBA               86-3222877   PELOTAS               53-2223633   RIO DO SUL            47-5211920   SALTO                 11-40296563   Tubo de Imagem
PICOS                  89-4221444   PORTO ALEGRE         51-32226941   SANTA ROSA DO SUL     48-5331225   SANTO ANDRE           11-49905288
PICOS                  89-4155135   PORTO ALEGRE         54-33256653   SAO MIGUEL D'OESTE    49-6220026   SANTOS                13-32272947
                                                                                                                                               Flat Square                                 14"                    14"                    20"                    20"
                                                                                                                                                                                                                                                                                  OS DADOS DESTE MANUAL ESTÃO SUJEITOS A ALTERAÇÕES




PIRIPIRI               86-2761092   RIO GRANDE            53-2323211   SEARA                 49-4521034   SANTOS                13-32847339    Tamanho do Tubo                            36 cm                  36 cm                  51 cm                  51 cm
TERESINA               86-2230825   RIO PARDO             51-7312072   SOMBRIO               48-5330017   SAO BERNARDO CAMPO 11-41257000       Diagonal visual aprox.                     33 cm                  33 cm                  48 cm                  48 cm
                                    ROSARIO DO SUL        55-2311264   TAIO                  478-620576   SAO BERNARDO CAMPO 11-43681788
RIO DE JANEIRO                      SANT LIVRAMENTO       55-2422741   TUBARAO               48-6224448   SAO CAETANO DO SUL    11-42214334   Recepção de canais
ARARUAMA              22-26656286   SANTA MARIA           55-2222235   TUBARAO               48-6261651   SAO CARLOS             16-2614913    VHF/UHF (2 ao 69)                            •                      •                       •                      •
B JESUS ITABAPOANA    24-38312216   SANTA ROSA           55-35121991   TURVO                 48-5250373   SAO JOAO DA BOA VISTA 19-36232990
BELFORD ROXO          21-27616060   SANTO AUGUSTO         55-7811511   URUSSANGA             484-651137   SAO JOSE DO RIO PARDO 19-36085760    TV a Cabo (1 ao 125)                         •                      •                       •                      •
CABO FRIO             22-26451819   SAO BORJA             55-4311850   XANXERE               49-4333026   SAO JOSE DOSAO CAMPOS12-39216082    Conexões traseiras
CAMPOS GOITACAZES      22-7221499   SAO FCO DE PAULA      54-2441466                                      SAO JOSE RIO PRETO     17-2341209
CANTAGALO              22-5555303   SAO GABRIEL           55-2325833   SÃO PAULO                          SAO PAULO             11-69791184    Entradas
DUQUE DE CAXIAS       21-37711508   SAO JOSE DO OURO      54-3521216   AGUAS DE LINDOIA     19-38241524   SAO PAULO             11-38659897      Áudio e Vídeo                          1x (mono)                                     1x (mono)             1x (estéreo)
ITABORAI              21-26351738   SAO LOURENCO SUL      53-2513225   AMERICANA            19-34067180   SAO PAULO             11-62156667
ITAOCARA              22-38612740   SAO LUIZ GONZAGA     55-33521365   AMERICANA            19-34062914   SAO PAULO             11-69545517
                                                                                                                                                 Componente de Vídeo (CVI)                                                                                       •
ITAPERUNA             22-38220605   SAO MARCOS            54-2911462   AMPARO               19-38072674   SAO PAULO             11-36726766      Antena 75 Ohms via tomada F                 •                     •                       •                     •
MACAE                 22-27626235   SAO SEPE              55-2331691   ARACATUBA             18-6218775   SAO PAULO             11-69667101
MAGE                  21-26330605   SOLEDADE              54-3812036   ARARAQUARA            16-2368710   SAO PAULO             11-32077111     Saídas
MARICA                21-26340069   STA CRUZ DO SUL      51-37153048   ASSIS                 18-3228937   SAO PAULO             11-39757996      Áudio e Vídeo                                                                                              1x (estéreo)
NITEROI               21-26220157   STA VITORIA PALMAR    532-631284   AVARE                14-37322142   SAO PAULO             11-62976464
NOVA FRIBURGO          22-5227692   TAPEJARA              54-3442353   BARRETOS             17-33222742   SAO PAULO             11-55735583
                                                                                                                                              Conexões Frontais
NOVA IGUACU           21-26675663   TAPERA                54-3851160   BATATAIS             16-37614455   SAO PAULO             11-55321515     Entradas
PETROPOLIS             24-2312737   TAQUARI               51-6531291   BAURU                 14-2239551   SAO PAULO             11-56679695                                                                   1x (estéreo)
RIO DE JANEIRO        21-33940202   TORRES                51-6641940   BIRIGUI               18-6424011   SAO PAULO             11-36173031
                                                                                                                                                 Áudio e Vídeo
RIO DE JANEIRO        21-22779300   TRES DE MAIO          55-5352101   BOTUCATU             14-68221081   SAO PAULO             11-66472819     Saída Fone de ouvidos                                              •
RIO DE JANEIRO        21-25900577   URUGUAIANA            55-4112730   BOTUCATU             14-68215044   SAO PAULO             11-37714709   Indicador de Stand-by
RIO DE JANEIRO        21-25894622   VACARIA               54-2311396   BRAGANCA PAULISTA    11-40341333   SAO PAULO              11-5770899
RIO DE JANEIRO        21-25892030   VENANCIO AIRES        51-7411443   CAMPINAS             19-37372500   SAO PAULO              11-2222311     Luz verde no painel frontal                 •                      •                      •                      •
RIO DE JANEIRO        21-25097136   VERA CRUZ             51-7181350   CAMPINAS             19-32369199   SAO ROQUE              11-4255635   Saída de Áudio                             1 x 3W                 2 x 3W                 1 x 3W                 2 x 3W
RIO DE JANEIRO        21-24457239                                      CAMPINAS             19-32544819   SAO SEBASTIAO         12-38924291
RIO DE JANEIRO        21-24315426   RONDÔNIA                           CAMPINAS             19-32336498   SOROCABA               15-2241170   Dimensões aprox. LxAxP (cm)              36 x 36 x 37           45 x 35 x 38           49 x 47 x 48           59 x 45 x 48
TERESOPOLIS           21-27420036   CACOAL                69-4415171   CAMPOS DO JORDAO      12-2622142   STA BARBARA D'OESTE   19-34631211   Peso aprox. (Kg)                             9 Kg                  10 Kg                  17 Kg                  17 Kg
TRES RIOS              24-2555687   GUAJARA-MIRIM         69-5414430   CAPIVARI             19-34911610   TAQUARITINGA          16-32524039
TRES RIOS             242-2521388   JARU                  69-5211302   CASA BRANCA          19-36712771   TATUI                  15-2514922   Gabinete                                   Plástico               Plástico               Plástico               Plástico
VOLTA REDONDA         24-33420806   JI- PARANA            69-4235512   CATANDUVA             17-5232686   TAUBATE                12-2219080   Acessórios
                                    JI-PARANA             69-4215589   CERQUILHO             152-842121   TUPA                   144-422596                                                 •                      •                       •                      •
RIO GRANDE DO NORTE                 PIMENTA BUENO         69-4512934   CRUZEIRO              12-5433859   VINHEDO               19-38765310
                                                                                                                                                Controle Remoto
ASSU                   84-3311116   PORTO VELHO           69-2221298   DIADEMA              11-40574387   VOTUPORANGA            17-4215726     Pilhas tipo AA                              •                      •                       •                      •
CAICO                  84-4173132   PORTO VELHO           69-2216671   DRACENA              18-58212479                                                                                     •                      •                       •                      •
MOSSORO                84-3217745   PORTO VELHO           69-2221298   FERNANDOPOLIS        17-34423921   SERJIPE
                                                                                                                                                Adaptador 75/300 Ohms
NATAL                  84-2234722   ROLIM DE MOURA        69-4421178   FRANCA               16-37223898   ARACAJU                79-2411567     Antena Telescópica                          •                      •
NATAL                  84-2132345   VILHENA               69-3223321   FRANCO DA ROCHA       11-4322608   ARACAJU                79-2119764
PAU DOS FERROS         84-3512334                                      GUARUJA              13-33582942   ARACAJU                79-2464143
                                    RORAIMA                            GUARULHOS            11-64227555   ESTANCIA               79-5222325
RIO GRANDE DO SUL                   BOA VISTA             95-2249605   IGARAPAVA            16-31724600   ITABAIANA              79-4313023
CAPAO DA CANOA        51-6652638                                       INDAIATUBA           19-38753808
CARAZINHO             54-3302292    SANTA CATARINA                     ITAPETININGA          15-2710936   TOCANTINS
CATUIPE               55-3361008    ARARANGUA             48-5220229   ITAPIRA              19-38633802   ARAGUAINA              63-4212857
CAXIAS DO SUL         54-2148011    BLUMENAU              47-3227742   ITAQUAQUECETUBA      11-46420695   GUARAI                 63-4641590
CERRO LARGO           55-3591973    CACADOR               49-5630858   ITARARE               15-5322743   GURUPI                 63-3511038
CORONEL BICACO        55-5571397    CANOINHAS             47-6223157   ITU                  11-40230188   PALMAS                 63-2144502
DOIS IRMAOS           51-5641286    CAPINZAL              49-5552266   ITUVERAVA             16-7293365   PARAISO TOCANTINS      63-6022695
ENCANTADO            51-37511654    CHAPECO               49-3223304   JABOTICABAL          16-32021580
ERECHIM               54-3211933    CHAPECO               49-3221144   JAU                   14-6222117
ESTANCIA VELHA        51-5612142    CONCORDIA             494-423704   JUNDIAI              11-45862182        SUJEITO A ALTERAÇÕES
FAXINAL DO SOTURNO    55-2632064    CRICIUMA              48-4375155   LEME                  19-5713528
FREDERICO WESTPHALEN 55-37441850    CUNHA PORA             49-630043   LIMEIRA              19-34413179
GETULIO VARGAS        54-3411888    CURITIBANOS           49-2410851   MARILIA               14-4332375                                       Nota :Para a Tensão de Operação, Freqüência, Consumo e Número de Versão, consulte o número de tipo na parte traseira do aparelho.
CERTIFICADO DE GARANTIA INTERNACIONAL
ESTE APARELHO É GARANTIDO PELA PHILIPS DA AMAZÔNIA INDÚSTRIA ELETRÔNICA LTDA., POR UM PERÍODO
SUPERIOR AO ESTABELECIDO POR LEI. PORÉM, PARA QUE A GARANTIA TENHA VALIDADE, É IMPRESCINDÍVEL QUE,
ALÉM DESTE CERTIFICADO, SEJA APRESENTADA A NOTA FISCAL DE COMPRA DO PRODUTO.
1) A PHILIPS DA AMAZÔNIA INDÚSTRIA ELETRÔNICA LTDA. ASSEGURA AO PROPRIETÁRIO CONSUMIDOR DESTE
   APARELHO A GARANTIA DE 365 DIAS (90 DIAS LEGAL MAIS 275 ADICIONAL) CONTADOS A PARTIR DA DATA
   DE ENTREGA DO PRODUTO, CONFORME EXPRESSO NA NOTA FISCAL DE COMPRA, QUE PASSA A FAZER
   PARTE DESTE CERTIFICADO.
2) ESTA GARANTIA PERDERÁ SUA VALIDADE SE:
   A) O DEFEITO APRESENTADO FOR OCASIONADO POR USO INDEVIDO OU EM DESACORDO COM O SEU MANUAL DE
      INSTRUÇÕES.
   B) O PRODUTO FOR ALTERADO, VIOLADO OU CONSERTADO POR PESSOA NÃO AUTORIZADA PELA PHILIPS.
   C) O PRODUTO FOR LIGADO A FONTE DE ENERGIA (REDE ELÉTRICA, PILHAS, BATERIA, ETC.) DE CARACTERÍSTICAS
      DIFERENTES DAS RECOMENDADAS NO MANUAL DE INSTRUÇÕES E/OU NO PRODUTO.
   D) O NÚMERO DE SÉRIE QUE IDENTIFICA O PRODUTO ESTIVER DE ALGUMA FORMA ADULTERADO OU RASURADO.




                                                                                                          OS DADOS DESTE MANUAL ESTÃO SUJEITOS A ALTERAÇÕES.
3) ESTÃO EXCLUÍDOS DESTA GARANTIA DEFEITOS DECORRENTES DO DESCUMPRIMENTO DO MANUAL DE
   INSTRUÇÕES DO PRODUTO, DE CASOS FORTUITOS OU DE FORÇA MAIOR, BEM COMO AQUELES CAUSADOS POR
   AGENTES DA NATUREZA E ACIDENTES.
4) EXCLUEM-SE IGUALMENTE DESTA GARANTIA OS DEFEITOS DECORRENTES DO USO DOS PRODUTOS EM
   SERVIÇOS NÃO DOMÉSTICO/ RESIDENCIAL REGULAR OU EM DESACORDO COM O USO RECOMENDADO.
5) NOS MUNICÍPIOS ONDE NÃO EXISTA OFICINA AUTORIZADA DE SERVIÇO PHILIPS, AS DESPESAS DE TRANSPORTE
   DO APARELHO E/ OU DO TÉCNICO AUTORIZADO CORREM POR CONTA DO SR. CONSUMIDOR REQUERENTE DO
   SERVIÇO.
6) ESTE PRODUTO TEM GARANTIA INTERNACIONAL. O SERVIÇO TÉCNICO (DURANTE OU APÓS A GARANTIA) É
   DISPONÍVEL EM TODOS OS PAÍSES ONDE ESTE PRODUTO É OFICIALMENTE DISTRIBUÍDO PELA PHILIPS. NOS
   PAÍSES ONDE A PHILIPS NÃO DISTRIBUI ESTE PRODUTO, O SERVIÇO TÉCNICO DA PHILIPS LOCAL PODERÁ PRESTAR
   TAL SERVIÇO, CONTUDO PODERÁ OCORRER ALGUM ATRASO NO PRAZO DE ATENDIMENTO SE A DEVIDA PEÇA DE
   REPOSIÇÃO E O MANUAL TÉCNICO NÃO FOREM PRONTAMENTE DISPONÍVEIS.
7) A GARANTIA NÃO SERÁ VÁLIDA SE O PRODUTO NECESSITAR DE MODIFICAÇÕES OU ADAPTAÇÕES PARA
   HABILITÁ-LO A OPERAR EM QUALQUER OUTRO PAÍS QUE NÃO AQUELE PARA O QUAL FOI DESIGNADO,
   FABRICADO, APROVADO E/ OU AUTORIZADO, OU TER SOFRIDO QUALQUER DANO DECORRENTE DESTE TIPO DE
   MODIFICAÇÃO.
                                              PHILIPS DA AMAZÔNIA INDÚSTRIA ELETRÔNICA LTDA.


Dentro do Brasil, para informações adicionais sobre o produto ou para
eventual necessidade de utilização da rede de oficinas autorizadas, ligue para
o Centro de Informações ao Consumidor tel. 0800 701 02 03 (discagem direta
gratuita) ou escreva para Rua Verbo Divino, 1400 - 5° andar - CEP 04719-002
Chácara Santo Antônio - São Paulo - SP
ou envie um e-mail para: cic@philips.com.br
                                                                                                          JUN/03




Horário de atendimento:
                                                                                                                                                               L03.1L AA




de segunda à sexta-feira, das 08:00 às 20:00 h; aos sábados das 08:00 às 13:00 h.
Para atendimento fora do Brasil contate a Philips local ou a:
Philips Consumer Service
Beukenlaan 2
5651 CD Eindhoven
The Netherlands
                                                                                                          3106 105 27942
                                                                                                                                                               15
16                    L03.1L AA




4. Instruções Mecânicas
Índice deste Capítulo:                                                 4.3 Montagem da tampa traseira


1. Remoção da tampa traseira                                           Antes de montar a tampa traseira, faça as seguintes checagens:
2. Posição de Serviço do Painel Principal                                 1. Cheque se o cabo de força está montado corretamente em
3. Montagem da tampa traseira                                                 seus suportes e guias.
                                                                          2. Re-coloque o passa-fio do cabo de força no gabinete.
4.1 Remoção da tampa traseira                                             3. Cheque se todos os cabos estão posicionados em sua posição
    1. Remova todos parafusos de fixação da tampa traseira.                     original.
    2. Agora puxe a tampa traseira para trás para removê-la.

4.2 Posição de Serviço do Painel Principal

    1. Desconecte o passa-fio do cabo de alimentação.
    2. Remova o painel principal, empurrando as duas travas do
       centro para fora [1]. Ao mesmo tempo puxe o painel do CRT
       [2].
    3. Se necessário desconecte a bobina desmagnetizadora remo
       vendo o cabo (vermelho) do conector 0212.
    4. Mova o painel um pouco para a esquerda e gire-o 90 graus [3],
       com os componentes na direção do CRT.




                                1


                                                           1


                                            A
         2




                                                3

                                            B

                   Figura 4-1 Posição de Serviço
L03.1L AA                17




5. Modos de Serviço, Códigos de Erro e Localização de Falhas

Índice:                                                                  5.2.1 Modo Padrão de Ajuste de Serviço (SDAM)

1. Pontos de teste.                                                         Propósito
2. Modos de Serviço.                                                        • Mudar opções de Configuração.
3. Problemas e Dicas de Solução (relativo ao CSM).                          • Criar um valor pré-definido para obter os mesmos resultados de
4. ComPair.                                                                   medição como neste manual.
5. O Procedimento do LED Piscando.                                          • Mostrar/ Limpar o buffer de Código de Erro.
6. Proteções.                                                               • Para sobrepor proteções SW.
7. Dicas de Reparo.                                                         • Realizar ajustes.
                                                                            • Iniciar o procedimento de LED piscando.
5.1 Pontos de teste
                                                                            Especificações
                                                                            • Frequência de Sintonia : 61.25 MHz (Canal 3) para aparelhos
   O chassis é equipado com pontos de teste impressos na PCI.
                                                                              NTSC/PAL-M (LATAM).
   Nos esquemas elétricos os pontos de teste são identificados com
                                                                            • Sistema de Cores:PAL-M para LATAM BI/TRI/QUADRI-NORMA.
   uma caixa retangular ao redor das indicações Fxxx ou Ixxx.
                                                                            • Todos valores de imagem em 50 % (brilho, contraste,cor, matiz).
                                                                            • Grave, agudo e balanço em 50 %; volume em 25 %.
Tabela 5-1 Visão Geral dos pontos de teste
                                                                            • Todos os serviços em modo não-amigável (se presente) estão
 Ponto de Teste      CIRCUITO             DIAGRAMA                            desabilitados, como:
 Fxxx, Ixxx       POWER SUPPLY            A1                                  - (sleep) timer,
 Fxxx, Ixxx       Deflection              A2                                  - trava para pais/filhos,
 Fxxx, Ixxx       TUNER & IF              A3                                  - tela azul,
 Fxxx, Ixxx       VIDEO PROCESSING        A4                                  - modo hotel/hospitaleiro
 Fxxx, Ixxx       AUDIO PROCESSING        A5                                  - desligamento automático (quando nenhum sinal de vídeo
 Fxxx, Ixxx       AUDIO AMPLIFIER +       A6
                                                                                ‘IDENT’ é recebido para 15 minutos),
                  MONO SOUND                                                  - skip / blank para os pré-ajustes não favoritos/ canais,
                  PROCESSING                                                  - auto salvamento de pré-ajustes pessoais,
 Fxxx, Ixxx       FRONT IO + FRONT        A7                                  - time-out do menu automático do usuário.
                  CONTROL + HEAD-                                           • Contador de horas de operação.
                  PHONE                                                     • Versão do Software.
 Fxxx, Ixxx       DVD POWER SUPPLY        A9                                • Configuração de Opções.
 Fxxx, Ixxx       CRT PANEL               B1                                • Leitura e apagamento do buffer de erro.
                                                                            • Ajustes de Software.
   Realize as medições sob as seguintes condições:
   • Modo Padrão de Ajuste de Serviço.                                      Como entrar no SDAM
   • Vídeo: Sinal de barras colorido.                                       Use um dos seguintes métodos:
   • Áudio: 3 kHz esquerdo, 1 kHz direito.                                  • Use um controle remoto comum do usuário e digite o código
                                                                               ‘062596’ diretamente seguido pelo botão ‘M’ (menu) ou
5.2 Modos de Serviço                                                        • Temporariamente curto circuite o jumper 9257 e o pino 4 de
                                                                            7200 na portadora mono (veja Fig.8-1) e ligue a alimentação
   Modo Padrão de Serviço de Ajuste (SDAM) oferece vários                   AC. Então pressione o botão de liga (remova o curto depois da
   recursos ao técnico de serviço.                                          inicialização).
                                                                            • Cuidado: Entrando no SDAM por curto-circuito no jumper 9257
   Existe também a opção de uso do ComPair, uma interface de                e o pino 4 de 7200 sobrecarregaremos a proteção +8V. Faça isto
   hardware entre o PC (veja requerimentos) e o chassis do TV. Ele          apenas durante um período curto. Quando executando esta tarefa
   oferece a habilidade de um troubleshooting estruturado, leitura dos      o técnico deve saber exatamente que está fazendo, porque esta
   códigos de erro e da versão do software para todos os chassis.           ação poderá danificar o aparelho.
   Requerimentos: Para rodar o ComPair, a configuração mínima é,             • Ou via ComPair.
   processador 486, windows 3.1 e drive de CD-ROM. Um proces-
   sador Pentium e Windows 95/98 são preferíveis (veja também               Após entrar no SDAM, a seguinte tela estará visível, com o S no
   paragrafo 5.4).                                                          canto superior direito para identificação.

Tabela 5-2 Grupo SW ( Software)
SW Cluster Nome do              Tipo UOC       Variação   Caract.
                                                                              L L L L     A A A B C D   X . Y                                S
           Software                            UOC        especiais           E R R   X X   X X   X X   X X   X X
L3SLM1     L03LM1 x.y           TDA9370        Tamanho    Trinorma            O P     X X X   X X X   X X X   X X X     X X X     X X X   X X X

                                               55K ROM    mono                C   L   E   A R                         C L E A R     ?
L3SLM1        L03LM1 x.y        TDA9377        Tamanho    NTSC mono           O   P   T   I O N S                     >
                                                                              A   K   B                               >
                                               55K ROM                        T   U   N   E   R                       >
L3SLM1        L03LS1 x.y        TDA9370        Tamanho
                                                    Trinorma                  W   H   I   T   E   T O N E             >
                                                                              G   E   O   M   E T R Y                 >
                                               55K ROM
                                                    BTSC SAP                  A   U   D   I   O                       >
                                                    Stereo
L3SLM1       L03LS1 x.y     TDA9377      Tamanho    NTSC BTSC
                                         55K ROM SAP Stereo
Abreviações nos nomes dos softwares: L = Latam, M = Mono, N =
Stereo não-dBx and S = Stereo dBx.
                                                                                                       Figura 5-1 Menu SDAM
18               L03.1L AA




   • LLLL. Este é o contador de horas de operação. Conta as horas         2. Selecione o sub menu INSTALLATION.
     de operação normais, e não as horas do standby.                      3. Selecione e altere o ajuste de sistema até que imagem e o
   • AAABCD-X.Y. Este é o software de identificação do microcon-              som estejam corretos.
     trolador principal:                                                  4. Selecione o Item de Menu STORE.
     - A = nome do projeto (L03).
     - B = região: E = Europa, Uma = Ásia Pacífica, U = NAFTA, L =         Cores erradas/ imagem instável
       LATAM.                                                             Cheque linha do CSM 5. Sistema de cor Errado instalado.Para
     - C = Característicase diversidade de software: N = stereo non-      mudar o valor:
       DBX, S = stereo dBx, M = mono, D = DVD                             1. Pressione o botão de MENU no controle remoto.
     - D = Idioma e número de grupo.                                      2. Selecione o sub menu INSTALLATION.
     - X = número da versão de software principal.                        3. Selecione e mude o valor de SYSTEM até que a imagem e
     - Y = número da versão de sub-software.                                 som estejam corrigidos.
   • S Indicação do modo atual. S= SDAM= Modo Padrão de Ajuste            4. Selecione STORE no menu.
     de Serviço.
   • ERR. Buffer de erro. Cinco erros possíveis.                          Imagem muito escura ou muito brilhante
   • Bytes de opção. Sete códigos possíveis.                              Aumentar / diminuir o BRILHO e /ou o valor do CONTRASTE
   • CLEAR. Limpa o conteúdo do Buffer de Erro. Selecione o item          quando:
   de menu Clear e aperte a tecla direita do cursor. O conteúdo do        • A imagem melhora depois de ter pressionado o botão de ‘ Smart
   Buffer de Erro será limpo.                                               Picture’ no controle remoto.
   • Opções. Para atribuir os Bytes de Opção. Veja capítulo 8.3.1         • A imagem melhora depois de ter ligado Modo de Serviço de
     para uma descrição detalhada.                                          Cliente - CSM
   • AKB. Loop de Corrente de Preto: Desabilitado (0) ou habilitado       O novo valor de preferência ‘Pessoal’ é automaticamente armaze-
     (1) (AKB = Auto Kine Bias).                                          nado.
   • Tuner. Para ajustar o Tuner. Veja capítulo 8.3.2 para descrição
     detalhada.                                                           Linha Branca ao redor de elementos de imagem e texto
   • Balanço de branco. Para ajustar o balanço de branco. Veja            Diminua valor SHARPNESS quando:
     capítulo 8.3.3 para descrição detalhada.                             • A imagem melhora depois de ter pressionado o botão de "Smart
   • Geometria. Para alinhar a geometria de conjunto. Veja capítulo         Picture" no controle remoto.
     8.3.4 para uma descrição detalhada.                                  O novo valor de preferência ‘Pessoal’ é automaticamente armaze-
   • Áudio. Nenhum ajuste de áudio é necessário neste aparelho.           nado.
   Como navegar
   • No modo SDAM, selecione itens de menu com a tecla CIMA/              Imagem chuviscada
   BAIXO do cursor no controle remoto. O item selecionado será            • Ausência ou sinal de antena ruim. Conecte um sinal de antena
   realçado. Quando todos itens de menu não encaixam na tela,               apropriado.
   mova a tecla CIMA/BAIXO do cursor para exibir o próximo                • Antena não conectada. Conecte a antena.
   /prévio menu.                                                          • Nenhum canal / pré-ajustado está armazenado neste número
   • Com as teclas DIREITA/ESQUERDA do cursor, é possível:                  de programa. Vá ao menu INSTALL e armazene um canal apro
     - Ativar o item do menu selecionado.                                   priado neste número de programa.
     - Mudar o valor do item do menu selecionado.                         • O tuner está com defeito (neste caso a linha de CÓDIGOS con-
     - Ativar o submenu selecionado.                                        terá o número de erro 10). Cheque o tuner e o reponha / repare
   • Quando você pressiona o botão de MENU, o aparelho irá para             se necessário.
      o menu normal do usuário (com o modo SDAM ainda ativo no
     fundo). Para retornar ao menu SDAM pressione o botão OSD /           Imagem chuviscada e/ou instável
     STATUS.                                                              • Está recebendo um sinal decodificado ou embaralhado.
   • Quando você pressiona o botão de MENU num submenu,você
     voltará ao menu anterior.                                            Imagem preto e branco
                                                                          Aumente o valor de COR quando:
   Como armazenar as configurações                                         • A imagem melhora depois você tem pressionado o botão "Smart
   Para salvar as configurações, deixe o SDAM apertando a tecla              Picture" no controle remoto.
   StandBy do controle remoto.                                            O novo valor de preferência ‘Pessoal’ é automaticamente armaze-
                                                                          nado.
   Como sair
   Coloque o aparelho em STANDBY pressionando o botão power               Texto de Menu não bastante definido
   no controle remoto (removendo o cabo de alimentação, o aparelho        Diminua o valor de CONTRASTE quando:
   voltará no SDAM quando energia for re-aplicada). O buffer de erro      A imagem melhora depois de ter pressionado o botão "Smart
   não estará limpo.                                                      Picture" no controle remoto.
                                                                          O novo valor de preferência ‘Pessoal’ é automaticamente armaze-
5.3 Dicas para resolução de Problemas                                     nado.

5.3.1 Problemas de Imagem                                              5.3.2 Problemas do Som

   Nota: Os problemas descritos a seguir estão todos relacionados         Nenhum som ou som muito alto (depois mudança de canal /
   com configurações do TV. Os procedimentos para alterar os               enquanto muda canal)
   valores (ou Status) das diferentes configurações serão descritos.       Aumente / diminua o nível de VOLUME até quando o volume
                                                                          estiver OK depois de ter ligado CSM. O novo valor de preferência
   Sem cores/ ruído na imagem                                             ‘Pessoal’ é automaticamente armazenado.
   Cheque linha do CSM 5. Instalado o sistema do cor errado. Para
   mudar o valor:
   1. Pressione o botão MENU no controle remoto.
L03.1L AA                  19




5.4 ComPair                                                              5.4.3 Como conectar o ComPair
5.4.1 Introdução
                                                                            1. Primeiramente instale o software de navegador do ComPair
                                                                               (veja o Cartão de Referência Rápido para instruções de insta-
   ComPair (Reparo Auxiliado por Computador ) é uma ferramenta de
                                                                               lação).
   serviço para produtos Eletrônicos Philips. ComPair é um desenvol-
                                                                            2. Conecte o cabo de interface RS232 entre porta serial (COM)
   vimento do DST Europeu (controle remoto de serviço), que permite
                                                                               de seu PC e o conector de PC (marcado com ‘PC’) da inter-
   diagnosticar mais precisa e rapidamente. ComPair tem três gran-
                                                                               face do ComPair.
   des vantagens :
                                                                            3. Conecte o cabo de alimentação ao conector de alimentação
                                                                               (marcado com ‘POWER 9V DC’) na interface do ComPair.
   • ComPair ajuda para que se possa realizar o reparo no chassis
                                                                            4. Desligue a interface ComPair.
     rapidamente e guiar sistematicamente o técnico através dos
                                                                            5. Desligue a televisor (remova cabo).
     procedimentos de reparo.
                                                                            6. Conecte o cabo de interface do ComPair entre o conector
   • ComPair permite um diagnóstico muito detalhado (no nível I2C)
                                                                               traseiro da interface do ComPair (marcada com ‘I2C’) e conec
     e está portanto capaz de indicar com exatidão áreas de
                                                                               tor ComPair na portadora mono (veja figura 8-1 sufixo D).
     problema. O operador não precisa saber nada sobre comandos
                                                                            7. Ligue o adaptador de força AC na saída ligue a interface.
     I2C porque ComPair se encarrega disto.
                                                                               Os LEDs verde e vermelho acendem ao mesmo tempo. O LED
   • ComPair acelera o tempo de reparo uma vez que pode se
                                                                               vermelho apaga depois aprox. 1 segundo enquanto o LED
     comunicar automatiamente com o chassis (quando o micro
                                                                               verde aceso.
     processador está trabalhando) e toda informação de reparo está
                                                                            8. Comece o programa ComPair e leia o capítulo de ‘introdução’.
     diretamente disponível. Quando ComPair é instalado
     juntamente com o “ Searchman “ do chassis defeituoso,
     esquemas e PWBs podem ser acessados por um simples clique
     de mouse.

5.4.2 Especificações

   ComPair consiste de um programa baseado no Windows e uma
   interface entre PC e o produto (defeituoso). A interface do ComPair
                                                                                                                    PC    VCR   Power   I2C
   é conectada ao PC via cabo serial ou RS232.                                                                                  9V DC

   No caso do chassis L03, a interface do ComPair e a TV se
   comunicam via cabo bi-direcional de serviço via conector de
   serviço (localizado no painel Principal, veja também figura 8-1D).
                                                                                                Figura 5-2 Conexão ComPair
   O programa de encontrar falhas do ComPair é capaz de deter-
   minar o problema do televisor defeituoso. ComPair pode juntar
                                                                         5.4.4 Componentes do ComPair
   informação do diagnóstio em dois caminhos:
   • Automático (por comunicação com o televisor): ComPair
                                                                            • kit de Início ComPair + software do SearchMan32 e interface do
      pode automaticamente ler todo o conteúdo do buffer de erro.
                                                                              ComPair32 (excluindo transformador);
      Diagnóstico é feito no nível de I2C. ComPair pode enviar e
                                                                            • Interface ComPair (excluindo transformador);
      receber comandos I2C ao microcontrolador do televisor. Desta
                                                                            • Kit com software de inicialização ComPair32 (versão de regis-
      Forma, é possível ao ComPair comunicar-se (leitura e escrita)
                                                                              tro);
      com dispositivos no barramento I2C da TV.
                                                                            • Kit com software de inicialização SearchMan32;
   • Manualmente (ao perguntar a você): Diagnóstico Automático
                                                                            • CD ComPair32 (atualizado);
      é unicamente possível se o microcontrolador do televisor está
                                                                            • CD SearchMan32 (atualizado);
      trabalhando corretamente e para uma certa extensão. Quando
                                                                            • Cabo de interface ComPair;
      não é o caso, ComPair guiará você através da árvore de falhas
      e perguntas (ex. A tela apresenta imagem? Selecione a resposta
                                                                         5.4.5 Buffer de Erro
      correta: YES / NO) e mostrando exemplos (ex. Meça ponto-
      teste F001 e selecione a onda que o osciloscópio apresenta).
                                                                            O buffer de códigos de erro contém todos os erros detectados
      A resposta será um link (ex. texto ou uma forma de onda) que
                                                                            desde de a última vez que buffer foi apagado. O buffer é escrito de
      o levará para próximo estágio do processo de identificação de
                                                                            esquerda para direita. Quando um erro ocorre que não está ainda
      falhas. Por uma combinação de diagnóstico automático e uma
                                                                            no código de erro do buffer, é escrito no lado esquerdo e todos
      questão interativa / procedimento de resposta, ComPair indicará
                                                                            outros erros se movem uma posição à direita.
      a solução da maioria dos problemas num caminho efetivo e
      rápido.
                                                                         5.4.6 Como ler o Buffer de Erros
      Além da descoberta de falha, ComPair fornece alguns recursos
      adicionais como:
                                                                            Você pode ler o Buffer de erros de 3 formas:
   • Up ou downloading de pré-ajustes.
                                                                            • Na tela via o SDAM (unicamente se você tem imagem).
   • Administração de listas de pré-ajustes.
                                                                              Exemplos:
   • Emulação da Ferramenta de Serviço do revendedor (DST).
                                                                              - ERROR: 0 0 0 0 0 : Nenhum erro detectado
   • Se ambos ComPair e SearchMan (Manual de Serviço Eletrô-
                                                                              - ERROR: 6 0 0 0 0 : Código de Erro 6 é o último e único erro
      nico) estão instalados, todos os esquemas e o PWBs do apare-
                                                                                detectado
      lho estão disponíveis no hyperlink apropriado.
                                                                              - ERROR: 9 6 0 0 0 : Código de Erro 6 foi primeiro
      Exemplo: Meça a tensão DC no capacitor C2568 (esquema/
                                                                                detectado e código de erro 9 é o último (o mais novo) erro
      Painel) no mono Painel.
                                                                                detectado
   - Pressione no hyperlink ‘Painel’ para automaticamente mostrar o
                                                                            • Via procedimento de LED piscando (quando não existe
     PWB com um capacitor C2568 realçado.
   - Pressione no hyperlink ’Esquemático’ para mostrar a posição do
     capacitor realçado.
20                  L03.1L AA




       imagem). Veja próximo parágrafo.                                      • n piscadas curtas (n = 1 - 14), o quando todos os códigos de erro
     • Via ComPair.                                                            são exibidos, a seqüência termina com uma piscada de 3 seg.
                                                                               do LED, o a seqüência começa outra vez.
5.4.7 Como limpar Buffer de Erro                                               Exemplo de buffer de erro: 12 9 6 0 0
                                                                               Depois de entrar no SDAM:
     O buffer de código de erro é limpo nos seguintes casos:                 • 12 piscadas curtas seguidos de uma pausa de 3 s,
     • Ativando CLEAR no menu SDAM :                                         • 9 piscadas curtas seguidos de uma pausa de 3 s,
     • Se o conteúdo do buffer de erro não for mudado em 50 horas,           • 6 piscadas curtas seguidos de uma pausa de 3 s,
       ele se reseta automaticamente.                                        • 1 piscada longa de 3 s para finalizar a sequência,
     Nota: quando saindo do SDAM desconectando da tomada, o                  • a seqüência começa outra vez.
     buffer de erro não é limpo.
                                                                          5.6 Proteções
5.4.8 Códigos de Erro
                                                                             Se uma situação de falha é detectada um código de erro será
     Em caso de falhas não-intermitentes, limpe o buffer de erro antes       gerado e se necessário o aparelho entrará em modo de proteção.
     de começar o reparo. Assim, asseguramos que códigos de erro             O LED vermelho piscará em uma frequência de 3 Hz indicando o
     antigos não estarão presentes.                                          modo de proteção. Em alguns casos de erro, o microprocessador
     Se possível, cheque o conteúdo do buffer de erro. Em algumas            não coloca o aparelho no modo de proteção. Os códigos de erro
     situações, um código de erro é o resultado de outro código de erro      do buffer de erro podem ser lidos via o menu de serviço (SDAM)
     e não uma causa real (ex. uma falha na detecção do circuito de          ou procedimento de LED piscando ou via ComPair.
     proteção pode também conduzir para uma falha de proteção).
                                                                             Para obter um diagnóstico rápido, o chassis tem um modo de
Tabela 5.3 - Tabela de Códigos de Erros                                      serviço implementado:
                                                                               • O Modo Padrão de Ajuste de Serviço (SDAM). Início e ajuste
Erro Dispositivo Descrição                 Verifique            Diagrama          de uma forma pré-definida e ajuste do aparelho via menu e
                   do erro                 item                                  com a ajuda de padrões de teste.
0    Não Aplicável Sem erro                -                   -
1    Não Aplicável Proteção Raio-X         -                   -          5.7 Dicas de Reparo
                   (USA)
2    Não Aplicável Proteção                7421, 7422, 7423,   A2            Seguem alguns sintomas de falha, seguidos por uma dica de
                   Horizontal                                                reparo.
3    Não Aplicável Proteção                7461,7462,7463,   A2              • Aparelho está apagado com um som intermitente.
                   Vertical                   7464,7465,7466                   ‘Alimentação’ está disponível. Som intermitente para quando
4    AN5891K & Ident. de erro              7821 (IC Tom),    A5                dessoldando L5563, significando que problema está na linha
     AN5829S       I2C do Controle            7841                             ‘MainSupply’. Nenhuma tensão de saída do LOT, nenhuma
                   de tom e proces-                                            deflexão horizontal. Razão: transistor de linha 7421 está defeitu
                   sador de áudio                                              oso.
5    TDA93XX       POR3.3V / 8V            7200, 7541, 7491,   A4, A1        • Aparelho está apagado e sem som. Cheque a alimentação
                   Proteção                   7493,7496                        IC 7520. Resultado: tensão nos pinos 2, 6, 7, 9 e 11 estão acima
6    I2C Bus       Erro geral no           7200, 36024, 3605   A4              de 180 V e pino 14 está em 0 V. A razão porque a tensão nestes
                    I2C Bus                                                    pinos está tão alta é que o driver de saída (pino 11) tem uma
7    Não Aplicável -                       -                   -               carga aberta. Por isso o MOSFET 7521 não é capaz de chavear.
8    Não Aplicável Proteção E/W            -                   -               Razão: resistor de retorno 3523 está defeituoso. Atenção: cui-
                   (Tela grande)                                               dado com a medição na porta 7521; a impedância ohmica é
9    M24C16        NVM erro de             7641, 3641,         A4              muito alta e pode facilmente ser danificada! (primeiro conecte o
                   identificação I2C        3642, 3643                          terra do equipamento de medição, e então a porta).
10   Tuner         Tuner I2C - Erro        1000, 3003,3004     A3            • O aparelho está em um modo intermitente e desliga após
                   de identificação                                             8s. LED piscando (aparelho no modo do SDAM) indica erro 5. É
11   Não Aplicável Proteção "Black         3313,7307,7308,73 B1                improvável que as proteções ‘POR’ e ‘+8V apareçam ao
                   current loop"           09,7310,7311,7312,                  mesmo tempo, então, meça primeiramente o ‘+8V’. Se esta
                                           7313,7314,7315,73                   tensão não existe, cheque os transistores 7491 e 7496.
                                           16,7317,7318,CRT                  • Aparelho funciona de forma intermitente. Aparelho está em
12        Não Aplicável MAP I2C erro de    -                  -
                                                                               modo de sobre-corrente; cheque o secundário (opto coupler
                        identificação (USA)
                                                                               7515) e a tensão ‘MainSupply’. Sinal ‘Stdby_con’ deve ser de
13        Não Aplicável VC I2C erro de     -                   -
                                                                               lógica baixa sob condições de operação normais e vai para alto
                             identificação
                                                                               (3.3 V) no standby e em condições de falha.
                             (Eu)
                                                                             • Aparelho liga, mas sem imagem nem som. A tela está com
14        Não Aplicável DVD I2C erro de -                      -
                                                                               chuviscos, mas o OSD e outros menus estã o ok. Procedimento
                        identificação
                                                                               de LED piscando indica erro 11, assim problema é esperado no
                                                                               tuner (pos. 1000). Cheque presença de tensão de alimentação.
5.5 Procedimento do LED Piscando
                                                                               Como ‘Vlotaux+5V’ nos pinos 5 e 7 estão ok, ‘VT_supply no
                                                                               pino 9 é que falha. Conclusão: resistores 3449 e 3450 estão
     Por este procedimento, pode-se visualizar conteúdo do buffer de           defeituosos.
     erro pelo LED frontal. Isto é especialmente útil quando não há
     imagem.

     Quando entra-se no SDAM, o led piscara o conteúdo do buffer de
     erro.
L03.1L AA   21



6. Diagrama em Blocos, I2C, Tensões de Alimentação, e Vista Geral dos Pontos de Teste
               Diagrama em Blocos

A7     FRONT I/O                                               A8           REAR I/O                                                                                            A5      AUDIO PROCESSING (STEREO + SAP)
                                                                                                                                                                                        (FOR STEREO SETS ONLY)
                                                                                                                                                                                                                                                                                                                                             A6 AUDIO AMPLIFIER                                                                              A7       FRONT CONTROL                                  A4 CONTROL                                    +3.3V

 MONO          STEREO                   1184                   1121                               AV1                                                                                                                                                                                                                                                                                                                                         6692
                                                                                                                                                                                                      7841                                                                7821                                                                                                                                                                TSOP1836         F691                                                                                                                               7641
                                            1                      1                                                                                                                                                                                                                                                                                                                                                                                                                                                                                                                              M24C04
 V             V                                                                              V                                                                                                       AN5829S                                                             AN5891K                                                                                                                                                                                                                                                       5601 5603 5602                                                                 +3.3V
                                                                                                                                                                                                                                                                                                                                                                                                                                                          1             IR                                                      7200-B
                                                                                         1                                                                                                                                                                                                                                                                                                                                                                                                                                      TDA93XX 54   61   56                                              EEPROM 8
                                                                                                                                                                                                                                                                                                                                                                7901 AN7522N (STEREO)
                                        1185                   1124                                             1                      L1_IN                                                                                                                                                                                                                     7902 AN7523N (MONO)                                                                                                                                                                                           WP                  (NVM)
                                                                                                                                                                                                                                                                                                                                                                                                                                                                6691                                                                                               11                         7          6
                                                                                              L                                                                                                                                          I848                                                                 I830                                                                    F905              0280                                                            LED
                                            6                      6                                                                   A5 A4                                             L1_IN                                                                                                                                                                                                                                                +3V3                                                            IR           67                                                     +3V3              ERR  5
 L             L                                                                                                                                                                                  2                              21                     L_OUT        3                                 12                 Main_OutL                                 6            2                   L+ 4                                                                                                                                                                                            9
                                                                                         2                      2                      R1_IN                                                                  MATRIX                                                                SURR                                                                                              F906
                                                                                              R                                                                                  A8 R1_IN                     SWITCH                                                                TONE                                                                                                                                        L                   LOCAL                                                     LED          11
                                            4                      4                                                                   A5                                                         3                              22                     R_OUT        22                                15                 Main_OutR                                 8
                                                                                                                                                                                                                                                                                                                                                                                 4                   L-    5                                      KEYBOARD                                                                                     IIC                                3602        3601           3643         3642
               R                                                                                                                                                                                                                                                                                                                                                                                                                                                                                                                              BUS                       3605
                                                                                         3                      3                                                                                                                                                                                                                                                                     F907                                                                                                                                                                         3                      SDA
                                                                                                                                                                                                                                                                                                                                                       VOLUME       9            10                  R-    1                                                                                                                                                                                                              SDA    A3
                                                                                                                                                                                                                                  I847                                                                        I836
                                                                                                                                                                                                                                                                                                                                              A4                                                                                                 CHANNEL + / -                                              KEYBOARD                          I/O
                                                                                                                                                                                                                                                                                                                                                                                                                                                 VOLUME + / -                                                               8                PORTS                      3604                              F642
                                                                                                                                                                                        R2_IN                                                                                                                                                                                         F908                                                                                                  OR                                                                     2                      SCL                             SCL    A5
                                                                                                                                                                                                 24                                                                                                                                                                 1            12                  R+ 2
                                                                                                                                                                                                                                                                                                                                                                                                                                R                DVD EJECT
                                                                                                                                                                                                                                                                                                                                              Vaux/Vaudio                                                                                     POWER (USA only)                                                                                                                                            F643
                                                                                                                                                                                                                                                      R_OUT                                                                                                                                                                                                                                                                                                                                                         ERR
                                        7101                                                                                                                                     A8      L2_IN                                                                                                                                                                                                                                                                                                                                                                                                                       6
                                                                                                                      7161,                                                                      23                                                             A8                                                                                                                                                                          0239                                                                                               VST
                                                         CVBS_TER_OUT                                                                                                                                                                                   L_OUT
                                                                                                                      7162                                                                                                                                                                                                                                                                                                                                                                  OR                                                                     5
                                                                       A4                                                                                                                                                                                                                                                                                                                                                                                                                                                                     PWM-                                                                     Pvv_ADJ A1
                                                                                                                                                     SY_CVBS_IN                                                                                                                                                                                                                                                                                                                                                                               DAC                  6
           V                                                                    SEL_AV1_AV2                                SWITCH                                                                                                                                                                                                                                                                                                                                                                                                                                                                                   ITV_CLOCK A4 N.C.
 MONITOR
 OUTPUT




                                                                                A4                                                                      A4                                                                                                                                                                                                                                                                                                                                                                                                         7
                                                                                                                                                                                                                                                                                                                                                                                                                                                                                                                                      ROM                                                                               ITV_POR A4 N.C.
           L
                                            L-OUT
                                                         A5
                                                                                                                                                                                                                                       3842              3828                                                                                                                         A7      HEADPHONE                                      E      TOP
                                                                                                                                                                                                                                                                                                                                                                                                                                                    CONTROL
                                                                                                                                                                                                                                                                                                                                                                                                                                                                                                                                      RAM                          1
                                                                                                                                                                                                                                                                                                                                                                                                                                                                                                                                                                                                                        Std_Con A1
                                                                                                                9               STATUS2                                                                    STEREO               19                               14                                                                                                                                                                                                                                                                                                63
                                                                                                                           11                                                                                                                                                                                                                                                                                                                                             1010                                                                                                                                         STATUS 2 A8
                                                                                                                                               A4                                                14           +                                                                                                                                                                                                                                                                                                                        1/10
                                            R-OUT                                                                                                                                                                                      3843              3827                                                                                                           L+              L+                                                          LOCAL                  2                                                                                       64
           R                                             A5                                                   10                                                                                             SAP                18                               13                                                                                                                                                                               KEYBOARD                                                                            PAGES                                                                      SEL_AV1_AV2 A8
                                                                                                                                                                                                         DEMODULATOR                                                                                                                                                    L-              L-                                                                                                                                           MEMORY
                                                                                                                6                                                                                                                                                                                                                                                                                                                            CHANNEL + / -
                                                                                                                           5                                                                                                                                                                                                                                            R-              R-                                                                                                                                            TELE                         4
                                                                                                                                                                                                                                                                                                                                                                                                                                             VOLUME + / -                                                                                                                                                              VOLUME A6
                                                                                         2        3                                                                                                             ERR                                                                     ERR                                                                                                                                                                                                                                          TEXT/CC
                                                                                                                4                                                                                                                                                                                                                                                       R+              R+                                                                                                                                              +




                                                                                                                                                                                                                                           SDA

                                                                                                                                                                                                                                                  SCL
                                                                             SVHS                                                      C-IN                                                                      4                                                                       4                                                                                                                                                                                                                                                                                                            SDAM
                                G-SC1_IN_Y_IN                                                                                                  A4                                                                                                                                                                                                                                                                                                                                                                                      OSD
           V                                                                 (OPT.) 1              4                                                                                                                                                                                                                                                                                                                                                                                                                                                                                      9257
                                                                                              5                                                                                                                                                  A4
                                                                                                                                                                                                                                                                                                                                                                                          SPEAKER                                                                                                                                                                  60
 INPUT




                                B-SC1_IN_U_IN                                                                                                                                                                                                                             MONO                                                                                                                                                                                                                                                      CVBS SYNC
                                                                   A4                                                                                                                                                                                                                                                                                                                 2 X 5W 16 Ohm
  YUV




           L                                                                                           V                                                                                                                                                                                                                                                                                                                                                                                                                                                                                                                   POR
                                                                                                                                                                                                                                                                                                                                                                                      2 X 3W 8 Ohm                                                                                                                                                                 57                                                      (ITV)
                                                                                                                                                                                                                                                                                                                                                                                                                                                                                                                                                                                                                                 A4 N.C.
                                R-SC1_IN_V_IN                                           AV2
                                                                                                                               L2-IN
                                                                                                                                         A5
                                                                                                                                                                                                                                                                                                                                                                                      2 X 1W 8 Ohm
                                                                                                       L
           R                                                                                                                                                                                                                                                                        L_OUT       A8                                                                                                                                                                                                                                                       CPU                 1621
                                                                                                                                                                                                                                                                                                                                                                                                                                                                                                                                                                   58      12MHz
                                                                                                                               R2-IN
                                                                                                       R                                 A5


A3 TUNER IF                                      9282                                                                                A4 IF, VIDEO                                                                                                                                                                                                                                                                                                                                                    B1 CRT                         +160V
                    VT_SUPPLY                                                    VT_SUPPLY_A A2


                                                                                                                                                                                                                                                                                                        CVBS_TER_OUT A8                                                                                                                                                                                                                    3313
                                                                           6001
                                                                           BZX79-C33                                                                                                                                                                                                                                                                                                                                                                                                                                       7313
                                5002                                                                                                                                                                                                      AM_FM_MONO                                                                                                                                                                                                                                                                       7314
                   +5V                                                                                                                                                                                                                                                                                                                                                                                                                                                                                         F301
                                                                                                                                                                                                                                                                                                                                                                                                                                                                                                                                R
                                    1000                                                                                                                                                                                                         +8VD
                                                                                                                                                                                                                                                                AUDIO CARRIER                               7200-C
                                    UV1336                                                                                                           7200-A                                                                                                                                                 TDA93XX
                                          6, 7                9                                                                                      TDA93XX                                                                                                        FILTER                                                                                                                                                                                                                                                                                         3301                       0165
                                                                  VT                              1001                                                                                                                                                                                                                                                                                                                                                                                                                                                                                                    AQUADAG
                                                                                      F003                            VIF_1                     23                                                                                                                   5201                                                                                                                            OSD                                                                                                                   7315
                                2                                           11                                                                                   VIDEO                  VIDEO                                                                                                                                                                                                                                                                                                                              7316                                                     R    7
                                                TV TUNER               IF                                                                                                                                 VIDEO           38                                                                                                                                                                                                               F603                                         1622         1300                                                                  F309
                                                                                                                                                                   IF                    PLL                                                            7201                                                                                                                                                                    3619                                                                              F302                                             3305
                                                                                                                      VIF_2                     24                                                      AMPLIFIER                                                         1201                                                                                                RGB            R        RGB             51                             RED                                 1             1                        G                                                        9            R
                                                                                                                                                                  AGC                  DEMOD.                                                                                                          40        I/O                                                                                                                                                                                                                                                                G
                                                     ERR                                                                                                                                                                                                                  4.5MHz                                                                                             MATRIX                 CONTROL
                                                                                                                                                                                                                                                                                                              SWITCHING                                                                                                                                                                                                                                                                               G                          CRT
                                                      10                                                                                                                                                                                                                                                                                                                                     G                                  3620 F604                                                                                                                                           B    3
                                                                                                                                                27                                                                                                      3205                                                                                                                                                          52                             GREEN                              2              2                                                                   F310                                                  (9P)
                                                                                                                                                                                                                                                                                                                                                                               RGB           B   OSD/TEXT/CC                                                                                                                                                       3309                               B
                                                                                                                                                                                                                                                                                                                                                                                                                                           F605                                                                            7317
                                                               AGC                                                                                                                                                                                                                                                                                                  Y        INSERT                INSERT                       3621                                                                                       7318
                                                                                                                                                            SOUND                                         SOUND                                                                                                                                                                                                       53                             BLUE                               3              3          F303                                                                            4   5             6 8
                                                5        4       1                                                                                                                                                        44                                                                                                   Y-DELAY
                                                                                                                                                          FM-DEMOD.                     AUDIO             AMPL.                                   +8V                                                            VIDEO                                                                                                                                                                                                          B
                                                                                                                                                                                                                                                                                                       43                                                                     BLACK                   BLUE
                         3003                                                     TUNER_AGC                                                                DE-EMPH.                    SWITCH              + AVL                                                            A8 C-IN                             FILTERS
                                                                                                                                                                                                                                                                                                                                                                             STRETCH                STRETCH           49                                                                4              4
     A4 SDA                                                                                                                                                                                                                                                                                            42                                   R-Y        BASE         U                                                                      BEAM-LIMIT A2
                                                                                                                                                                                                                                                                            A8 SY-CVBS-IN                        VIDEO
                                                                                                                                                                                                                                                                                                                              PAL/NTSC
                                                                                                                                                                                          35                                                                                                                                  DECODER       B-Y        BAND         V         WHITE                 WHITE-P.
                         3004                                                                                                                                                                                                                           7202                                                     IDENT                                                                                                                                                                  5              5                                                                                                                               25kV
                                                                                                                                                                                                                                                                                                                                                       DELAY                 STRETCH                 ADJ
     A4 SCL                                                                                                                                                          (MONO)
                         1003                                                                                                                                                                                                                                                                                                                                                                                                                                                           6              6                                                 3418                                                    VG2
                            1 SDA                                                                                                           A8 L1_IN                                                                                                    3203                                                                                                                 46 47 48 45                  50




                                                                                                                                                                                                                                                                                                                                                                                                                                                                                                                                                                                                                                 EHT
                                                                                                                                                                                                                                                                                                                                      R_SC1_IN_V_IN                                                                                  FRAME_OUT
    COMPAIR                 2 SCL                                                                                                                                                                                                                                                                                                                                                                                                                                 A2                    7              7                                                 6318
                                                                                                                                                                                                                                                                                                                                      G_SC1_IN_Y_IN                                                                                                  A2       +160 V                                               +160 V
  CONNECTOR
                            3                                                                                                                                                                                                                                                                                        A8               B_SC1_IN_U_IN                                                                                                                   FILAMENT
                                                                                                                                                                                                                                                                                                                                                                                                                                                                                        8              8
                                                                                                                                                                                                                                                                                                                                      FBL_SC1_IN                                                                                                                  A2



A9 DVD POWER SUPPLY
   (optional)
                                                                                                                                                                                                                                                                                 A4 SYNC.                                                                                        A2 DEFLECTION
                                                         7571
                                                         L4978                                                                                                                                                                                                                                                                                                                                                           LINE
                                                                                                                                                         1572                                                                                                                                                                                                                           Hflybk
                                                                                                                                       F567
DVD_SUPPLY                              5571                                                 5572                   5574
                                                     5                            4                                                                      1                                                                                                                                           7200-D                                                                                                                                                                                          5445
 A1                                                      Vcc           OUT                                                                                                                                                                                                                                                                                                                                                                                                                                          EHT
                                                                                               +8V-DVD                                                             TO MPEG                                                                                                                           TDA93XX                           34                                                                                                                                                   1                                                                                           EHT
                                                             CONTROL                                                                                     3                                                                                                                                                                                                                                                 3424
                                                                                             6571                                                                  CARD                                                                                                                                                                                                                      -12V                                                                                                                                                                                       FOCUS
                            3           2                        1                                                  5573                                                                                                                                                                                                                                                                                                               F407
                                                                                                                                                         5         (optional)
                                                                                                                                                                                                                                                                                                                                                                                                                                                                                            7




                                                                                                                                                                                                                                                                                                                                                                                                                                                               6422


                                                                                                                                                                                                                                                                                                                                                                                                                                                                        2423
                  7570                                                                                                                                                                                                                                                                                        VIDEO                                                                                                                      7421
               SI2306D                                                                                                                 F566                                                                                                                                                                 INTERNAL                                                                                              5461                                                                                                                                                                  VG2
                                                                                                                                                                                                                                                                                                                                                                                                                                    BUT11APX
                                    1                             +12V-DVD                                                             F568              1571                                                                                                                                                                                                                                         7423                                                                                  2
 VTsupply-A          3571                                                                                           5575                                 1                                                                                                                                                                                                                                   7422
                                                                                                                                                                   TO DVD
 A3                                                                                                                                                                                                                                                                                                                             H-DRIVE                 H-DRIVE                                                                     F425
                                                                                                                                                         4         ENGINE                                                                                                                                         H                               33
                                                                                                                                                                                                                                                                                                         H/V SYNC              2nd LOOP                                                                                                                                                                                  FOCUS        VG2
                                                                                                                                                                   (optional)
                                                                                                                                                                                                                                                                                                        SEPERATOR               H-SHIFT                                                                                                                        F422                                           10
                                                                                                                                                                                                                                                                                                                  V
                                                                                                                                                                                                                                                                                                                                                         I462                                                                                                                                                                                                              EHT          A1
                                                                                                                                                                                                                                                                                                          H-OSC
                                                                                                                                                                                                                                                                                                           +PLL                                                                                                                                                                                                          3447
A1 POWER SUPPLY                                          0212                                                                                                                   7580                                                                                                                                                                                                                 3425                                                                          0221                                                                                    EHT 0        A4
                                                                                                                                                                        1515                                                                                                                                                                                                     Vaux/Vaudio                                                                  6408                 1
                                                                                                                                                             3      4                                                                                                                                                                                                                                                                                                                                                    3451                     6451
                     Degaussing                                                                                                                                                 ENERGIZING
                                                                           3504                                                                                                                       -12V                                                                                                                                                                                                         MAINSUPPLY                3403                                                                                                                          BEAM-        A4
                           Coil                                                                                                                                                   CIRCUIT                                                                                                                                                                                                                                                                                           2                                                                                      LIMIT
                                                                                                                                                             2      1            (optional)                                                                                                                                                                                                          6423                A1                                   6407                                                                  2455          6452
                                                                       t                                                                                                                                                                                                                                                                                                                                                                                                                    HOR.
                         MAINS                                                                                                                                                                                  I553                                                                                                                                                                                                                                                                        DEFL.
                   0211 SWITCH                            5500                                                                                                                           5570         6570                            DVD-SUPPLY
                                                                                                                                                                                                                                                                                                                                                                                        A2                                                                                         2406     COIL
                               1500                                                                        6504                                                                                                                                                                                                                                                                      FILAMENT                                                                                                                                                                   F449
                                                                                                           AC                                                                                                                                             A9                                                                                                                                                                                                                                                  9
                                                                                                                                                                                                                                                                                                                                                                                                                                                                                                                         3448                     6447
                                                                                                                                            F510        5520                                                                          (OPTIONAL)                                                                                                                                                                                                                                                                                                                           +160V
                                             T4E                                                                                                    1                    8                            6563
                                                                                                                                                                                                                                                                                                                                                                                                                                                                        5401            3402                                                      3459
                                                                                                                                                                                                                F540                                                                                                                                                                                                                                                                                                                                                       VT_SUPPLY A3
                                                                                                                                         2503                                            5562         6562                        5563                                                                                                                                                                                                                                                                                                                          F448
                                                                                                                        DC                          2                    13                                                                                                                                                                                                                                                                                                                                              3445                  6446
                            0231 (NOT USA)                                                                                                                                                                                                                                                                                                                                                                                                                                                                    8
                                                                                         3527                                                                                                                                          MAIN SUPPLY                                                                                                                                                                                                                                                                                                                         -12V
                                                                                                                                                                                                      6561                                                                                                                                                                                                            FRAME
                                                     7520                                                                                                                12                                                                                                                                                                                                                                                                        7464
                                        3506         TEA1506               14                                   7521                                                                                                                                                                                                                                                                                                                                                                                                     3443
                                                                                                                                                                                                                                                                                                                                                         I461                                                                                                                                                                                                   F446
                                                                DRAIN                    3523                                    D                                                                                                        F542                                                                                                                                                                                                                                                                                                 6444
                                                                                                                                                                                                                                                                                                                                                                                                                                                                                                                                                                           FILAMENT A4
                                                                                  11                       G                                        3                                                 6560                                                                                                                                                V-DRIVE -                                                                                                                                           5
                                                                   DRIVER                                                                                                10              5560                                                                                                                                                     22                                                                                                                  F461                                               3444
                                        I505                                                                                     S
                                                                                                                                        I514
                                                                                                                                                                                                                                                                                                                                V-DRVE                                                                                                                                                                                                                                                        A2
                                                                                         3525          I533                                                                                                                               Vaux/Vaudio
                                                 2                                9                                                                 5                                                                                                                                                                              +                      V-DRIVE +                                        3463                      7466
                                                     Vcc           SENSE                                                                                                                                                                                                                                                                          21
                                                                                                                                                                                                                       3549                                                                                                    GEOMETRY                                                                                                                                                                                  3446
                                                                                                                                                                                                                                                                                                                                                                                                                                                              3470                                            4
                                                                                         3522                         3526                                                                                                                                                                                                                                                                   7461              7462
                                                                                  7                                                                 6                                                                                                                                                                                                    I462
                                        6520                       DEMAG                                                                                                 9                                                                                                              EHT 0                                                                                                                                                      7465
                                                                                                                                                                                                                                                                                                36                                                                                                                                                                                                                                     6463
                                                 6                                                               6522                                                                                  7540, 6540              3543                                                A2
                         7523                                                                                                                                                                                                                   3549 PW-ADJ                                                                                                                                                                   7463
                                                     CTRL
                                                                                                                                                                                                       REFERENCE
                                                                                                                                                                                                         CIRCUIT
                                                                                                                                                                                                                                                          A4
                                                                                                                    2528                                                                                                                                                                                                                                                                                                                                                       0222
                                                         CONTROL                                                                                                                                                               3544               EHT                                                                             EW                                                                                                                                                                                                              3475
                                                                                                                                                                                                                                                                                                                                                  20                                                           3465                                                            1
                                                                                                                                                                                                              +3V3B                                                                                                                +                   N.C.                                                                                                                                                                                                               FRAME OUT A4
                                                            IC                                                                                       4                  1                                                                                 A2                                                                                                                                                             I468
                                                                                                                                                                                                                                                                                                                                                                                                                                                                                                    VERT.
                                                                                                                                                                                                                                7451                                                                                           GEOMETRY                                                                                                                       3464
                      3528                                                                                                                                                  7515                       7541                                                                                                                                                                                                                                                                    2                    DEFL.
                                                                                                                                                                            TCET1103                                                                                                                                                                                                                                                   -12V                                                         COIL
                                                                                                                                                     3                  2                                STANDBY                            Std_Con
                                                                                                                                                                                                                                                          A4                                                                                                                                                                                                  3474
                                                                                                                                                                                                         CIRCUIT                                                                                                                                                                                                                                                                                                                                                                                             CL 36532044_030.eps
                                                                                                                                        HOT GROUND                COLD GROUND                                                                                                                                                                                                                                                                                                                                                                                                                                            190603
22                          L03.1L AA



             I2C e Vista Geral das Tensões de Alimentação

                                                                                                                                                                                                                                                                                                                                                                                                                                                                                     B1        CRT


                                                                                                                                                                                                                                                                                                                                                                                                                                                                                                                  EHT


                                                                                                                                                                                                                                                                                                                                                                                                                                                                                                                  FOCUS
                                                                                                                                                                                                     A9 DVD POWER SUPPLY
                                                                                                                                                                                                        (optional)
                                                                                                                                                                                                                                                     7571
                                                                                                                                                                                                                                                     L4978                                                                                                                                                                                                                                                        VG2
                                                                                                                                                                                                                                                                                                                                  F567     1572
                                                                                                                                                                                                       DVD_SUPPLY                        5571    5                             4           5572 +8V-DVD                  5574                  1
                                                                                                                                                                                                                                                      Vcc               OUT                                                                                                                                                                                                          1300
                                                                                                                                                                                                                                                                                             +8V-DVD                                                     TO MPEG
                                                                                                                                                                                                                                                            CONTROL                                                                            3                                                                                                                                           7
                                                                                                                                                                                                                                                                                           6571                                                          CARD                                                                                                                                                     160 V
                                                                                                                                                                                                                               3         2                      1                                                        5573                            (optional)
                                                                                                                                                                                                                                                                                                                                               5                                                                                                                                           8
                                                                                                                                                                                                                       7570                                                                                                                                                                                                                                                                                       FILAMENT
                                                                                                                                                                                                                    SI2306D                                                                                                       F566
                                                                                                                                                                                                                                     1                           +12V-DVD                                                         F568     1571
                                                                                                                                                                                                       VTsupply-A       3571                                                                                             5575                  1         TO DVD                                                                                                                                                                               A3   TUNER IF

                                                                                                                                                                                                                                                                                                                                               4         ENGINE                                                                                                                                                                                      +5V
                                                                                                                                                                                                                                                                                                                                                         (optional)                                                                                                                                                                                                               +5V


                                                                                                                                                                                                                                                                                                                                                                                                                                                                                                                                                    VT supply
                                                                                                                                                                                                                                                                                                                                                                                                                                                                                                                                                                                  VT supply
                                                                                                                                                                                                     A2 DEFLECTION                                                                                                                                                                                                                            B1
                                                                                                                                                                                                                                                                                                                                                                                                                                              A4         VIDEO PROCESSING
                                                                                                                                                                                                                                                                                                                                                                                                                                                                                                                            1622                                    9282
                                                                                                                                                                                                                                                                                                                                                                                                                                                                                                                                                                                  VT supply-A
                                                                                                                                                                                                                                         LINE                                                                                                                                                                                                             160VD                                                              7

                                                                                                                                                                                                                                                                                                                                 5441                                                                                                                     FILAMENT                                                                                      VT Supply-A
                                                                                                                                                                                                                                                                                                                                                   EHT                                                           EHT
                                                                                                                                                                                            -12V                        3424                                                                                         1                                                                                                                                                                                                       8
                                                                                                                                                                                                                                                                                                                                                                                                                                                                                                                                         2x
                                                                                                                                                                                                                                                                                                                                                                                                                FOCUS                                                                                              Vaux/Vaudio
                                                                                                                                                                                                                                                                                                                     7




                                                                                                                                                                                                                                                                                    6422


                                                                                                                                                                                                                                                                                              2423
                                                                                                                                                                                                                               5461                  7421                                                                                                                                                       VG2
                                                                                                                                                                                                                                                BUT11APX                                                                                                                                                                                                                                                   3494
                                                                                                                                                                                                                      7423                                                                                           2
                                                                                                                                                                                                                                                                                                                                                                                                                                                                      7493                                                                    A5   AUDIO PROCESSING

                                                                                                                                                                                                         7422                                                                                                                                                                                                                                                     1           3                                            +3V3                                 5841
                                                                                                                                                                                           H DRIVE                                                                                                                                                                                                                                                                                                                                                    +5V
                                                                                                                                                                                                                                                 F425                                                                                                                                                                                                                                                                                                                                 7 - 7841
 A1   POWER SUPPLY           0212                                                                                                                                                           A4                                                                                                                                                         FOCUS     VG2
                                                                                                                                                                                                                                                                                                                                                                                                                                           Vaux/Vaudio
                                                                                                                              7580                                                                                                                                                                                                         10
                                                                                                                1515                                                                                                                                                                F422                                                                                                              EHT        A1                                                                                                 4491                              + 8V      5821
                                                                                                     3      4          ENERGIZING                                    -12V                                                                                                                                                                                                                                                                                                                                                                                                             23 - 7821
      Degaussing                                                                                                                                                                                                                                                                                                                                       3447                                                                                                                                    6491
                                            3504                                                                         CIRCUIT
            Coil                                                                                                                                                                            Vaux/Vaudio             3425                                                                                 0221                                                                                         EHT 0      A4
                                                                                                     2      1           (optional)                                                                                                                                                                                                                                                                                                                                                                                         +3V3A
                                       t                                                                                                                                                                                                                                                                 1                                                                                                                                                                                            A1
                                                                                                                                                                                                                                                                                   6408                                                                3451                  6451
                MAINS                                                                                                                        I553                                                                                                                                                                                                                                                                                                                                     In
          0211 SWITCH                  5500                                                                              5570        6570                                                                                                                    3403                                                                                                                                     BEAM-      A4                                                                                                                 1x
                                                                      6504                                                                                        DVD-SUPPLY                                                                                                                              2                                                                                           LIMIT
                      1500                                                                                                                                                                                                     6463                                                6407                                                                        2455          6452
                                                                      AC                F510       5520                                                             (OPTIONAL)                                                                                                                                       HOR.                                                                                                                                                                             A2
                                                                                                                                                                                                                                                                                                                                                                                                                                                                                                                                              A6   AUDIO AMPLIFIER
                              T4E                                                              1                8                    6563                                                                                                                                                                            DEFL.                                                                                                                                                                                                                                                           1 - 7901
                                                                                                                                                                                            FILAMENT                                                                                                                 COIL                                                                                                                       FILA-                                                      3495
                                                                                                                                                                                                                                                                                                         2406                                                                                                                                                                                                                       2x                Vaux/Vaudio                    or
                                                                                                                                            F540                                                                                                                                                                                                                                            F449                                                MENT             7494                                                        +5V
                                                                                       2503                                          6562                                                                                                                                                                                                              3448                  6447                                                                                                                                                                                                    1 - 7902
                                                                              DC               2                13       5562                                 5563 MAIN SUPPLY                                                                                                                                                             9
                   0231 (NOT USA)                                                                                                                                                                                                                                                                                                                                                                     +160V
                                                                                                                                                                                                                                                                                                                                                                                                                                                                                                                                    1x
                                                                                                                                     6561                                                                                                                                                     5401            3402                                                            3459                                                    1x                                                                                                              + 5V
                                                                                                                                                                                                                                                                                                                                                                                                      VT_SUPPLY                                                                                                                                                                      + 5V
                                                                                                                12
                                                                                                                                                                                                                                                                                                                                                                                            F448                                                          3496
                                                                                                                                                                                                                                                                                                                                                       3445                  6446
                                                        3527                                                                                                                                                                                                                                                                               8                                                                                          2x
                                                                                               3                                                                                                                                                                                                                                                                                                      -12V                                                                   3497                                                                     FILAMENT
                                                                                                                                                                                                                                      FRAME                             7464                                                                                                                                                                                                                                                                                                        FILAMENT
                            7520                                                                                                                                                                                                                                                                                                                       3443
                 3506       TEA1507         14                        7521                                 COLD GROUND                                                                                                                                                                                                                                                                      F446
                                                                                  D                                                                                                                                                                                                                                                                                          6444                  FILAMENT
                                    DRAIN               3523                                                                                F542                                            V DRIVE-                                                                                                                                       5                                                                                          2x
                                                   11             G                                                                  6560                                                                                                                                                  F461                                                        3444
                                     DRIVER                                                                     10       5560                                       Vaux/Vaudio       1x                                                                                                                                                                                                                                              2x                  6492
                I505                                                              S
                                                        3525   I533                   I514                                                                                            2x     A4                         3463                     7466
                                                                                               5
                        2
                            Vcc       SENSE
                                                   9
                                                                                                                                                    3549                                    V DRIVE-                                                                                                                                       4
                                                                                                                                                                                                                                                                                                                                                       3446                                                                                                                                                                                   A7   AUDIO FRONT I/O
                                                                                                                                                                                                                                                                                   3470
                                                        3522               3526                                                                                                                           7461               7462                                                                                                                                                                                                                                                                                                                               4698
                                                   7                                           6                                                                                                                                                                                                                                                                                                                                                                      4379                                                                            + 3V3A
                 6520                 DEMAG                                                                                                                                                                                                                             7465                                                                                          6463                                                                                                                                                                                                            +3V3B
                                                                                                                9                                                                                                                                                                                                                                                                                                                                                                                                          +8V
                                                                       6520                                                          7540, 6540            3543                                                                              7463                                                                                                                                                                                                                                                 7496                             1x
         7523           6
                            CTRL           VCC                                                                                                                    3549      PW_ADJ
                                                                                                                                      REFERENCE                                                                                                                                                                                                                                                                                                                       3493                                                         1x                                      3693
                                                                                                                                        CIRCUIT
                                                                                                                                                                                 A4                                                                                                                                                                                                                                                                                                                                                                   + 3V3B
                                                                                                                                                                                                                                                                                                                                                                                                                                                                                                                                                                                      3 - 6692
                                                                       2528                                                                                          7451                                                                                                                            0222
                             CONTROL                                                                                                                       3544         EHT                                                   3465                                                                   1                                                                                                                                                                                                                                   1x
                                IC                                                             4                                                                                 A2                                                                                                                                                                                                                                                                                                 7491
                                                                                                                1                                                                                                                                                                  3464                                         VERT.                                                                                                                                                                              5482 +8VD
      3528                                                                                                          7515                                                 +3V3B                                                                                                                       2                          DEFL.
                                                                                                                    TCET1103                                                                                                                           -12V                                                                     COIL
                                                                                                                                     7541
                                                                                                                2                                                    Std_Con                                                                                                       3474
                                                                                               3
                                                                                                                                       STANDBY                                   A4                                                                                                                                                                                                                                                              VTSupply-A
                                                                                                                                                                                                                                                                                                                                                                                                                                                                         3491
                                                                                                                                                                                                                                                                                                                                                                                                                                                                                                                                              A8   REAR I/O CINCH
                                                                                                                                       CIRCUIT
                                                                                      HOT GROUND                                                                                                                                                                                                                                                                                                                                                                                                                                                    +8V
                                                                                                                                                                                                                                                                                                                                                                                                                                                                                           3492                                                                                       +8V


                                                                                                                                                                                                                                                                                                                                                                                                                                                                                                                                                                    4163
                                                                                                                                                                                                                                                                                                                                                                                                                                                                                                                                                                                      +8VA
                                                                                                                                                                                                                                                                                                                                                                                                                              -12V,           VT supply-A,
                                                                                                                                                                                                                                                                                                                                                                                                                         FILAMENT,            VT supply,
                                                                                                                                                                                                                                                                                                                                                                                                                        Vaux/Vaudio           FILAMENT




ERROR CODE LIST
 Error          Device                                  Error description                                 Check item                         Diagram                                  I2C BUS INTERCONNECTION DIAGRAM
 0              Not applicable                          No Error                                                      -                          -                                     A7 CONTROL                                                                                             A3         TUNER IF                                               A5      AUDIO PROCESSING
 1              Not applicable                          X-Ray Protection (USA)                                        -                          -                                                                            +3.3V      +3.3V                                                                                                                          (only for stereo sets)
 2              Not applicable                          Horizontal Protection                             7421, 7422, 7423                      A2
 3              Not applicable                          Vertical Protection                               7461, 7462, 7463, 7464,               A2                                                                                 3602       3601
                                                                                                                                                                                                                                                                         ERR
                                                                                                                                                                                                                                                                          6
                                                                                                          7465, 7466                                                                         7200-B             SDA 3605
 4              AN5891K &                               Tone control & Audio                              7821 (tone IC), 7841                      A5                                         SET
                                                                                                                                                                                           PROCESSOR
                                                                                                                                                                                                     3                                                                               SDA                                                                 SDA

                AN5829S                                 processor I2C identification                      (Stereo/Sap)                                                                               2                                                                               SCL                                                                 SCL
                                                        error                                                                                                                                PART OF                   3604
                                                                                                                                                                                                                                                                                                                                                                             3828




                                                                                                                                                                                                                                                                                                                                                                                                         3842
                                                                                                                                                                                                                                                                                                              3003

                                                                                                                                                                                                                                                                                                                         3004




                                                                                                                                                                                                                                                                                                                                                                                                                 3843
                                                                                                                                                                                                                SCL
                                                                                                                                                                                                                                                     3643

                                                                                                                                                                                                                                                                 3642




                                                                                                                                                                                                                                                                                                                                                                                     3827




 5              TDA93XX                                 POR 3.3V / 8V Protection                          7200, 7541, 7491, 7493,             A4, A1                                          VIDEO-                               +3.3V

                                                                                                          7496                                                                             PROCESSOR
                                                                                                                                                                                             TDA9370
                                                                                                                                                                                                                                                             5          6                                            5 4                                                      14     13                   19     41
 6              I2C bus                                 General I2C bus error                             7200, 3604, 3605                          A4                                                                                   3644
                                                                                                                                                                                                                                                   M24C04
                                                                                                                                                                                                                                                             7641                                                    1000
                                                                                                                                                                                                                                                                                                                 TUNER
                                                                                                                                                                                                                                                                                                                                                                                    7821
                                                                                                                                                                                                                                                                                                                                                                               AN5891K                   AN5829S
                                                                                                                                                                                                                                                                                                                                                                                                                7841

 7              Not applicable                                          -                                            -                               -                                                   11             WP                       7 EEPROM                                                        UV1336                                                         AUDIO                     AUDIO
 8              Not applicable                          E/W Protection (Large Screen)                                -                               -                                                                                              (NVM)                                                                                                                       PROC.                    DECODER
 9              M24C16                                  NVM I2C identification error                      7641, 3641, 3642, 3643                    A4                                                                                                       ERR                                                     ERR                                                            ERR                         ERR

 10             Tuner                                   Tuner I2C identification error                    1000, 3003, 3004                          A3                                                                                                        9                                                       10                                                             4                           4

 11             Not applicable                          Black current loop protection                     3313, 7307, 7308, 7309,                   B1
                                                                                                          7310, 7311, 7312, 7313,                                                                                                                                                                                                              1003
                                                                                                          7314, 7315, 7316, 7317,                                                                                                                                                                                                                1
                                                                                                          7318, CRT                                                                                                                                                                                                                                2
 12             Not applicable                          MAP I2C identification error                                 -                              -                                                                                                                                                                                FOR
                                                        (USA)                                                                                                                                                                                                                                                                    COMPAIR           3

 13             Not applicable                          VC I2C identification error (Eu)                                  -                         -                                                                                                                                                                               ONLY
 14             Not applicable                          DVD I2C identification error                                      -                         -
L03.1L AA   23



       Vista Geral dos Pontos de Teste

MONO CARRIER TRACK SIDE VIEW                                                                      F492                 F642
                                                                                                                                                                                                                                                                  1003         CRT TRACK SIDE VIEW
                                                                                                                                                                                                                                        Compair conn. 1                  3
                                                                                                      6491          3643                 F643
                                                                                                                                3642
                                                                                          F494 A2             A1                                                                                                                        11                    1
                                                                                                         K          5   8       7641
                                                                      7496                  7493                                NVM                                                                                           F003                 Tuner
                                                                                              In                    4   1
                                                               F491    E                                 Out                                  1                           7200                           32                             1000                                                                                                     F309 G
                                                                           C               F493                     C
                                                                                                                    B
                                                                       B
                                                                                                  7494              F   F494                                      Video Processor                                                                                                                                                            9    10
                                                                                                                                                                                                                                                                                                                                     8                     11
                                                                                                                                              64                                    44                   33                                                                                                                                                     12
                                                                                                                                                                          I211                                                                                                                                                      7 F308 R
                                                                                          7901                                                                                                                                                                                                                                      6                  3
                                                                                          7902 Audio                                                                                                                                                                                                                                                        F310 B
                                                                      0246                                                                                                                                                                                                                                                               5       4
                                                                                          12
                                                                                               Output                                             1622
                                                                               1                                                                                                                                                                                                                                                                                     1302
                                                         F907                                                                    8                                 1
                                                         F908                                                                                                                                                                                                                                                                                                       T et
                                                                                                                                                                  F603                                  3488                                                                        1300                                                                          CR ock
                                                         F909                                                                                                                                                                                                                                 3    2 1                                                             S
                                                                               5                                                                                                                                                                                                                            F301
                                                                                                                                                                  F604                               F481
                                                         F906                                                                                                                                                                                                                       8
                                                                                                                                                                  F605           Audio
                                                                 3905              3903                                              I836                                                                                                                                                                   F302
                                                                                           1                                                                                     Demodulator
                                                                 F903              F901                                                                                        12                   1
                                                                                                                                      13          15          24
                                                                                                                                                                                          7841                                                                                                              F303
                                                                                                                                                   7821                                     21 22                                                                            F605             F642                 F643
                                                                                                                                                                               13                   24
                                                                                                                            I830      12                      1
                                                                                                                                              Audio
                                                                                                                                                                                                         I847
                                                                                                                                              Processor
                                                                                                                                                                                                                                                   0222
                                                                                                                                                                                                         I848
                                                                                                                                                                                                                                                             F461
                                                                                                                                                                                                                                               2       1                       1V / div DC     0.5V / div DC        0,5V / div DC
                                                                                                                                                                                                                                                                               20µs / div.      20µs / div.          20µs / div.
                                                                                                                                                                                                                                              Frame Output
                                                                                                                    6560         I542                                                                                       I461               I462               7464                        F901                 F903
                                                                                                      I553                                             I540                                                                                                                  F691
                                                                                                                                                                                                                                                                    B
                                                                                       6570                                                                                                                                       E B E B                     C
                                                                                                                                                       6562                                 2405                        7462       C   C      7461                  E


                                                                                                                                                                                            +                           F446                       7463             B
                                                                                                                   8    9   10           12       13                                                F422                                                      C
                                                                                                                                                                                                                                   6444            EBC              E
                                                                                                                                                                                                                                                                              1V / div AC      0.5V / div AC       0.5V / div AC
                                                                                                                    Power Trafo 5520                                                                                                                              7465         2ms / div.        1ms / div.          1ms / div.
                                                                                                                                                                                                                                            I465

                                                                                                                   7    6   5            3        2    1   F510                                                                                                              F905             F906                 F907

                                                                                                                                                                                                                                                              6446
        6692                                                                                                                                                                                                            4     5                       F448
                                                                                                                            I514                                                                                    3               6
                IRRCR                                                                                                                D
                                                                                                                                                       Supply                                                                           7
                                                                                                  I505             I533                                                                                                                                                       0,5V / div AC    0,5V / div AC        0.5V / div AC
         1   F691                                                                                                           G                  S       Output                                                   2       5441                                                                     1ms / div.           1ms / div.
                                                                                                                                                                                                                                         8                                      1ms / div.
                                                                                                  7          21                                                                                                         LOT
                                                                                                                                                                                                                                         9
                                                                                                      7520                                                                                                                                                                   F908             I211                 I461
                                                                                                  8           14                                                                                                1                       10

                                                                                                  Supply                                                                   Line
                                                                                                  Control                                                                  Output                                                                             6447
                                                                                                                                                                                                                                                      F449
                                                                                                                                                                   7421        C
                                                                                                                                                                                         F407                                                                                 0.5V / div AC       1V / div DC       0.5V / div DC
                                    Mains                                                                                                                                  B        E                                                                                           1ms / div.         1ms / div.         5ms / div.
                                                                                                                                                                   F425
                                    Switch
                                                                                                                                                                                                                                                                             I462             I465
             COLD       HOT                                                                                                                   HOT             COLD
                                     LIVE PART                                                                                                                                                                                                                                                                     I505 =17V8 DC



                                                                                                                                                                                                                                                                              0.5V / div DC       1V / div AC
                                                                                                                                                                                                                                                                                5ms / div.         5ms / div.


F003                F301               F302             F303                       F308                      F309                             F310                        F407                           F425                      F446                      F448            I514             I533                 I830




200mV / div AC       1V / div DC         1V / div DC     1V / div DC                50V / div DC              50V / div DC                     50V / div DC               100V / div DC                       5V / div AC           2V / div DC               10V / div DC   100V / div DC        2V / div DC       1V / div DC
  20µs / div.        20µs / div.         20µs / div.     20µs / div.                 20µs / div.               20µs / div.                      20µs / div.                 20µs/div.                         20µs / div.           20µs / div.                20µs / div.     5µs / div.          5µs / div.        1ms / div.

F449                F461               F481             F491                       F492                       F493                            F494                        F510                                                     F603                      F604            I836             I847                 I848

                                                                                                                                                                                                         F422 97V DC
                                                                                                                                                                                                         F540 97V DC
                                                                                                                                                                                                         F542 13V5 DC

 50V / div DC        20V / div DC       0,5V / div DC    2V / div DC                2V / div DC                   2V / div DC                     2V / div DC              50V / div DC                                             1V / div DC                1V / div DC    1V / div DC      0.5V / div DC       0.5V / div DC                                CL 36532044_031.eps
  20µs / div.         5ms / div.         20µs / div.     20µs / div.                20µms / div.                  20µs / div.                     20µs / div.               5µs / div.                                              20µs / div.                20µs / div.     1ms / div.        1ms / div.          1ms / div.                                             200603
24               L03.1L AA



7. Esquemas Elétricos e Layouts dos Painéis
     Mono Painel: Alimentação
                                                                                                                                                                                                                                                                                                                                                                                                                                                                                                                                                                                                                                                              0211 C1    5520 C7
                     1                                                               2                                                      3                                        4                                                         5                                                  6                                                                       7                                                         8                                                                      9                                                             10                                                          11                       0212 B1    5521 D6
                                                                                                                                                                                                                                                                                                                                                                                                                                                                                                                                                                                                                                                              0213 C5    5560 D8
                                                                                                                                                                                                                                                                                                                                                                                                                                                                                                                                                                                                                                                              0231 C2    5562 C9
                      ALIMENTAÇÃO                                                                                                                                                                                                                                                                                                                                                                                                   Region                                                                                                      LATAM                                                                                                         1500 B2
                                                                                                                                                                                                                                                                                                                                                                                                                                                                                                                                                                                                                                                              1501 B3
                                                                                                                                                                                                                                                                                                                                                                                                                                                                                                                                                                                                                                                                         5563 C10
                                                                                                                                                                                                                                                                                                                                                                                                                                                                                                                                                                                                                                                                         5570 C7
                                                                                                                                                                                                                                                                                                                                                                                                                                     Size              14"                                         15RF/20"/21"                                14"MEXICO                    15RF/20"/21"Mexico 21RF
                                                                                                                                                                                                                                                                                                                                                                                                                                                                                                                                                                                                                                                              1508 E7    6500 B5
                                                                                                                                                                                                                                                                                                                                                                                                                                     0231       SWITCH       SWITCH           -                                                                                                        -                                     -                                1509 E7    6501 B5
                                                                                                                                                                                                                                                                                                                                                                                                                                     2503      100u/400V    150u/400V     100u/400V                                                                                                150u/400V                                 -                                1515 A7    6502 B5
                                                                                                                                                                                                                                                                                                                                                                      For Relay Cct.                                                 3523     NFR25 68R    NFR25 47R     NFR25 68R                                                                                                NFR25 47R                                  -
                                                                                                                                                                                                                                                                                                                                                  RES                                                -12V
                                                                                                                                                                                                                                                                                                                                                                                                                                     3526       1W/0R18      1W/0R15       1W/0R18                                                                                                  1W/0R15                                  -                                1516 E7    6503 B5
                                                                                                                                                                                                                                                                                                                                                      1515                                                                           3547        330K         330K          330K                                                                                                     330K                                   22K                               1520 B7    6504 B5
A                                                                                                                                                                                                                                                                                                                                                *     G5P                                                                           5520     SS28010-06   S359B4-09     SS28010-06                                                                                                S359B4-09                                 -                            A   1560 D7    6505 D2
                                                                                                                                                                                                                                                                                                                                                                                                                                     6561          -     BYW76-RAS15/10       -                                                                                                 BYW76-RAS15/10                               -                                1570 C8    6520 E2




                                                                                                                                                                                                                                                                                                                                                   3
                                                                                                                                                                                                                                                                                                                                                                                                                                     7521    STP5NK80ZFP STP7NK80ZFP    STP5NK90ZFP                                                                                              STP7NK80ZFP                                 -                                2452 F11   6521 E6




                                                                                                                                                                                                                                                                                                                                                                      4
                                                                                                                                                                                                                                                                                                                                                                                                                                     9500          -            -           JUMP                                                                                                     JUMP                                    -




                                                                                                                                                                                                                                                                                                                                 9503
                                                                                                                                                                                                                                                                                                                                                                                                                                                                                                                                                                                                                                                              2453 F10   6522 F6




                                                                                                                                                                     3
                                                                                                                                                                                                                                                                                                                                                                                                                                     9501          -            -           JUMP                                                                                                     JUMP                                    -




                                                                                                                                                                                                                                                                                                                                                                                                                   1N4148
                                                                                                                                                                                                                                                                                                                                                                                                   3580


                                                                                                                                                                                                                                                                                                                                                                                                           6580
                                                                                                                                                                                                                                                                                                                                                                                                           47K
                                                                                                                                                                                                                                                                                                                                                                                                                                                                                                                                                                                                                                                              2500 C3    6540 F8
                                                                                                                                                                                                                                                                                                                                                                                        *




                                                                                                                                                                                                  10R - PTC
                                                                                                                                                                                                                                                                                                                                                                                7580
                                                                                                                                                                                                                                                                                                                                *




                                                                                                                                                                                                                                                                                                                                                                      1
                                                                                                                                                                                                                                                                                                                                                                                                                                                                                                                                                                                                                                                              2501 B5    6541 E9




                                                                                                                                                                     Rs
                                                                                                                                                               +t
                                                                                                                                                                                                                                                                                                                                                                                BC847B
                                                                                                                                                                                                                                                                                                                                                                                                   *




                                                                                                                                                                                           3503




                                                                                                                                                                                                                                                                                                                                                   2
                                                                                                                                                                                                                                                                                                                                                                                                                                                                                                                                F510                             F540 97V DC




                                                                                                                                                                              3504
                                                                                                                                                                                                                                                                                                                                                                                                                                      ITEM           LATAM                    NAFTA                                                                                                                                                                           2502 B5    6560 D8




                                                                                                                                                                                                     +t
                                                                                                                                                                                                                                                                                                                                                                                                                                                                                                                                                                 F542 13V5 DC




                                                                                                                                                               Rp
              DEGAUSSING COIL                                                                                                                                                                                                                                                                                                                                                                                                                                                                                                                                                                                                                                 2503 B6    6561 D9
                                                                                                                                                                               * *                                                                                                                                                                                                                                                   2505        YES                            NO                                                                                                                                                                            2504 B6    6562 C9




                                                                                                                                                                              2
                                                                                                                                                      1
                             0212
                                                                                                                                                                                                                                                                                                                                                                                                                                     3503        NO                            YES                                                                               I505              17V8 DC
                                                                                                                                                                                                                                                   6500                 6501                                                                                                                                                                                                                                                                                                                                                                                  2505 B2    6563 C9
                                                                                                                                                                                                                                                                                                                                                                                                                                     3504        YES                            NO




                                                                                                                                                                                                                                                                                                                                                                                              2580
                                     1




                                                                                                                                                                                                                                                                                                                                                                                                            47u
                                                                                                                                                                                                                                                                                                                                                                                                                                     5500      DMF2820                         C914                                                                                                                                                                           2507 B6    6570 C8
                                                                                         2505




                                                                                                                                                                                                                            2501
                                                                                                 2n2




                                                                                                                                                                                                                                     2n2
                                                                                                                                                                                                                                            1N5062 (COL)              1N5062 (COL)                                                                                                                                                   5502        NO                            YES                                                                                                                                                                            2515 C7    6580 A8
B                                    2                                                                                                                                                                                                                                                                                                               F510
                                                                                                                                                                                                                                                                                                                                                                                             *                                       9503        YES                            NO                                                50V / div DC                                                                                                            B   2520 G2    7451 F10
                                                                                         *                                                                                    *      3508
                                                                                                                                                                                                                                                              6504
                                                                                                                                                                                                                                                                                                                                "$"                                                                                                 Relay Cct.   NO                            YES                                                  5µs / div
                                                                                                                                                                                                                                                                                                                                                                                                                                                                                                                                                                                                                                                              2521 E2    7515 F7
                                                                                                                                                                                                                                                                                                                                                                                                                                                                                                                                I514                             I533                                                                                         2522 D6    7520 D2
                                                                                                          1500            1501




                                                                                                                                                                                                                                                                                               150u 400V
                                                                                                        PFC5000         PFC5000                                                      1M5                                                           GBU8K                                                                                                                                                                                                                                                                                                                                                                                                      2523 E6    7521 E6
                                                                                                                                                                                                                                                   6502                 6503




                                                                                                                                                                                                                                                                                      2504




                                                                                                                                                                                                                                                                                                                 2507

                                                                                                                                                                                                                                                                                                                                RES
                                                                                                                                                                                                                              2502




                                                                                                                                                                                                                                                                                                 2503
                                                                                                                                                                                                                                      2n2
                                                              *      9500                                                                         1
                                                                                                                                                          *   5500        4
                                                                                                                                                                                                          9502 RES
                                                                                                                                                                                                                                                                                                            *                                                                  1520                                                                                                                                                                                                                                                                           2524 E5
                                                                                                                                                                                                                                                                                                                                                                                                                                                                                                                                                                                                                                                              2525 F5
                                                                                                                                                                                                                                                                                                                                                                                                                                                                                                                                                                                                                                                                         7522 F6
                                                                                                                                                                                                                                                                                                                                                                                                                                                                                                                                                                                                                                                                         7523 F1
                                                                                                                                                                                                                                                                                                                                                                  2515
                             0211
                                                                6           5
                                                                                 *     0231
                                                                                       ESB92
                                                                                                                                                  2
                                                                                                                                                                                                              3502
                                                                                                                                                                                                                                            1N5062 (COL)              1N5062 (COL)                                                                                                 5506 RES
                                                                                                                                                                                                                                                                                                                                                                                        9506
                                                                                                                                                                                                                                                                                                                                                                                                                                                                                                                                                                                                                                                              2526 E2
                                                                                                                                                                                                                                                                                                                                                                                                                                                                                                                                                                                                                                                              2527 F1
                                                                                                                                                                                                                                                                                                                                                                                                                                                                                                                                                                                                                                                                         7540 F9
                                                                                                                                                                                                                                                                                                                                                                                                                                                                                                                                                                                                                                                                         7541 G8
                                                                                                                                                          DMF-2820        3                                                                                                                                                                                                                                                                                                                                                     100V / div DC                          2V / div DC
                                     2                      2                      4                                                                                                                                                                                                                                                                              1n5                   RES                                                                                                                                                                                                                                                                   2528 G6    7580 A7
                                                                                                                                                  1                                                              t                                                                                                                                                                                                                                                                                                                5µs / div                             5µs / div
                                     1                      1                      3
                                                                                                               T4E.250V                                   *   5501        4

                                                                                                                                                                                                                                                                                                                                                                                                          5570                 6570
                                                                                                                                                                                                                                                                                                                                                                                                                                              I553
                                                                                                                                                                                                                                                                                                                                                                                                                                                1570
                                                                                                                                                                                                                                                                                                                                                                                                                                                                                                                                                                                                                                                              2540 F9    9500 B2
                                                                                                                                                                                                                                                                                                                                                                                                                                                                                                                                                                                                                                                              2541 G9    9501 C2
                                                                                                                             2500

                                                                                                                                     470n




                                                                                                                                                                                                                                                                                                                                                                                                                                                                                                                                                                                                                           DVD_Supply
C                                                           MAINS SWITCH                                                                          2           RES         3
                                                                                                                                                                                                                                                                                                                                                                                                                                             T2.5AE 250V                                                                                                                                                                   (OPTIONAL)                     C   2542 G7    9502 C4
               MAINS
                                                                                                                                                                                                                                     *      0213                                                                                                                                                                            STPS10L60D                                                                                                                                                                                                                        2543 F6    9503 A6




                                                                                                                                                                                                                                                                                                                                                                                                                                                                               3m3 16V
                                                                                                                                                      RES                                                                                                                                                                                                                                                                      2571                                                                                                    6563
     150 - 276 V SINGLE RANGE
                                                                      *




                                                                                                                                                                                                                                                                                                                                                                                                                                                              2570
                                                                            9501                                                                                                                                                     2
       90 - 276 V FULL RANGE                                                                                                                                                                                                                                                                                                                                                                                                                                                                                                                                                                                                                                  2560 D8    9506 C7
                                                                                                                                                                                                              3505


                                                                                                                                                                                                                                                                                                                                                                                                                               10n                                                                                                                                                                                                                            2561 D9    9509 G4
                                                                                                                                                                                                                                                                                                                                                  *        5520                                                                                                                                                                    BYW29EX
                                                                                                                                                                                                                        V
                                                                                                                                                                                                                                     1             For ITV
                                                                                                                                                                                                                                                                                                                           2584                                                                                                                                                                    5562                              6562                                                                                                                     2562 D9    9515 E5
                                                                     3M3




                                                                                                                                                                                                                                                   ONLY                                                                                                                                                                                                                                                                                                          F540
                                                     3500




                                                                                                                                                                                                                                                                                                                                                    1
                                                                                                                                     220R
                                                                                                                             3509




                                                                                                                                                                                                                                                                                                                                                303V                                                                                                  DVD_Gnd
                                                                                                                                                                                                                                                                                                                                                                                                                                                                                                                                                                                                       5563
                                                                                                                                                                                                                                                                                                                                                                                                                                                                                                                                                                                                                                                              2564 D10   9520 D6
                                                                                                                                                      6
                                                                                                                                                          *   5502   4                                                                                                                                                     220p
                                                                                                                                                                                                                                                                                                                                                       2                  13
                                                                                                                                                                                                                                                                                                                                                                                                                                                                                                                                       BYW76
                                                                                                                                                                                                                                                                                                                                                                                                                                                                                                                                        6561
                                                                                                                                                                                                                                                                                                                                                                                                                                                                                                                                                                                                        27u
                                                                                                                                                                                                                                                                                                                                                                                                                                                                                                                                                                                                                            MainSupply                        2570 C9
                                                                                                                                                                                                                                                                                                                                                                                                                                                                                                                                                                                                                                                              2571 C8
                                                                                                                                                                                                                                                                                                                                                                                                                                                                                                                                                                                                                                                                         9560 D7
                                               L_GND                                                                                                                                                                                                                                             9520                                                                                          RES
                                                                                                                                                                                                                                                                                                                                                       3                  12
                                                                                                                                                                                                                                                                                                                                                                                                                                                                                                                                                                                                                                                              2580 B7
                                                                                                                                                                                                                                                                                                                                                                                                          1560
                                                                                                                                                                                                                                                                                                                                                                                                                                                                                                                                        *




                                                                                                                                                                                                                                                                                                                                                                                                                                                                                                                                                    2564




                                                                                                                                                                                                                                                                                                                                                                                                                                                                                                                                                                                3582

                                                                                                                                                                                                                                                                                                                                                                                                                                                                                                                                                                                              330K
                                                                                                                                                                                                                                                                                                                                                                                                                                                                                                                                                                 47u
                                                                                                                                                          1 C914     3                                                                                                                                                                                                                             T1.8AE 250V                                                                                                          2562
                                                                                                                                                                                                                                                                                                                                                                                                                                                             F542                                                                                                                                                                                             2584 C6
                                                    3501


                                                                     3M3




                                                                                                       6505                                                                                                                                                                                                                                                               11
                                                                                                                                                                                                                                                                                                                                                                                                                                             6560
                                                                                                                                                                                                                                                                                                                                                                                                                                                                                                                                                                                                                                                              2585 E6
                                                                                                                                       3510                                                                                                                                                                                                                                                                                  5560                                                                                          2n2




                                                                                                                                                                                                                                                                                                             5521
                                                                                                                                                                                                                                                                                                                                                       5                  10                              9560                                                                                                                                                                                                             Vaux/Vaudio                        3452 F11
                                                                                                 BZX384-C22
D                                                                                                                                                                                                                                                                                                                                                                                                                                                                                                                                                                                                                                                         D




                                                                                                                                                                                                                                                                                                                         2522

                                                                                                                                                                                                                                                                                                                                      470p
                                                                                                                                       DSP                                                                                                                                                                                                                                                                JUMP                                                                                                                                                                                                                                                3453 F10
                                                                                                 3507 33K                                                     3506                                                                                                                                                                                                                                                                           SB340
                                                                                                                                                                                                                                                                                                                                                       6                  9




                                                                                                                                                                                                                                                                                                                                                                                                                                                                                         2m2 16V
                                                                                                                                                                                                                                                                                                       I514                                                                                                       4560                        2560                                                                                                                                                                                                            3454 F9




                                                                                                                                                                                                                                                                                                                                                                                                                                                                       2561
                                                                                                7520                                                          330K
                                                                                                TEA1506T                                                                                                                                                                                                                                               7                  8                                       RES                                                                                                                                                                                                                                         3456 F11
                                                                                                                                                                                                                                                                                                                                                                                                                                              2n2
                                                                                  17V8                                                                                                                                                                          3527                                                                                                      AudioSupplyGnd_A                                                                                                                                                                                                                                                                    3500 C2
                                                                                 (13V8) 2       Vcc                                                                                    START-UP                       Drain    14 302V                                                                                                                                                                                                                                                                                                                                                                                                                        3501 D2
                                                                                                                          SUPPLY
                                                                                                                                                                                  CURRENT SOURCE
                                                                                                                        MANAGEMENT
                                                                                                                                                                                                                                               9515 RES
                                                                                                                                                                                                                                                                                                                                                                                                                                                                                                                                                                                                                                                              3502 C4
                                                                                                                                                                                                                                                                2K2                                                     302V
                                                                                                                                                                          VALLEY                                        8                                                                                                                                                                                                                                                                                                                                                                                                                                     3503 B4
                                                                                            3
                                                                                                                                                                                                                                                                                             *   7521
                                                                                 22u




                                                I505                                            Gnd
                                                                                                                                                                                                                       10                                                                                                                                             1509                                                                                                                                                                                                                                                                                    3504 B4
                                                                          2521




                                                                                                                                      VOLTAGE                                                                                                      5515                                                       D




                                                                                                                                                                                                                                                                                                                                                                                                                                                                                         220R
                                                                                                                                                                                                                                                                                                                                                                                                                                                                        3549
                                                                                                                                                                                                                                                                                       2V6                                                                                                                                                                                                                                                                                                                                                                    3505 C4

                                                                                                                                                                                                                                                                                                                        2523
                                                                                                                                     CONTRLLED                                                                                                                                                                S




                                                                                                                                                                                                                                                                                                                                      1n8
                                                                                                                                     OSCILLATOR                                          START-UP                    Demag                                            3522                                                                             1508           1516
                                                                                                                 FREQUENCY                                                                                                      7                                                       G                    0V                                                                                                                                                                                                                                                                                                                                               3506 D4
                                                                                                                  CONTROL                                                                                                                                                                                                                                                      DVD_Gnd
                                                                                                                                                                                     CURRENT SOURCE                             0V
                                                                                                                                                           LOGIC
                                                                                                                                                                                                                                                                      330K                                                                                                                                                                                                                                                                                                                    FOR ITV ONLY                                                    3507 D2
                                                                                                                                        OVER                                                                                                                                                     2585                                                                                                                                                                                                                                                                                                                                                         3508 B4
E                                                                                                                                   TEMPERATURE
                                                                                                                                     PROTECTIOM
                                                                                                                                                          CONTROL
                                                                                                                                                          CIRCUIT                        CURRENT
                                                                                                                                                                                                                     Sense      9
                                                                                                                                                                                                                                0V
                                                                                                                                                                                                                                               3524

                                                                                                                                                                                                                                               47K
                                                                                                                                                                                                                                                                      3525

                                                                                                                                                                                                                                                                       1K0                        1n
                                                                                                                                                                                                                                                                                                                                                                                                                                                                                                                                                                                                                                   ITV_Vbatt
                                                                                                                                                                                                                                                                                                                                                                                                                                                                                                                                                                                                                                                          E   3509 C3




                                                                                                                                                                                                                                                                                                                                                                                                                                                                                                                   BZX79-C9V1
                                                                                                                                                                                         SENSING                                                                                                                                                                                                                                                                                                                                                                                                                                                              3510 D3
                                                                                                                                                                                                                                                                                                                                                  1N4148
                                                                                                                                                                                                                                               2524
                                                                                                                                                                                                                                                                                                              3526




                                                                                                                                                                                                                                                                                                                                                                                                                                                                        3542




                                                                                                                                                                                                                                                                                                                                                                                                                                                                                                                                                 3543
                                                                                                                                                                                                                                                                                             I533
                                                                                                                                                                                                                                                                                                                                      6521




                                                                                                                                                                                                                                                                                                                                                                                                                                                                                                    6541




                                                                                                                                                                                                                                                                                                                                                                                                                                                                                                                                                                                                      3550
                                                                                                                                                                                                                                                                                                                                                                                                                                                                                         1K5




                                                                                                                                                                                                                                                                                                                                                                                                                                                                                                                                                           82K
                                                                                                                                                                                                                                                                                                                                                                                                                                                                                                                                                                                                                                                              3519 F6




                                                                                                                                                                                                                                                                                                                                                                                                                                                                                                                                                                                                              10K
                                                                                                                                     POWER-ON                                        OUTPUT                          Driver   11                                                                                        *                                                                                                                                                                                                                                                                                                                                     3520 G2
                                                                  BYD33D




                                                                                                                                                                                                                                               100n                   3523
                                                                                                                                       RESET                                         DRIVER
                                                     6520



                                                                   2526




                                                                                                              INPUT                                                                                                           2V6
                                                                                 1n0




                                                                                     1V3 6      Ctrl
                                                                                                             CONTROL                                                                                                                                                                                                                                                                                                                                                                                                                                                                                                                                          3521 F2
                                                                                                              CIRCUIT                                                                                                                                                                             RES                                                                                                                                                                                                                                                                                                                                                         3522 E5
                                                                                                                                                                                                                                                                      *




                                                                                                                                                       MAXIMUM
                                                    2V9                                                                                                                                   OVER
                                                                                                                                                                                                                                                                                                                                                                                                                                                                                                                                                                                                                                                              3523 E5
                                                                                                                                                                                                                                                       2525

                                                                                                                                                                                                                                                               470p




                                                                                                              BURST                                    ON-TIME
                                                                                                                                                                                         POWER                                                                                                                                                                                                                                                                                     6V2
                                     7523




                                                                                                                                                                                                                                                                                                                                                                                                                                                                BZX79-B6V8
                                                                                                             DETECTOR                                 PROTECTION
                                     BC857B                                                                                                                                            PROTECTION
                                                                                                                                                                                                                                                                                                                                                                                                                                                                                                                                                                                                                    3546                 PW_ADJ
                                                                                                                                                                                                                                                                                                                                                                                                                                                                                                                                                                                                                                                              3524 E5




                                                                                                                                                                                                                                                                                                                                                                                                                                                      6540
                                                                                                                                                                                                                                                                                                                     7522                                                                                                                                                                                  6V8                                                                                                                                                3525 E5
                               4V6
                                                       3521

                                                                    RES




                                                                                                                                                                                                                                                                                                                     PDTC143ZT                                                                                                                                                                                                                                                                                      6K8                              A4
                                                                                                                                                                                                                                                                                                                                        7515                                                                                                                                                                                                                                                                                                                  3526 E6
                                                                                                                                                                                                                                                                                                                                                                                                                                                                      7540                                                                                                                                          2452                                      3527 D5




                                                                                                                                                                                                                                                                                                                                                                                                                                                                                                                                3544
                                                                                                                                                                                                                                                                                                                                 TCET1103(G)




                                                                                                                                                                                                                                                                                                                                                                                                                                                                                                            3548




                                                                                                                                                                                                                                                                                                                                                                                                                                                                                                                                         3547
                                                                                                                                                                                                                                                                                                                                                                                                                                                                                                                                                           7451




                                                                                                                                                                                                                                                                                                                                                                                                                                                                                                                                         6K8
                                                                                                                                                                                                                                                                                                                                                                                                                                                                                                                                15K
F                                    2527
                                               0V                                                                                                                                                                                                                                    3581                   6522
                                                                                                                                                                                                                                                                                                                                     22V6 4                       1 9V3
                                                                                                                                                                                                                                                                                                                                                                                                                                                                  7V7 BC547B                                                                     *         BC857B                                                    82n                                  F   3528 F1
                                         56p                                                                                                                                                                                                                                         1K0                   BYD33D                                                                                                                                                                           2540                                                                                                                    3452                       EHT            3541 F8
                                                                                                                                                                                                                                                                                                            2543                                                                                                                                                                                                                                                                                                                                              3542 E9
                      3528

                               10K




                                                                                                                                                                                                                                                                                                                                                                                                                                                                                                                                                                                                                    820K                             A2
                                                                                                                                                                                                                                                                                                                                                                                                                                                                                              15n                                                                                                                                                             3543 E10
                                                                                                                                                                                                                                                                                                            1n0                                             3     2                                               3541                                                                                                                                                                               2453                  3456                               3544 F9




                                                                                                                                                                                                                                                                                                                                                                                                                                                                                                                                                                                       100K
                                                                                                                                                                                                                                                                                                                                                                       8V3




                                                                                                                                                                                                                                                                                                                                                                                                                                                                                                                                                                         3453
                                                                                                                                                                                                                                                                                        3519                                                                                                                                                                                                                                             3454                                                                                                                 3545 G8
                                                                                                                                                                                                                                                                                                                                                                                                                  470R                                                                                                                                                                               4n7                   47K
                                                                                                                                                                                                                                                                                                                                                  4V9                                                                                 7541                                                                                                                                                                                                                    3546 F11
                                                                                                                                                                                                                                                                                         3K3                                                                                                                      3545                                                                                                                    10K
                                                                                                                                                                                                                                                                                                                                                                                 2542

                                                                                                                                                                                                                                                                                                                                                                                            470n
                                                                                                                                                                                                                                                                                                                                      22u 50V




                                                                                                                                                                                                                                                                                                                                                                                                                                      PDTC114ET                                                                                                                                                                                                               3547 F9
                                                                                 3520


                                                                                         2520




                                                                                                                                                                                                                                                                                                                         2528
                                                                                         1K2



                                                                                                       10n




                                                                                                                                                                                                                                                                                                                                                                                                                  2K2          3V3                                                                                                                                                                                                   +3V3B                    3548 F9
                                                                                                                                                                                                                                                                                                                                                                                                                                                3V3
                                                                                                                                                                                                                                                                                                                                                                                                                                                                                                                                                                                                                                                              3549 E9
                                                                                                                                                                                                                                                                                                                                                                                                                                                                                                                                                                                                                                                              3550 E10




                                                                                                                                                                                                                                                                                                                                                                                                                                                                       2541

                                                                                                                                                                                                                                                                                                                                                                                                                                                                                         10n
        "$"   FOR MAINS 120V AC 170V (177V)
                                                                                                                                                                          9509                                                                                                                                                                                                                                                        3V3                                                                                                                                                                                                                     3580 A7
                          220V AC 309V (317V)                                                                                                                                                                                                                                                                                                        HOT               COLD                                                                                                                                                                                                                                                          Std_Con
G      ..V.. Normal Operation in " SERVICE MODE "                                                                                                                         5509
                                                                                                                                                                                                                                                                                                                                                                                                                                                                                                                                                                                                                                                     A4
                                                                                                                                                                                                                                                                                                                                                                                                                                                                                                                                                                                                                                                          G   3581 F6
      (..V..) Standy Mode                                                                                                                                                                                                                                                                                                                                                                                                                                                                                                                                                                                                                                     3582 D10
                                                                                                                                                                                                                                                                                                                                                                                                                                                                                                                                                                                                                                                              4560 D8
              HOT GROUND                                                                                                                                                                                                                                                                                                                                                                                                                                                                                                                                                                                                                                      5500 B4
                                                                                                                                                                                                                                                                                                                                                                                                                                                                                                                                                                                                                                                              5501 C4
              COLD GROUND
                                                                                                                                                                                                                                                                                                                                                                                                                                                                                                                                                                                                                                                              5502 D4
                                                                                                                                                                                                                                                                                                                                                                                                                                                                                                                                                                                                                                                              5506 C7
                                                                                                                                                                                                                                                                                                                                                                                                                                                                                                                                                                                                                                 CL 36532044_001.eps
      3139 123 5596.1                                                                                                                                                                                                                                                                                                                                                                                                                                                                                                                                                                                                                        200603
                                                                                                                                                                                                                                                                                                                                                                                                                                                                                                                                                                                                                                                              5509 G4
                                                                                                                                                                                                                                                                                                                                                                                                                                                                                                                                                                                                                                                              5515 E5

                     1                                                               2                                                      3                                        4                                                         5                                                  6                                                                       7                                                         8                                                                      9                                                             10                                                          11
L03.1L AA      25



    Mono Painel: Deflexão
                                      1                                                          2                                                                 3                                                                    4                                                                                         5                                                           6                                   7                                                                          8                                                     9                                    10                                 0221 B4   6452 C8
                                                                                                                                                                                                                                                                                                                                                                                                                                                                                                                                                                                                                                           0222 F6   6453 C8
                                                                                                                                                                                                                                                                                                                                                                                                                                                                                                                                                                                                                                           1462 F6   6460 E3
                 DEFLEXÃO                                                                                                                                                                                                                                                                                                                                                                                                          Region
                                                                                                                                                                                                                                                                                                                                                                                                                                                                        14"             15RF
                                                                                                                                                                                                                                                                                                                                                                                                                                                                                                        LATAM
                                                                                                                                                                                                                                                                                                                                                                                                                                                                                                                     20"                  21"FSQ
                                                                                                                                                                                                                                                                                                                                                                                                                                                                                                                                                                         Region
                                                                                                                                                                                                                                                                                                                                                                                                                                                                                                                                                                         Size       14"          15RF
                                                                                                                                                                                                                                                                                                                                                                                                                                                                                                                                                                                                        LATAM
                                                                                                                                                                                                                                                                                                                                                                                                                                                                                                                                                                                                                20"        21"FSQ
                                                                                                                                                                                                                                                                                                                                                                                                                                                                                                                                                                                                                                           1463 E7
                                                                                                                                                                                                                                                                                                                                                                                                                                                                                                                                                                                                                                           2405 D3
                                                                                                                                                                                                                                                                                                                                                                                                                                                                                                                                                                                                                                                     6461 E5
                                                                                                                                                                                                                                                                                                                                                                                                                                                                                                                                                                                                                                                     6462 E5
                                                                                                                                                                                                                                                                                                                                                                                                                                   Size
                                                                                                                                                                                                                                                                                                                                                                                                                                   Tube                                 LPD             CPT                          LPD                  LPD                            Tube       LPD          CPT            LPD        LPD             2406 D4   6463 E5
                       Line Deflection                                                                                                                                                                                                                                                                                                                                                                                                                          LINE DEFLECTION                                                                                                     LINE DEFLECTION
                                                                                                                                                                                                                                                                                                                                                                                                                                                                                                                                                                                                                                           2407 C4
                                                                                                                                                                                                                                                                                                                                                                                                                                                                                                                                                                                                                                           2408 D4
                                                                                                                                                                                                                                                                                                                                                                                                                                                                                                                                                                                                                                                     6464 E3
                                                                                                                                                                                                                                                                                                                                                                                                                                                                                                                                                                                                                                                     7421 A3
                                                                                                                                                                                                                                                                                                                                                                                                                                                               -        360n/250V       -             -                                                                   3473       4R7          2R2           3R3        3R3
                                                                                                                                                                                                                                                                                                                                                                                                                                   2406                                                                                                                                                                                                    2420 B2   7422 B2
             Hflybk                                                                                                                           3422                                                                                                                                                                                                                                                                                 2408                    560n/250V         -      680n/250V    560n/250V                                                                3474       4R7          3R9           3R9        3R3
                                                                                                                                                                                    94V4
                                                                                                                                                                                                                                                                                                                                                                                                                                   2423                    13n/1K6V     13n/1K6V
                                                                                                                                                                                                                                                                                                                                                                                                                                                                                                                                                                                                                                           2421 B2   7423 C2
        A4                                                                                                                                                                                                                                                                                                                                                                                                                                                                          15n/1K6V     15n/1K6V
                                                                                                                                                                                                                                                                                                                                                                                                                                                                                                                                                                                                                                           2423 A4   7440 C8
A                                                                                                                                             330K
                                                                                                                                                                                                                                                                                                                            LOT
                                                                                                                                                                                                                                                                                                                                                                                                                                   2424                     1n/2KV           -       1n5/2KV       1n/2Kv                                                                                                                              A




                                                                                                                                                                                                        BYD33M
                                                                                                                                                                                                                                                                                                                                                                                                                                                                                                                                                                                                                                           2424 A4   7461 F2




                                                                                                                                                                                                                    BYW76
                                                                                                                                                                                                                                                                                                                                                                                                                                   2441                       22n           15n         15n          33n




                                                                                                                                                                                          6422


                                                                                                                                                                                                         6421


                                                                                                                                                                                                                     2423


                                                                                                                                                                                                                                   2424

                                                                                                                                                                                                                                                     820p
                                                                                                                                                       0V3




                                                                                                                                                                                                                                   10n
                                                                                                                                                                                                                                                                                                                                                                                                                                   2452                        -            10n         22n         100n                                                                                                                                   2426 B1   7462 F2
                                                                                                                                                                                                                                                                                                                            5441                                                                                                   2453                        -             -          2n2            -
                                                                                                                                                                                                                                                                                                                            1142
                                                                                                                                                                                                                                                                                                                                                                                                                                                                                                                                                                                                                                           2427 B1   7463 F3
                                                                                                                                                                                                                                                                                                                                                                                                                                   2457                        -             -            -      470p/500V
                                                                                                                                              F425          7421                                                                                                                                                                                                                                                                   3402                        -       NFR25H 2K2                                                                                                                                                          2428 C1   7464 E4
                                                                                                                                                                                                                                                                                                                                                                                                                                                                                          -     NFR25H 2K2
                                                                                                                                                        BUT11APX                                                                                                                                                                                      EHT                   TO PICTURE TUBE                                        3441                       47K          10K                                                                                                                                                             2429 B1   7465 F4
                      -12V             3424                                                                                                                                                                                                                                                                                                                                                                                                                                            10K           56K
                                                                                                                                                                                                                                                                                                                                                                                                                                   3442                      150K          150K        150K         100K                                                                                                                                   2441 C9   7466 F3
                                       22R                                            2420                        2421                                                                                                                                                                                                                                                                                                             3447                      220K         100K        100K          220K                                                                                                                                   2444 D8   9402 D4
                                                                                                                                                                   3426                                                                                                                                                                               FOCUS                                                                        3451                      680R          8K2         1K8           8K2                                                                                                                                   2446 D8   9407 C4
                         2471




                                               2429

                                                       220n
                                RES




                                                                                                                  100n                                                                                                                                                                                                                                                                                                             3455                      470R          2K2         2K2           2K2
                                                                                      100n                                                                                                                                                                                                                                                                                                                                                                                                                                                                                                                                                 2447 D7   9445 B6
                                                                                                                                                                   47R                                                                                                                                                                                VG2                     TO CRT PANEL                                         3456                        -             -         47K            -
                                                                                                                                                                                                                                                                                                                                                                                                                                   3460                      100K          47K         47K           47K                                                                                                                                   2455 C8   9446 E6
                                                                                                                                                                                                                                                                                                                                                                                                                                   3646                       1M             -          1M            -                                                                                                                                    2457 D7   9448 D6
                                                                             BAS316
                                                      2426


                                                                     6426




B                                                                                                                                                                                                                                                                                                                                                                                                                                  5401                   68u/LHL08          -      33u/LHL08         -
                                                                                                                                                                                                                                                                                                                                                                                                                                                                                                                                                                                                                                       B
                                                              1n




                                                                                                  0V                                                                                                                                     F407                                                                                                  8                                                                                   5402                        -         00425/82u                00511/33u                                                                                                                                2460 E5   9505 F8
                                                                                                                                                                                                                                                                                                                                                                                                                                                                                          -
                                                                                                                                                                                                                                                                                                                                                                                                                                                                                                                                                                                                                                           2461 E1
                                                                                                                           3428
                                                                                                                                                                                                                                                                                                                                                                                                                                   5441                  JF0501-19255 JF0501-19255 JF0501-19255 JF0501-19276



                                                                                                                                       68R
                                                                                                   7422                                                                                          HORIZONTAL
        HDRIVE                         2427                                                                                                                                                                                                                                                                             1                      6
                                                                            3V3                    BC817-25                                                                                      DEFLECTION                                                                                                                                                                                                                                                                                                                                                                                                                                2462 E3




                                                                                                                                                                                                                                                                                                                                                                            9445 RES
        A4                                                                                                                                                                                       COIL       0221                                                                                                                                                                                                                                                                                                                                                                                  VTSupply                                 2463 E3
                                       100n                                                                                                          5421                                                    VH                                                                                                                                                                                                                                                                          3449                              3450




                                                                                                                                                                                                                                                                                                                                                                                       3445
                                                                                                                                              3                     6                                                                                                                                                                                                                                                                                                                                                                                                                                                                      2464 F3




                                                                                                                                                                                                                                                                                                                                                                                                  1R
                                                                                                   0V                                                                                                                                    1                                                                                                     9
                                                                                                                                                                                                                                                                                                                                                                                                                                                                                          33K                3447          33K                                                                                EHTO                         2465 E5
                                                                                                                                                                                                                                                                                                                                                                                                                                                                                                                                                                                                                                           2470 F5
                                                                                         3432




                                                                                                        7423                                                                                                                             4                                                                                                                                                                                                                                                                                                                                                                            A4
                                                                                                       1K




                                                                                                                                                                                                                                                                                                                                                                                                                                                                                                             100K                                                                                             EHT
                                                                                                        BC807-25                              1                     5                                                                                                                                                                          10                                                                                                                                                                                                                                                                                          2471 B1
                                                                                                                3V3                               PSD10-204B                                                                                                                                                                                                                                                                                                                                                 7440                                                                                                     A1                   2472 G4
         Filament                     6423                                  3430        5V4                                                                                                                                                                                                                                                                                                                                                                                                                                                                   2441 33n
                                                                                                                                                                                                                                                                                                                        7                                                                                                                                                                                    BF423
                                                                                                                                                                                                                                                                                                                                               3
                                                                                                                                                                                                                                                                                                                                                                                                                                                                                                                                                                                                                                           2473 C7




                                                                                                                                                                                                                                                                                                                                                                                                                                                                                                                                   3451
        A2                                                                                                                                                                                                                                                                                                                                                                                                                                                                                                                 RES




                                                                                                                                                                                                                                                                                                                                                                                                                                                                                                                                           8K2
                                                                            1K0                                                                                                                                                                                                                                                                                                                                                                                                                                                                                                                                                            3402 D4
                                      1N4004




                                                                                                                                                                                                                                                                                                                                                                                                                                                         120K
                                                                                                                                                                                                                                                                                                                                                                                                                                      3442 BAS316 3441
                      Vaudio           3425                                                                                                                                                                                                                                                                                                                                                                                                                                                                                                                                                                                                3403 D3
C                                      82R
                                                                                                                  5V7                                                                                                                                                                                                   2                                                                                                                                                                                                                             6451               3455                                 Beam_Limit
                                                                                                                                                                                                                                                                                                                                                                                                                                                                                                                                                                                                                                       C   3422 A3




                                                                                                                                                                                                                                                                                                                                                                                                                    2473

                                                                                                                                                                                                                                                                                                                                                                                                                            470p
                                                                                                                                                                                                                                                                                                                                                                                                                            6445
                                                                                                                                                                                                                                                                                                                                                                                                                                                                                                                                                     BAS316              2K2                                          A4                   3424 A1
                                                                                                                                                                                                                                                                                                                                               4
                                                      2428

                                                               47u




                                                                                                                                                                                                                                                                                                                                                                                                                                                                                                                                           10u 16V
                                                                                                                                                                                                                                                                                                                                                                                                                                                                                                                                                                                                                                           3425 C1




                                                                                                                                                                                                                                                                                                                                                                                                                                                                                   BZX79-C33
                                                                                                                                                                                                                 9407




                                                                                                                                                                                                                                                                                                                                                                                                                                                                                                                                   2455
                                                                                                                                                                                                                                                                                                                                                                                                                                                                                                                                                                                                                                           3426 B3




                                                                                                                                                                                                                                                                                                                                                                                                                                                                         150K
                                                                                                                                                                                                                                                                                                                                                                                                                                                                 3459


                                                                                                                                                                                                                                                                                                                                                                                                                                                                         6453


                                                                                                                                                                                                                                                                                                                                                                                                                                                                                     3440


                                                                                                                                                                                                                                                                                                                                                                                                                                                                                                  3439
                                                                                                                                                                                                                                                                                                                                                                                                                                                         120K




                                                                                                                                                                                                                                                                                                                                                                                                                                                                                                                 3R3
                                                                                                                                                                                                                                                                                                                                                                                                                                                                                                  33K
                                                                                                                                                                                                                 2407                                                                                                                                                                                                                                                                                                                                                                         MainSupplyGND
                                                                                                                                                                                                                                                                                                                                                                                                       3443                                                                                                                                                                                                                                3428 B2
                                                                                      F422                                                                                                                                                                                                                                                                                                                                                                                                                                 6452                       3460                        F446                                                     3430 C2
                                                                                                                                                                                                                 100p



                                                                                                                                                                                                                                       2406

                                                                                                                                                                                                                                                      470n

                                                                                                                                                                                                                                                                   2408
                                                                                                                                                                                    3403                                                                                                                                                                                                                                                                                                                                                                                                                                                   3432 C2




                                                                                                                                                                                                                                                                                 12n
                 MainSupply                                                                                                                                                                                      6407                                                                                                                                                                                                   6444                                                                                           BAS316                         100K                                                    FILAMENT
                                                                                                                                                                                                                                                                                                                                               5                                                        1R                                                                                                                                                                                                                                 3439 C8
                                                                                                                                                                                                                                                                                                                                                                                                       3444                                                                                                                                                                                                           A4
                                                                                                                                                                                                                 BAV21                                                                                                                                                                                             EGP20DL                                                                                                                                                                                                                 3440 C8
                                                                                                                                                                                     1K
                                                                                                                                                                                                                  6408                                                                                                                                                                                                                                                                                                                                                            F448                                                     3441 C7
                                                                                                                                                            2405


                                                                                                                                                                          47u




                                                                                                                                                                                                                                                                                                                                                                                                        1R                 6446                                                                                                                                                                     -12V                                   3442 C7
                                                                                                                                                                                                                 BAV21



                                                                                                                                                                                                                                                                            3402
                                                                                                                                                                                                                                                                                                                                                                                                                                                                                                                                                                                                                                           3443 C6




                                                                                                                                                                                                                                                                                              2K2
D                                                                                                                                                                                   4405
                                                                                                                                                                                                                                                                                                                                                                                                                        RGP10D
                                                                                                                                                                                                                                                                                                                                                                                                                                                                                                                                                                                                                                       D   3444 D6
                                                                                                                                                                                                                                                                                                                                                                                                       9448 RES                                                                                                                                                                                    160VD
                                                                                                                                                                                                                                                                                                                                                                                                                         6447                                                                                                                                                                                                              3445 B6
                                                                                                                                                                                                                                                                                                                                                                                                         3448
                                                                                                                                                                                                                                                                                                                                                                                                                                                                                                                                                                                                                                           3446 D6
                                                                                                                                                                                                                                                                                                                                                                                                                        RGP10D                                                                                                                                                                                                             3447 B8
                                                                                                                                                                                                                            9402 RES



                                                                                                                                                                                                                                                     DC12




                                                                                                                                                                                                                                                                                                                                                          9446 RES
                                                                                                                                                                                                                                       5402


                                                                                                                                                                                                                                                     5401




                                                                                                                                                                                                                                                                                                                                                                                                                                                                                 2444


                                                                                                                                                                                                                                                                                                                                                                                                                                                                                               470u
                                                                                                                                                                                                                                                                                                                                                                                                                                                                                                      2446


                                                                                                                                                                                                                                                                                                                                                                                                                                                                                                                    470u
                                                                                                                                                                                                                                                                                                                                                                                                                                                                2447
                                                                                                                                                                                                                                                                                                                                                                                                          1R                                                                                                                                                                                                                               3448 D6
                                                                                                                                                                                                                                                                          33u




                                                                                                                                                                                                                                                                                                                                                                                                                                                                          10u
                                                                                                                                                                                                                                                                                                                                                                                                                           2457                                                                                                                                                   F449




                                                                                                                                                                                                                                                                                                                                                                     3446
                                                                                                                                                                                                                                                                                                                                                                                                                                                                                                                                                                                                                                           3449 B8




                                                                                                                                                                                                                                                                                                                                                                            1R
                                                                                                                                                                                                                                                                                                                                                                                                                           470p                                                                                                                                                                                                            3450 B8
                                                                                                                                                                                                                                                                                                                                                                                                                                                                                                                                                                                                                                           3451 C8
                       Frame Deflection                                                                                                                                                                                                                                                                                                 6463                                                                                                                              1463
                                                                                                                                                                                                                                                                                                                                                                                                                                                                                                                                                                                                                                           3455 C9
                                                                                                                                                                                                                                                                                                                                                                                                                                                                                                                                                                                                                                           3459 C7
                                                                                                                                                                                                                                                                                                                                      RGP10D
        FILAMENT                                                                                                                                                                                                                                                                                                                                                                                                                                                                                                                                                                                                                           3460 C9
                                                                                                                                                                                                                            7464
E       A2                                                                                                                                                                                                                  BD135                     20V6
                                                                                                                                                                                                                                                                                                                             6462                  2460
                                                                                                                                                                                                                                                                                                                                                                                                                                                                                                                                                                                                                                       E   3461 F1
                                                                                                                                                                                                                                                                                                                                                                                                                                                                                                                                                                                                                                           3462 F1
                                                                                                                                                                                                                                                                                                                 160V




                                                                                                                                                                                    3468                                0V9                                                                                             RGP10D                     56n                                                                                                                                                                                                                                                                                     3463 E2
                                                                                                                                                                                                                                                                                                                                                   6461
                                                                                                                                                                                                                                                                                                    2465




                                                                                                                                                                                    330R                                                                                                                                                                                                                                                                                                                                                                                                                                                   3464 G2
                                                                                                                                                                                                                                                                                                                                                                                                                                                                                                                                      9505
                                                                                                                                                                         100u 50V




                                                                                                                                                                                                                                                                                                                                                                                                                                                                                                                                                                                                                                           3465 F2
                                                                                                                                                        BAS316




                                                                                                                                                                                                           BAS316




                                                                                                                                                                                                                                                                                                                 10u
                                                                                                3463




                                                                                                                                                                                                            3469




                                                                                                                                                                                                                                                                                                                                               RGP10D
                                                      2461




                                                                                                                                       2462


                                                                                                                                               6460




                                                                                                                                                                                                 6464




                                                                                                                                                                                                                                                       0V5
                                                                                                                                                                                                                      68R
                                                                                                            2K2
                                                               1n




                                                                                                                                                1n



                                                                                                                                                        2463




                                          I461                                                                                                                                                                                                                                                                                                                                                                                                                                                                                        5505                                                                                                 3466 F2
        VDrive-
                                                                                                                                                                                                                                                                                                                                                                                                                                                                                                                                                                                                                                           3468 E3
                                                                                                                                                                                                                                                                                                                                                                                                                                                                                                                                                                                                          Frame_OUT
                                                                                                                                                                                                                                                                                                                                                                                                                                                                                                                                                                                                                                           3469 E4
                                                                                                                                                                                                                                                                                                                                               3475
        A4                                                                                                         BC857B                                                                                                                                                                                                                                                                                                                                                                                                                                                                                                                  3470 F4
                                                                     7461                                                                                                                               7466                                                                                                                                   10K                                                      F407                   F422 97VDC                                        F425                                       F446                                 F448                     F449                        A4                   3471 F4
                                                                                                                         7462
                                        3461




                                                                                                              1V5                                                                                                                                                                                                                     -12V
                                               2K2




                                                                     BC857B                                                                                                                             BC847B                                                                                                                                                                                                                                                                                                                                                                                                                             3472 F4
                                                                                                                                                                                                                                                                                       220R
                                                                                                                                                                                                                                                                          3471
                                                                                                                                                                                                                                          3470




                                                                                                                                                                                                                                                                                               2470




                                                                                                                                                                                                                         0V9
                                                                                                                                                                                                                                                               2R2




                                                                                                                                                                                                                                                                                                            15n




                                                                                                                                                                                                                                                                                                                                               3476                         RES                                                                                                                                                                                                                                                            3473 G5
                                                               0V8
F                                                                                                                                      0V9             I465                                        0V6                                                                                                                                         8K2
                                                                                                                                                                                                                                                                                                                                                                                       1462
                                                                                                                                                                                                                                                                                                                                                                                                                                                                                                                                                                                                                                       F   3474 G5
                                                                                                                                                            2464                                                                                                                                                                                                                                                                                                                                                                                                                                                                           3475 F5
                                                                                        12V8                        12V2
                                                                                                                                                                                                                                                                                                                                                   F461
                                                                                                                                                                                                                                                                                                                                                                                                                                                                                                                                                                                                                                           3476 F5
                                                                                                                                                                                                                                              0V4                                                                                                                                                       100V / div DC                                                               5V / div AC                                  2V / div DC                      10V / div DC             50V / div DC
                                                                                                                                                        470p                                                                                                                                                                                                         0222                                                                                                                                                                                                                                                                  3477 G4
                                                       3462




                                                                                                                                                                                                                                                       7465                                                                                                                                                20µs/div                                                                  20µs / div                                   20µs / div                       20µs / div               20µs / div
                                                              1M




                                                                                                  3465                       3466                                                                                        0V                                                                                                                                                                                                                                                                                                                                                                                                                3478 F5
                                                                                                                                                                                                                                                                                       220R




                                                                                                                                                      12V2                                                                                             BD136
                                                                                                                                                                                                                                                                          3472




                                                                                                                                                                                                                                                                                                                                                             1
                                                                                                                                                                                                                                                                                                3478

                                                                                                                                                                                                                                                                                                           1R0




                                                                                                                                                                                                                                                                                                                                                                                                  VERTICAL                                                                                                                                                                                                                                 4405 D3
                                                                                                       1K                         1K                                                 7463                                                                                                                                                                                                         DEFLECTION
                                                                                                                                                                                                                                                                                                                                                             2                                                                                                                                                                                                                                                                             5401 D4
                                                                                                                                                                                    BC546B                                                                                                                                                                                                        COIL
                      -12V                                                                                                                                                          12V8                                                12V2                                                                                      Frame_FB                                                                                                                                                                                                                                                                                                 5402 D4
                                                                                                                                                                                                                                                                                                                                                                       VH                                                                                                                                                                                                                                                                  5421 B3
                                                                                                                                                                                                                                                                                                                                                                                                                                                                                                                                                                                                                                           5441 A5
        VDrive+                                                                                                                                                                                                                                                                                                                                                                                         F461                   I461                                              I462                                       I465                                                                                                           5505 F8
                                                                                                            3464
                                                                                                                                                                                                                                                                                                                                                                                                                                                                                                                                                                                                                                           6407 D4
G       A4
                                                                                                             2K2
                                                                                                                                                                                                                                                                                                                                                                                                                                                                                                                                                                                                                                       G   6408 D4
                                                                                                                                                                                                                                                                                                                                                                                                                                                                                                                                                                                                                                           6421 A4
                                          I462
                                                                                                                                                                                                                                                                                                                                                                                                                                                                                                                                                                                                                                           6422 A3
                                                                                                                                                                                                                                                                          3477


                                                                                                                                                                                                                                                                                       3473


                                                                                                                                                                                                                                                                                                       3474
                                                                                                                                                                                                                                              2472




                                                                                                                                                                                                                                                                                       3R3


                                                                                                                                                                                                                                                                                                       3R3


                                                                                                                                                                                                                                                                                                                            3R3
                                                                                                                                                                                                                                                             22n




                                                                                                                                                                                                                                                                                                                                                                                                                                                                                                                                                                                                                                           6423 C1
                                                                                                                                                                                                                                                                                                                                                                                                         20V / div DC             0.5V / div DC                                  0.5V / div DC                                   1V / div AC                                                                                               6426 B2
                                                                                                                                                                                                                                                                                                                                                                                                          5ms / div                 5ms / div                                      5ms / div                                      5ms / div                                                                                                6444 D7
                                                                                                                                                                                                                                                                                                                                                                                                                                                                                                                                                                                                                                           6445 C7
                                                                                                                                                                                                                                                                                                                                                                                                                                                                                                                                                                                                                 CL 36532044_002.eps       6446 D7
    3139 123 5596.1                                                                                                                                                                                                                                                                                                                                                                                                                                                                                                                                                                                                          200603        6447 D7
                                                                                                                                                                                                                                                                                                                                                                                                                                                                                                                                                                                                                                           6451 C9
                                      1                                                          2                                                                 3                                                                    4                                                                                         5                                                           6                                   7                                                                          8                                                     9                                    10
26       L03.1L AA



     Mono Painel: Tuner FI

                    1                                                  2                             3                                 4                                                     5                                         6               7                             0283 C7
                                                                                                                                                                                                                                                                                     0285 C7
                                                                                                                                                                                                                                                                                     1000 B3
                         TUNER FI                                                                                                                                                                                                                                                    1001 B6
                                                                                                                                                                                                                                                                                     1003 B1
                                                                                                                                                   +5V           VTSupply
                                                                                                                                                                                                                                                                                     2001 B2
                                                                                                                                                                                                                                                                                     2002 B3
                                                                                                                                                                                                                                                                                     2003 C3
                                                                                                                                                                                                                                                                                     2004 C3
                                                                                                                                                                                                                                                                                     2005 B5
A                                                                                                                                                                                                                                                                                A




                                                                                                                                       5002


                                                                                                                                                   9002
                                                                                                                                                          5003


                                                                                                                                                                     9282
                                                                                                                                                   RES




                                                                                                                                                                     RES
                                                                                                                                                                                                                                                                                     2006 B1
        TUNER_AGC                           3005                                                                                                                                                                                                                                     2007 B5
        A4                                                                                                                                                                                                                                                                           3001 A2
                                            100R                                                                                                                                                                               VTSupply_A
                   +5V                                                                                                                                                                                                                                                               3002 B2
                                                             3001
                                                                                                                                                                                                                                                                                     3003 B2
                                                             4K7                                                                                                                                                                                                                     3004 B2




                                                                                                                                                                                                             BZX79-C33
                                                                                                                   1000                                                                                                                                                              3005 A1




                                                                                                                                                                                      2005

                                                                                                                                                                                             220n
                                                                                                                                                                                                    6001



                                                                                                                                                                                                               2007


                                                                                                                                                                                                                         10u
                                                                                                                   UV1336         1                  7               9                                                                                                               4000 C4
                                 470u 10V




                                                                    3002




                                                                                                                                                                                                                                                                                     4001 C2
                          2006




                                               2001




                                                                                         2002


                                                                                                  100u
                                                                            22K
                                                       10n




                                                                                                                                AGC                VS        VTS
                                                                                                                                                                                                                                                                                     5001 B5
                                                                                                               2
                                                                                                                   TU                                                                                                              1001                                              5002 A4
                                                                                                                                                                                                                                   OFWG1984M                                         5003 A4
B                                                                                                              3
                                                                                                                   AS
                                                                                                                                  TUNER
                                                                                                                                                                                                              F003

                                                                                                                                                                                                                                                              VIF_1
                                                                                                                                                                                                                                                                                 B   6001 B5
                                                                                                               4                                                              11                                               1                4                                    9002 A4
                                            1003                                                                   SCL                                                   IF
             SDA                                                                  3003
                                                                                                                                                                                                                                                                      A4             9282 A4
                                                   1                                                           5
       A4                                                                                                          SDA
                                                   2                       3004   100R                                                                                             F003
                                                                                                                                                                                                                               2                5             VIF_2




                                                                                                                                                                                                     5001

                                                                                                                                                                                                            820n
       A4                                                                                                                       GND                              NC
             SCL                                                           100R                                                                                                                                                                                       A4
                                                   3
                                                                                                                     10     12    13          14     15          6        8                                                                 3
                                                                                           2003


                                                                                                  2004
                                                                                                  22p



                                                                                                         22p




                                                                                                                                                                                   200mV / div AC
                                            EH-B                                                                                                                                     20µs / div


                                                                                                                                                                                                                                                    0285

C                                                                                                                        4000
                                                                                                                                                                                                                                                                                 C
                                                                                                                                                                                                                                                    0283
                                                             4001



                                                                                                                                                                                                                                                           CL 36532044_003.eps
     3139 123 5596.1                                                                                                                                                                                                                                                   200603




                    1                                                  2                             3                                 4                                                     5                                         6               7
L03.1L AA       27



    Mono Painel: Processamento de Vídeo
                1                                                                                     2                                                                                                                3                                                                                           4                                                                                            5                                                                                          6                                                                                                     7                                                                                             8                                                                          9                                                                           10                                                              11                     0217 C10   3606 A5
                                                                                                                                                                                                                                                                                                                                                                                                                                                                                                                                                                                                                                                                                                                                                                                                                                                                                                                                                             0240 F2    3607 B6
                                                                                                                                                                                                                                                                                                                                                                                                                                                                                                                                                                                                                                                                                                                                                                                                                                                                                                                                                             1201 B2    3608 B6
             PROCESS. VÍDEO                                                                                                                                                                                                                                                                                                                                                                                                                                                                                                                                                                                                                                                                                                                                                                                                                                                                                                                                  1202 D1    3609 B7




                                                                                                                                                                                                                                                                                                                                                                                                                                                                                                                                                                                                                                                                                                                                                                                                                                FILAMENT
                                                                                                                                                                                                                                                                                                                                                                                                                                                        A6
                                                                                                                                                                                                                                                                                                                                                                                                                                       A3,A5
                                                                                                                                                                                                                                                                                                                                        A4

                                                                                                                                                                                                                                                                                                                                                      A7

                                                                                                                                                                                                                                                                                                                                                                    A4




                                                                                                                                                                                                                                                                                                                                                                                                                                                                                                                                         A1
                                                                                                                                                                                                                                                                                                                                                                                                                         A3,A5
                                                                                                                                                                                                                                                                                                                                                                                                                                                                                                                                                                                                                                                                                                                                                                                                                                                                                                                                                             1621 B4    3618 A5




                                                                                                                                                                                                                                                                A5

                                                                                                                                                                                                                                                                               A5




                                                                                                                                                                                                                                                                                                                                                                                                                                                                                  A7
                                                                                                                                                                                                                                                                                                                                                                                                                                                                                  A4

                                                                                                                                                                                                                                                                                                                                                                                                                                                                                                      A4

                                                                                                                                                                                                                                                                                                                                                                                                                                                                                                               A1




                                                                                                                                                                                                                                                                                                                                                                                                                                                                                                                                         A8

                                                                                                                                                                                                                                                                                                                                                                                                                                                                                                                                         A7

                                                                                                                                                                                                                                                                                                                                                                                                                                                                                                                                                                        A8

                                                                                                                                                                                                                                                                                                                                                                                                                                                                                                                                                                                     A4
                                                                                                                                                                                                                                                                                                                                                                                                                                                                                                                                                                                     A8

                                                                                                                                                                                                                                                                                                                                                                                                                                                                                                                                                                                                                 A4
                                                                                                                                                                                                                                                                                                                                                                                                                                                                                                                                    A4 , A6




                                                                                                                                                                                                                                                                                                                                                                                                                                                                                                                                                                                                                                                                                                                                                                                                                                                                                                  A4
                                                                                                                                                                                                                                                                                                                                                                                                                                                                                                                                                                                                                                                                                                                                                                                                                                                                                            WP
                                                                                                                                                                                                                                                                                                                                                                                                                                                                                                                                                                                                                                                                                                                                  Vaudio
                                                                                                                                                                                                                                                                                                                                                                                                                                                                                                                                                                                                                                                                                                                                  (Vaux)




                                                                                                                                                                                                                                                                                                                                                                                                                                                                                                                                                                                                                                                                                                                                                                         +3V3A




                                                                                                                                                                                                                                                                                                                                                                                                                                                                                                                                                                                                                                                                                                                                                                                                                                                                                                                      +3V3
                                                                                                                                                                                                                                                                                                                                                                                                                                                                                                                                                                                                                                                                                                                                                                                                 +3V3
                                                                                                                                                                                                                                                                                                                        +8V




                                                                                                                                                                                                                                                                                                                                                                                                                                                                                                                                                                                                                                                                                                                   +8V
                                                                                                                                                                                                                                                                                                                                                                                                                                                                                                                                                                                                                                                                                                                                                                                                                                                                                                                                                             1622 E10   3619 D7




                                                                                                                                                                                                                                                                                                                                                                                                                                                                                                                                                                                                                                                                                                                                                                                                                  +5V




                                                                                                                                                                                                                                                                                                                                                                                                                                                                                                                                                                                                                                                                                                                                                                                                                                                                                     +8V
                                                                                                                                                                                                                                                                                                                                                                         +3V3
                                                                                                                                                                                                                                                                                                                                                                                                                                                                                                                                                                                                                        +5V
                                                                                                                                                                                                                                                                                                                                                                                                                                                                                                                                                                                                                                                                                                                                                                                                                                                                                                                                                             2201 A2    3620 D8
                                                                                                                                                                                                                                                                                                                                                                                                                                                                                                                                                                                                                                                                                                 F491
                                                                                                                                                                                                                                                                                                                                                                                                                                                                                                                                                                                                                                                                                                                                                                                                                                                                                                                                                             2202 A3    3621 D7




                                                                                                                                                                                                                                                                                                                                                                                                                                                                                                                                   Std_Con
                                                                                                                                                                                                                                                                                                                                                                                                                                                                                PW_ADJ




                                                                                                                                                                                                                                                                                                                                                                                                                                                                                                                                                                                                                                       VTSupply_A
                                                                                                                                                                                                                                                                                                                                              LED




                                                                                                                                                                                                                                                                                                                                                                                                                SCL




                                                                                                                                                                                                                                                                                                                                                                                                                                                                                                                                        IR
                                                                                                                                                                                                                                                           L1_IN




                                                                                                                                                                                                                                                                                                                                                             WP
                                                                                                                                                                                                                                                                           AM_FM_MONO




                                                                                                                                                                                                                                                                                                                                 POR




                                                                                                                                                                                                                                                                                                                                                                                                                                            VOLUME




                                                                                                                                                                                                                                                                                                                                                                                                                                                                                                                                 ITV_MSG
                                                                                                                                                                                                                                                                                                                                                                                                                                                                                                                               TV_BUZZER
                                                                                                                                                                                                                                                                                                                                                                                                                                                                             ITV_CLOCK
                                                                                                                                                                                                                                                                                                                                                                                                                                                                             KEYBOARD
                                                                                                                                                                                                                                                                                                                                                                                                                             SDA




                                                                                                                                                                                                                                                                                                                                                                                                                                                                                                                                                                                SEL_AV1_AV2
                                                                                                                                                                                                                                                                                                                                                                                                                                                                           RESERVED_A

                                                                                                                                                                                                                                                                                                                                                                                                                                                                           RESERVED_B
                                                                                                                                                                                                                                                                                                                                                                                                                                                                              ITV_PORT




                                                                                                                                                                                                                                                                                                                                                                                                                                                                                                                                                                                                   ITV_DATA_IN
                                                                                                                                                                                                                                                                                                                                                                                                                                                                                                                                                              STATUS2

                                                                                                                                                                                                                                                                                                                                                                                                                                                                                                                                                                              ITV_DATA_OUT
                                                                                                                                                                       3201                                                                                                                                                                                                                                                                                                                                                                                                                                                                                                                                                                                                                                                                                                                                                                                  2203 A2    3624 E9
                                                                                                                                                                                                                                                                                                                                                                                                                                                                                                                                                                                                                                                                                 7496                                                                                                                                                6V3                  7494                                                                                               2204 B2    3631 A7




                                                                                                                                                                                                                                                                                                                                                                                                                                                                                                                                                                                                                                                                                                                                                                                                                                                                                           390R
                                                                                                                                                                                                                                                                                                                                                                                                                                                                                                                                                                                                                                                                                                                                                           F492                  F493                                    F494




                                                                                                                                                                                                                                                                                                                                                                                                                                                                                                                                                                                                                                                                                                                                                                                                                                                                              3497
            ITEM #     Mono                          Stereo                                                                                                             2K7                                                                                                                                                                                                                 3601                                                                                                                                                                                                                                                                                 BD135                                                                                                                                                                    BC337-25
                                                                                                                                                                                                                                                                                         2V7                                8V                                                                                                                                                                                                                                                                                                                                                                                                                                                                                                                                                                                                                               2205 B3    3632 B7
                                                                                                                                                                                                                                                                                                                                                                                                                                                                                                                                                                                                                                                                                                                                                                                                                                                                      3496




                                                                                                                                        2201




                                                                                                                                                                                            2202

                                                                                                                                                                                                          820p
                                                                                                                                                                                                                                                                                                                                                                                                                                                                                                                                                                                                                                                                                                                                                                                                                                                           5V7




                                                                                                                                                          4n7
            2206        4n7                          100p                                                                                                                                                                                                                                                                                                                                   2K2                                                                                                                                                                                                                                                                                                                                                                                                                                                                                                                                                              2206 B4    3633 A7
                                                                                                                                                                                                                                                                                                                                                                                                                                                                                                                                                                                                                                                                                                                12V




                                                                                                                                                                                                                                                                                                                                                                                                                                           3606 10K
A                                                                                                                                                                                                                                                                                                                                                                                                                                                                                                                                                                                                                                                                                                                                                                                                                                                                                                                                                        A




                                                                                                                                                                                                                                                                                                                                                                                                                                                                      10u 16V
                                                                                                                                                                                                                                                                                                                                                                                            3602                                                                                                                                                                                                                                                                                                                                                                                                                                                                       10R                                                                                   2207 B2    3634 C8




                                                                                                                                                                                                                                                                                                                                                                                                                                                                                                                                                                                                                                                                                                                                                                                                                                                                                                                             100R
                                                                                                                                                                                                                                                                                                                                                                                                                                                                                                                                                                                                                                                                                                                                                                                                                                                                                                          3641
                                                                                                                                                                                                                                                                                                                                                                                                                                                            2604




                                                                                                                                                                                                                                                                                                                                                                                                                                                                                                                                                                                                                                                                                                                                                                                                                                                                                                   3644
                                                                                                                                                                                                                                                                                                                                                                                                                                                                                                                                                                                                                                                                                                                                                                                                                               5V




                                                                                                                                                                                                                                                                                                                                                                                                                                                                                                                                                                                                                                                                                                                                                                                                                                                                                                          4K7
                                                                                                                                                                                                                                                                                                                                                                                                                                                                                                                                                                                                                                                                                                                                                                                                                                                                      6492                                                                                   2208 C2    3641 A11




                                                                                                                                                                                                                                                                                                                                                                                                                                                                                                                                                                                                    4602




                                                                                                                                                                                                                                                                                                                                                                                                                                                                                                                                                                                                                                     3491




                                                                                                                                                                                                                                                                                                                                                                                                                                                                                                                                                                                                                                                                                                                                                                                   4491
                                                                                                                                                                                                                                                                                                                    7202




                                                                                                                                                                                                                                                                                                                                                                                                                                                                                                                                                                                                                                                            56K
                                                                                                                                                                                                                                                                                                                                                                                                                                                                                                                    2609 1n0
                                                                                                                                                                                                                                                                                                                  BC847B                                                                    2K2                                                                                                                                                                                                                                                                                                                                                                                                                                                                                                                                                              2209 C2    3642 C10




                                                                                                                                                                                                                                                                                                                                                                                                                                                                                                                                                                         100R
                                                                                                                                                                                                                                                                                                                                                                                                                                                                                  9286

                                                                                                                                                                                                                                                                                                                                                                                                                                                                                               4604




                                                                                                                                                                                                                                                                                                                                                                                                                                                                                                                                          9604


                                                                                                                                                                                                                                                                                                                                                                                                                                                                                                                                                          3631


                                                                                                                                                                                                                                                                                                                                                                                                                                                                                                                                                                         4603
                                                                                                                                                                                                                                                                                             4606




                                                                                                                                                                                                                                                                                                                                                                                                                                                                                                                                                                                                                                                                                                                                                                                                                                 470u 10V
                                                                                                                                                            3202                                                                                                                                                                                                                            3603                                                                                                                                                                                                                                                                                                                                                                                                                                                                BZX384-C5V6




                                                                                                                                                                                                                                                                                                                                                                                                                                                                                                                                                                                                                                                                                                                                                                                                         3495


                                                                                                                                                                                                                                                                                                                                                                                                                                                                                                                                                                                                                                                                                                                                                                                                                        2493
                                                                                                                                                                                                                                                                                                                                                                                                                                                                                                                                                                                                                                                                                                                                                                                                                                                                                                                                                             2210 D2    3643 B11




                                                                                                                                                                                                                                                                                                                                                                                                                                                                                                                                                                                                                                                                                                                                                                                                                        33R
              +8VD                                                                                                                                                                                                                                                                           RES                  3V4                                                                                                                                                                                                                                                                                                                                           7491
                                                                                                                                                                                                    6V7                                                                                                                                                                                                                                                                                                                                                                                                                                                                                                                                               3494




                                                                                                                                                                                                                                                               9201
                                                                                                                                                           100R                                                                                                                                                                                                                                                                                                                                                                                                                                                                                                 BC847B                8V7                                                                                                 3V3                                                                                                                                                                2211 D1    3644 A10
                                                                                                                                                                                                                                                                                                                                                                                             2K2

                                                                                                                             2203

                                                                                                                                        100n




                                                                                                                                                                                                                                                                        3203

                                                                                                                                                                                                                                                                                         1K0
                                                                                                                                                                                                                                                                                                                                                                                             3618                                                                                                                                                                                                                3633                                                                                                                                 680R                                                                                                7641                 3V3
                                                                                                                                                                                                                                                                                                                                                                                                                                                                                                                                                                                                                                                                                                                                                                                                                                                                                                                                                             2212 D2    3645 C9
                                                                                                                                                                                                                              3V3                                                                                                                                                                                                                                                                                                                                                                                                                                                                                                                                                 A1                    4V A2
                                                                                                                                                                                                                                                                                                                                                                                                                                                                                                                                                                                                                                                        9V3                                                                                                                                                                                               M24C04               8                                                                             2231 F6    3646 F2
                                                                                                                                                                                                                              7201                                                                                                                                                            2K2                                                                                                                                                                                                                1K0
                                                                                                                                                                                                                                                                                                                                                                                                                                                                                                                                                                                                                                                                                                                                                                                                                                                    1                                                                                                        2232 F6    4491 A9




                                                                                                                                                                                                                                                                                                                                                                                                                                                                                                                                                                                                                                                                                                 3493



                                                                                                                                                                                                                                                                                                                                                                                                                                                                                                                                                                                                                                                                                                               3479
                                                                                                                                                                                                                                                                                                                                                                                                                                               SDAM




                                                                                                                                                                                                                                                                                                                                                                                                                                                                                                                                                                                                                                                                                                               10R


                                                                                                                                                                                                                                                                                                                                                                                                                                                                                                                                                                                                                                                                                                                                10R
                                                                                                                                                                                                                                                                                                                                                                                                                                                                                                                                                                                                                                                                                                                                                                                                                                                                             VCC




                                                                                                                                                                                                                                                                                                                                                                                                                                               9257
                                                                                                                                                                                                                       BC847B                                                                                                                                                                                                                                                                                                                                                                                    3632                                                                                                                                   7493                                                                                               NC




                                                                                                                                                                                                                                                                                                                                                                                                                                                                          100R
                                                                                                                                                                                                                                                                                                                       I211




                                                                                                                                                                                                                                                                                                                                                                                                                                                                                                                    100K
                                                                                                                                                                                                                                                                                                                                                                                                                                                                          3607




                                                                                                                                                                                                                                                                                                                                                                                                                                                                                                       3608




                                                                                                                                                                                                                                                                                                                                                                                                                                                                                                                                                                                                                                                                                                                                                                                                                                                                                                                             2641
                                                                                                                                                                                                                                                                                                                                                                                                                                                                                                                                                                                                                                                                                      13V4                                                                                                                                                                                                                                                                   2233 F7    4602 A7




                                                                                                                                                                                                                                                                                                                                                                                                                                                                                                                                                                                                                                                                                                                                                                                                                                                                                                                 1n
             CVBS_TER_OUT                                                                           5201                                           2204                                             2V7                                                                                                                                                                                                                                                                                                                                                                                                                                                                                                                                                L78L33                                                                                      2
                                                                                                                                                                                                                                                                                                                                                                         2602                                                                                                                                                                                                                                    8K2                                                                                                                                                                      1N                                                               E1                                                                                                2481 F3    4603 A7
                                                                                                                                                                                                                                                                                                                                                                                                                                                                                                                                                                                                                                                                                                                                                      1       3                               6491




                                                                                                                                                                                                                                                                                                                                                                                                                                                                                                                                                                                                                                                                           220u 25V
       A8                                                                                            4u7                                           56p                                                                                                                                                                                                                                                                                                                                                                                                                                                                                                                                                                                                                                                                                                                                                                                                       2482 F2    4604 A6
                                                                                                                                                                                                                                                                                                                                                                                                                                                                                                                                                                                                                 3609                                                                                                                                                                                                                             3                                               5 3V3




                                                                                                                                                                                                                                                                                                                                                                                                                                                                                                                                                                                                                                     3492


                                                                                                                                                                                                                                                                                                                                                                                                                                                                                                                                                                                                                                                            2494
                                                                                                                                                                                                                                                                                                                                                                                                                                                                                                                                                                                                                                                                                                                                                       IN GND OUT                         3V3 BAV70




                                                                                                                                                                                                                                                                                                                                                                                                                                                                                                                                                                                                                                                            22K
                                                                                                                                                                                                                                                                                                                                                                                                                                                                                                                                                                                                                                                                                                                                                                                                                                                                       NVM




                                                                                                                                                                                                                                                                       10u
                                                                                                                                                   3204                                                                                                                                                                                                                  33p                                                                                                                                                                                                                                                                                                                                                                                                                                                                               E2                        SDA                                                                     2483 F2    4606 A4




                                                                                                                                                                                                                                                       2205
                                                                                                     1                  3
B                                                                                                                                                                                                                                                                                                                                                                                                                                                                                                                                                                                                                                                                                                                                                                                                                                                                                                                                                        B




                                                                                                                                                                                                                                                                                                                                                                                                                                                                                                                                                                                                                                                                                                                                                                                                        22u 25V
                                                                                                                                                                                                                                                                                                                                                                                                                                                                                                                                                                                                                 10K                                                                                                                                                2
                                                                                            I                    O                                                                                                                                                                                                                                                                                                                                                                                                                                                                                                                                                                                                                                                                                                                                6                                                                                                          2484 F2    4661 C9




                                                                                                                                                                                                                                                                                                                                                                                                                                                                                                                                                                                                                                                                                                                                                                                          2492
                                                                                                                                                                                                                                                                                                                                                                                                                                                                                                                                                                                                                                                                                                                                                                                                                                3V3
                                                                          1201                                                                          82R                                                                                                                                                                                                                                                                                                                                                                                                                                                                                                                                                                                                                                                                                                SCL

                                                                                                                                                                                                          270R
                                                                                                                                                                                            3205




                                                                                                                                                                                                                                                                                                                                                                                                                                                                                                                                                                                                                                                                                                                                                                                                                                                                                                  100R
                                                                                                                                                                                                                                                                                                                                                          1621
                                                                                                                                                                                                                                                                                                                                                                                                                                                                                                                                                                                                                                                                                                                                                                                                                                                                                                                                                             2485 F3    5201 B2




                                                                                                                                                                                                                                                                                                                                                                                                                                                                                                                                                                                                                                                                                                                                                                                                                                                                                                          3643
                                                                                                                                                                                                                                                                                                                                                                        12M
                                                                          TPS




                                                                                                                                                                                                                                                                                                                                                                                                                                           100R
                                                                          4M5




                                                                                                                                                                                                                                                                                                                                                                                                                             3605
                                                                                                     G 2                                                                                                                                                                                                                                                                                                                                                                                                                                                                                                                                                                                                                                                                                                                                          7
                                                                                                                                                                                                                                                                                                                                                                                                                                                                                                                                                                                                                                                                                                         +3V3                                                                                                                                              WC_                                                                                               2486 F3    5482 E1


                                                                                                                                                                                                                                  3206
                                                                                                                                                                                                                                                                                                                                                                                                                                                                                                                                                                                                                                                                                                                                                                                                                                                                               VSS                                             F642




                                                                                                                                                                                                                                                                       2206




                                                                                                                                                                                                                                                                                                                               2601

                                                                                                                                                                                                                                                                                                                                            470n
                                                                                                                                                                                                                                                                                                                                                                                                                                                                                                                                                                                                                                                                                                                                                                                                                                             3V3




                                                                                                                                                                                                                                                                                         4n7
                                                                                                                                                                                                                                            1K
                                                                                                                                                                                                                                                                                                                                                                                                                                                                                                                                                                                                                                                                                                                                                                                                                                                                                                                                                             2487 F4    5601 B8
                                                                                                                                                                                                                                                                                                                                                                         2603                                                                                                                                                                                                                                                                                             5601                                                                                                                                                                                 2642                         4                                               SDA
                                                                                                                                                                                                                                                                                                                                                                                                                                                                                                                                                                                                                                                                                                 5u6                                                                                                                                                                                                                                                         2488 F5    5602 C8
                                                                                                                       2207                                            3207




                                                                                                                                                                                                                                                                                                                                                                                                                             100R
                                                                                                                                                                                                                                                                                                                                                                                                                                                                                                                                                                                                                                                                                                                                                                                                                                                                                                                                                             2489 F5    5603 C8




                                                                                                                                                                                                                                                                                                                                                                                                                3604
                                                                                                                                                                                                                                                                                                                                                                         33p                                                                                                                                                                                                                                                                                              5602                                                                                                                                                                                  1n0                                                                                 A4
                                                                                                                                                                                                                                                                                                                                                                                                                                                                                                                                                                                                                                                                                                 5u6




                                                                                                                                                                                                                                                                                                                                                                                                                                                                                                                                                                                                                                                                                                                                3634
                                                                                                                                                                                                                                                                                                                                                                                                                                                                                                                                                                                                                                                                                                                                                                                                                                                                                                                                                             2490 F6    6481 G3




                                                                                                                                                                                                                                                                                                                                                                                                                                                                                                                                                                                                                                                                                                                                                1K0
              TUNER_AGC                                                                                                100n                                            390R                                                                                                                                                                                                                                                                                                                                                                                                                                                                                                                                                                                                                                                                                    3642                                                                         SCL




                                                                                                                                                                                                                                                                                                                                                                                             1V1
                                                                                                                                                                                                                                                                                                                                                                                             3V3




                                                                                                                                                                                                                                                                                                                                                                                                                                                                0V2
                                                                                                                                                                                                                                                                                                                                                                                                                                                                0V2
                                                                                                                                                                                                                                                                                                                                                                                                                                                                3V3
                                                                                                                                                                                                                                                                                                                                                                                                                                                                                                                                                                                                                                                                                                                                                                                                                                                                                                                                                             2491 E1    6491 B9




                                                                                                                                                                                                                                                                                                                                                                                                                                                                                                3V3
                                                                                                                                                                                                                                                                                                                                                                                                                                                                                                0V2
                                                                                                                                                                                                                                                                                                                                                                                                                                                                                                0V2
                                                                                                                                                                                                                                                                                                                                                                                                                                                                                                                                                                                                                                                                          5603                   5u6




                                                                                                                                                                                                                                                                                                                                                                                                                  3V3

                                                                                                                                                                                                                                                                                                                                                                                                                                 3V3




                                                                                                                                                                                                                                                                                                                                                                                                                                                                                               3V3
                                                                                                                                                                                                                                                                                                                                                                                                                                                                                                                                                                                                                                                                                                                                                                                                                                                                                                                                                    A4




                                                                                                                                                                                                                                                                                                                                                                                                                                                              0V4
       A3
                                                                                                                                                                                                                          2V3

                                                                                                                                                                                                                                     3V4

                                                                                                                                                                                                                                                2V4

                                                                                                                                                                                                                                                               2V3

                                                                                                                                                                                                                                                                              3V2

                                                                                                                                                                                                                                                                                                 3V8

                                                                                                                                                                                                                                                                                                            3V4




                                                                                                                                                                                                                                                                                                                                              1V6

                                                                                                                                                                                                                                                                                                                                                             1V6




                                                                                                                                                                                                                                                                                                                                                                                                                                                                                                                                                        3V2

                                                                                                                                                                                                                                                                                                                                                                                                                                                                                                                                                                        3V2

                                                                                                                                                                                                                                                                                                                                                                                                                                                                                                                                                                                     3V3
                                                                                                                                                                                                            1V9




                                                                                                                                                                                                                                                                                                                                                                                                                                                                                                                                                                                                                                                                                                                                                                                                                                                                                                                                                             2492 B9    6492 A10




                                                                                                                                                                                                                                                                                                                                                                                                                                               1V
                                                                                                                                                                                                                                                                                                                       0V
                                                                                                                                                                                                                                                                                                                                                                                                                                                                                                                                                                                                                                                                                                                                                                                                                                                               100R




                                                                                                                                                                                                                                                                                                                                  0V




                                                                                                                                                                                                                                                                                                                                                                         0V




                                                                                                                                                                                                                                                                                                                                                                                                                                                                                                                               0V

                                                                                                                                                                                                                                                                                                                                                                                                                                                                                                                                          0V
                                                                      2208

                                                                                        100n




                                                                                                                                                                                                                  27            37         38         31              29                28             35         44        60         55           59             58          57                  10 11                 2             3                4           5 6 7 8                           1 62 63 64                    9            12           54              56              61




                                                                                                                                                                                                                                                                                                                                                                                                                                                                                                                                                                                                                         2607 100n

                                                                                                                                                                                                                                                                                                                                                                                                                                                                                                                                                                                                                                                    2606 100n

                                                                                                                                                                                                                                                                                                                                                                                                                                                                                                                                                                                                                                                                   100n
                                                                                                                                                     7200                                                                                                                                                                                                                                                                                                                                                                                                                                                                                                                                                                                                                                                                                                                                                                                                    2493 A9    6624 E9
                                                                                                                                                   TDA93XX                                                                                                                                                                                                                                                                                                                                                                                                                                                                                                                                                                                                                                                                                                                                                                    F643
                                                                                                                                                                                                                                                                                                                                                                                                                                                                                                                                                                                                                                                                                                                                                                                                                                                                 0217                                                                                        2494 B7    6625 D10




                                                                                                                                                                                                                                                                                                                                                                                                                                                                                                                                                                                                                                                                                                        2608

                                                                                                                                                                                                                                                                                                                                                                                                                                                                                                                                                                                                                                                                                                                   1u
                                                                                                                                                                                                                                                                                                                                                                                                                                                                                                                                                                                                                                                                                                                                                                                                                                                                        1                                                                                    2495 G1    6626 D8
C                                                                                                                                                                                                                                                                                                                                                                                                                                                                                                                                                                                                                                                                                                                                                                                                                                                                                                                                                        C




                                                                                                                                                                                                                                                                                                                                                                                                                                                                                                                                                                                                                                                                   2605
             VIF_1
                                                                                                                                                          1V9 23                                              VISION-IF                                                                                                                                                                                                                                                                                                                                                                                                                                                                                                                                                                                                                                                                                                                                      2496 G4    6627 D8
                                                                                                                                                                                                                                                                    DEEMPHASIS                                                                                                                                                                                                                                                                                                                                                                                                                                                                                                                                                                                          2
       A3    VIF_2                                                                                                                                                                                         ALIGNMT-FREE                                                                                                                                                                                                               I2C-BUS                                                                                                                                                                                                                                                                                                                                                                                                                                                                                                                2497 G5    6628 D8
                                                                                                                                                          1V9 24                                             PLL DEMOD                                      AUDIO SWITCH                                                                                                                                                                                                                                                                  1/10 PAGE
                                                                                                                                                                                                                                                                                                                                              CPU                                                                                   VST PWM-DAC                                                                                                                                                                                                                                                                                                                                                                                                                                                                                                              2498 F2    6681 E8
                                                                                                                                                                                                                                                                                                                                                                                                                                                                                                                                           MEMORY                                                                                                                                                                                                                        3V4                                                                                            3
       A3                                                            3208                                                        2209                                                                         AGC/AFC                                               VOL CONTR                                                                                                                                                              I/O PORTS                                                                                                                                                                                                                                                                                                                                   6V3                 3645                                                                                                                                              2601 B4    7200 C2
                                                                                                                                                                                                                  VIDEO AMP                                                                                                                                                                                                                                                                                                                                                                                                                                                                                                                                                                                                                                             4                                                               FILAMENT
                                                                     470R                                                        220n                                                                                                                                                                                                                                                                                                                                                                                                                                                                                                                                                                                                                                                                      1K0                                                                                                                                               2602 B5    7201 B3
                                                                                                                      470R
                                                                                                   3209




                                                                                                                                                                                                                                                                                                                                                                                                                                                                                                                                                                                                                                                                                                                                                                                                           4661                                                                                                                                              2603 B5    7202 A4
                                                                                                                                                                                                                                                                                                                                                                                                                                                                                                                                                                                                                                                                                                                                                                                                                                                                        5                                                             SANDCASTLE A2
                                                                                                                                                                                                                                                                                                                                                                                                                                                                                                                                                                                                                                                                                                                                                                                                                                                                                                                                                             2604 A5    7491 A7




                                                                                                                                                                                                                                                                                                                                                                                                                                                                                                                                                                                                                                                                                                                                                                                                                                             BZX79-C8V2
                                                                                                                                                                     4V 40                                                                                                                                                                                                                                                                                                                                                                                                                                                                                                                                                                                                 7601
                                                                                                                                                                                                                                                                     AGC CIRCUIT
                                                                                                                                                                                                                                                                                                                                                                                                                                                                                                                H                                                                                                                                                                                                                                                  6V3
                                                                                                                                                                                                                                                                                                                                                                                                                                                                                                                                                                                                                                                                                                                                                                           PDTA114ET                                                                                                                                                                A4       2605 C7    7493 B9
                                                                                                                                                                                                                                                                                                                                                                                                                                                                                                                                                                                                                                                                                                                                                                                                                                                                        6




                                                                                                                                                                                                                                                                                                                                                                                                                                                                                                                                                                                                                                                                                                                                                                                                                                 6625
                                                                                                                                                                                                                                                                                                                                                                                                                                                                                                                                                                                                                                                                                                                                                        220u 16V
                                                                                                                                                                                                           VIDEO SWITCH




                                                                                                                                                                                                                                                                                                                                                                                                                                                                                                                                                                                                                                                                                                  BAS316


                                                                                                                                                                                                                                                                                                                                                                                                                                                                                                                                                                                                                                                                                                                   BAS316


                                                                                                                                                                                                                                                                                                                                                                                                                                                                                                                                                                                                                                                                                                                                       BAS316
             SY_CVBS_IN                                                   3210                                         2210                                                                                                                                                                                                                                                                                        TELETEXT
                                                                                                                                                                                                                                                                    NARROW BAND                                                                                                                                                                                                                                                                                                                                                                                                                                                                                                                                                                                                                                                                              2606 C7    7494 A10




                                                                                                                                                                                                                                                                                                                                                                                                                                                                                                                                                                                                                                                                                       6626


                                                                                                                                                                                                                                                                                                                                                                                                                                                                                                                                                                                                                                                                                                   6627


                                                                                                                                                                                                                                                                                                                                                                                                                                                                                                                                                                                                                                                                                                                    6628


                                                                                                                                                                                                                                                                                                                                                                                                                                                                                                                                                                                                                                                                                                                                        2612
                                                                                                                                                               3V4 42                                                                                                                                                                                                                                                                                                                                                                     TXT/OSD/CC
                                                                                                                                                                                                             VIDEO IDENT.                                                                                                                           ROM/RAM                                                     CLOSED CAPTION                                                                                                                                                                                                                                                                                                                                                                                                                                          7                                                               Frame_OUT
       A8                                                                                                                                                                                                                                                                PLL                                                                                                                                                                                                                                                              DISPLAY                                                                                                                                                                                                                                                                                                                                                                                                            2607 C7    7495 G2
              C_IN                           2211                         100R                                         220n                                                                                                                                                                                                                                                                                       ACQUISITION                                                                                   V
                                                                                                                                                               1V5 43                                      VIDEO FILTERS                                            DEMODULATOR                                                                                                                                                                                                                                                                                                                                                                                                                                                                                                                                                                                                                                                                              2608 C8    7496 A8
                                                                                                                                                                                                                                                                                                                                                                                                                                                                                                                                                                                                                                                                                                                                                                                                                                                                                                                                                    A4
D      A8
                                                     1n
                                                                                                                                                                                                                                                                                                                                                                                                                                                                                                                                    R GB                                BL
                                                                                                                                                                                                                                                                                                                                                                                                                                                                                                                                                                                                                                                                                                                                                                            F604
                                                                                                                                                                                                                                                                                                                                                                                                                                                                                                                                                                                                                                                                                                                                                                                            F603                                                                                                                                                         D   2609 A6
                                                                                                                                                                                                                                                                                                                                                                                                                                                                                                                                                                                                                                                                                                                                                                                                                                                                                                                                                             2612 D8
                                                                                                                                                                                                                                                                                                                                                                                                                                                                                                                                                                                                                                                                                                                                                                                                                                                                                                                                                                        7601 D9
                                                                                                                                                                                                                                                                                                                                                                                                                                                                                                                                                                                                                                                                                                                                                                                                                                                                                                                                                                        7641 A10
                                                                                                                                                                                                                                                                                                                                                                                                                                                                                                                                                                                               R                        51 3V7 3619                                                                                                                                                                                                         RED 1                                                                                                            2615 E7    9201 A3
                                                                                                                                                                                                                                                                                                                                                                                                                                                                                                                                CONTR/BRIGHTN                                                                                                                                                                                                                                                                                                                                                                     I211                                       2616 E8    9240 G1
                     1202
                                                                                                                       2212
                                                                                                                                                             2V3 13                                                                                                                                                                                LUMA DELAY                                                                                                                                                                                                                                  G                        52 3V6 470R                                             3620                                                                                                                                                       GREEN 2
                                                                                                                                                                                                           PAL/SEC/NTSC                                             BASE-BAND                                                                                                                                                Y                                                                                                                                                                                                                                                                                                                                                                                                                                                                                                                               2641 B11   9286 A6
                                                                                                                                                                                                                                                                                                                                                                                                                                                                                                                                OSD/TXT INSERT
                                                                                                                                                                                                                                                                                                                                                      PEAKING                                                                                                                                                                                                                                                                                                                                                                                                                                                                                                                                                                                                2642 B10   9410 G5
                                                                                                                       220n                                  0V2 32                                                DECODER                                          DELAY LINE                                                                                                                                                                                                                                                                                                                 B                        53 3V6 3621                                            470R                                                                                                                                                         BLUE 3
             REFO                                                                                                                                                                                                                                                                                                                           BLACK STRETCH                                                                                                                                                                                        CCC                                                                                                                                                                                                                                                                                                                     To 1300                                                                             2643 F2    9604 A6
                                                                                                                                                                                                                                                                                                                                                                                                                                                                                                                                    WHITE-P ADJ                                                                         49 3V1 470R                                                                                                                                                                                                                        4             of CRT PANEL                                                                        3201 A3
                                                                                                                                                                                                                                                                                                                                                                                                                             U                                                                                                                                                                                                                                                                                                                                                              F605                                                                                                                                                             3202 A2
                                                                                                                                                                     0V 30                                                                                                                                                                                                                                                                                                                                                                                                                                              50 7V7                                                                                                                                                                                     3624                                    5                                                          1V / div DC
                                                                                                                                                                                                                                                                                                                                                                                                                                                                                                                                                                                                                                                                                                                                                                                                                                                                                                                       1ms / div                             3203 A4
                                                                                                                                                                     0V 41                                                    Y                                                                                                                                                                                                                                                                                                     R GB




                                                                                                                                                                                                                                                                                                                                                                                                                                                                                                                                                                                                                                                                                                                                       BAS316
                                                                                                                                                                                                                                                                                                                                                                                                                                                                                                                                                                                                                                                                                                                                                                                                                    1K0              BLK_IN                                                                                                                  3204 B2
                                                                                                                                                                                                                                                                                                                                                                                                                             V                                                                                                                                                                                                                                                                                                                                                                                                                             6




                                                                                                                                                                                                                                                                                                                                                                                                                                                                                                                                                                                                                                                                                                                         6681
                                                                                                                                                                     0V 18




                                                                                                                                                                                                                                                                                                                                                                                                                                                                                                                                                                                                                                                                                       10u 16V
                                                                                                                                                                                                                                                                                                                                                                                                                                                                                                                                                                                                                                                                                                                                                                                                                                                                                                                                                             3205 B3




                                                                                                                                                                                                                                                                                                                                                                                                                                                                                                                                                                                                                                               2615



                                                                                                                                                                                                                                                                                                                                                                                                                                                                                                                                                                                                                                                                           2616
E                                                                                                                                                                                                                                                                                                                                                                                                                                                                                                                                                                                                                                                                                                                                                                                                                                                                                                                                                        E




                                                                                                                                                                                                                                                                                                                                                                                                                                                                                                                                                                                                                                                                  1n0
                                                                                                                                                                                                                                                                                                                                                                                                                                                                                                                                                                                                                                                                                                                                                                                                                                                                                                                             160VD
              +8VD                                                                                                                                                   8V 39                                                                                                                                                                                                                                                                                                                                                                                                                                                                                                                                                                                                                                                                                 7                                                                                                 3206 B3
                                                                                                                                                                     8V 14                                  H/V SYNC SEP.                                                                                                                                                                                                                                                                                                              RGB/YUV INSERT                                                                                                                                                                                                                                                                                                                                                                                                        3207 B3
                                                                                                                                                                                                                                                                      H-DRIVE                                                                                                                                                                                                                                                                                                                                                                                                                                                                                                                                                                                                                                                           FILAMENT
                                                                                                                                                                                                                                                                                                                                                                               V-DRIVE +                                                                                                                                               RGB/YUV MATRIX                                                                                                                                                                                                                                                                                                      8
                                                        5482                                                                                                                                                                                                          2nd LOOP                                                                                                                                                                          EW GEOMETRY                                                                                                                                                                                                                                                                                    +5V                                                                                                                                                                                                   3208 C2
               +8V                                                                                                                                                   4V 19                                                                                                                                                                                                                                                                                                                                                              SATURATION                                                                                                                                                                                                                                                                                                                                                                                                  A2
                                                                                                                                                                                                                 H-OSC + PLL                                                                                                                                                  GEOMETRY                                                                                                                                                                                                                                                                                                                                                                                                                                                                                                                                                                       3209 C2
                                                          10u                                                                                                         5V 15                                                                                           H-SHIFT                                                                                                                                                                                                                                                          YUV/RGB/MATRIX                                                                                                                                                                                                                                                                                                           1622                                                                                         3210 D2
                                          470u 10V




                                                                                                                                                                                                                                                                                                                                                                                                                                                                                                                                                                                                                                                                                                                                                                                                                                                                                                                                       Frame_OUT
                                                                             2482 1u0




                                                                                                                                                                                                                                                                                                                                                                                                                                                                                                                                                                                                                                     F642                                                          F643                                                                                                            6624                                                                                                                                      3231 F7
                            2491




                                                                                                                                                                                                                                                                                                                                                                                                                                                                                                                                                                                                                                                                                                                                                                                                                  BAS316                                                                                                                            A2       3232 F8
                                                                                                                                                                                                                                                                                                                                                                                                                                                                                                                                                                                                                                                                                                                                                                                                                                                                                                                                       Beam_Limit            3233 F8
                                                                                                                                                                                                                          3V8




                                                                                                                                                                                                                                                                                                                                                                   3V9

                                                                                                                                                                                                                                                                                                                                                                                3V8

                                                                                                                                                                                                                                                                                                                                                                                             1V4

                                                                                                                                                                                                                                                                                                                                                                                                          1V3


                                                                                                                                                                                                                                                                                                                                                                                                                                 1V9




                                                                                                                                                                                                                                                                                                                                                                                                                                                                                                                                                  2V7

                                                                                                                                                                                                                                                                                                                                                                                                                                                                                                                                                                2V7
                                                                                                                                                                                                                                                                                                                                                                                                                                                                          0V




                                                                                                                                                                                                                                                                                                                                                                                                                                                                                                                                                                              4V
                                                                                                                                                                                                                                                               0V8

                                                                                                                                                                                                                                                                              3V2




                                                                                                                                                                                                                                                                                                                                                                                                                                                                                                                                    2V6
                                                                                                                                                                                                                                17                                    34                16             33                                                                25            26          22             21                   36                                        20                                                       46            47              48          45
                                                                                                                                                                                                                                                                                                 1V




                                                                                                                                                                                                    3481                                                                                                                                                                                                                                                                                                                                                                                                                                                                                                                                                                                                                                                                                                                                                     3410 G5
                                                                                                                                                                                                                                                                                                                                                                                                                                                                                                                                                                                                                                                                                                                                                                                                                                                                                                                                                    A2
                                                                                                                                                                                                                                                                                                                                                                                                                                                                                                                                                                                                                                                                                                                                                                                                                                                                                                                                                             3479 B8
                                                                                                                                                                                                                                                                                                                                                                  39K




                                                                   0240                                                                                                                              18K                                                                                                                                                                                                                                                                                                                                                                                                                                                                                                                                                                                                                                                                                                                                                     3480 F4
                                                                                                          2643 220p




                                                                                                                                                                                                                                                                                                                                                                                                                                                                                                                                             2232
                                                                                                                                                         2484 100n




                                                                                                                                                                                                                                                                                                                                                                                                                                                                                                                                                          22n
                                                                                        3646 1M0



                                                                                                                             2498 2u2




                POR                                                                                                                                                                                                                                                                                                                                                                                                                                                                                                                                                                                                                      0.5V / div DC                                                  0,5V / div DC
                                                                                                                                        2483 4u7




                                                               1
                                                                                                                                                                            2485




                                                                                                                                                                                                                       2486




                                                                                                                                                                                                                                                                       2487




                                                                                                                                                                                                                                                                                                                                      3480




                                                                                                                                                                                                                                                                                                                                                                              2488

                                                                                                                                                                                                                                                                                                                                                                                           100n




                                                                                                                                                                                                                                                                                                                                                                                                                                           2489

                                                                                                                                                                                                                                                                                                                                                                                                                                                            100n
                                                                                                                                                                                                                                                                                                                                                                                                                                                                   2490




                                                                                                                                                                                                                                                                                                                                                                                                                                                                                                                                                                                                                                                                                                                                                                                                                                                                                                                                                             3481 F3
                                                                                                                                                                                                                                                                                                                        3483




                                                                                                                                                                                                                                                                                                                                                              39K




F                                                                                                                                                                                                                                                                                                                                                                                                                                                                                                                                                                                                                                                                                                                                                                                                                                                                                                                                                        F
                                                                                                                                                                                                                                  4n7




                                                                                                                                                                                                                                                                                           2n2




                                                                                                                                                                                                                                                                                                                                                                                                                                                                                       4u7
                                                                                                                                                                                                                                                                                                                                       1M
                                                                                                                                                                                             1u




       A4 ITV_DATA_OUT                                                                                                                                                                                                                                                                                                                                                                                                                                                                                                                                                                                                                     20µs / div                                                     20µs / div
                                                                                                                                                                                                                                                                                                                                                                                                                                                                                                                                                                                                                                                                                                                                                                                                                                                                                                                                                             3482 G3
                                                                                                                                                                                                                                                                                                                                                          3484




                                                               2
                                                                                                                                                                                                                                                                                                                                                                                                                                                                                                                                2231



                                                                                                                                                                                                                                                                                                                                                                                                                                                                                                                                                         2233
                                                                                                                                                                                                                                                                                                                                                                                                                                                                                                                                                 22n



                                                                                                                                                                                                                                                                                                                                                                                                                                                                                                                                                                          22n

                                                                                                                                                                                                                                                                                                                                                                                                                                                                                                                                                                                                                                                                                                                                          3233                                                                                                                                                                                         FBL_SC1_IN            3483 F4
       A4   ITV_DATA_IN                                        3                                                                                                                                                                                                                                                                                                                                                                                                                                                                                                                                                                                                                                                                                                                                                                                                                                                                                    A8
                                                                                                                                                                                                                                                                                                                                                                                                                                                                                                                                                                                                                                                                                                                                                                                                                                                                                                                                                             3484 F5
                                                                                                                                                                                                                                                                                                                                                                                                                                                                                                                                                                                                                           3231                                                           3232                                           100R
       A4                                                                                                                                                                                                                                                                                                                                                                                                                                                                                                                                                                                                                                                                                                                                                                                                                                                                                                                                                    3485 G5
             ITV_CLOCK                                         4                                                                                                                                                         2481                                                                                                                                                                                                                                                                                                                                                                                                                                                                                                                                                                                                                                                                                                           +8V
                                                                                                                                                                                                                                                                                                                                                                                                                                                                                                                                                                                                                          560R                                                              1K0                                                                                                                                                                                                                                     B_SC1_IN_U_IN            3486 G5
       A4                                                                                                                                                                                                                                                                                                                                                                                                                                                                                                                                                                                                                                                                                                                                                                                                                                                                                                                                                    3487 G6
                                                                                                                                                                                                                         100p
                                                                                                                                                                                                                                                                                                                                                                                                                                                                                              3489
                                                                                                                                                                                                                                                                                                                                                                                                                         9410

                                                                                                                                                                                                                                                                                                                                                                                                                                    3410




                                                               5
                                                                                                                                                                                                                                                                                                                                                                                                                                                                                3487




                                                                                                                                                                                                                                                                                                                                                                                                                                                                                                              10K
                                                                                                                                                                                                                                                                                                                                                                                                                                                      68K




                                                                                                                                                                                                                                                                                                                                                                                                                                                                                              33K




                                                                                                                                                                                                                         3499                                                                                                                                                                                                                                                                                                                                                                                                                                                                                                                                                                                                                                                                                                       G_SC1_IN_Y_IN A8         3488 G4
                                                                                                                                                                                                                                                                                                        100R




                                                                                                                                                                                                                                                                                                                                                                                     3485 1K0
                                                                                                                                                                                                                                                                                          3488




                                                                                                                                                                                                                                                                                                                        3490

                                                                                                                                                                                                                                                                                                                                      3K3




              ITV_PORT                                                                                                                                                                                                                                                                                                                                                                                                                                                                                                                                                                                                                                                                                                                                                                                                                                                                                                                                       3489 G6
                                                                                                                                                                                                                                                                                                                                                   2496


                                                                                                                                                                                                                                                                                                                                                                 2497




                                                                                                                                                                                                                                                                                                                                                                                                       3486




                                                               6
                                                                                                                                                                                                                                                                                                                                                                                                                       1K0
                                                                                                                                                                                                                                                                                                                                                                 1n0


                                                                                                                                                                                                                                                                                                                                                                                        1n0




                                                                                                                                                                                                                          27K                                                                                                                                                                                                                                                                                                                                                                                                                                                                                                                                                                                                                                                                                                       R_SC1_IN_V_IN A8
       A4                                                                                                                                                                                                                                                                                                                                                                                                                                                                                                                                                                                                                                                                                                                                                                                                                                                                                                                                                    3490 G4
                                                                                                                                                                                   BAS316




             TV_BUZZER
                                     9240
                                                                                                                                                                     6481




                                                                                                                                                                                                   3498




                                                                                                                                                                                                                                                        3482




                                                                                                                                                                                                                                                                                                                                                                                                                                                                                                                                                                                                                                                                                                                                                                                                                                                                                                                                                             3491 A7
                                                                                                                                                                                                                 10K




                                                                                                                                                                                                                                                                       3K3




                                                                                                                                                                                                                                                                                                                                                                                                                                                                                                                                                                                                                                                                                                                                                                                                                                                                                                                                                    A8
       A4                                                           EH-B
                                                                                                                                                                                                                                                                                                                                                                                                                                                                                                                                                                                                                                                                                                                                                                                                                                                                                                                                                             3492 B7
G             Vaux                                                                                                                                                                                                                                                                                                                                                                                                                                                                                                             F481                                                           F491                                                                  F492                                                 F493                                                    F494                                           F603                                          F604                                           F605
                                                                                                                                                                                                                                                                                                                                                                                                                                                                                                                                                                                                                                                                                                                                                                                                                                                                                                                                                         G   3493 B8
                                                                                                                                                                                                                                                                                                                                                                                                                                                                                                                                                                                                                                                                                                                                                                                                                                                                                                                                                             3494 A8
              +5VS                                                                                                                                                                                                                                                                                          F481
                                           OUT GND IN                                                                                                                                                                                                                                                                                                                                                                                                                                                                                                                                                                                                                                                                                                                                                                                                                                                                                                        3495 A9
                                                                                                                                                                                                                                                       SANDCASTLE




                                                                                                                                                                                                                                                                                                                                                                                                                                                                                                                                                                                                                                                                                                                                                                                                                                                                                                                                                             3496 A10
                                                     22u 25V




                                                                     7495
                                   2495




                                                                                                                                                                                                                                                                                                                                                                                                   A2 VDrive+
                                                                                                                                                                        +8V




                                                                                                                                                                                                                                                                                                                                                                                                                                                                                                                                                                                                                                                                                                                                                                                                                                                                                                                                                             3497 A10
                                                                                                                                               Hflybk




                                                                                                                                                                                                                                                                                                                                                                                         VDrive-




                                                                                                                                                                                                                                                                                                                                                                                                                                                                                       +8VD
                                                                                                                                                                                                                                                                                                                               +3V3




                                                                    LE50CZ
                                                                                                                                                                                                                                                                                        HDRIVE




                                                                                                                                                                                                                                                                                                                                                                                                                             EHTO




                                                                                                                                                                                                                                                                                                                                                                                                                                                                                                                                                                                                                                                                                                                                                                                                                                                                                                                                                             3498 G3
                                                                                                                                                                                                                                                                                                                                                                                                                                                                                                                               0,5V / div DC                                                       2V / div DC                                                            2V / div DC                                       2V / div DC                                           2V / div DC                                       1V / div DC                                  1V / div DC                                        1V / div DC              3499 G3
                                                                                                                                                                                                                                                                                                                                                                                                                                                                                                                                 20µs / div                                                         20µs / div                                                            20µms / div                                        20µs / div                                            20µs / div                                        20µs / div                                   20µs / div                                         20µs / div              3601 A5
                                                                                                                                                                                                                                                                                                       A2




                                                                                                                                                                                                                                                                                                                                                                                                                   A2


                                                                                                                                                                                                                                                                                                                                                                                                                                       A2
                                                                                                                                                                 A2




                                                                                                                                                                                                                                                                      A4




       FOR ITV ONLY
                                                                                                                                                                                                                                                                                                                                                                                                                                                                                                                                                                                                                                                                                                                                                                                                                                                                                                                                                             3602 A5
                                                                                                                                                                                                                                                                                                                                                                                                                                                                                                                                                                                                                                                                                                                                                                                                                                                                                                                              CL 36532044_004.eps            3603 A5
    3139 123 5596.1                                                                                                                                                                                                                                                                                                                                                                                                                                                                                                                                                                                                                                                                                                                                                                                                                                                                                                                       200603             3604 B5
                                                                                                                                                                                                                                                                                                                                                                                                                                                                                                                                                                                                                                                                                                                                                                                                                                                                                                                                                             3605 B5

                1                                                                                     2                                                                                                                3                                                                                           4                                                                                            5                                                                                          6                                                                                                     7                                                                                             8                                                                          9                                                                           10                                                              11
28           L03.1L AA




     Mono Painel: Processamento de Áudio (Stereo + SAP)
                                                                                                                                                                                                                                                                                                                                                                                                                                            1821 A1
                    1                               2                                                   3                                              4                                    5                                           6                                                7                                       8                                9                     10                              11                  2821 A4
                                                                                                                                                                                                                                                                                                                                                                                                                                            2822 B4
                                                                                                                                                                                                                                                                                                                                                                                                                                            2823 D2
                       PROCESS. ÁUDIO (STEREO + SAP )                                                                                                                                                                                                                                                                                                                                                                                       2824 D3
                                                                                                                                                                                                                                                                                                                                                                                                                                            2825 B4
                                                                                                                                                                                                                                                                                                                                                                                                                                            2826 A4
                                                                                                                                      5821                                                                                                                                                                                                                                                                                                  2827 B5
                         +8V                                                                                                                                                                                                                                                                                                                                                                                                                2828 E3
                                                                                                                                      10u
                                                                                                                                                                                                                                                                                                                                                                                                                                            2829 E3




                                                                                                                                                2821


                                                                                                                                                           2862

                                                                                                                                                                    220p
                                                                                                                                                          100u
                                                                                                                                                                                                                                                                                                                                                                                                                                            2830 F7
                                                                                                                                                                                                                                                                                                                                                                                                                                            2831 E3
                                                                                                                                                                                                                                                                                                                                                                                                                                            2832 C3
 A                                                                                                                                                                          AUDIO SOUND PROCESSOR                                                                                                         SOUND MULTIPLEX DECODER
                                                                                                                                                                                                                                                                                                                                                                                                                                        A   2833 B5
                                                                             4848                                                                                                                                                                                                                                                                                                                                                           2834 A2
                        RES                                                                                                                                                                                                                                                                                                                                                                                                                 2835 C3
                          1821                                                                                                                                             2826
                                 1          2834                                                                                                                                                                                                                                                                                                                                                                                            2836 C3
                                                                             4847
                                                                                                                                                                           15n                                                                                                                                                                                                                                                              2837 B2
                                              10u
                                 2                                                                                                                                                                 2833
                                                                                                                                                                                                                                                                                                                                                                                                                                            2838 E7
                                                                                                                                                                                                                                                                                                                                                                                                                                            2839 D6
                                     4849




                                                    2837

                                                           470n




                                                                                                                                                                                                    10u
                                 3




                                                                                                                                                            2825
                                                                                                                                                                                                                                                                                                                                                                                                                                            2841 C8




                                                                                                                                                                     39n
                                                                                                                                                                                                      2861
                                                                                                                                                                                                                                                                                                                                                                                                                                            2842 B10
                                                                                                                                                                                                      220p                                                                                                                                                                                            2842               R_OUT              2843 B10
                                                                                                                                                                                                                                                                                                       4821
                                                                                                                                                                                                                                                                                                                                                                                                                                   A8       2844 C8
                                                                                                                                                                                                                                                                                                                                                                                             2843     1u0                L_OUT
                                                                                                                                                                                                                                                                                                                                                                                                                                            2845 D8
 B                                                                                                                                                                                                                                                                                                     4822
                                                                                                                                                                                                                                                                                                                                                                                             1u0                          R1_IN
                                                                                                                                                                                                                                                                                                                                                                                                                                   A8   B   2846 D8
                                                                                                                                                                                   2827                                                                                                                                                                                                                                                     2847 D7
                                                                                                                                                                                                                                                                                                                                                                                                                                   A8
                                                                                                                                                                                                                                                                                                                                                                                                                          L1_IN             2848 D8
                                                           3825




                                                                                                                               2822
                                                                   2K2




                                                                                                                                      33n
                                                                                                                                                                                   33n                                                                                                                                                                                                                                                      2849 D8
                                                                                                                                                                                                                                                                                                                                                                                                                             A4 , A8
                                                                                                                                                                                                                                                                                                                                                                                                                                            2850 E8




                                                                                                                                                                                                                    4V1
                                                                                                                                           1


                                                                                                                                                       4


                                                                                                                                                                 5


                                                                                                                                                                              6




                                                                                                                                                                                                                     21




                                                                                                                                                                                                                                   23
                                                                                                                        7821                                                                                                                                                                                                                                                                                                                2851 E8
                                                                                                                                        4V1


                                                                                                                                                    4V1




                                                                                                                                                                                                                                  8V
                                                                                                                                                              4V1


                                                                                                                                                                           4V1
                                                                                                                                                                                                                                                                                                         2841
                                                                                                                        AN5891K                                                                                                                                                                                                  7841                                                                                                       2852 E8
                                                                                 2835
                                                                                                                                        PF1


                                                                                                                                                    PF2


                                                                                                                                                              PF3


                                                                                                                                                                           PF4




                                                                                                                                                                                                                    VREF




                                                                                                                                                                                                                                  VCC
                                                                                                                                                                                                                                                                                                                                 AN5829S
                                                                                                                                                                                                                                                                                                         4u7                                                                                                                                2855 C9
                                                                                 10n                                                                                                                                                                                                                     3841                                                                                                            L2_IN
                                                                                                             20         BB                                                                                                                  TD     16 2V1                                                                 1V 1                      24   2V2                                                                                2856 C9
                                                                                 2836                                                                                                                                                                                                                                             AGC      AUXL2
                                                                                                                                                                                                                                                                                                                                                                                                                                            2857 D9
                                                    3824




                                                                                                            4V1                                                                                                                                                                                                                                                                                                                    A8
                                                           2K2




                                                                                                                                                                                                                                                                                                         180K                                                    I847
                                                                               100n                     4V1 18          RT                                                                                                                                                                                                                                                                                                                  2858 E9
                                                                               4851 RES                                                                                                                                                                                                                            2V2                              23   2V2                                                              R2_IN
 C                                                                          2832                        4V1        19   RB
                                                                                                                                                                                                                                            BLD    17
                                                                                                                                                                                                                                                  3V            I836
                                                                                                                                                                                                                                                                                                                             2 AUXL1       AUXR2
                                                                                                                                                                                                                                                                                                                                                                                                                                   A8   C   2859 E9
                                                                                                                                                                                                                                                                                                                                                                                                                                            2860 E9
                                                                             10u
                                                                                                                                                                                                                                                                                                                                                    22                  2855                                           Main_OutR            2861 B5
                                                                                                        4V1        22   RIN                                                                                                             ROUT       15 4V1                                                          2V2       3 AUXR1        Rout
                                                                                                                                                                                                                                                                                                                                                           2V2                   4843
                                                                                                                                                                                     TONE     VOL                     BAL                                                                                                                                                1u      RES                                               A6       2862 A4
                                                                   3826




                                                                                                                                              AGC
                                                                                                                                                                            SURR
                                                                                                                                                                                                                                                                                                                                                                                                                                            2863 D7
                                                           2K2




                                                                                                                                                                                                                                                                                                         2844                                       21                  2856                                           Main_OutL
                                                                                                                                                                                                                    SUPER                                                                                          4 OFFCAN1                              2V2                    4844
                                                                          4850 RES                                                                                                                 VCA                                                                                                                                       Lout                                                                                           3822 D2
                                                                                                                                                                                                                     BAS                                                                                                                                                 1u                                                        A6
                                                                                                                                              AGC                                                                                                                                                      2u2 50V 2V2                                                                                                                          3823 D2
                                                                             2824
                                                                                                        4V1        3    LIN
                                                                                                                                                                                     TONE     VOL                     BAL               LOUT       12   4V1                                             2845   2V2 5                                20                           4845                                                       3824 C2
                                                                                                                                                                                                                                                                                                                     OFFCAN2                  PE                 I848
                                                                             10u                                                                                                                                                                                                                                                                                                                                                            3825 B2
                                                                                                                                                                                                                                                                                                       4u7 35V
                                                                                                                                                                                                                                                                                                                                                                                                                                            3826 C2
                                                                                                        1V1        2    AGC             LEVEL SENSE                                                                                                                                                     2846   0V6 6 WB                             19    3V3           3842                                               SDA
                                                                                                                                                                                                                                                                                                                                            SDA                                                                                             3827 E5
                                                                                                                                         CONTROL                                                                                                                                                       10u 16V
                                                                                                                                                                                                                                                                                                                     TIME
                                                                                                                                                                                                                                                                                                                                                                        100R
                                                                                                                                                                                                                                                                                                                                                                                                                                   A4
                                                                                                                                                                                                                                                                                                                                                                                                                                            3828 E5
                                                    3823




                                                                                                        0V5                                                                                                                                        10 2V1
 D                                                                                                                 24   MODE                                                                                                                BD
                                                                                                                                                                                                                                                                                                                                                                                                                                        D
                                                             2K2




                                                                                                                                                                                                                                                                                                                                                                        3843                                               SCL              3841 C8
                                                                          220K
                                                           3822




                                                                                                                                                                                                                                                                                                              5V                                    18
                                                                          2823




                                                                                                                                                                                                                                                                                                                                 7 Vcc                   3V3
                                                                                 10u




                                                                                                                                                                                                                                                                                                                                             SCL
                                                                                                        4V1        8    LT                                                                                                                                                                                                                                              100R                                                       A4       3842 D9
                                                                                                                                                                                            IIC BLOCK                                                                                                    2848                                                                                                                               3843 D9




                                                                                                                                                                                                                                                                                  2847

                                                                                                                                                                                                                                                                                         100u
                                                                                                                                                                                                                                                                                         2863

                                                                                                                                                                                                                                                                                                220p
                                                                                                        4V1        9    LB                                                                                                                  VD     11                                                           2V3              8 WB               17




                                                                                                                                                                                                                                                                 10u 16V
                                                                                                                                                                                                                                                                                                                                   DET      GND                                                                                             3852 E8




                                                                                                                                                                                                                                                         2839
                                                                                                                                                                                                                                                  2V7                                                    330n                                                                                                                               4821 B8
                                                                                                                                                                                                                            GND
                                                                                                                                                                                              SDA

                                                                                                                                                                                                       SCL




                                                                                                                                                                                                                                                                                                         2849                                                           2857   5841                                                         4822 B8
                                                                                                                                                                                                                                                                                                                     2V3 9 SPEC                     16    3V5
                                                                                                                                                                                                                                                                                                                           FIL               PLL                                                                  +5V
                                                                                                                                                                                                                                                                                                                                                                                                                                            4841 E10
                                                                                          2828

                                                                                                  10n




                                                                                                                                                                                                                                                                                                          22n                                                            47n   10u
                                                                                                                                                                                              3V3

                                                                                                                                                                                              3V3
                                                                                                                                                                                              14

                                                                                                                                                                                              13




                                                                                                                                                                                                                                                                                                                                                                                                                                            4842 E10
                                                                                                                                                                                                                            7


                                                                                                                                                                                                                                                                                                         2850                                                           2858
                                                                                                                                                                                                                                                                                                                     0V7 10 SPEC           PILOT 15       3V2                                                                               4843 C10
                                                                                                                                                                                                                                                                                                                            TIME           DET
                                                                                                 2829

                                                                                                        100n
                                                                                          10u




                                                                                                                                                                                                                                                                                                          1u                                                             1u                                                                 4844 C10
                                                                                   2831




                                                                                                                                                                                                                                                            I830
                                                                                                                                                                                                                                                                                                         2851                                                           2859                                       AM_FM_MONO
                                                                                                                                                                                                                                                                                                                     2V3 11 SPEC            MPX 14        2V2                                                                               4845 D10
                                                                                                                                                                                                                                                                                                                            DET             IN                                                                                              4847 A3
 E                                                                                                                                                                                                                                                                                                       100n                                                            1u
                                                                                                                                                                                                                                                                                                                                                                                                                                   A4
                                                                                                                                                                                                                                                                                                                                                                                                                                        E
                                                                                                                                                                                                    100R
                                                                                                                                                                                            3828




                                                                                                                                                                                                                                                                                                         2852                                                           2860                                                                4848 A3
                                                                                                                                                                                                                                                                                                                     3V4 12 NOISE            SAP 13       3V2                                  4841
                                                                                                                                                                                                                                                                                                                            DET              DET                                                                                            4849 B2
                                                                                                                                                                                                                                                                                                         100n                                                           100n                                                                4850 C2
                                                                                                                                                                                                             100R
                                                                                                                                                                                                     3827




                                                                                                                                                                                                                                                                                                                                                                                                                                            4851 C3

                                                                                                                                                                                                                                                                           2838




                                                                                                                                                                                                                                                                                                                   3852
                                                                                                                                                                                                                                                                                                                                                                                               4842




                                                                                                                                                                                                                                                                                                                           2M2
                                                                                                                                                                                                                                                                                  10u
                                                                                                                                                                                                                                                                                                                                                                                                                                            5821 A4
                 SCL                                                                                                                                                                                                                                                                                                                                                                                                                        5841 D10
                                                                                                                                                                                                                                                                2830


                                                                                                                                                                                                                                                                                                                                                                                                                                            7821 B3
                                                                                                                                                                                                                                                                           10u
            A4                                                                                                                                                                                                                                                                                                                                                                                                   9821
                                                                                                                                                                                                                                                                                                                                                                                                                                            7841 C8
                 SDA                                                                                                                                                                                                                                                                                                                                                                                                                        9821 F11
            A4
                                                                                                                                                                                                                                                                                                                                                                                                      AudioSupplyGnd

 F                                                                                                                                                                                                                                                                                                                                                                                                                                      F
                                            I830                          I836                              I847                       I848
     ITEM    MONO BTSC STEREO

     4841     ---        JMP
     4842     ---        JMP
     4845    JMP          ---
                                             1V / div DC                     1V / div DC                       0.5V / div DC            0.5V / div DC
                                              1ms / div                       1ms / div                          1ms / div                1ms / div
                                                                                                                                                                                                                                                                                                                                                                                                                  CL 36532044_005.eps
     3139 123 5596.1                                                                                                                                                                                                                                                                                                                                                                                                          200603


                    1                               2                                                   3                                              4                                    5                                           6                                                7                                       8                                9                     10                              11
L03.1L AA     29



    Mono Painel: Amplificador de Áudio + Processamento de Som Mono
                                                                                                                                                                                                                                                                                                                                                                                                                                                          0246 B10
                              1                               2                                                       3                                        4                                                5                                 6                                                                   7            8                                      9                                        10                                     0251 F2
                                                                                                                                                                                                                                                                                                                                                                                                                                                          2901 A6
                                                                                                                                                                                                                                                                                                                                                                                                                                                          2903 A5
               AUDIO_AMPLIFIER + MONO_SOUND_PROCESSING                                                                                                                                                                                                                                                                                                                                                                                                    2904 B4
                                                                                                                                                                                                                                                                                                                                                                                                                                                          2905 B4
                                                                                                                                                                                                                                                                                                                                                                                                                                                          2906 C4
                                                                                                                                                                                                                                                                                                                                                                                                                                                          2907 C4
                                                                                                                                                                                                                                                                                                                                                                                                                                                          2908 C2
                                                                                                                                                                                                                                                                                                                                                                                                                                                          2909 D4
                                Vaudio                                                                                                                                                                                                                                                                                                                                                                                           AmpOutR+
                                                                                                                                                                                                                                                                                                                                                                                                                                                          2947 C8
                                (Vaux)                                                                                                                                                                                                                                                                                                                                                                                                        A7          2948 C9
A                                                                                                                                                                                                                                                                                                                                                                                                                                 AmpOutL+
                                                                                                                                                                                                                                                                                                                                                                                                                                                   A




                                                                                                                                                                                                                                                                                           2901

                                                                                                                                                                                                                                                                                                  RES
                                                                                                                                                                                                                                                                                                                                                                                                                                                          2949 C9




                                                                                                                             4921
                                                                                                                                    RES
                                                                                                                                                                                                                                                                                                                                                                                                                                              A7
                                                                                                                                                                                                                                                                                                                                                                                                                                                          2950 C9
                                                                                                                                                                                                                                                                                                                                                                                                                                AmpOutL_Pos
                                                                                                                                                                                                                                                                                                                                                                                                                                                          2951 B5
                                                                                                               9921                                                 3901
                                                                                                                                                                                                                                                                                                                                                                                                                                              A7          2952 C5
                                     +5V                                                                                                                                                                                                                                                                                                                                                                                        AmpOutR_Pos
                                                                                                                                                                     1K                                                                                                                                                                                                                                                                                   3551 F2




                                                                                                                                                                                  3902



                                                                                                                                                                                               2903
                                                                                                                                                                                         3K3
                                                                                                                                                                                                                                                                                                                                                                                                                                              A7




                                                                                                                                                                                                        1u
                                                                                                                                                                                                                                                                                                                                                                                                                                                          3901 A4
                                                                                                                                                                                                                                   * 7901




                                                                                                                                                                                                                                                                                VCC 11V8
                                                                                                                                                                                                                                                            STB 3V7
                                                                                                                                                                                                                                     AN7522N                          5                    1                                                                                                                                                              3902 A4
                                                                                                               9903                                                                                                                                                                                                                                                                                                                                       3903 B3
                                             F901                                                              RES                                                                                                                                                                                                                             F905                                                                                                       3904 B4
                                                                                                                                                                                                                                                                                                                    2 5V2                                                                      F906
                                                                                                                                                                    2904                                                                                                                                                                                                                                                                                  3905 C3
                    A4
                          Main_OutL                                                                            3903                                                                                                            1V4 6 CH1-IN
                                                                                                                                                                                                                                                                                                            CH1+
                                                                                                                                                                                                                                                                                                                                                                      AmpOutL_Neg
                                                                                                                                                                                                                                                                                                                                                                                                      * 0246                                              3906 C4
B                                                                                                              15K                                                  1u
                                                                                                                                                                                                                                                                                                                    4 5V2
                                                                                                                                                                                                                                                                                                                                                                                                      5
                                                                                                                                                                                                                                                                                                                                                                                                                            L                      B      3907 D4




                                                                                                                                          3904
                                                                                                                                                                                                                                                                                                                                        9901                                                                                                              3908 B2




                                                                                                                                                                              2905




                                                                                                                                                                                                 2951

                                                                                                                                                                                                        820p
                                                                                                                                                                                                                                                                                                                                                                  AmpOutL_Pos




                                                                                                                                                 10K




                                                                                                                                                                                         1n
                                                                                                               3909                                                                                                                                                                                                                     RES
                                                                                                                                                                                                                                                                                                             CH1-                                                                                     4                                                   3909 B3
                                                                                                                                                                                                                                                                                                                                                       F908
                          TV_BUZZER                                      3908                                  330K                                                                                                            1V4 8 CH2-IN                                                                                                                                                                                                               3910 B3
                                                                                                                                                                                                                                                                                                                                                                                                      3
                    A4                                                                                                                                                                                                                                                                                       CH2- 10 5V2               9902 RES                                                                             R                             3911 C3
                                                                         330K                                  3910                                                                                                                                                                                                                                                                                                                                       4921 A3
                                                                                                                                                                                                                                                                                                                                            AmpOutR_Pos                                               2
                                                                                                                                                                                                                               0V3 9 VOL                                                                                                                                                                                                                  4922 C8
                                                                                                               330K
                                                                                                                                                                                                                                                                                                                                   AmpOutR_Neg                                                        1                                                   6565 F2
                                                                                                               9905                                                                                                                                                                                         CH2+ 12 5V2




                                                                                                                                                                                                                                         GNDCH1



                                                                                                                                                                                                                                                                 GNDCH2
                                                                                                                                                                                                                                                                                                                                                                                                                                                          6908 D2




                                                                                                                                                                                                                                                  GNDINP
                                             F903                                                              RES                                                                                                                                                                                                                                                                      F907                   SPEAKER                                    6909 D3
                          Main_OutR                                                                            3905                                                 2906                                                                                                                                                                                                                                                                                  7901 B6




                                                                                                                                                                                                                                                                                                                                                2947

                                                                                                                                                                                                                                                                                                                                                        100p
                                                                                                                                                                                                                                                                                                                                                        2948

                                                                                                                                                                                                                                                                                                                                                                  100p
                                                                                                                                                                                                                                                                                                                                                                  2949

                                                                                                                                                                                                                                                                                                                                                                         100p
                                                                                                                                                                                                                                                                                                                                                                         2950

                                                                                                                                                                                                                                                                                                                                                                                 100p
                                                                                                                                                                                                                                                                                                                                                                                                          2 X 5W    16 ohm
                    A4                                                                                                                                                                                                                                                                                                                                                                                                                                    7902 D6
C                                                                                                              15K                                                  1u                                                                       3         7              11
                                                                                                                                                                                                                                                                                           STEREO OUTPUT                                                                                                  2 X 3W    8 ohm                          C      9565 F2



                                                                                                                                          3906




                                                                                                                                                                              2907




                                                                                                                                                                                                 2952

                                                                                                                                                                                                        820p
                                                                                                                                                 *                                                                                                                                                                                                                                                                                                        9901 B8




                                                                                                                                                                                         1n
                            FILAMENT
                                                                                                                                                                                                                                                                                                                                                                                                          2 X 1W    8 ohm                                 9902 B8
                                                                                                                                                                                                                                                                                                                            4922
                                                                                 10u 16V




                                                                                                                                                                                                                                                                                                                                                                                                                                                          9903 B3
                                                                                                      100K
                                                                          2908




                                                                                               3911




                                                                                                                                                                                                                                                                                                                                                                                                                                                          9905 C3
                                                                                                                                                                                                                                                                                                                                                                                                                                                          9921 A3
                                                                                                                                                                                                                                   *7902




                                                                                                                                                                                                                                                                                 13V5
                                                                                                                                                                                                                                                      3V8
                                                                                                                                                                                                                                    AN7523N                   5                            1
                                                                                 BZX384-C2V7




                                                                                                                                                                                                                                                      STB                   VCC
                                                                                                      1N4148
                                                                          6908



                                                                                               6909




                                                                                                                                                                                                                                                                                                                    2 6V
                                                                                                                                                                                                                               1V4 6 CH1-IN
                                                                                                                                                                                                                                                                                                            CH1+

D                   A4
                          VOLUME                                                                                                                                                                                               0V4 9 VOL                                                                            4 6V
                                                                                                                                                                                                                                                                                                                                                                                                                                                   D
                                                                                                                                                                                                                                                                                                                                                                          3906          7901              7902     0246
                                                                                                                                                                                                                                                                                                             CH1-                                             *
                                                                                                                                                                                                                                                                                                                                                        STEREO            YES AN7522N                      -       5 Pin
                                                                                                                                          3907




                                                                                                                                                                                                                                        GNDINP                            NC                   GNDCH1
                                                                                                                                                       2909
                                                                                                                                                 3K3




                                                                                                                                                              10u




                                                                                                                                                                                                                                                  7                         8                           3                                                MONO              NO             -           AN7523N 3 Pin
                                                                                                                                                                                                                                                                                                            MONO OUTPUT




E                                                                                                                                                                                                                                                                                                                                                                                                                                                  E
                                           Vaudio (Vaux)
                                                            1N4148
                                                     6565
                                           9565
                                           RES




                                                                         0251                                         F901                       F903                      F905                            F906                F907                                   F908
                                                                     1
F                                 Vaux
                                                                     2
                                                                                                                                                                                                                                                                                                                                                                                                                                                   F
                                                  3551               3
                                     +5V
                         ITV_Vbatt                10K                                                                 0.5V / div AC              0.5V / div AC             0,5V / div AC                       0,5V / div AC    0.5V / div AC                             0.5V / div AC
                                                                     4
                                                                                                                        1ms / div                  1ms / div                 1ms / div                           1ms / div        1ms / div                                 1ms / div

                                                                         EH-B
     FOR ITV ONLY
                                                                                                                                                                                                                                                                                                                                                                                                                            CL 36532044_006.eps
    3139 123 5596.1                                                                                                                                                                                                                                                                                                                                                                                                                     200603


                              1                               2                                                       3                                        4                                                5                                 6                                                                   7            8                                      9                                        10
30          L03.1L AA



     Mono Painel: E/S Frontal + Controle Frontal + Headphone
                                                                                                                                                                                                                                                                                                                                                                                                                              0218-A C1
                        1                                     2                                                             3                                     4                            5                     6                                          7                                                                   8                                                         9                               0218-B B1
                                                                                                                                                                                                                                                                                                                                                                                                                              0218-C B1
                                                                                                                                                                                                                                                                                                                                                                                                                              0232 E4
                 E/S FRONTAL + CONTROLE FRONTAL + FONE                                                                                                                                                                                                                                                                                                                                                                        0239 B6
                                                                                                                                                                                                                                                                                                                                                                                                                              0259 E8
                                                                                                                                                                                                                                                                                                                                                                                                                              0277-A B1
                                                                                                                                                                                                                                                                                                                                                                                                                              0277-B B1
      FRONT CINCH                                                                                                                                          1184                                     FRONT CONTROL                                                                                                                                                                                                             1181 A2
                                                                                                                                                       1                                                                                                                                                                                                                                                                      1182 B2
 A                                                                                                                                                     2
                                                                                                                                                                  TO 1121
                                                                                                                                                                   OF
                                                                                                                                                                                                                                                                                                                                                                                                                          A   1183 C2
            MONO SET                                                                                                                                                                                    KEYBOARD                                                                                                                                                                                                              1184 A4
                                                                               3182                                                                    3                                               A4                                                                                                                                                                                                                     1185 B4
                                                                                                                                                                                                                                                                                                                                                                                                                              1600 B9
                                              2




                                                                                                                                   BZX79-C6V8
                            V                                                  100R




                                                                                                                                                                                                                                                                                                                             200R
                                                                                                                                                                                                                                                                                           3684




                                                                                                                                                                                                                                                                                                                      3685
                                                                                                                                                                                                                                                                                                                                                                                                                              1601 B9




                                                                                                                                                                                                                                                                       120R
Philips 14 pt3131   78r chasis l03.1l_aa
Philips 14 pt3131   78r chasis l03.1l_aa
Philips 14 pt3131   78r chasis l03.1l_aa
Philips 14 pt3131   78r chasis l03.1l_aa
Philips 14 pt3131   78r chasis l03.1l_aa
Philips 14 pt3131   78r chasis l03.1l_aa
Philips 14 pt3131   78r chasis l03.1l_aa
Philips 14 pt3131   78r chasis l03.1l_aa
Philips 14 pt3131   78r chasis l03.1l_aa
Philips 14 pt3131   78r chasis l03.1l_aa
Philips 14 pt3131   78r chasis l03.1l_aa
Philips 14 pt3131   78r chasis l03.1l_aa
Philips 14 pt3131   78r chasis l03.1l_aa
Philips 14 pt3131   78r chasis l03.1l_aa
Philips 14 pt3131   78r chasis l03.1l_aa
Philips 14 pt3131   78r chasis l03.1l_aa
Philips 14 pt3131   78r chasis l03.1l_aa
Philips 14 pt3131   78r chasis l03.1l_aa
Philips 14 pt3131   78r chasis l03.1l_aa
Philips 14 pt3131   78r chasis l03.1l_aa
Philips 14 pt3131   78r chasis l03.1l_aa
Philips 14 pt3131   78r chasis l03.1l_aa
Philips 14 pt3131   78r chasis l03.1l_aa
Philips 14 pt3131   78r chasis l03.1l_aa
Philips 14 pt3131   78r chasis l03.1l_aa
Philips 14 pt3131   78r chasis l03.1l_aa
Philips 14 pt3131   78r chasis l03.1l_aa
Philips 14 pt3131   78r chasis l03.1l_aa
Philips 14 pt3131   78r chasis l03.1l_aa
Philips 14 pt3131   78r chasis l03.1l_aa
Philips 14 pt3131   78r chasis l03.1l_aa
Philips 14 pt3131   78r chasis l03.1l_aa
Philips 14 pt3131   78r chasis l03.1l_aa
Philips 14 pt3131   78r chasis l03.1l_aa
Philips 14 pt3131   78r chasis l03.1l_aa
Philips 14 pt3131   78r chasis l03.1l_aa
Philips 14 pt3131   78r chasis l03.1l_aa
Philips 14 pt3131   78r chasis l03.1l_aa
Philips 14 pt3131   78r chasis l03.1l_aa
Philips 14 pt3131   78r chasis l03.1l_aa
Philips 14 pt3131   78r chasis l03.1l_aa
Philips 14 pt3131   78r chasis l03.1l_aa

Philips 14 pt3131 78r chasis l03.1l_aa

  • 1.
    Colour Television Chassis 14PT3131/78R 14PT4131/78R L03.1L AA 20PT3331/78R 20PT4331/78R ç Volta ao Menu CL 36532044_000.eps 020603 CONTEÚDO PÁGINA 1 Especificações Técnicas, Conexões e Vista Geral do Chassis 2 2 Precauções de Segurança e Manutenção Instruções, Avisos e Notas 4 3 Instruções de Uso 6 4 Instruções Mecânicas 16 5 Modos de Serviço, Códigos de Erro e Descoberta de Falhas 17 6 Diagrama em Blocos, Pontos de teste, I2C e Diagrama em Blocos 21 Vista Geral da Tensão de Alimentação 22 Vista Geral dos Pontos de Teste 23 7 Esquemas e Painéis Diagr. Painel Fonte de Alimentação (Diagrama A1) 24 33-39 Deflexão (Diagrama A2) 25 33-39 Tuner I/F (Diagrama A3) 26 33-39 Processamento de Vídeo (Diagrama A4) 27 33-39 Proces. de Áudio (Stereo + SAP) (Diagrama A5) 28 33-39 Amp. Áudio + Proc. Som Mono(Diagrama A6) 29 33-39 E/S Frontal + Controle + Headphone (Diagrama A7) 30 33-39 E/S Traseiro (Diagrama A8) 31 33-39 Tabela de Diversidade 32 33-39 Alimentação DVD Opcional (Diagrama A9) 32 33-39 Painel CRT (Diagrama B1) 40 41-42 Painel Controle Superior (Diagrama E) 42 42 8 Ajustes 43 9 Descrição do Circuito 51 Lista de Abreviações 54 Data Sheets dos CIs 56 10 Listas de Material Lista de Material 14PT3131/78R 57 Lista de Material 20PT3331/78R 61 Lista de Material 14PT4131/78R 65 Lista de Material 20PT4331/78R 69 Impresso no Brasil Sujeito a Modificações Todos os Direitos Reservados 4806 727 17272 07/2003
  • 2.
    2 L03.1L AA 1. Especificações Técnicas, Conexões, e Vista Geral do Chassis 1.1 Especificações Técnicas 1.2.2 Conexões Traseiras 1.1.1 Recepção Sistema de sintonia : PLL AVout CVI AV1 IN Sistemas de cor : NTSC M : PAL M V Y V : PAL N :PAL-BG Playback Sistemas de áudio : Mono, ou 75 Ohm ANT. L U L : BTSC com SAP Seleções de canais : 181 Canais R V R : Cabo Completo Frequência FI : 45.75 MHz Entrada de antena : 75 ohm (tipo F), Coaxial MONITOR AV1 OUT IN 1.1.2 Miscelânia Saída de Áudio : Mono: 3 W rms : Stereo: 2 x 3 W rms Figura 1-2 Conexões traseiras Tensão de Rede : 90 - 276 V (± 10 %) Frequência de Rede : 50 / 60 Hz (± 5 %) Temperatura Ambiente : + 5 to + 45 deg. C Pressão do ar mínima : 60 kPa (=600 mBar) Monitor Out Umidade Máxima : 90 % 1 - Vídeo 1 Vpp / 75 ohm kq Consumo : 36 W (14”) to 2 - Áudio L (0.5 Vrms / 1 kohm) kq : 50 W (21”) 3 - Áudio R (0.5 Vrms / 1 kohm) kq Consumo de energia Standby :<3W AV1 In (YUV) 1-Y 0.7 Vpp / 75 ohm jq 2-U 0.7 Vpp / 75 ohm jq 1.2 Conexões 3-V 0.7 Vpp / 75 ohm jq 1.2.1 Conexões Frontais e Controle Frontal/Superior AV1 In 4 - Vídeo 1 Vpp / 75 ohm jq 5 - Áudio L (0.5 Vrms / 10 kohm) jq CONTROLE SUPERIOR 6 - Áudio R (0.5 V rms / 10 kohm) jq P+ V- V+ P- INSTALL/MENU INSTALL MENU - VOLUME + LED IR LED AUDIO CHANNEL VIDEO - VOLUME + Figura 1-1 Conexões Frontais. Headphone 1 - Headphone, 3.5 mm 8 - 600 Ω / 4 mW rt Audio / Video In 2 - Vídeo 1 Vpp / 75 ohm jq 3 - Áudio Mono 0.2 V rms / 10 kohm jq
  • 3.
    L03.1L AA 3 1.3 Vista Geral do Chassis PAINEL CONTROLE SUPERIOR E B1 PAINEL CRT FONTE A1 DEFLEXÃO HORIZONTAL A2 TUNER IF A3 PROCESSAMENTO DE VÍDEO A4 PAINEL PROCESSAM. ÁUDIO (STEREO +SAP) A5 PRINCIPAL AUDIO AMP + MONO SOUND PROC. A6 E/S FRONTAL+ CONTROLE FRONTAL + HEADPHONE A7 I/O TRASEIRO CINCH A8 ALIMENTAÇÃO DO DVD A9 CL 36532044_021.eps 020603 Figura 1-3 Vista Geral do Chassis
  • 4.
    4 L03.1L AA 2. Instruções de Segurança e de Manutenção, Avisos e Notas 2.3 Avisos Índice deste capítulo • Para prevenir danos aos CIs e transistores, evitar qualquer faísca ou alta tensão. Para previnir danos ao tubo, use o método 1. Instruções de Segurança para os Reparos mostrado na Fig. 2-1, para descarregar o tubo. Use uma ponta de 2. Instruções de Manutenção alta tensão e um multímetro (posição Vdc). Descarregue até que a 3. Avisos leitura do multímetro esteja 0 V (depois de aprox. 30 s). 4. Notas 2.1 Instruções de Segurança para Reparos V • Normas de Segurança requeridas durante um reparo: Devido as partes ‘quentes’ deste chassis, o conjunto deve ser conectado a energia AC via transformador de isolação. • Componentes de Segurança, indicados pelo símbolo h, deverão ser repostos por componentes idênticos aos originais. • Quando trocar o CRT, utilizar óculos de segurança. Instruções de Segurança requerem que depois um reparo, o conjunto deve voltar a sua condição original. Atenção aos seguintes pontos: Figura 2-1 Descarga do tubo de imagem • Instrução de reparo Geral: como uma precaução extra, recomen- damos resoldar as conexões de solda onde a corrente do deflexão • Todos os CIs e outros semicondutores são suscetíveis à descarga horizontal está fluindo em particular: eletrostática (ESD w). Falta de cuidado no manuseio durante - todos os pinos do transformador de saída de linha (LOT) reparo pode reduzir drasticamente a vida do componente. Quando - capacitor(es) do fly-back reparando, certifique-se que você está conectado com o mesmo - capacitor(es) da correção S potencial de terra do aparelho por uma pulseira com resistência. - transistor de saída de linha Mantenha componentes e ferramentas também neste potencial. - pinos do conector com os fios da bobina de deflexão • Equipamentos de Proteção ESD disponíveis : - outros componentes que suportam a corrente de deflexão. - kit Completo ESD3 (mesa de trabalho, pulseira, caixa de cone xão, cabo de extensão, e cabo de aterramento). Nota: Esta resoldagem é indicada para prevenir más conexões causa- - Testador de Pulseira. das pela fadiga de metal em pontos de solda e é unicamente necessá- A unidade de deflexão e qualquer unidade multi-polo, tubos planos ria para televisores com mais de 2 anos. formam uma unidade integrada. A deflexão e as unidades multi- • Roteie os fios e cabos do EHT corretamente e prenda-os com as polo são otimizadas em fábrica. travas de cabo. • Adaptação desta unidade durante reparo não é recomendada. • Cheque a isolação do cabo de alimentação AC de danos externos. • Cuidado durante medições na parte de alta tensão e no tubo. • Cheque o alívio de esforço do cabo de alimentação AC, preve- • Nunca troque módulos ou outros componentes enquanto a uni- nindo que o cabo toque o CRT, componentes quentes, ou fontes dade está ligada. de calor. • Para ajustar o aparelho, use ferramentas de plástico em vez das • Cheque a resistência elétrica DC entre o plug AC e o lado secun- de metal. Assim, prevenimos quaisquer curtos e o perigo de um dário (unicamente em aparelhos com fontes isoladas). Faça da circuito tornar-se instável. seguintes forma: 1. Desligue o cabo AC e conecte um fio entre dois pinos do plug. 2.4 Notas 2. Ligue o interruptor principal ( com o cabo AC desconectado!). 3. Meça o valor da resistência entre os pinos do plug e a blinda- • Meça as tensões e formas de onda considerando o chassis gem do tuner na conexão de antena do aparelho. A leitura (= tuner) terra ( H ), ou terra quente ( I ), dependendo da área do deverá estar entre 4.5 M e12 M. circuito a ser testado. 4. Desligue o interruptor e remova o fio entre os dois pinos do plug • As tensões e formas de onda mostradas nos diagramas são AC. indicativas. Meça-as no Modo de Default de Serviço (ver seção • Cheque defeitos do gabinete, prevenindo que o cliente toque qual- Modos de Serviços, Códigos de Erro...) com sinal barras coloridas quer peça interna. e som estéreo (L:3 kHz, R: 1 kHz a menos que declarado de outro modo) e portadora de figura em 475.25 MHz (PAL) ou 61.25 MHz 2.2 Instruções de Manutenção (NTSC/PAL-M canal 3). • Onde necessário, meça a forma de onda e as tensões com ( D ) É recomendado que a inspeção de manutenção seja realizada por e sem ( E ) sinal. Meça o voltages na seção de alimentação em pessoal qualificado. O intervalo de inspeção depende das condições ambas operações: normal ( G ) e standby ( F ). Esses valores são de uso: indicados por símbolos apropriados. • Quando o equipamento é utilizado sob circunstâncias normais, por exemplo, em uma sala de estar, o intervalo recomendado é de três a cinco anos. • Quando o equipamento é utilizado em um ambiente com presença de poeira, gordura ou altos níveis de umidade, por exemplo em uma cozinha, o intervalo recomendado é um ano. • A inspeção de manutenção inclui as seguintes ações: 1. Realizar a ‘ instrução de reparo geral’ descrita acima. 2. Limpe a fonte de alimentação e circuito de deflexão no chassis. 3. Limpe o painel e o pescoço do tubo.
  • 5.
    L03.1L AA 5 • O painel do tubo tem impresso espaçamentos para faiscamento. Cada espaço de faiscamento é conectado entre um eletrodo do tubo e o revestimento Aquadag. • Os semicondutores indicados no diagrama do circuito e nas listas de partes e peças são completamente permutáveis com os semi- condutores na unidade independente da indicação de tipo neles. 2.4.2 Notas sobre o esquema • Todos os valores dos resistores são dados em Ohms e o valor multiplicador é geralmente usado no local do ponto decimal (ex: 2K2 indica 2,2 KOhms). • Valores de resistores sem multiplicador podem ser indicados tanto por “E” ou “R” (ex: 220E ou 220R indicam 220 Ohm) • Todos os valores dos capacitores são dados em Micro-Farads (u=x10-6), (Nano-Farads (n=x10-9), ou Pico-Farads (p=x10-12). • Os valores dos capacitores podem também usar o multiplicador como indicação do local do ponto decimal (ex: 2p2 indica 2,2 pF). • Um asterisco (*) indica variação no uso do componentes. Verifique a tabela de diversidades para saber os valores corretos. • O valor correto do componente estão listados na lista de mate- rias. Portanto, a lista deve ser consultado quando houver alguma dúvida. 2.4.3 Precauções Práticas de Serviço • Evite se expor a Choques Elétricos. Enquanto algumas fontes são reconhecidamente causadoras de impactos perigosos, outras de potencial tão perigoso quanto, ficam desapercebidas. • Sempre Respeite as Tensões. Enquanto algumas delas possam não ser perigosas, elas podem causar reações inexperadas e que devem ser evitadas. Antes de manusear um TV alimentado, é aconselhável fazer o teste de isolação de alta tensão. Ele é fácil de fazer e é uma boa precaução. • Antes de ligar o TV sem a tampa traseira, prenda um terminal no terra do CRT DAG e na ponta de uma chave de fenda com uma boa isolação. Após o TV ser ligado aproxime a chave do anodo, começando pela carcaça do fly-back. Passe a chave a 2 polega- das do conector do cinescópio. Se um arco voltaico for formado você achou uma fuga sem se machucar! Se o arco aparecer, troque o componente que causou o problema, o fly-back ou o terminal.
  • 6.
    PARABÉNS POR TERADQUIRIDO ESTE PRODUTO... 6 E BEM-VINDO À FAMÍLIA PHILIPS. ÍNDICE Agradecemos sua confiança na Philips e temos certeza de que seu televisor lhe trará muitos momentos agradáveis, pois ele é um produto de tecnologia moderna e com Operando o TV muitos recursos. Para usufruir de todo seu potencial, basta ler atentamente este Informações de Segurança .................................................................................................................................... 4 manual e seguir as orientações dadas. Se após ler o manual ainda restar alguma dúvida, Dicas Úteis ............................................................................................................................................................... 4 fale conosco através do nosso CIC (Centro de Informações ao Consumidor). Instalação Básica do Controle Remoto ............................................................................................................. 4 Instalação Básica do TV ......................................................................................................................................... 5 L03.1L AA Funções dos Controles do TV ............................................................................................................................. 5 3. Instruções de Uso CIC, tel. 0800 701 02 03 (discagem direta gratuita), de segunda a sexta, das 8:00 às Conectando a Equipamentos Periféricos (Reprodução) ............................................................................... 6 20:00 h. Aos sábados, das 8:00 às 13:00 h. Conectando a Equipamentos Periféricos (Gravação) .................................................................................... 6 Funções do Controle Remoto ............................................................................................................................ 7 Acessando o Menu Principal e os Sub-Menus ................................................................................................. 8 Atenciosamente, Visão Geral do Menu Principal e Sub-Menus ................................................................................................... 8 Philips da Amazônia Ind. Elet. Ltda. Selecionando o Menu Instalação ................................................................................................................... 9-10 Como Ajustar a Imagem do TV ......................................................................................................................... 11 Utilizando o Controle Smart Picture ............................................................................................................... 11 Como Ajustar o Som do TV ...................................................................................................................................... 12 Utilizando o Controle Smart Sound ................................................................................................................ 12 INFORMAÇÃO AMBIENTAL Utilizando o Timer ............................................................................................................................................... 13 Utilizando o Active Control ............................................................................................................................... 13 Utilizando o Closed Caption ............................................................................................................................. 14 Embalagem: Utilizando o Limitador de Volume .................................................................................................................... 14 Todo o material desnecessário foi retirado da embalagem do produto. Nós Utilizando a Função Nível de Sinal ................................................................................................................... 14 procuramos, a cada projeto, fazer embalagens cujas partes sejam de fácil separação, Utilizando o Sleeptimer ...................................................................................................................................... 15 Utilizando o Controle Surf ................................................................................................................................. 15 bem como de materiais recicláveis, sendo: calço de isopor, caixa de papelão e sacos Antes de Chamar o Serviço Técnico ............................................................................................................... 16 plásticos. Procure fazer o descarte da embalagem de maneira consciente, Lista de Serviços Autorizados ..................................................................................................................... 17-18 preferencialmente destinando a recicladores. Especificações Técnicas ....................................................................................................................................... 19 Garantia .................................................................................................................................................................. 20 Produto: O produto adquirido consiste de materiais que podem ser reciclados e reutilizados se desmontados por companhias especializadas. Baterias e pilhas: As pilhas e baterias fornecidas com os produtos Philips não causam danos ao meio ambiente, pois estão dentro dos limites especificados na resolução CONAMA No. 257 de 30/06/99, podendo desta forma serem descartadas junto com o lixo doméstico. Descarte: Solicitamos observar a legislação existente em sua região, com relação à destinação do produto no seu final de vida, disposição dos componentes da embalagem e das pilhas e baterias. Em caso de dúvida ou consulta, favor ligar para o Centro de Informações ao Consumidor - 0800 701 02 03 (ligação direta gratuita) ou para a Linha Verde Diretiva de Reciclagem – Seu TV utiliza materiais que são reutilizáveis ou que podem ser (0+XX+92) 652-2525. reciclados. Para minimizar a quantidade de material descartado no meio ambiente, companhias especializadas recuperam aparelhos usados para desmonte e coleta dos materiais reutilizáveis A Philips da Amazônia Indústria Eletrônica Ltda. e o Meio Ambiente agradecem sua colaboração.
  • 7.
    INFORMAÇÕES DE SEGURANÇA INSTALAÇÃO BÁSICA DO TV • Desconecte o cabo de rede quando : 1 2 3 4 – a luz verde abaixo da tela do TV estiver piscando continuamente. 10 cm – uma linha branca luminosa aparecer na tela. – durante uma tempestade de raios. 10 cm 10 cm – o aparelho não for utilizado por um período prolongado de tempo. • Ao limpar a tela do TV, nunca use agentes de limpeza abrasivos. Use um pano macio umedecido. 75 1 g • Nenhuma fonte de chama, como velas acesas, deve ser colocada em cima do TV ou nas imediações. • Não coloque seu TV sob luz direta do sol ou calor. 1 Posicionamento do aparelho de TV • Deixe um espaço de no mínimo 10cm ao redor do televisor para permitir uma adequada ventilação, • Coloque o TV em uma base sólida (rack, estante, etc.) evitando aquecimento excessivo. Não cubra o televisor quando estiver em uso. • Deixe pelo menos 10 cm de espaço ao redor do aparelho para ventilação, evitando aquecimento excessivo. • Evite colocar seu aparelho onde ele possa ser exposto a chuva ou umidade (próximo à janela, por exemplo). • Não coloque o aparelho perto de um aquecedor ou outras fontes de calor. • Não coloque o TV onde ele possa ser exposto à chuva ou umidade excessiva. • Nenhum objeto contendo líquido deve ser colocado sobre o televisor, para evitar que líquidos gotejem ou espirrem no aparelho. 2 Conectando a antena • Conecte a antena ao respectivo conector na parte traseira do aparelho. • Quando seu aparelho utilizar antena interna e a recepção estiver ruim, não utilize palha de aço ou outros produtos na antena, pois eles podem danificar o seu televisor. 3 Conectando à rede • Nunca tente reparar um aparelho defeituoso. Consulte sempre técnicos ou oficinas autorizadas, evitando • O aparelho está preparado para tensões de 90 a 255 Volts (automático). assim a perda da garantia e riscos à sua saúde. Nota : O diagrama mostrado não é representativo do plug e tomadas de rede reais. 4 Ligando o Aparelho • Pressione o botão 3POWER para ligar / desligar o TV. Se o aparelho está no modo stand-by (desligado pelo controle remoto), pressione a tecla POWER ou CH + / – no controle remoto ou a tecla CHANNEL do aparelho para ligá-lo. FUNÇÕES DOS CONTROLES DO TV mín. 1m DICAS ÚTEIS 3 & • Não movimente ou gire o seu aparelho quando ele estiver ligado. Imagens com cores não uniformes é poderão ser apresentadas na tela. “ ‘ ( • Limpe cuidadosamente as superfícies do gabinete com um tecido limpo. Nunca utilize solventes, lustra móveis, sprays inseticidas ou outros produtos químicos no gabinete ou em áreas próximas, pois eles & Power Liga ou desliga o televisor. podem danificar permanentemente o acabamento do gabinete. é Indicação de Standby Led verde acende quando o TV estiver em modo standby (desligado pelo controle remoto). INSTALAÇÃO BÁSICA DO CONTROLE REMOTO “ Sensor de Controle Remoto Aponte o Controle Remoto ao sensor quando estiver operando o TV. • Troque as pilhas do controle remoto assim que o TV passar a não ‘ Volume + / – Aumenta ou diminui o volume. reagir aos seus comandos. ( Channel 3 / 4 Seleciona canais em ordem crescente / decrescente. L03.1L AA • Pressione a extremidade da tampa e puxe-a para ter acesso ao compartimento de pilhas. Nota: • Observe a polaridade das pilhas (+ e -). No caso de perda ou quebra do controle remoto, os controles do TV poderão ser feitos com as teclas do + – televisor. • Use somente pilhas "AA" e nunca misture pilhas novas com usadas • Pressione simultaneamente as teclas de volume + e – para mostrar/cancelar o menu principal. ou alcalinas com comuns. • Pressione as teclas Channel 3 ou 4 para selecionar os itens do menu. • Pressione as teclas Volume + ou – para acessar os submenus e ajustar os controles. 7
  • 8.
    8 CONECTANDO A EQUIPAMENTOS PERIFÉRICOS (REPRODUÇÃO) FUNÇÕES DO CONTROLE REMOTO Para identificar quais as conexões disponíveis no seu televisor, vide tabela de Especificações Técnicas na pág. 19. 1 Power Nota: Para os aparelhos Mono, apenas a entrada de AUDIO L está disponível. - Pressione esta tecla para ligar ou desligar o TV. - Se o TV estiver em modo standby, pressione Canal +/-, as Teclas Numéricas (0-9) ou a tecla Power. Conectores AV na traseira do TV* Conexão AV Traseira ou Frontal 2 Teclas de DVD Equipamentos, tais como: DVD,VCR, Laser Disc Player, 5 Rewind - retornar 9 Stop - parar disco AV out CVI AV1 in VCD, etc. podem ser ligados às entradas de ÁUDIO e 2 Play - reproduzir 6 Forward - avançar VIDEO VÍDEO (AV), localizadas na parte traseira ou frontal 3 Timer L AUDIO L03.1L AA de seu TV. Desligue o TV e os equipamentos a serem Permite digitar um horário específico para que o R TV mude para outro programa. Essa função também conectados antes de realizar quaisquer conexões. • Conecte as saídas (OUT) de ÁUDIO e VÍDEO dos serve como alarme para acordá-lo em um horário VCR equipado específico, quando o aparelho estiver em stand-by, equipamentos aos conectores de entrada (IN) do TV. e também para desligar o TV no horário desejado. com saídas de OUT OUT OUT • Para visualizar programas, selecione o canal de AV, ÁUDIO e VÍDEO 4 Stereo (tecla sem função para aparelhos Mono) VIDEO ANTENNA R AUDIO L através da tecla AV do controle remoto. Pressione repetidamente para selecionar entre os IN IN IN Nota: Se o seu aparelho possui as duas conexões de modos de som Mono, Stereo e SAP, quando Traseira do VCR disponível. Se a transmissão não for estéreo, apenas a entrada (traseiro e frontal), apenas uma conexão poderá ser indicação MONO aparecerá na tela. vista por vez. Neste caso a conexão frontal tem prioridade, 5 Smart Sound (tecla sem função para aparelhos Mono) ou seja, para visualizar o programa transmitido via conexão Pressione a tecla Smart Sound repetidamente para Conectores AV na traseira do TV* traseira é necessário desconectar a conexão frontal. acessar os 4 tipos diferentes de ajustes de som e escolher o ajuste que for mais conveniente. AV out CVI AV1 in VIDEO Conexão Vídeo Componente 6 Surf L Você pode assistir reproduções de discos DVD Permite selecionar um máximo de 8 canais e ver AUDIO rapidamente os canais selecionados. utilizando os conectores de entrada VÍDEO R COMPONENTE, localizados na traseira do TV. 7 Menu • Conecte as entradas “Y”, “Pb” e “Pr” (Component Mostra o Menu principal. Também retira o Menu da tela. DVD equipado 8 cursor PARA A ESQUERDA com saídas “Y”, Video Input) do TV às saídas “Y”, “Pb” e “Pr” (ou “Y”, “Cb” e “Cr”) do seu aparelho DVD para Permite selecionar os submenus e ajustar os controles. OUT OUT “Pb” e “Pr” reproduzir discos DVD. 9 cursor PARA BAIXO Y Pb Pr R AUDIO L • Conecte as saídas de AUDIO L e R de seu DVD às Permite selecionar o próximo item no menu. entradas AUDIO AV1-in L e R na traseira do TV. 10 Volume + / – Traseira do DVD • Para visualizar programas, selecione o canal de CVI, Permite aumentar (+) ou diminuir (–) o volume. através da tecla AV do controle remoto. 11 Teclado Numérico (0 -9) Pressione para selecionar um canal. Para um número de Conectores AV na traseira do TV* Nota: Se o seu aparelho possui conexão frontal e a canal com dois dígitos, pressione o primeiro e AV out CVI AV1 in mesma está ligada, é necessário desconectar o áudio da imediatamente o segundo. Da mesma forma, para um VIDEO canal com três dígitos (TV a Cabo), pressione o conexão frontal, para reproduzir a conexão Vídeo primeiro seguido pelos outros dois. L Componente corretamente. AUDIO 12 Sleep R Permite selecionar um período de tempo após o qual o Conexão a Equipamentos de Áudio Para melhorar o som de seu TV, conecte as saídas aparelho será colocado na condição de stand-by (desligado). (OUT) AUDIO L e R a um equipamento de som, 13 Incredible Surround (tecla sem função para 17 cursor PARA CIMA em vez do VCR. Para equipamentos mono, conecte aparelhos Mono) Permite selecionar o item anterior do Menu. Permite selecionar Stereo ou Incredible Surround apenas a saída (OUT) AUDIO L. quando a transmissão for em estéreo, e Espacial ou 18 cursor PARA A DIREITA Mono quando a transmissão for mono. Permite acessar os submenus e ajustar os controles. CONECTANDO A EQUIPAMENTOS PERIFÉRICOS (GRAVAÇÃO) 14 AV Pressione esta tecla repetidamente para selecionar as 19 v Formato entradas de AV (conexões). Permite selecionar os diferentes modos de Conectores AV na traseira do TV* Gravando de um canal de TV formato de tela: 4:3 e Expande 4:3. • Conecte as entradas (IN) AUDIO e VIDEO do VCR 15 Smart Picture (Veja a seção "Como Ajustar a Imagem do TV") AV out CVI AV1 in Pressione a tecla Smart Picture repetidamente para VIDEO às correspondentes saídas OUT (MONITOR 20 Canal + / – acessar os 5 diferentes tipos de ajustes de imagem e L OUT) na traseira do TV. escolher o ajuste que for mais agradável. Permite selecionar canais em ordem crescente AUDIO (+) ou decrescente (–). R 16 OSD Apresenta na tela o número do canal, o relógio (se 21 Mute disponível), o status do modo SLEEP e, também retira o Interrompe o som. Para restaurá-lo, pressione a OUT OUT OUT VCR equipado com menu da tela. Para que o número do canal fique fixo na tecla novamente ou a tecla Volume +. VIDEO ANTENNA L AUDIO R saídas de ÁUDIO e IN IN IN tela, pressione a tecla por 5 segundos. O número irá 22 CC (Closed Caption) VÍDEO piscar indicando que a função foi ativada. Para remover Permite ler o conteúdo falado de programas da tela, pressione a tecla novamente. de televisão.Você pode escolher 3 modos: CC1, CC2 e CC Mudo. * Desenho ilustrativo (20PT4331) Traseira do VCR
  • 9.
    ACESSANDO O MENUPRINCIPAL E OS SUB-MENUS SELECIONANDO O MENU INSTALAÇÃO O menu principal permite acessar os sub-menus Imagem, Som, Funções e Instalação. Instalação o MENU OSD ✔ Idioma Português É Como acionar o menu principal ■ Sistema Cor ■ Modo MENU Menu o • Pressione a tecla MENU para ativar o menu principal. ■ Auto Seleção ✔ Imagem É Brilho ■ Sintonia Fina ■ Som Cor ■ Seleção ■ Funções Contraste • As quatro teclas do controle remoto, cursor PARA CIMA œ ■ Instalação Nitidez , PARA BAIXO , PARA A ESQUERDA e Matiz Próximo... PARA A DIREITA , permitem selecionar o item desejado œ Pressione MENU , pressione a seta ou até o item Instalação e pressione . do menu, fazer ajustes e, acessar os sub-menus. MENU OSD Idioma: A função Idioma permite ajustar o menu para ser mostrado no idioma desejado. • Pressione a tecla OSD OSD para sair do menu. Quando o menu Pressione a tecla de cursor PARA A DIREITA ou PARA A ESQUERDA não está na tela, a tecla OSD apresenta várias informações úteis ao usuário. repetidamente para selecionar o idioma preferido (Português, Español ou English). VISÃO GERAL DO MENU PRINCIPAL E SUB-MENUS Sistema Cor: Selecione o sistema de cor NTSC, PAL-M ou PAL-N. Quando a opção Auto está selecionada, o sistema transmitido é detectado e selecionado automaticamente. Selecione o sistema apropriado se a recepção for ruim no modo Auto. Para as entradas AV, o sistema de cor é automático, por isto quando uma das entradas AV estiver selecionada, este item não aparecerá neste menu. Menu principal Pressione a tecla de cursor PARA A DIREITA ou PARA A ESQUERDA Imagem repetidamente para selecionar o sistema apropriado. Som Funções Instalação Modo: Escolha o tipo de sintonia: Antena (canal 2 ao 69), Cabo (canal 1 ao 125) ou Auto. Use o modo Cabo somente se esse sistema for disponível em sua residência. No modo Auto, o tipo de sintonia é detectado e selecionado automaticamente. Som Pressione a tecla de cursor PARA A DIREITA ou PARA A ESQUERDA Imagem Instalação Funções repetidamente para selecionar o modo desejado. (para aparelhos Mono) Brilho Nivelar Vol. Idioma Timer Cor Som Sistema Cor Active Control Contraste (para aparelhos Estéreo) Modo Closed Caption Nitidez Auto Seleção Limit. Volume Auto Seleção: Faz a sintonia automática dos canais disponíveis ou com sinal, “saltando” os canais que Matiz Agudos Sintonia Fina Nível Sinal não estão sendo transmitidos. Na auto seleção ocorrem oscilações de imagem. A imagem Tom De Cor Graves Seleção voltará a se estabilizar ao término da operação. Contraste + Balanço Dica : Antes de fazer a seleção de canais, certifique-se de que a antena ou cabo esteja conectado. Formato Nivelar Vol. Incr. Surround Pressione a tecla de cursor PARA A DIREITA ou PARA A ESQUERDA para Ultra Bass iniciar a auto seleção. Som L03.1L AA OSD A tecla OSD pode ser utilizada para interromper esta operação. Após a auto seleção, apenas os canais selecionados serão apresentados ao se pressionar as teclas CH (canal) 3 ou 4, entretanto todos os canais podem ser acessados através do teclado numérico do controle remoto. 9
  • 10.
    10 SELECIONANDO O MENU INSTALAÇÃO (CONT.) COMO AJUSTAR A IMAGEM DO TV Instalação o MENU OSD Imagem o Imagem o MENU OSD ✔ Idioma Português É ✔ Brilho p❘ ❘ ❘ ❘ ❘ ❘ ❘ ❘ ❘ ❘ ❘ ❘ ❘ ❘ ❘ ❘ ❘ ❘ ❘ ❘ ❘ ❘ ❘ 59π ✔ Matiz p❘ ❘ ❘ ❘ ❘ ❘ ❘ ❘ ❘ ❘ ❘ ❘ ❘ ❘ ❘ ❘ ❘ ❘ ❘ ❘ ❘ ❘ ❘ 59π ■ Sistema Cor ■ Cor ■ Tom De Cor ■ Modo ■ Contraste ■ Contraste + ■ Auto Seleção ■ Nitidez ■ Formato ■ Sintonia Fina ■ Matiz ■ Seleção ■ Tom De Cor œ œ œ L03.1L AA Pressione MENU , pressione a seta ou até o item Instalação e pressione . Pressione MENU , pressione a seta ou até o item Imagem e pressione . Sintonia Fina: Usada nas raras situações em que é necessário fazer um pequeno ajuste na sintonia fina Utilize a tecla de cursor PARA CIMA ou PARA BAIXO para selecionar os itens no do TV, para melhorar a recepção de imagem ou de som. Quando o valor da sintonia fina submenu. Faça os ajustes ou a ativação do recurso com a tecla de cursor PARA A DIREITA ou está no centro da escala, a sintonia é automática. PARA A ESQUERDA . Pressione a tecla OSD OSD para sair do menu. Pressione a tecla de cursor PARA A Sintonia Fina o DIREITA para ativar o menu Sintonia ✔ Ajuste Ñ❘❘❘❘❘❘❘❘❘❘❘ ❘❘ ❘❘❘❘❘❘❘❘❘❘❘ π Item do menu Atividade Fina. ■ Memorizar Brilho Escurece ou clarea a imagem. 1 2 3 Cor Aumenta ou diminui o nível de cor (saturação) da imagem. Selecione o canal desejado através das 4 5 6 7 8 9 teclas numéricas do controle remoto. Contraste Aumenta ou diminui o nível de contraste. 0 œ Pressione a tecla de cursor PARA A Nitidez Suaviza a imagem ou a torna mais nítida. DIREITA ou PARA A ESQUERDA até obter o ajuste desejado. Matiz Torna a imagem mais esverdeada ou avermelhada. Esta função é aplicável somente nas transmissões em NTSC. Quando atingir a sintonia desejada, pressione a tecla de cursor PARA BAIXO Tom de Cor Permite uma escolha de 3 ajustes de tonalidade de cor: Normal, Quente ou Frio. para selecionar Memorizar. Contraste + Selecionando a opção Sim, o contraste total será otimizado, realçando a imagem. Pressione a tecla de cursor PARA A DIREITA para gravar o ajuste efetuado. Formato Permite selecionar diferentes formatos de tela para seu prazer visual, que são: 4:3 e Expande 4:3. MENU Pressione a tecla MENU para retornar ao menu Instalação. Modo Expande 4:3: Expande as imagens de filmes gravados no formato de caixa de textos (letterbox 16:9). Com este formato selecionado, as barras horizontais negras existentes no topo e na parte inferior das imagens são removidas ou reduzidas. Seleção: Algumas vezes pode ser necessário a inclusão de alguns canais, como no caso dos vídeos Nota: Quando o menu não estiver na tela, você pode selecionar o formato de tela (q) cassetes ligados pela antena ou canais fracos (com chuviscos), ou a exclusão de alguns diretamente através das teclas de cursor PARA CIMA e PARA BAIXO . canais indesejados. Nota: Uma vez que o canal é cancelado, não é possível acessar este canal usando a tecla de CH + ou - . Só será possível selecioná-lo através das teclas numéricas (0-9). Pressione a tecla de cursor PARA A UTILIZANDO O CONTROLE SMART PICTURE DIREITA para ativar o menu Seleção. Seleção o ■ Canal 1 2 3 Independente de você estar assistindo um filme ou jogando vídeo game, seu TV tem um controle automático ✔ Cancelado Sim 4 5 6 Selecione o canal desejado através das de ajustes de imagem que é ideal para o programa ou fonte que você está utilizando. Cada opção do Smart 7 8 9 Picture é pré-ajustada na fábrica para selecionar automaticamente os níveis de brilho, cor, contraste e nitidez. 0 teclas numéricas do controle remoto. SMART PICTURE Pressione a tecla SMART PICTURE repetidamente para circular através dos 5 Pressione a tecla de cursor PARA BAIXO œ ajustes de imagem : Pessoal, Vibrante, Natural, Suave e Games. para selecionar Cancelado. Definição dos ajuste de Imagem Pressione a tecla de cursor PARA A DIREITA e selecione Sim para eliminar o Pessoal : Opção que pode ser ajustada pelo usuário. canal ou Não para adicionar o canal. Vibrante : Reforça cores mais vibrantes. (Apropriado para modo AV em ambientes mais luminosos) Natural : Reforça cores originais. OSD Suave : Reforça cores “suaves”. (Apropriado para sinais fracos e ruidosos) Pressione a tecla OSD para sair do menu. Games : Reforça cores “quentes”. (Apropriado para jogos de computadores, vídeo games, etc.)
  • 11.
    COMO AJUSTAR OSOM DO TV UTILIZANDO O TIMER MENU OSD Som o Som o Funções o MENU OSD ✔ Agudos p❘❘❘❘❘❘❘❘❘❘❘ ❘ ❘❘❘❘❘❘❘❘❘❘❘ 2π ✔ Balanço pL❘❘❘❘❘❘❘❘❘ ❘❘ ❘❘❘❘❘❘❘❘❘ Rπ ✔ Timer É Relógio ■ Graves ■ Nivelar Vol. ■ Active Control Ligar Às ■ Balanço ■ Incr. Surround ■ Closed Caption Desligar Às ■ Nivelar Vol. ■ Ultra Bass ■ Limit. Volume Canal ■ Incr. Surround ■ Som ■ Nível Sinal Ativar ■ Ultra Bass Mostrar Hora œ œ œ Pressione MENU , pressione a seta ou até o item Som e pressione . MENU Pressione , pressione a seta ou até o item Funções e pressione . Utilize a tecla de cursor PARA CIMA ou PARA BAIXO para selecionar os itens no Este recurso permite digitar um horário e mostrá-lo na tela pressionando a tecla OSD. Permite, também, digitar o submenu. Faça os ajustes ou a ativação do recurso com a tecla de cursor PARA A DIREITA ou horário que você deseja que o aparelho mude para outro programa, desligue o TV ou, ainda, funcionar como um alarme PARA A ESQUERDA . Pressione a tecla OSD OSD para sair do menu. para acordá-lo em horários específicos, quando o aparelho estiver no modo stand-by (desligado pelo controle remoto). Item do menu Atividade Pressione a tecla de cursor PARA A DIREITA para ativar o Timer o menu Timer. ✔ Relógio π 08:30 Agudos Aumenta ou diminui o nível de altas freqüências (sons agudos) no som. ■ Ligar Às 1 2 3 Graves Aumenta ou diminui o nível de baixas freqüências (sons graves) no som. 4 5 6 ■ Desligar Às 7 8 9 Relógio : Utilize as teclas numéricas (0 - 9) para digitar o ■ Canal Balanço Distribui o som pelos alto-falantes direito e esquerdo. 0 horário atual. ■ Ativar Nivelar Volume Como variações nas condições do sinal podem resultar numa súbita alteração no ■ Mostrar Hora 1 2 3 volume durante intervalos comerciais ou trocas de canal, selecionando a opção 4 5 6 Ligar às : Utilize as teclas numéricas (0 - 9) para digitar o œ 7 8 9 Sim, o volume irá permanecer num nível padrão. 0 horário que você deseja que o programa seja ativado. Incredible Proporciona a sensação de um som mais envolvente. Quando a transmissão for estéreo, 1 2 3 Surround permite selecionar Incr. Surround ou Stereo, quando for mono, Espacial ou Mono. 4 5 6 Desligar às : Utilize as teclas numéricas (0 - 9) para digitar 7 8 9 Ultra Bass Selecione a opção Sim para apreciar um reforço de graves na saída de som. 0 o horário que você deseja desligar o aparelho. Estéreo aparelhos Som Permite a seleção entre Stereo, Mono e SAP. SAP permite ouvir o som 1 2 3 original em transmissão simultânea. Se o programa transmitido não contém a 4 5 6 Canal : Utilize as teclas numéricas (0 - 9) para digitar o número do canal. 7 8 9 informação SAP, a opção SAP não estará disponível no menu. Ao assistir um 0 programa em modo SAP e mudar para outro canal, a opção SAP será desligada Ativar : Use a tecla de cursor PARA A DIREITA ou PARA A ESQUERDA para selecionar quando retornar ao canal anterior (com SAP). É necessário refazer a seleção da entre os modos Uma vez e Todo dia. opção SAP no recurso SOM. Nota: Se a transmissão não for estéreo, apenas a indicação Mono aparecerá na tela. Mostrar Hora : Use a tecla de cursor PARA A DIREITA ou PARA A ESQUERDA para selecionar Sim e mostrar o horário corrente na tela. Item do menu Atividade Nivelar Volume Como variações nas condições do sinal podem resultar numa súbita alteração no Dica: Pode-se acessar diretamente o menu Timer através da tecla Timer do controle remoto. Mono volume durante intervalos comerciais ou trocas de canal, selecionando a opção aparelhos Sim, o volume irá permanecer num nível padrão. UTILIZANDO O CONTROLE SMART SOUND UTILIZANDO O ACTIVE CONTROL (somente para aparelhos Estéreo) Este recurso ajusta automaticamente a qualidade da imagem, dependendo do sinal recebido pela antena. Independente de você estar assistindo um filme ou jogando vídeo game, seu TV tem um controle automático de ajustes de som que é ideal para o programa ou fonte que você está utilizando. Cada opção do Smart Use a tecla de cursor PARA A DIREITA ou Funções o Sound é pré-ajustada na fábrica, para selecionar automaticamente os níveis de graves e agudos. PARA A ESQUERDA para selecionar Sim, ■ Timer Exibir ou Não. ✔ Active Control Sim ■ Closed Caption SMART SOUND Pressione a tecla SMART SOUND repetidamente para circular através dos 4 ■ Limit. Volume L03.1L AA ajustes de som : Pessoal, Voz, Música e Teatro. Nota: Quando EXIBIR estiver selecionado, os ■ Nível Sinal ajustes de Brilho, Contraste, Nitidez e Definição dos ajustes de Som Contraste+ serão mostrados na tela ao mudar œ de canal. Pessoal : Opção que pode ser ajustada pelo usuário. Voz : Reforça tons de alta freqüência. (agudos reforçados) Nota: Esta função não atua nas conexões AV e CVI (se disponível). Música : Reforça tons de baixa freqüência. (graves reforçados) Teatro : Reforça sensações em programas de ação. (graves e agudos reforçados). 11
  • 12.
    12 UTILIZANDO O CLOSED CAPTION UTILIZANDO O SLEEPTIMER O Closed Caption (CC) permite ler o conteúdo falado dos programas na tela do TV. Este recurso utiliza O recurso Sleeptimer permite selecionar um período de tempo após o qual o aparelho irá automaticamente “caixas de texto” para mostrar os diálogos e conversas enquanto o programa está sendo apresentado. para o modo Stand-by. Você pode selecionar o temporizador de um período inicial de 15 minutos até um Nem todos os programas e comerciais de TV são produzidos com Closed Caption. As opções CC1 e CC2 máximo de 240 minutos. dependem das transmissões das emissoras. As estações de TV podem freqüentemente utilizar abreviações SLEEP das palavras, símbolos e outras reduções gramaticais de forma a manter o diálogo sincronizado com a ação. Pressione a tecla SLEEP para ativar um período de tempo. Isto varia de acordo com a fonte do material que está sendo transformado em texto e não indica a SLEEP existência de problemas na televisão. Pressione a tecla SLEEP repetidamente para circular através das opções de períodos de tempo disponíveis e selecione o desejado. L03.1L AA Pressione a tecla de cursor PARA A Funções o DIREITA ou PARA A ESQUERDA para ■ Timer selecionar a opção de Closed Caption ■ Active Control Notas : desejada (CC1, CC2, CC Mudo e CC Não). ✔ Closed Caption CC1 ■ Limit. Volume • Durante o último minuto de um comando Sleep, uma contagem regressiva será apresentada na tela. ■ Nível Sinal • Pressionando qualquer tecla do controle remoto durante a contagem regressiva, o Sleeptimer será cancelado. Nota : CC Mudo aciona o modo CC1 somente • Nos últimos 10 segundos da contagem regressiva, a mensagem Até logo... será mostrada na tela. quando a função Mudo estiver ativada. œ Dica : Pode-se acessar os diversos modos de Closed Caption através da tecla CC no controle remoto. UTILIZANDO O CONTROLE SURF Com este recurso você pode facilmente navegar pelos diferentes programas de TV que o interessam. UTILIZANDO O LIMITADOR DE VOLUME Este recurso permite colocar até oito canais em sua lista de visualização. Permite configurar o volume máximo desejado para todos os canais. Como adicionar canais à lista Surf Funções o ■ Timer • Selecione um canal para ser adicionado à lista Surf. Pressione a tecla VOL +/– para ajustar o 8 VOL SURF volume desejado. ■ Active Control • Pressione a tecla SURF para ativar a lista Surf. Surf ■ Closed Caption ✔ Limit. Volume Sim 8 Incluir? Pressione a tecla de cursor PARA A DIREITA ou • A tela ao lado aparecerá perguntando se você deseja incluir o ■ Nível Sinal PARA A ESQUERDA e selecione Sim para ativar canal selecionado. a opção Limit.Volume. Selecione Não caso queira œ • Pressione a tecla de cursor PARA A DIREITA para desativar a função Limit.Volume. adicionar o canal à lista Surf. Para adicionar mais canais à lista Surf, Limit. Volume Ativado repita os passos anteriores. Nota: Depois que a opção Sim for selecionada, a mensagem Limit. Volume Ativado junto com Nota : Uma vez adicionado um canal, a opção Cancelar ? aparece, nível máximo desejado do Volume vão aparecer indicando que este canal poderá ser cancelado. Volume ............ 18 na tela sempre que a tecla Volume + for pressionada para aumentar o volume. Como remover canais da lista surf SURF • Pressione a tecla SURF para ativar a lista Surf. 8 UTILIZANDO A FUNÇÃO NÍVEL DE SINAL • Use as teclas de cursor PARA CIMA ou PARA BAIXO Surf para circular através dos canais da lista Surf e selecione o 8 Cancelar? Este recurso permite ver o nível do sinal quando a opção Sim estiver selecionada. O nível do sinal será canal a ser removido. mostrado na parte inferior da tela sempre que for feita uma troca de canal. Quanto mais próximo do valor • A tela ao lado aparecerá perguntando se você deseja cancelar o 0, mais fraco é o nível de sinal da TV. canal selecionado. Pressione a tecla de cursor PARA A Funções o • Pressione a tecla de cursor PARA A DIREITA para ■ Timer remover o canal da lista Surf. DIREITA para selecionar Sim ou Não. ■ Active Control Nota: Uma vez eliminado um canal, a opção Incluir ? aparece, ■ Closed Caption Nota: Quando o nível do sinal for fraco, é possível ■ Limit. Volume indicando que este canal poderá voltar a ser adicionado, se estiver acessar a opção Active Control no menu Funções e ✔ Nível Sinal Sim apenas um canal na lista. Caso contrário, a TV sintonizará o canal selecionar a opção Sim, que irá ajustar anterior que está armazenado na lista SURF. automaticamente a qualidade da imagem. (Veja a œ Nível Sinal ........... .......... 80 seção "Utilizando o Active Control") Como visualizar os canais selecionados na lista surf SURF Dica: Mantendo a função Nível de Sinal ativada e • Pressione a tecla SURF para ativar a lista Surf. selecionada dentro do menu, é possível ajustar a direção de sua antena e escolher a posição que lhe • Use as teclas de cursor PARA CIMA ou PARA BAIXO para circular através dos proporcione o maior nível, ou seja o melhor sinal. canais da lista Surf. 14
  • 13.
    ANTES DE CHAMARO SERVIÇO TÉCNICO LISTA DE SERVIÇOS AUTORIZADOS Abaixo é apresentada uma lista de sintomas ocorridos freqüentemente com o TV. Antes de chamar o Serviço ACRE CASTELO 28-5421811 ALMENARA 33-7211234 VAZANTE 34-8131420 RIO BRANCO 68-2249116 COLATINA 27-37222288 ANDRADAS 35-37312970 VIÇOSA 31-38918000 Técnico, faça estas verificações simples. Alguns destes sintomas podem ser corrigidos facilmente com a ajuda GUARAPARI 27-3614355 ARAXA 34-36611132 das informações abaixo. ALAGOAS LINHARES 27-33710148 ARAXA 34-36691869 PARÁ ARAPIRACA 82-5222367 NOVA VENECIA 27-37521729 ARCOS 37-33513455 ABAETETUBA 91-37512272 MACEIO 82-2417237 PINHEIROS 27-7651303 BAMBUI 34-34311473 BELEM 91-2690400 PALMEIRA DOS INDIOS 82-4213452 SAO DOMINGO DO NORTE 27-7421237 BARBACENA 32-33310283 BELEM 91-2462100 Sintoma O que fazer UNIAO DOS PALMARES 82-2811305 SAO GABRIEL DA PALHA 27-7271153 BELO HORIZONTE 31-32257262 CAPANEMA 91-4621100 Mancha nas cores • Desligue o televisor pela chave de rede. Aguarde 20 minutos antes de ligar o aparelho SAO MATEUS 27-7631366 BELO HORIZONTE 31-32254066 CASTANHAL 91-37215052 AMAZONAS VILA VELHA 27-32891233 BELO HORIZONTE 31-34420944 ITAITUBA 93-5181545 novamente. MANAUS 92-6333035 VITORIA 27-32233899 BELO HORIZONTE 31-32733777 MARABA 94-3211891 • Verifique se o aparelho não está colocado muito próximo de alto-falantes ou objetos MANAUS 92-6633366 BETIM 31-35322088 OBIDOS 93-5471621 GOIÁS BOM DESPACHO 37-35212906 PARAGOMINAS 91-7293356 magnéticos. AMAPÁ ANAPOLIS 62-3243562 BOM DESPACHO 37-5222511 PARAUAPEBAS 94-3461137 MACAPA 96-2234869 CACU 62-6561811 CARANGOLA 32-37412017 PORTO TROMBETAS 91-5491606 Não liga • Verifique se o cabo de rede está conectado na tomada. Se o aparelho ainda não ligar, MACAPA 96-2175934 CATALAO 64-4412786 CARATINGA 33-33212379 REDENCAO 94-4240351 SANTANA 96-2830406 GOIANESIA 62-3531302 CASSIA 35-35412293 SANTAREM 93-5235322 desligue-o da tomada, espere 60 segundos e então reinsira o plug na tomada de rede. GOIANIA 62-2919095 CATAGUASES 32-34215321 Pressione o botão liga/desliga novamente. BAHIA GOIANIA 62-2292908 CAXAMBU 35-33413661 PARAÍBA ALAGOINHAS 75-4211128 GOIATUBA 64-4952401 CONGONHAS 31-37311683 CAMPINA GRANDE 83-3212128 BARREIRAS 77-6117592 INHUMAS 62-5111840 CONS LAFAIETE 31-37612871 ESPERANCA 83-3612273 Sem imagem • Verifique a conexão da antena na parte traseira do aparelho. BOM JESUS DA LAPA 77-4814335 IPAMERI 62-4511184 CONTAGEM 31-33912994 GUARABIRA 83-2711159 • Possível problema na estação de TV. Tente outro canal. BRUMADO 77-4412381 ITAPURANGA 62-3551484 CONTAGEM 31-3953461 IGUATU 88-5810512 • Verifique os ajustes do menu IMAGEM ou pressione a tecla SMART PICTURE. CAETITE 77-4541183 ITUMBIARA 64-4310837 CORONEL FABRICIANO 31-38411804 JOAO PESSOA 83-2467043 CAMACARI 71-6218288 JATAI 64-6314819 CURVELO 38-37213009 NOVA FLORESTA 83-3741014 CATU 71-6411982 JATAM 64-6367458 DIVINOPOLIS 37-32212353 PATOS 83-4232172 Imagem boa, mas sem • Tente aumentar o volume. CICERO DANTAS 75-2781169 JUSSARA 62-3731806 FORMIGA 37-33212868 SAPE 83-2832479 CRUZ DAS ALMAS 75-6212839 PIRES DO RIO 64-4611133 FRUTAL 34-34235279 SOLANEA 83-3633937 som • Verifique se a função LIMITADOR DE VOLUME está ativada. CRUZ DAS ALMAS 75-6212839 PORANGATU 62-3671799 GOV VALADARES 33-32716650 ESPLANADA 75-4271454 RIALMA 62-3971320 GUAXUPE 35-35513891 PARANÁ Som bom, mas cor pobre • Tente aumentar os ajustes de contraste, brilho e cor. EUNAPOLIS 73-2815181 RIO VERDE 64-6210173 GUAXUPE 35-5514124 AMPERE 46-5471605 FEIRA DE SANTANA 75-2232882 TRINDADE 62-5051505 IPATINGA 31-8222332 ANTONINA 41-4321404 ou sem imagem • Tente outra regulagem de SMART PICTURE via controle remoto. GANDU 73-2541664 URUACU 62-3571285 ITABIRA 31-38316218 APUCARANA 43-4225306 ILHEUS 73-2315995 ITAJUBA 35-36211315 ARAPONGAS 43-2522882 Imagem e som ruidosos • Verifique a conexão de antena na parte traseira do TV. IPIAU 73-5311219 MARANHÃO ITAPECERICA 37-3411326 ASSIS CHATEAUBRIAND 44-5285181 IRECE 74-6411248 ACAILANDIA 99-5381889 ITAUNA 37-32412468 ASTORGA 44-2341213 • Em alguns casos, somente a utilização de uma antena externa poderá melhorar a imagem. ITABERABA 75-2512358 BACABAL 99-6216370 ITUIUTABA 34-32682131 BANDEIRANTES 43-5421711 • Tente ajustar a sintonia fina. ITABUNA 73-6137777 BALSAS 99-5410113 JANAUBA 38-38211605 CAMPO MOURAO 44-5238970 ITAPETINGA 77-2613003 CAROLINA 98-7311335 JOÃO MONLEVADE 31-38512909 CASCAVEL 45-2254005 JACOBINA 74-6213451 CHAPADINHA 98-4711364 JOÃO MONLEVADE 31-8521112 CIANORTE 44-6292842 Linhas pontilhadas • Possível interferência elétrica por ex.: secador de cabelos, aspirador de pó, etc. JEQUIE 73-5254141 CAXIAS 99-5212377 JOÃO PINHEIRO 38-35611327 CURITIBA 41-3334764 horizontais Desligue os eletrodomésticos. JUAZEIRO 74-6116456 CODO 99-6611277 JUIZ DE FORA 32-32151514 CURITIBA 41-2648791 JUAZEIRO 74-6111002 COELHO NETO 98-4731351 LAGOA DA PRATA 37-2611908 DOIS VIZINHOS 46-5361490 MURITIBA 75-4241908 IMPERATRIZ 99-5244969 LAGOA SANTA 31-6812311 FOZ DO IGUACU 45-5233029 Imagens duplas ou • Possível mau posicionamento da antena. A utilização de uma antena mais direcional PAULO AFONSO 75-2811349 PRES. DUTRA 99-6631815 LAVRAS 35-38219188 FOZ DO IGUACU 45-5234115 imagens “Fantasma” pode melhorar a recepção. POCOES 77-4311523 SAO JOSE DE RIBAMAR 98-2241581 MANHUACU 33-3314735 FRANCISCO BELTRAO 46-5233230 RIBEIRA DO POMBAL 75-2761853 SAO LUIS 98-2323236 MONTE CARMELO 34-38422082 GOIO-ERE 44-5221446 SALVADOR 71-2473659 MONTE SANTO DE MINAS 35-35911888 GUARAPUAVA 42-6235325 TV não responde ao • Verifique as baterias do controle remoto. SALVADOR 71-2072791 MATO GROSSO MONTES CLAROS 38-32218925 IBAITI 43-5461162 controle remoto • Dirija o controle remoto diretamente à lente do sensor de controle remoto. SALVADOR 71-3356233 ALTA FLORESTA 66-5212460 MURIAE 32-7224334 IBIPORA 43-2581863 SANTO AMARO 75-2413330 ALTO ARAGUAIA 66-4811726 MUZAMBINHO 35-5712419 IRATI 42-4221337 SENHOR DO BONFIM 74-5413143 BARRA DO GARÇAS 66-4011438 NANUQUE 33-36212165 LAPA 41-6222410 SERRINHA 75-2611794 CACERES 65-2234760 NOVA LIMA 31-35412026 LOANDA 44-4252053 STO ANTONIO JESUS 75-6314470 CUIABA 65-6230421 OLIVEIRA 37-33314444 LONDRINA 43-33241002 VALENCA 75-6413710 LUCAS DO RIO VERDE 65-5491333 PARA DE MINAS 37-32316369 MAL CANDIDO RONDON 45-2541949 VITORIA DA CONQUISTA 77-4241183 MIRASSOL D'OESTE 65-2411716 PARACATU 38-36711250 MANDAGUARI 44-2331335 PONTES E LACERDA 65-2662326 PASSOS 35-35214342 MARINGA 44-2264620 CEARÁ PRIMAVERA DO LESTE 66-4981682 PATOS DE MINAS 34-38222588 MEDIANEIRA 45-2642580 BREJO SANTO 88-5310133 RONDONOPOLIS 66-4233888 PATROCINIO 34-38311531 NOVA ESPERANCA 44-2524705 FORTALEZA 85-2573155 SINOP 66-5311473 PIRAPORA 38-37414197 NOVA LONDRINA 44-4322991 IBIAPINA 88-6531223 SORRISO 66-5441443 PITANGUI 37-32714101 PALMEIRA 42-522455 IGUATU 88-5810512 TANGARA DA SERRA 65-3261431 PIUNHI 37-33714632 PALMEIRA 42-2523006 JUAZEIRO DO NORTE 88-5112667 POÇOS DE CALDAS 35-37222531 PALOTINA 446-495131 OROS 88-5841271 MATO GROSSO DO SUL POÇOS DE CALDAS 35-37224448 PARANAGUA 41-4225804 SOBRAL 88-6110605 AMAMBAI 67-4811543 POUSO ALEGRE 35-34212120 PARANAVAI 44-4234711 CAMPO GRANDE 67-3242804 SANTOS DUMONT 32-2514820 PATO BRANCO 46-2242786 DISTRITO FEDERAL CORUMBA 67-2313923 SAO JOÃO DEL REI 32-33718306 PEROLA 44-6361419 BRASILIA 61-2269898 DOURADOS 67-4217117 SAO SEBASTIAO PARAISO 35-5313094 PONTA GROSSA 42-2226590 L03.1L AA GAMA 61-5564840 IVINHEMA 67-4421244 SAO SEBASTIAO PARAISO 35-35312054 ROLANDIA 43-2561947 TAGUATINGA 61-3526655 NAVIRAI 67-4612486 SETE LAGOAS 31-7713307 SANTA FE 44-2471147 NOVA ANDRADINA 67-4413851 STO ANTONIO MONTE 37-32811258 SAO JORGE D'OESTE 46-5341305 ESPÍRITO SANTO PONTA PORA 67-4314313 TIMOTEO 31-38482728 SAO JOSE DOSAO PINHAIS 41-2822522 ALEGRE 28-5526349 RIO BRILHANTE 67-4527950 TRES CORACOES 35-32312493 SAO MIGUEL DO IGUACU 45-5651429 ARACRUZ 27-32561251 TRES LAGOAS 67-5212007 UBA 32-35323626 STO ANTONIO PLATINA 43-5341809 BAIXO GUANDU 27-37321142 UBERABA 34-33332520 TOLEDO 45-2522471 BARRA S FRANCISCO 27-37562245 MINAS GERAIS UBERLANDIA 34-32123636 UMUARAMA 44-6231233 CACH DO ITAPEMIRIM 28-35219372 ALFENAS 35-32923911 VARGINHA 35-32227889 WENCESLAU BRAZ 43-8223066 13
  • 14.
    14 LISTA DE SERVIÇOS AUTORIZADOS ESPECIFICAÇÕES TÉCNICAS PERNAMBUCO GIRUA 55-3611764 DESCANSO 49-6230245 MARILIA 14-4247437 14PT3131 14PT4131 20PT3331 20PT4331 BELO JARDIM 81-37261918 GRAVATAI 51-4882830 FLORIANOPOLIS 48-2254149 MATAO 16-2821046 CABO STO AGOSTINHO 81-35211823 HORIZONTINA 55-35371817 IBIRAMA 473-572567 MAUA 11-45145233 Sistema CAMARAGIBE 81-34581246 HORIZONTINA 55-35371680 INDAIAL 47-3330361 MOGI DAS CRUZES 11-47277025 CARUARU 81-37220235 IBIRAIARAS 54-3551359 IPORA DO OESTE 498-341289 MOGI-MIRIM 19-38624401 AUTO • • • • FLORESTA 81-8771274 IJUI 55-33327766 ITAIOPOLIS 476-522282 MOJI-GUACU 19-38311811 PAL-M • • • • GARANHUNS 87-37611090 ITAQUI 55-4331305 ITAJAI 47-3444777 OLIMPIA 17-2812184 PAL-N • • • • PAULISTA 81-34331142 JAGUARAO 53-2612264 JARAGUA DO SUL 47-3722050 OSASCO 11-36837343 RECIFE 81-32313399 LAJEADO 51-37145155 JOACABA 49-5220418 OURINHOS 14-33225457 NTSC • • • • RECIFE 81-34452111 LIBERATO SALZANO 55-7551236 JOINVILLE 47-4331146 PIRACICABA 19-34340454 PAL-BG Playback • • • • RECIFE 81-34656042 MONTENEGRO 51-6324187 LAGES 49-2232355 PIRASSUNUNGA 19-5614091 L03.1L AA SALGUEIRO 87-38716309 NONOAI 54-3621126 LAGES 49-2244414 PORTO FERREIRA 19-5812441 Alimentação SERRA TALHADA 87-38311401 NOVA PRATA 54-2421328 LAGUNA 48-6461221 PRES. EPITACIO 18-2814184 90 a 255V Automático • • • • NOVO HAMBURGO 51-5823191 LAURO MULLER 484-643202 PRES. PRUDENTE 18-2225168 PIAUÍ OSORIO 51-6632524 MARAVILHA 49-8640052 PROMISSAO 14-5411696 50/60Hz • • • • CAMPO MAIOR 86-2521376 PALMEIRA MISSOES 55-37421407 ORLEANS 48-4660674 RIBEIRAO PRETO 16-6106989 Consumo aprox. 36W 38W 46W 48W FLORIANO 86-5221154 PANAMBI 55-3753488 PINHALZINHO 497-661014 RIBEIRAO PRETO 16-6368156 OEIRAS 89-4621066 PASSO FUNDO 54-3111104 PORTO UNIAO 42-5232839 RIO CLARO 19-5348543 Consumo em Stand-by (220 V) < 3W < 3W < 3W < 3W PARNAIBA 86-3222877 PELOTAS 53-2223633 RIO DO SUL 47-5211920 SALTO 11-40296563 Tubo de Imagem PICOS 89-4221444 PORTO ALEGRE 51-32226941 SANTA ROSA DO SUL 48-5331225 SANTO ANDRE 11-49905288 PICOS 89-4155135 PORTO ALEGRE 54-33256653 SAO MIGUEL D'OESTE 49-6220026 SANTOS 13-32272947 Flat Square 14" 14" 20" 20" OS DADOS DESTE MANUAL ESTÃO SUJEITOS A ALTERAÇÕES PIRIPIRI 86-2761092 RIO GRANDE 53-2323211 SEARA 49-4521034 SANTOS 13-32847339 Tamanho do Tubo 36 cm 36 cm 51 cm 51 cm TERESINA 86-2230825 RIO PARDO 51-7312072 SOMBRIO 48-5330017 SAO BERNARDO CAMPO 11-41257000 Diagonal visual aprox. 33 cm 33 cm 48 cm 48 cm ROSARIO DO SUL 55-2311264 TAIO 478-620576 SAO BERNARDO CAMPO 11-43681788 RIO DE JANEIRO SANT LIVRAMENTO 55-2422741 TUBARAO 48-6224448 SAO CAETANO DO SUL 11-42214334 Recepção de canais ARARUAMA 22-26656286 SANTA MARIA 55-2222235 TUBARAO 48-6261651 SAO CARLOS 16-2614913 VHF/UHF (2 ao 69) • • • • B JESUS ITABAPOANA 24-38312216 SANTA ROSA 55-35121991 TURVO 48-5250373 SAO JOAO DA BOA VISTA 19-36232990 BELFORD ROXO 21-27616060 SANTO AUGUSTO 55-7811511 URUSSANGA 484-651137 SAO JOSE DO RIO PARDO 19-36085760 TV a Cabo (1 ao 125) • • • • CABO FRIO 22-26451819 SAO BORJA 55-4311850 XANXERE 49-4333026 SAO JOSE DOSAO CAMPOS12-39216082 Conexões traseiras CAMPOS GOITACAZES 22-7221499 SAO FCO DE PAULA 54-2441466 SAO JOSE RIO PRETO 17-2341209 CANTAGALO 22-5555303 SAO GABRIEL 55-2325833 SÃO PAULO SAO PAULO 11-69791184 Entradas DUQUE DE CAXIAS 21-37711508 SAO JOSE DO OURO 54-3521216 AGUAS DE LINDOIA 19-38241524 SAO PAULO 11-38659897 Áudio e Vídeo 1x (mono) 1x (mono) 1x (estéreo) ITABORAI 21-26351738 SAO LOURENCO SUL 53-2513225 AMERICANA 19-34067180 SAO PAULO 11-62156667 ITAOCARA 22-38612740 SAO LUIZ GONZAGA 55-33521365 AMERICANA 19-34062914 SAO PAULO 11-69545517 Componente de Vídeo (CVI) • ITAPERUNA 22-38220605 SAO MARCOS 54-2911462 AMPARO 19-38072674 SAO PAULO 11-36726766 Antena 75 Ohms via tomada F • • • • MACAE 22-27626235 SAO SEPE 55-2331691 ARACATUBA 18-6218775 SAO PAULO 11-69667101 MAGE 21-26330605 SOLEDADE 54-3812036 ARARAQUARA 16-2368710 SAO PAULO 11-32077111 Saídas MARICA 21-26340069 STA CRUZ DO SUL 51-37153048 ASSIS 18-3228937 SAO PAULO 11-39757996 Áudio e Vídeo 1x (estéreo) NITEROI 21-26220157 STA VITORIA PALMAR 532-631284 AVARE 14-37322142 SAO PAULO 11-62976464 NOVA FRIBURGO 22-5227692 TAPEJARA 54-3442353 BARRETOS 17-33222742 SAO PAULO 11-55735583 Conexões Frontais NOVA IGUACU 21-26675663 TAPERA 54-3851160 BATATAIS 16-37614455 SAO PAULO 11-55321515 Entradas PETROPOLIS 24-2312737 TAQUARI 51-6531291 BAURU 14-2239551 SAO PAULO 11-56679695 1x (estéreo) RIO DE JANEIRO 21-33940202 TORRES 51-6641940 BIRIGUI 18-6424011 SAO PAULO 11-36173031 Áudio e Vídeo RIO DE JANEIRO 21-22779300 TRES DE MAIO 55-5352101 BOTUCATU 14-68221081 SAO PAULO 11-66472819 Saída Fone de ouvidos • RIO DE JANEIRO 21-25900577 URUGUAIANA 55-4112730 BOTUCATU 14-68215044 SAO PAULO 11-37714709 Indicador de Stand-by RIO DE JANEIRO 21-25894622 VACARIA 54-2311396 BRAGANCA PAULISTA 11-40341333 SAO PAULO 11-5770899 RIO DE JANEIRO 21-25892030 VENANCIO AIRES 51-7411443 CAMPINAS 19-37372500 SAO PAULO 11-2222311 Luz verde no painel frontal • • • • RIO DE JANEIRO 21-25097136 VERA CRUZ 51-7181350 CAMPINAS 19-32369199 SAO ROQUE 11-4255635 Saída de Áudio 1 x 3W 2 x 3W 1 x 3W 2 x 3W RIO DE JANEIRO 21-24457239 CAMPINAS 19-32544819 SAO SEBASTIAO 12-38924291 RIO DE JANEIRO 21-24315426 RONDÔNIA CAMPINAS 19-32336498 SOROCABA 15-2241170 Dimensões aprox. LxAxP (cm) 36 x 36 x 37 45 x 35 x 38 49 x 47 x 48 59 x 45 x 48 TERESOPOLIS 21-27420036 CACOAL 69-4415171 CAMPOS DO JORDAO 12-2622142 STA BARBARA D'OESTE 19-34631211 Peso aprox. (Kg) 9 Kg 10 Kg 17 Kg 17 Kg TRES RIOS 24-2555687 GUAJARA-MIRIM 69-5414430 CAPIVARI 19-34911610 TAQUARITINGA 16-32524039 TRES RIOS 242-2521388 JARU 69-5211302 CASA BRANCA 19-36712771 TATUI 15-2514922 Gabinete Plástico Plástico Plástico Plástico VOLTA REDONDA 24-33420806 JI- PARANA 69-4235512 CATANDUVA 17-5232686 TAUBATE 12-2219080 Acessórios JI-PARANA 69-4215589 CERQUILHO 152-842121 TUPA 144-422596 • • • • RIO GRANDE DO NORTE PIMENTA BUENO 69-4512934 CRUZEIRO 12-5433859 VINHEDO 19-38765310 Controle Remoto ASSU 84-3311116 PORTO VELHO 69-2221298 DIADEMA 11-40574387 VOTUPORANGA 17-4215726 Pilhas tipo AA • • • • CAICO 84-4173132 PORTO VELHO 69-2216671 DRACENA 18-58212479 • • • • MOSSORO 84-3217745 PORTO VELHO 69-2221298 FERNANDOPOLIS 17-34423921 SERJIPE Adaptador 75/300 Ohms NATAL 84-2234722 ROLIM DE MOURA 69-4421178 FRANCA 16-37223898 ARACAJU 79-2411567 Antena Telescópica • • NATAL 84-2132345 VILHENA 69-3223321 FRANCO DA ROCHA 11-4322608 ARACAJU 79-2119764 PAU DOS FERROS 84-3512334 GUARUJA 13-33582942 ARACAJU 79-2464143 RORAIMA GUARULHOS 11-64227555 ESTANCIA 79-5222325 RIO GRANDE DO SUL BOA VISTA 95-2249605 IGARAPAVA 16-31724600 ITABAIANA 79-4313023 CAPAO DA CANOA 51-6652638 INDAIATUBA 19-38753808 CARAZINHO 54-3302292 SANTA CATARINA ITAPETININGA 15-2710936 TOCANTINS CATUIPE 55-3361008 ARARANGUA 48-5220229 ITAPIRA 19-38633802 ARAGUAINA 63-4212857 CAXIAS DO SUL 54-2148011 BLUMENAU 47-3227742 ITAQUAQUECETUBA 11-46420695 GUARAI 63-4641590 CERRO LARGO 55-3591973 CACADOR 49-5630858 ITARARE 15-5322743 GURUPI 63-3511038 CORONEL BICACO 55-5571397 CANOINHAS 47-6223157 ITU 11-40230188 PALMAS 63-2144502 DOIS IRMAOS 51-5641286 CAPINZAL 49-5552266 ITUVERAVA 16-7293365 PARAISO TOCANTINS 63-6022695 ENCANTADO 51-37511654 CHAPECO 49-3223304 JABOTICABAL 16-32021580 ERECHIM 54-3211933 CHAPECO 49-3221144 JAU 14-6222117 ESTANCIA VELHA 51-5612142 CONCORDIA 494-423704 JUNDIAI 11-45862182 SUJEITO A ALTERAÇÕES FAXINAL DO SOTURNO 55-2632064 CRICIUMA 48-4375155 LEME 19-5713528 FREDERICO WESTPHALEN 55-37441850 CUNHA PORA 49-630043 LIMEIRA 19-34413179 GETULIO VARGAS 54-3411888 CURITIBANOS 49-2410851 MARILIA 14-4332375 Nota :Para a Tensão de Operação, Freqüência, Consumo e Número de Versão, consulte o número de tipo na parte traseira do aparelho.
  • 15.
    CERTIFICADO DE GARANTIAINTERNACIONAL ESTE APARELHO É GARANTIDO PELA PHILIPS DA AMAZÔNIA INDÚSTRIA ELETRÔNICA LTDA., POR UM PERÍODO SUPERIOR AO ESTABELECIDO POR LEI. PORÉM, PARA QUE A GARANTIA TENHA VALIDADE, É IMPRESCINDÍVEL QUE, ALÉM DESTE CERTIFICADO, SEJA APRESENTADA A NOTA FISCAL DE COMPRA DO PRODUTO. 1) A PHILIPS DA AMAZÔNIA INDÚSTRIA ELETRÔNICA LTDA. ASSEGURA AO PROPRIETÁRIO CONSUMIDOR DESTE APARELHO A GARANTIA DE 365 DIAS (90 DIAS LEGAL MAIS 275 ADICIONAL) CONTADOS A PARTIR DA DATA DE ENTREGA DO PRODUTO, CONFORME EXPRESSO NA NOTA FISCAL DE COMPRA, QUE PASSA A FAZER PARTE DESTE CERTIFICADO. 2) ESTA GARANTIA PERDERÁ SUA VALIDADE SE: A) O DEFEITO APRESENTADO FOR OCASIONADO POR USO INDEVIDO OU EM DESACORDO COM O SEU MANUAL DE INSTRUÇÕES. B) O PRODUTO FOR ALTERADO, VIOLADO OU CONSERTADO POR PESSOA NÃO AUTORIZADA PELA PHILIPS. C) O PRODUTO FOR LIGADO A FONTE DE ENERGIA (REDE ELÉTRICA, PILHAS, BATERIA, ETC.) DE CARACTERÍSTICAS DIFERENTES DAS RECOMENDADAS NO MANUAL DE INSTRUÇÕES E/OU NO PRODUTO. D) O NÚMERO DE SÉRIE QUE IDENTIFICA O PRODUTO ESTIVER DE ALGUMA FORMA ADULTERADO OU RASURADO. OS DADOS DESTE MANUAL ESTÃO SUJEITOS A ALTERAÇÕES. 3) ESTÃO EXCLUÍDOS DESTA GARANTIA DEFEITOS DECORRENTES DO DESCUMPRIMENTO DO MANUAL DE INSTRUÇÕES DO PRODUTO, DE CASOS FORTUITOS OU DE FORÇA MAIOR, BEM COMO AQUELES CAUSADOS POR AGENTES DA NATUREZA E ACIDENTES. 4) EXCLUEM-SE IGUALMENTE DESTA GARANTIA OS DEFEITOS DECORRENTES DO USO DOS PRODUTOS EM SERVIÇOS NÃO DOMÉSTICO/ RESIDENCIAL REGULAR OU EM DESACORDO COM O USO RECOMENDADO. 5) NOS MUNICÍPIOS ONDE NÃO EXISTA OFICINA AUTORIZADA DE SERVIÇO PHILIPS, AS DESPESAS DE TRANSPORTE DO APARELHO E/ OU DO TÉCNICO AUTORIZADO CORREM POR CONTA DO SR. CONSUMIDOR REQUERENTE DO SERVIÇO. 6) ESTE PRODUTO TEM GARANTIA INTERNACIONAL. O SERVIÇO TÉCNICO (DURANTE OU APÓS A GARANTIA) É DISPONÍVEL EM TODOS OS PAÍSES ONDE ESTE PRODUTO É OFICIALMENTE DISTRIBUÍDO PELA PHILIPS. NOS PAÍSES ONDE A PHILIPS NÃO DISTRIBUI ESTE PRODUTO, O SERVIÇO TÉCNICO DA PHILIPS LOCAL PODERÁ PRESTAR TAL SERVIÇO, CONTUDO PODERÁ OCORRER ALGUM ATRASO NO PRAZO DE ATENDIMENTO SE A DEVIDA PEÇA DE REPOSIÇÃO E O MANUAL TÉCNICO NÃO FOREM PRONTAMENTE DISPONÍVEIS. 7) A GARANTIA NÃO SERÁ VÁLIDA SE O PRODUTO NECESSITAR DE MODIFICAÇÕES OU ADAPTAÇÕES PARA HABILITÁ-LO A OPERAR EM QUALQUER OUTRO PAÍS QUE NÃO AQUELE PARA O QUAL FOI DESIGNADO, FABRICADO, APROVADO E/ OU AUTORIZADO, OU TER SOFRIDO QUALQUER DANO DECORRENTE DESTE TIPO DE MODIFICAÇÃO. PHILIPS DA AMAZÔNIA INDÚSTRIA ELETRÔNICA LTDA. Dentro do Brasil, para informações adicionais sobre o produto ou para eventual necessidade de utilização da rede de oficinas autorizadas, ligue para o Centro de Informações ao Consumidor tel. 0800 701 02 03 (discagem direta gratuita) ou escreva para Rua Verbo Divino, 1400 - 5° andar - CEP 04719-002 Chácara Santo Antônio - São Paulo - SP ou envie um e-mail para: cic@philips.com.br JUN/03 Horário de atendimento: L03.1L AA de segunda à sexta-feira, das 08:00 às 20:00 h; aos sábados das 08:00 às 13:00 h. Para atendimento fora do Brasil contate a Philips local ou a: Philips Consumer Service Beukenlaan 2 5651 CD Eindhoven The Netherlands 3106 105 27942 15
  • 16.
    16 L03.1L AA 4. Instruções Mecânicas Índice deste Capítulo: 4.3 Montagem da tampa traseira 1. Remoção da tampa traseira Antes de montar a tampa traseira, faça as seguintes checagens: 2. Posição de Serviço do Painel Principal 1. Cheque se o cabo de força está montado corretamente em 3. Montagem da tampa traseira seus suportes e guias. 2. Re-coloque o passa-fio do cabo de força no gabinete. 4.1 Remoção da tampa traseira 3. Cheque se todos os cabos estão posicionados em sua posição 1. Remova todos parafusos de fixação da tampa traseira. original. 2. Agora puxe a tampa traseira para trás para removê-la. 4.2 Posição de Serviço do Painel Principal 1. Desconecte o passa-fio do cabo de alimentação. 2. Remova o painel principal, empurrando as duas travas do centro para fora [1]. Ao mesmo tempo puxe o painel do CRT [2]. 3. Se necessário desconecte a bobina desmagnetizadora remo vendo o cabo (vermelho) do conector 0212. 4. Mova o painel um pouco para a esquerda e gire-o 90 graus [3], com os componentes na direção do CRT. 1 1 A 2 3 B Figura 4-1 Posição de Serviço
  • 17.
    L03.1L AA 17 5. Modos de Serviço, Códigos de Erro e Localização de Falhas Índice: 5.2.1 Modo Padrão de Ajuste de Serviço (SDAM) 1. Pontos de teste. Propósito 2. Modos de Serviço. • Mudar opções de Configuração. 3. Problemas e Dicas de Solução (relativo ao CSM). • Criar um valor pré-definido para obter os mesmos resultados de 4. ComPair. medição como neste manual. 5. O Procedimento do LED Piscando. • Mostrar/ Limpar o buffer de Código de Erro. 6. Proteções. • Para sobrepor proteções SW. 7. Dicas de Reparo. • Realizar ajustes. • Iniciar o procedimento de LED piscando. 5.1 Pontos de teste Especificações • Frequência de Sintonia : 61.25 MHz (Canal 3) para aparelhos O chassis é equipado com pontos de teste impressos na PCI. NTSC/PAL-M (LATAM). Nos esquemas elétricos os pontos de teste são identificados com • Sistema de Cores:PAL-M para LATAM BI/TRI/QUADRI-NORMA. uma caixa retangular ao redor das indicações Fxxx ou Ixxx. • Todos valores de imagem em 50 % (brilho, contraste,cor, matiz). • Grave, agudo e balanço em 50 %; volume em 25 %. Tabela 5-1 Visão Geral dos pontos de teste • Todos os serviços em modo não-amigável (se presente) estão Ponto de Teste CIRCUITO DIAGRAMA desabilitados, como: Fxxx, Ixxx POWER SUPPLY A1 - (sleep) timer, Fxxx, Ixxx Deflection A2 - trava para pais/filhos, Fxxx, Ixxx TUNER & IF A3 - tela azul, Fxxx, Ixxx VIDEO PROCESSING A4 - modo hotel/hospitaleiro Fxxx, Ixxx AUDIO PROCESSING A5 - desligamento automático (quando nenhum sinal de vídeo Fxxx, Ixxx AUDIO AMPLIFIER + A6 ‘IDENT’ é recebido para 15 minutos), MONO SOUND - skip / blank para os pré-ajustes não favoritos/ canais, PROCESSING - auto salvamento de pré-ajustes pessoais, Fxxx, Ixxx FRONT IO + FRONT A7 - time-out do menu automático do usuário. CONTROL + HEAD- • Contador de horas de operação. PHONE • Versão do Software. Fxxx, Ixxx DVD POWER SUPPLY A9 • Configuração de Opções. Fxxx, Ixxx CRT PANEL B1 • Leitura e apagamento do buffer de erro. • Ajustes de Software. Realize as medições sob as seguintes condições: • Modo Padrão de Ajuste de Serviço. Como entrar no SDAM • Vídeo: Sinal de barras colorido. Use um dos seguintes métodos: • Áudio: 3 kHz esquerdo, 1 kHz direito. • Use um controle remoto comum do usuário e digite o código ‘062596’ diretamente seguido pelo botão ‘M’ (menu) ou 5.2 Modos de Serviço • Temporariamente curto circuite o jumper 9257 e o pino 4 de 7200 na portadora mono (veja Fig.8-1) e ligue a alimentação Modo Padrão de Serviço de Ajuste (SDAM) oferece vários AC. Então pressione o botão de liga (remova o curto depois da recursos ao técnico de serviço. inicialização). • Cuidado: Entrando no SDAM por curto-circuito no jumper 9257 Existe também a opção de uso do ComPair, uma interface de e o pino 4 de 7200 sobrecarregaremos a proteção +8V. Faça isto hardware entre o PC (veja requerimentos) e o chassis do TV. Ele apenas durante um período curto. Quando executando esta tarefa oferece a habilidade de um troubleshooting estruturado, leitura dos o técnico deve saber exatamente que está fazendo, porque esta códigos de erro e da versão do software para todos os chassis. ação poderá danificar o aparelho. Requerimentos: Para rodar o ComPair, a configuração mínima é, • Ou via ComPair. processador 486, windows 3.1 e drive de CD-ROM. Um proces- sador Pentium e Windows 95/98 são preferíveis (veja também Após entrar no SDAM, a seguinte tela estará visível, com o S no paragrafo 5.4). canto superior direito para identificação. Tabela 5-2 Grupo SW ( Software) SW Cluster Nome do Tipo UOC Variação Caract. L L L L A A A B C D X . Y S Software UOC especiais E R R X X X X X X X X X X L3SLM1 L03LM1 x.y TDA9370 Tamanho Trinorma O P X X X X X X X X X X X X X X X X X X X X X 55K ROM mono C L E A R C L E A R ? L3SLM1 L03LM1 x.y TDA9377 Tamanho NTSC mono O P T I O N S > A K B > 55K ROM T U N E R > L3SLM1 L03LS1 x.y TDA9370 Tamanho Trinorma W H I T E T O N E > G E O M E T R Y > 55K ROM BTSC SAP A U D I O > Stereo L3SLM1 L03LS1 x.y TDA9377 Tamanho NTSC BTSC 55K ROM SAP Stereo Abreviações nos nomes dos softwares: L = Latam, M = Mono, N = Stereo não-dBx and S = Stereo dBx. Figura 5-1 Menu SDAM
  • 18.
    18 L03.1L AA • LLLL. Este é o contador de horas de operação. Conta as horas 2. Selecione o sub menu INSTALLATION. de operação normais, e não as horas do standby. 3. Selecione e altere o ajuste de sistema até que imagem e o • AAABCD-X.Y. Este é o software de identificação do microcon- som estejam corretos. trolador principal: 4. Selecione o Item de Menu STORE. - A = nome do projeto (L03). - B = região: E = Europa, Uma = Ásia Pacífica, U = NAFTA, L = Cores erradas/ imagem instável LATAM. Cheque linha do CSM 5. Sistema de cor Errado instalado.Para - C = Característicase diversidade de software: N = stereo non- mudar o valor: DBX, S = stereo dBx, M = mono, D = DVD 1. Pressione o botão de MENU no controle remoto. - D = Idioma e número de grupo. 2. Selecione o sub menu INSTALLATION. - X = número da versão de software principal. 3. Selecione e mude o valor de SYSTEM até que a imagem e - Y = número da versão de sub-software. som estejam corrigidos. • S Indicação do modo atual. S= SDAM= Modo Padrão de Ajuste 4. Selecione STORE no menu. de Serviço. • ERR. Buffer de erro. Cinco erros possíveis. Imagem muito escura ou muito brilhante • Bytes de opção. Sete códigos possíveis. Aumentar / diminuir o BRILHO e /ou o valor do CONTRASTE • CLEAR. Limpa o conteúdo do Buffer de Erro. Selecione o item quando: de menu Clear e aperte a tecla direita do cursor. O conteúdo do • A imagem melhora depois de ter pressionado o botão de ‘ Smart Buffer de Erro será limpo. Picture’ no controle remoto. • Opções. Para atribuir os Bytes de Opção. Veja capítulo 8.3.1 • A imagem melhora depois de ter ligado Modo de Serviço de para uma descrição detalhada. Cliente - CSM • AKB. Loop de Corrente de Preto: Desabilitado (0) ou habilitado O novo valor de preferência ‘Pessoal’ é automaticamente armaze- (1) (AKB = Auto Kine Bias). nado. • Tuner. Para ajustar o Tuner. Veja capítulo 8.3.2 para descrição detalhada. Linha Branca ao redor de elementos de imagem e texto • Balanço de branco. Para ajustar o balanço de branco. Veja Diminua valor SHARPNESS quando: capítulo 8.3.3 para descrição detalhada. • A imagem melhora depois de ter pressionado o botão de "Smart • Geometria. Para alinhar a geometria de conjunto. Veja capítulo Picture" no controle remoto. 8.3.4 para uma descrição detalhada. O novo valor de preferência ‘Pessoal’ é automaticamente armaze- • Áudio. Nenhum ajuste de áudio é necessário neste aparelho. nado. Como navegar • No modo SDAM, selecione itens de menu com a tecla CIMA/ Imagem chuviscada BAIXO do cursor no controle remoto. O item selecionado será • Ausência ou sinal de antena ruim. Conecte um sinal de antena realçado. Quando todos itens de menu não encaixam na tela, apropriado. mova a tecla CIMA/BAIXO do cursor para exibir o próximo • Antena não conectada. Conecte a antena. /prévio menu. • Nenhum canal / pré-ajustado está armazenado neste número • Com as teclas DIREITA/ESQUERDA do cursor, é possível: de programa. Vá ao menu INSTALL e armazene um canal apro - Ativar o item do menu selecionado. priado neste número de programa. - Mudar o valor do item do menu selecionado. • O tuner está com defeito (neste caso a linha de CÓDIGOS con- - Ativar o submenu selecionado. terá o número de erro 10). Cheque o tuner e o reponha / repare • Quando você pressiona o botão de MENU, o aparelho irá para se necessário. o menu normal do usuário (com o modo SDAM ainda ativo no fundo). Para retornar ao menu SDAM pressione o botão OSD / Imagem chuviscada e/ou instável STATUS. • Está recebendo um sinal decodificado ou embaralhado. • Quando você pressiona o botão de MENU num submenu,você voltará ao menu anterior. Imagem preto e branco Aumente o valor de COR quando: Como armazenar as configurações • A imagem melhora depois você tem pressionado o botão "Smart Para salvar as configurações, deixe o SDAM apertando a tecla Picture" no controle remoto. StandBy do controle remoto. O novo valor de preferência ‘Pessoal’ é automaticamente armaze- nado. Como sair Coloque o aparelho em STANDBY pressionando o botão power Texto de Menu não bastante definido no controle remoto (removendo o cabo de alimentação, o aparelho Diminua o valor de CONTRASTE quando: voltará no SDAM quando energia for re-aplicada). O buffer de erro A imagem melhora depois de ter pressionado o botão "Smart não estará limpo. Picture" no controle remoto. O novo valor de preferência ‘Pessoal’ é automaticamente armaze- 5.3 Dicas para resolução de Problemas nado. 5.3.1 Problemas de Imagem 5.3.2 Problemas do Som Nota: Os problemas descritos a seguir estão todos relacionados Nenhum som ou som muito alto (depois mudança de canal / com configurações do TV. Os procedimentos para alterar os enquanto muda canal) valores (ou Status) das diferentes configurações serão descritos. Aumente / diminua o nível de VOLUME até quando o volume estiver OK depois de ter ligado CSM. O novo valor de preferência Sem cores/ ruído na imagem ‘Pessoal’ é automaticamente armazenado. Cheque linha do CSM 5. Instalado o sistema do cor errado. Para mudar o valor: 1. Pressione o botão MENU no controle remoto.
  • 19.
    L03.1L AA 19 5.4 ComPair 5.4.3 Como conectar o ComPair 5.4.1 Introdução 1. Primeiramente instale o software de navegador do ComPair (veja o Cartão de Referência Rápido para instruções de insta- ComPair (Reparo Auxiliado por Computador ) é uma ferramenta de lação). serviço para produtos Eletrônicos Philips. ComPair é um desenvol- 2. Conecte o cabo de interface RS232 entre porta serial (COM) vimento do DST Europeu (controle remoto de serviço), que permite de seu PC e o conector de PC (marcado com ‘PC’) da inter- diagnosticar mais precisa e rapidamente. ComPair tem três gran- face do ComPair. des vantagens : 3. Conecte o cabo de alimentação ao conector de alimentação (marcado com ‘POWER 9V DC’) na interface do ComPair. • ComPair ajuda para que se possa realizar o reparo no chassis 4. Desligue a interface ComPair. rapidamente e guiar sistematicamente o técnico através dos 5. Desligue a televisor (remova cabo). procedimentos de reparo. 6. Conecte o cabo de interface do ComPair entre o conector • ComPair permite um diagnóstico muito detalhado (no nível I2C) traseiro da interface do ComPair (marcada com ‘I2C’) e conec e está portanto capaz de indicar com exatidão áreas de tor ComPair na portadora mono (veja figura 8-1 sufixo D). problema. O operador não precisa saber nada sobre comandos 7. Ligue o adaptador de força AC na saída ligue a interface. I2C porque ComPair se encarrega disto. Os LEDs verde e vermelho acendem ao mesmo tempo. O LED • ComPair acelera o tempo de reparo uma vez que pode se vermelho apaga depois aprox. 1 segundo enquanto o LED comunicar automatiamente com o chassis (quando o micro verde aceso. processador está trabalhando) e toda informação de reparo está 8. Comece o programa ComPair e leia o capítulo de ‘introdução’. diretamente disponível. Quando ComPair é instalado juntamente com o “ Searchman “ do chassis defeituoso, esquemas e PWBs podem ser acessados por um simples clique de mouse. 5.4.2 Especificações ComPair consiste de um programa baseado no Windows e uma interface entre PC e o produto (defeituoso). A interface do ComPair PC VCR Power I2C é conectada ao PC via cabo serial ou RS232. 9V DC No caso do chassis L03, a interface do ComPair e a TV se comunicam via cabo bi-direcional de serviço via conector de serviço (localizado no painel Principal, veja também figura 8-1D). Figura 5-2 Conexão ComPair O programa de encontrar falhas do ComPair é capaz de deter- minar o problema do televisor defeituoso. ComPair pode juntar 5.4.4 Componentes do ComPair informação do diagnóstio em dois caminhos: • Automático (por comunicação com o televisor): ComPair • kit de Início ComPair + software do SearchMan32 e interface do pode automaticamente ler todo o conteúdo do buffer de erro. ComPair32 (excluindo transformador); Diagnóstico é feito no nível de I2C. ComPair pode enviar e • Interface ComPair (excluindo transformador); receber comandos I2C ao microcontrolador do televisor. Desta • Kit com software de inicialização ComPair32 (versão de regis- Forma, é possível ao ComPair comunicar-se (leitura e escrita) tro); com dispositivos no barramento I2C da TV. • Kit com software de inicialização SearchMan32; • Manualmente (ao perguntar a você): Diagnóstico Automático • CD ComPair32 (atualizado); é unicamente possível se o microcontrolador do televisor está • CD SearchMan32 (atualizado); trabalhando corretamente e para uma certa extensão. Quando • Cabo de interface ComPair; não é o caso, ComPair guiará você através da árvore de falhas e perguntas (ex. A tela apresenta imagem? Selecione a resposta 5.4.5 Buffer de Erro correta: YES / NO) e mostrando exemplos (ex. Meça ponto- teste F001 e selecione a onda que o osciloscópio apresenta). O buffer de códigos de erro contém todos os erros detectados A resposta será um link (ex. texto ou uma forma de onda) que desde de a última vez que buffer foi apagado. O buffer é escrito de o levará para próximo estágio do processo de identificação de esquerda para direita. Quando um erro ocorre que não está ainda falhas. Por uma combinação de diagnóstico automático e uma no código de erro do buffer, é escrito no lado esquerdo e todos questão interativa / procedimento de resposta, ComPair indicará outros erros se movem uma posição à direita. a solução da maioria dos problemas num caminho efetivo e rápido. 5.4.6 Como ler o Buffer de Erros Além da descoberta de falha, ComPair fornece alguns recursos adicionais como: Você pode ler o Buffer de erros de 3 formas: • Up ou downloading de pré-ajustes. • Na tela via o SDAM (unicamente se você tem imagem). • Administração de listas de pré-ajustes. Exemplos: • Emulação da Ferramenta de Serviço do revendedor (DST). - ERROR: 0 0 0 0 0 : Nenhum erro detectado • Se ambos ComPair e SearchMan (Manual de Serviço Eletrô- - ERROR: 6 0 0 0 0 : Código de Erro 6 é o último e único erro nico) estão instalados, todos os esquemas e o PWBs do apare- detectado lho estão disponíveis no hyperlink apropriado. - ERROR: 9 6 0 0 0 : Código de Erro 6 foi primeiro Exemplo: Meça a tensão DC no capacitor C2568 (esquema/ detectado e código de erro 9 é o último (o mais novo) erro Painel) no mono Painel. detectado - Pressione no hyperlink ‘Painel’ para automaticamente mostrar o • Via procedimento de LED piscando (quando não existe PWB com um capacitor C2568 realçado. - Pressione no hyperlink ’Esquemático’ para mostrar a posição do capacitor realçado.
  • 20.
    20 L03.1L AA imagem). Veja próximo parágrafo. • n piscadas curtas (n = 1 - 14), o quando todos os códigos de erro • Via ComPair. são exibidos, a seqüência termina com uma piscada de 3 seg. do LED, o a seqüência começa outra vez. 5.4.7 Como limpar Buffer de Erro Exemplo de buffer de erro: 12 9 6 0 0 Depois de entrar no SDAM: O buffer de código de erro é limpo nos seguintes casos: • 12 piscadas curtas seguidos de uma pausa de 3 s, • Ativando CLEAR no menu SDAM : • 9 piscadas curtas seguidos de uma pausa de 3 s, • Se o conteúdo do buffer de erro não for mudado em 50 horas, • 6 piscadas curtas seguidos de uma pausa de 3 s, ele se reseta automaticamente. • 1 piscada longa de 3 s para finalizar a sequência, Nota: quando saindo do SDAM desconectando da tomada, o • a seqüência começa outra vez. buffer de erro não é limpo. 5.6 Proteções 5.4.8 Códigos de Erro Se uma situação de falha é detectada um código de erro será Em caso de falhas não-intermitentes, limpe o buffer de erro antes gerado e se necessário o aparelho entrará em modo de proteção. de começar o reparo. Assim, asseguramos que códigos de erro O LED vermelho piscará em uma frequência de 3 Hz indicando o antigos não estarão presentes. modo de proteção. Em alguns casos de erro, o microprocessador Se possível, cheque o conteúdo do buffer de erro. Em algumas não coloca o aparelho no modo de proteção. Os códigos de erro situações, um código de erro é o resultado de outro código de erro do buffer de erro podem ser lidos via o menu de serviço (SDAM) e não uma causa real (ex. uma falha na detecção do circuito de ou procedimento de LED piscando ou via ComPair. proteção pode também conduzir para uma falha de proteção). Para obter um diagnóstico rápido, o chassis tem um modo de Tabela 5.3 - Tabela de Códigos de Erros serviço implementado: • O Modo Padrão de Ajuste de Serviço (SDAM). Início e ajuste Erro Dispositivo Descrição Verifique Diagrama de uma forma pré-definida e ajuste do aparelho via menu e do erro item com a ajuda de padrões de teste. 0 Não Aplicável Sem erro - - 1 Não Aplicável Proteção Raio-X - - 5.7 Dicas de Reparo (USA) 2 Não Aplicável Proteção 7421, 7422, 7423, A2 Seguem alguns sintomas de falha, seguidos por uma dica de Horizontal reparo. 3 Não Aplicável Proteção 7461,7462,7463, A2 • Aparelho está apagado com um som intermitente. Vertical 7464,7465,7466 ‘Alimentação’ está disponível. Som intermitente para quando 4 AN5891K & Ident. de erro 7821 (IC Tom), A5 dessoldando L5563, significando que problema está na linha AN5829S I2C do Controle 7841 ‘MainSupply’. Nenhuma tensão de saída do LOT, nenhuma de tom e proces- deflexão horizontal. Razão: transistor de linha 7421 está defeitu sador de áudio oso. 5 TDA93XX POR3.3V / 8V 7200, 7541, 7491, A4, A1 • Aparelho está apagado e sem som. Cheque a alimentação Proteção 7493,7496 IC 7520. Resultado: tensão nos pinos 2, 6, 7, 9 e 11 estão acima 6 I2C Bus Erro geral no 7200, 36024, 3605 A4 de 180 V e pino 14 está em 0 V. A razão porque a tensão nestes I2C Bus pinos está tão alta é que o driver de saída (pino 11) tem uma 7 Não Aplicável - - - carga aberta. Por isso o MOSFET 7521 não é capaz de chavear. 8 Não Aplicável Proteção E/W - - Razão: resistor de retorno 3523 está defeituoso. Atenção: cui- (Tela grande) dado com a medição na porta 7521; a impedância ohmica é 9 M24C16 NVM erro de 7641, 3641, A4 muito alta e pode facilmente ser danificada! (primeiro conecte o identificação I2C 3642, 3643 terra do equipamento de medição, e então a porta). 10 Tuner Tuner I2C - Erro 1000, 3003,3004 A3 • O aparelho está em um modo intermitente e desliga após de identificação 8s. LED piscando (aparelho no modo do SDAM) indica erro 5. É 11 Não Aplicável Proteção "Black 3313,7307,7308,73 B1 improvável que as proteções ‘POR’ e ‘+8V apareçam ao current loop" 09,7310,7311,7312, mesmo tempo, então, meça primeiramente o ‘+8V’. Se esta 7313,7314,7315,73 tensão não existe, cheque os transistores 7491 e 7496. 16,7317,7318,CRT • Aparelho funciona de forma intermitente. Aparelho está em 12 Não Aplicável MAP I2C erro de - - modo de sobre-corrente; cheque o secundário (opto coupler identificação (USA) 7515) e a tensão ‘MainSupply’. Sinal ‘Stdby_con’ deve ser de 13 Não Aplicável VC I2C erro de - - lógica baixa sob condições de operação normais e vai para alto identificação (3.3 V) no standby e em condições de falha. (Eu) • Aparelho liga, mas sem imagem nem som. A tela está com 14 Não Aplicável DVD I2C erro de - - chuviscos, mas o OSD e outros menus estã o ok. Procedimento identificação de LED piscando indica erro 11, assim problema é esperado no tuner (pos. 1000). Cheque presença de tensão de alimentação. 5.5 Procedimento do LED Piscando Como ‘Vlotaux+5V’ nos pinos 5 e 7 estão ok, ‘VT_supply no pino 9 é que falha. Conclusão: resistores 3449 e 3450 estão Por este procedimento, pode-se visualizar conteúdo do buffer de defeituosos. erro pelo LED frontal. Isto é especialmente útil quando não há imagem. Quando entra-se no SDAM, o led piscara o conteúdo do buffer de erro.
  • 21.
    L03.1L AA 21 6. Diagrama em Blocos, I2C, Tensões de Alimentação, e Vista Geral dos Pontos de Teste Diagrama em Blocos A7 FRONT I/O A8 REAR I/O A5 AUDIO PROCESSING (STEREO + SAP) (FOR STEREO SETS ONLY) A6 AUDIO AMPLIFIER A7 FRONT CONTROL A4 CONTROL +3.3V MONO STEREO 1184 1121 AV1 6692 7841 7821 TSOP1836 F691 7641 1 1 M24C04 V V V AN5829S AN5891K 5601 5603 5602 +3.3V 1 IR 7200-B 1 TDA93XX 54 61 56 EEPROM 8 7901 AN7522N (STEREO) 1185 1124 1 L1_IN 7902 AN7523N (MONO) WP (NVM) 6691 11 7 6 L I848 I830 F905 0280 LED 6 6 A5 A4 L1_IN +3V3 IR 67 +3V3 ERR 5 L L 2 21 L_OUT 3 12 Main_OutL 6 2 L+ 4 9 2 2 R1_IN MATRIX SURR F906 R A8 R1_IN SWITCH TONE L LOCAL LED 11 4 4 A5 3 22 R_OUT 22 15 Main_OutR 8 4 L- 5 KEYBOARD IIC 3602 3601 3643 3642 R BUS 3605 3 3 F907 3 SDA VOLUME 9 10 R- 1 SDA A3 I847 I836 A4 CHANNEL + / - KEYBOARD I/O VOLUME + / - 8 PORTS 3604 F642 R2_IN F908 OR 2 SCL SCL A5 24 1 12 R+ 2 R DVD EJECT Vaux/Vaudio POWER (USA only) F643 R_OUT ERR 7101 A8 L2_IN 6 7161, 23 A8 0239 VST CVBS_TER_OUT L_OUT 7162 OR 5 A4 PWM- Pvv_ADJ A1 SY_CVBS_IN DAC 6 V SEL_AV1_AV2 SWITCH ITV_CLOCK A4 N.C. MONITOR OUTPUT A4 A4 7 ROM ITV_POR A4 N.C. L L-OUT A5 3842 3828 A7 HEADPHONE E TOP CONTROL RAM 1 Std_Con A1 9 STATUS2 STEREO 19 14 63 11 1010 STATUS 2 A8 A4 14 + 1/10 R-OUT 3843 3827 L+ L+ LOCAL 2 64 R A5 10 SAP 18 13 KEYBOARD PAGES SEL_AV1_AV2 A8 DEMODULATOR L- L- MEMORY 6 CHANNEL + / - 5 R- R- TELE 4 VOLUME + / - VOLUME A6 2 3 ERR ERR TEXT/CC 4 R+ R+ + SDA SCL SVHS C-IN 4 4 SDAM G-SC1_IN_Y_IN A4 OSD V (OPT.) 1 4 9257 5 A4 SPEAKER 60 INPUT B-SC1_IN_U_IN MONO CVBS SYNC A4 2 X 5W 16 Ohm YUV L V POR 2 X 3W 8 Ohm 57 (ITV) A4 N.C. R-SC1_IN_V_IN AV2 L2-IN A5 2 X 1W 8 Ohm L R L_OUT A8 CPU 1621 58 12MHz R2-IN R A5 A3 TUNER IF 9282 A4 IF, VIDEO B1 CRT +160V VT_SUPPLY VT_SUPPLY_A A2 CVBS_TER_OUT A8 3313 6001 BZX79-C33 7313 5002 AM_FM_MONO 7314 +5V F301 R 1000 +8VD AUDIO CARRIER 7200-C UV1336 7200-A TDA93XX 6, 7 9 TDA93XX FILTER 3301 0165 VT 1001 AQUADAG F003 VIF_1 23 5201 OSD 7315 2 11 VIDEO VIDEO 7316 R 7 TV TUNER IF VIDEO 38 F603 1622 1300 F309 IF PLL 7201 3619 F302 3305 VIF_2 24 AMPLIFIER 1201 RGB R RGB 51 RED 1 1 G 9 R AGC DEMOD. 40 I/O G ERR 4.5MHz MATRIX CONTROL SWITCHING G CRT 10 G 3620 F604 B 3 27 3205 52 GREEN 2 2 F310 (9P) RGB B OSD/TEXT/CC 3309 B F605 7317 AGC Y INSERT INSERT 3621 7318 SOUND SOUND 53 BLUE 3 3 F303 4 5 6 8 5 4 1 44 Y-DELAY FM-DEMOD. AUDIO AMPL. +8V VIDEO B 43 BLACK BLUE 3003 TUNER_AGC DE-EMPH. SWITCH + AVL A8 C-IN FILTERS STRETCH STRETCH 49 4 4 A4 SDA 42 R-Y BASE U BEAM-LIMIT A2 A8 SY-CVBS-IN VIDEO PAL/NTSC 35 DECODER B-Y BAND V WHITE WHITE-P. 3004 7202 IDENT 5 5 25kV DELAY STRETCH ADJ A4 SCL (MONO) 1003 6 6 3418 VG2 1 SDA A8 L1_IN 3203 46 47 48 45 50 EHT R_SC1_IN_V_IN FRAME_OUT COMPAIR 2 SCL A2 7 7 6318 G_SC1_IN_Y_IN A2 +160 V +160 V CONNECTOR 3 A8 B_SC1_IN_U_IN FILAMENT 8 8 FBL_SC1_IN A2 A9 DVD POWER SUPPLY (optional) A4 SYNC. A2 DEFLECTION 7571 L4978 LINE 1572 Hflybk F567 DVD_SUPPLY 5571 5572 5574 5 4 1 7200-D 5445 A1 Vcc OUT EHT +8V-DVD TO MPEG TDA93XX 34 1 EHT CONTROL 3 3424 6571 CARD -12V FOCUS 3 2 1 5573 F407 5 (optional) 7 6422 2423 7570 VIDEO 7421 SI2306D F566 INTERNAL 5461 VG2 BUT11APX 1 +12V-DVD F568 1571 7423 2 VTsupply-A 3571 5575 1 7422 TO DVD A3 H-DRIVE H-DRIVE F425 4 ENGINE H 33 H/V SYNC 2nd LOOP FOCUS VG2 (optional) SEPERATOR H-SHIFT F422 10 V I462 EHT A1 H-OSC +PLL 3447 A1 POWER SUPPLY 0212 7580 3425 0221 EHT 0 A4 1515 Vaux/Vaudio 6408 1 3 4 3451 6451 Degaussing ENERGIZING 3504 -12V MAINSUPPLY 3403 BEAM- A4 Coil CIRCUIT 2 LIMIT 2 1 (optional) 6423 A1 6407 2455 6452 t HOR. MAINS I553 DEFL. 0211 SWITCH 5500 5570 6570 DVD-SUPPLY A2 2406 COIL 1500 6504 FILAMENT F449 AC A9 9 3448 6447 F510 5520 (OPTIONAL) +160V T4E 1 8 6563 5401 3402 3459 F540 VT_SUPPLY A3 2503 5562 6562 5563 F448 DC 2 13 3445 6446 0231 (NOT USA) 8 3527 MAIN SUPPLY -12V 6561 FRAME 7520 12 7464 3506 TEA1506 14 7521 3443 I461 F446 DRAIN 3523 D F542 6444 FILAMENT A4 11 G 3 6560 V-DRIVE - 5 DRIVER 10 5560 22 F461 3444 I505 S I514 V-DRVE A2 3525 I533 Vaux/Vaudio 2 9 5 + V-DRIVE + 3463 7466 Vcc SENSE 21 3549 GEOMETRY 3446 3470 4 3522 3526 7461 7462 7 6 I462 6520 DEMAG 9 EHT 0 7465 36 6463 6 6522 7540, 6540 3543 A2 7523 3549 PW-ADJ 7463 CTRL REFERENCE CIRCUIT A4 2528 0222 CONTROL 3544 EHT EW 3475 20 3465 1 +3V3B + N.C. FRAME OUT A4 IC 4 1 A2 I468 VERT. 7451 GEOMETRY 3464 3528 7515 7541 2 DEFL. TCET1103 -12V COIL 3 2 STANDBY Std_Con A4 3474 CIRCUIT CL 36532044_030.eps HOT GROUND COLD GROUND 190603
  • 22.
    22 L03.1L AA I2C e Vista Geral das Tensões de Alimentação B1 CRT EHT FOCUS A9 DVD POWER SUPPLY (optional) 7571 L4978 VG2 F567 1572 DVD_SUPPLY 5571 5 4 5572 +8V-DVD 5574 1 Vcc OUT 1300 +8V-DVD TO MPEG CONTROL 3 7 6571 CARD 160 V 3 2 1 5573 (optional) 5 8 7570 FILAMENT SI2306D F566 1 +12V-DVD F568 1571 VTsupply-A 3571 5575 1 TO DVD A3 TUNER IF 4 ENGINE +5V (optional) +5V VT supply VT supply A2 DEFLECTION B1 A4 VIDEO PROCESSING 1622 9282 VT supply-A LINE 160VD 7 5441 FILAMENT VT Supply-A EHT EHT -12V 3424 1 8 2x FOCUS Vaux/Vaudio 7 6422 2423 5461 7421 VG2 BUT11APX 3494 7423 2 7493 A5 AUDIO PROCESSING 7422 1 3 +3V3 5841 H DRIVE +5V F425 7 - 7841 A1 POWER SUPPLY 0212 A4 FOCUS VG2 Vaux/Vaudio 7580 10 1515 F422 EHT A1 4491 + 8V 5821 3 4 ENERGIZING -12V 23 - 7821 Degaussing 3447 6491 3504 CIRCUIT Coil Vaux/Vaudio 3425 0221 EHT 0 A4 2 1 (optional) +3V3A t 1 A1 6408 3451 6451 MAINS I553 In 0211 SWITCH 5500 5570 6570 3403 BEAM- A4 1x 6504 DVD-SUPPLY 2 LIMIT 1500 6463 6407 2455 6452 AC F510 5520 (OPTIONAL) HOR. A2 A6 AUDIO AMPLIFIER T4E 1 8 6563 DEFL. 1 - 7901 FILAMENT COIL FILA- 3495 2406 2x Vaux/Vaudio or F540 F449 MENT 7494 +5V 2503 6562 3448 6447 1 - 7902 DC 2 13 5562 5563 MAIN SUPPLY 9 0231 (NOT USA) +160V 1x 6561 5401 3402 3459 1x + 5V VT_SUPPLY + 5V 12 F448 3496 3445 6446 3527 8 2x 3 -12V 3497 FILAMENT FRAME 7464 FILAMENT 7520 3443 3506 TEA1507 14 7521 COLD GROUND F446 D 6444 FILAMENT DRAIN 3523 F542 V DRIVE- 5 2x 11 G 6560 F461 3444 DRIVER 10 5560 Vaux/Vaudio 1x 2x 6492 I505 S 3525 I533 I514 2x A4 3463 7466 5 2 Vcc SENSE 9 3549 V DRIVE- 4 3446 A7 AUDIO FRONT I/O 3470 3522 3526 7461 7462 4698 7 6 4379 + 3V3A 6520 DEMAG 7465 6463 +3V3B 9 +8V 6520 7540, 6540 3543 7463 7496 1x 7523 6 CTRL VCC 3549 PW_ADJ REFERENCE 3493 1x 3693 CIRCUIT A4 + 3V3B 3 - 6692 2528 7451 0222 CONTROL 3544 EHT 3465 1 1x IC 4 A2 7491 1 3464 VERT. 5482 +8VD 3528 7515 +3V3B 2 DEFL. TCET1103 -12V COIL 7541 2 Std_Con 3474 3 STANDBY A4 VTSupply-A 3491 A8 REAR I/O CINCH CIRCUIT HOT GROUND +8V 3492 +8V 4163 +8VA -12V, VT supply-A, FILAMENT, VT supply, Vaux/Vaudio FILAMENT ERROR CODE LIST Error Device Error description Check item Diagram I2C BUS INTERCONNECTION DIAGRAM 0 Not applicable No Error - - A7 CONTROL A3 TUNER IF A5 AUDIO PROCESSING 1 Not applicable X-Ray Protection (USA) - - +3.3V +3.3V (only for stereo sets) 2 Not applicable Horizontal Protection 7421, 7422, 7423 A2 3 Not applicable Vertical Protection 7461, 7462, 7463, 7464, A2 3602 3601 ERR 6 7465, 7466 7200-B SDA 3605 4 AN5891K & Tone control & Audio 7821 (tone IC), 7841 A5 SET PROCESSOR 3 SDA SDA AN5829S processor I2C identification (Stereo/Sap) 2 SCL SCL error PART OF 3604 3828 3842 3003 3004 3843 SCL 3643 3642 3827 5 TDA93XX POR 3.3V / 8V Protection 7200, 7541, 7491, 7493, A4, A1 VIDEO- +3.3V 7496 PROCESSOR TDA9370 5 6 5 4 14 13 19 41 6 I2C bus General I2C bus error 7200, 3604, 3605 A4 3644 M24C04 7641 1000 TUNER 7821 AN5891K AN5829S 7841 7 Not applicable - - - 11 WP 7 EEPROM UV1336 AUDIO AUDIO 8 Not applicable E/W Protection (Large Screen) - - (NVM) PROC. DECODER 9 M24C16 NVM I2C identification error 7641, 3641, 3642, 3643 A4 ERR ERR ERR ERR 10 Tuner Tuner I2C identification error 1000, 3003, 3004 A3 9 10 4 4 11 Not applicable Black current loop protection 3313, 7307, 7308, 7309, B1 7310, 7311, 7312, 7313, 1003 7314, 7315, 7316, 7317, 1 7318, CRT 2 12 Not applicable MAP I2C identification error - - FOR (USA) COMPAIR 3 13 Not applicable VC I2C identification error (Eu) - - ONLY 14 Not applicable DVD I2C identification error - -
  • 23.
    L03.1L AA 23 Vista Geral dos Pontos de Teste MONO CARRIER TRACK SIDE VIEW F492 F642 1003 CRT TRACK SIDE VIEW Compair conn. 1 3 6491 3643 F643 3642 F494 A2 A1 11 1 K 5 8 7641 7496 7493 NVM F003 Tuner In 4 1 F491 E Out 1 7200 32 1000 F309 G C F493 C B B 7494 F F494 Video Processor 9 10 8 11 64 44 33 12 I211 7 F308 R 7901 6 3 7902 Audio F310 B 0246 5 4 12 Output 1622 1 1302 F907 8 1 F908 T et F603 3488 1300 CR ock F909 3 2 1 S 5 F301 F604 F481 F906 8 F605 Audio 3905 3903 I836 F302 1 Demodulator F903 F901 12 1 13 15 24 7841 F303 7821 21 22 F605 F642 F643 13 24 I830 12 1 Audio I847 Processor 0222 I848 F461 2 1 1V / div DC 0.5V / div DC 0,5V / div DC 20µs / div. 20µs / div. 20µs / div. Frame Output 6560 I542 I461 I462 7464 F901 F903 I553 I540 F691 B 6570 E B E B C 6562 2405 7462 C C 7461 E + F446 7463 B 8 9 10 12 13 F422 C 6444 EBC E 1V / div AC 0.5V / div AC 0.5V / div AC Power Trafo 5520 7465 2ms / div. 1ms / div. 1ms / div. I465 7 6 5 3 2 1 F510 F905 F906 F907 6446 6692 4 5 F448 I514 3 6 IRRCR D Supply 7 I505 I533 0,5V / div AC 0,5V / div AC 0.5V / div AC 1 F691 G S Output 2 5441 1ms / div. 1ms / div. 8 1ms / div. 7 21 LOT 9 7520 F908 I211 I461 8 14 1 10 Supply Line Control Output 6447 F449 7421 C F407 0.5V / div AC 1V / div DC 0.5V / div DC Mains B E 1ms / div. 1ms / div. 5ms / div. F425 Switch I462 I465 COLD HOT HOT COLD LIVE PART I505 =17V8 DC 0.5V / div DC 1V / div AC 5ms / div. 5ms / div. F003 F301 F302 F303 F308 F309 F310 F407 F425 F446 F448 I514 I533 I830 200mV / div AC 1V / div DC 1V / div DC 1V / div DC 50V / div DC 50V / div DC 50V / div DC 100V / div DC 5V / div AC 2V / div DC 10V / div DC 100V / div DC 2V / div DC 1V / div DC 20µs / div. 20µs / div. 20µs / div. 20µs / div. 20µs / div. 20µs / div. 20µs / div. 20µs/div. 20µs / div. 20µs / div. 20µs / div. 5µs / div. 5µs / div. 1ms / div. F449 F461 F481 F491 F492 F493 F494 F510 F603 F604 I836 I847 I848 F422 97V DC F540 97V DC F542 13V5 DC 50V / div DC 20V / div DC 0,5V / div DC 2V / div DC 2V / div DC 2V / div DC 2V / div DC 50V / div DC 1V / div DC 1V / div DC 1V / div DC 0.5V / div DC 0.5V / div DC CL 36532044_031.eps 20µs / div. 5ms / div. 20µs / div. 20µs / div. 20µms / div. 20µs / div. 20µs / div. 5µs / div. 20µs / div. 20µs / div. 1ms / div. 1ms / div. 1ms / div. 200603
  • 24.
    24 L03.1L AA 7. Esquemas Elétricos e Layouts dos Painéis Mono Painel: Alimentação 0211 C1 5520 C7 1 2 3 4 5 6 7 8 9 10 11 0212 B1 5521 D6 0213 C5 5560 D8 0231 C2 5562 C9 ALIMENTAÇÃO Region LATAM 1500 B2 1501 B3 5563 C10 5570 C7 Size 14" 15RF/20"/21" 14"MEXICO 15RF/20"/21"Mexico 21RF 1508 E7 6500 B5 0231 SWITCH SWITCH - - - 1509 E7 6501 B5 2503 100u/400V 150u/400V 100u/400V 150u/400V - 1515 A7 6502 B5 For Relay Cct. 3523 NFR25 68R NFR25 47R NFR25 68R NFR25 47R - RES -12V 3526 1W/0R18 1W/0R15 1W/0R18 1W/0R15 - 1516 E7 6503 B5 1515 3547 330K 330K 330K 330K 22K 1520 B7 6504 B5 A * G5P 5520 SS28010-06 S359B4-09 SS28010-06 S359B4-09 - A 1560 D7 6505 D2 6561 - BYW76-RAS15/10 - BYW76-RAS15/10 - 1570 C8 6520 E2 3 7521 STP5NK80ZFP STP7NK80ZFP STP5NK90ZFP STP7NK80ZFP - 2452 F11 6521 E6 4 9500 - - JUMP JUMP - 9503 2453 F10 6522 F6 3 9501 - - JUMP JUMP - 1N4148 3580 6580 47K 2500 C3 6540 F8 * 10R - PTC 7580 * 1 2501 B5 6541 E9 Rs +t BC847B * 3503 2 F510 F540 97V DC 3504 ITEM LATAM NAFTA 2502 B5 6560 D8 +t F542 13V5 DC Rp DEGAUSSING COIL 2503 B6 6561 D9 * * 2505 YES NO 2504 B6 6562 C9 2 1 0212 3503 NO YES I505 17V8 DC 6500 6501 2505 B2 6563 C9 3504 YES NO 2580 1 47u 5500 DMF2820 C914 2507 B6 6570 C8 2505 2501 2n2 2n2 1N5062 (COL) 1N5062 (COL) 5502 NO YES 2515 C7 6580 A8 B 2 F510 * 9503 YES NO 50V / div DC B 2520 G2 7451 F10 * * 3508 6504 "$" Relay Cct. NO YES 5µs / div 2521 E2 7515 F7 I514 I533 2522 D6 7520 D2 1500 1501 150u 400V PFC5000 PFC5000 1M5 GBU8K 2523 E6 7521 E6 6502 6503 2504 2507 RES 2502 2503 2n2 * 9500 1 * 5500 4 9502 RES * 1520 2524 E5 2525 F5 7522 F6 7523 F1 2515 0211 6 5 * 0231 ESB92 2 3502 1N5062 (COL) 1N5062 (COL) 5506 RES 9506 2526 E2 2527 F1 7540 F9 7541 G8 DMF-2820 3 100V / div DC 2V / div DC 2 2 4 1n5 RES 2528 G6 7580 A7 1 t 5µs / div 5µs / div 1 1 3 T4E.250V * 5501 4 5570 6570 I553 1570 2540 F9 9500 B2 2541 G9 9501 C2 2500 470n DVD_Supply C MAINS SWITCH 2 RES 3 T2.5AE 250V (OPTIONAL) C 2542 G7 9502 C4 MAINS * 0213 STPS10L60D 2543 F6 9503 A6 3m3 16V RES 2571 6563 150 - 276 V SINGLE RANGE * 2570 9501 2 90 - 276 V FULL RANGE 2560 D8 9506 C7 3505 10n 2561 D9 9509 G4 * 5520 BYW29EX V 1 For ITV 2584 5562 6562 2562 D9 9515 E5 3M3 ONLY F540 3500 1 220R 3509 303V DVD_Gnd 5563 2564 D10 9520 D6 6 * 5502 4 220p 2 13 BYW76 6561 27u MainSupply 2570 C9 2571 C8 9560 D7 L_GND 9520 RES 3 12 2580 B7 1560 * 2564 3582 330K 47u 1 C914 3 T1.8AE 250V 2562 F542 2584 C6 3501 3M3 6505 11 6560 2585 E6 3510 5560 2n2 5521 5 10 9560 Vaux/Vaudio 3452 F11 BZX384-C22 D D 2522 470p DSP JUMP 3453 F10 3507 33K 3506 SB340 6 9 2m2 16V I514 4560 2560 3454 F9 2561 7520 330K TEA1506T 7 8 RES 3456 F11 2n2 17V8 3527 AudioSupplyGnd_A 3500 C2 (13V8) 2 Vcc START-UP Drain 14 302V 3501 D2 SUPPLY CURRENT SOURCE MANAGEMENT 9515 RES 3502 C4 2K2 302V VALLEY 8 3503 B4 3 * 7521 22u I505 Gnd 10 1509 3504 B4 2521 VOLTAGE 5515 D 220R 3549 2V6 3505 C4 2523 CONTRLLED S 1n8 OSCILLATOR START-UP Demag 3522 1508 1516 FREQUENCY 7 G 0V 3506 D4 CONTROL DVD_Gnd CURRENT SOURCE 0V LOGIC 330K FOR ITV ONLY 3507 D2 OVER 2585 3508 B4 E TEMPERATURE PROTECTIOM CONTROL CIRCUIT CURRENT Sense 9 0V 3524 47K 3525 1K0 1n ITV_Vbatt E 3509 C3 BZX79-C9V1 SENSING 3510 D3 1N4148 2524 3526 3542 3543 I533 6521 6541 3550 1K5 82K 3519 F6 10K POWER-ON OUTPUT Driver 11 * 3520 G2 BYD33D 100n 3523 RESET DRIVER 6520 2526 INPUT 2V6 1n0 1V3 6 Ctrl CONTROL 3521 F2 CIRCUIT RES 3522 E5 * MAXIMUM 2V9 OVER 3523 E5 2525 470p BURST ON-TIME POWER 6V2 7523 BZX79-B6V8 DETECTOR PROTECTION BC857B PROTECTION 3546 PW_ADJ 3524 E5 6540 7522 6V8 3525 E5 4V6 3521 RES PDTC143ZT 6K8 A4 7515 3526 E6 7540 2452 3527 D5 3544 TCET1103(G) 3548 3547 7451 6K8 15K F 2527 0V 3581 6522 22V6 4 1 9V3 7V7 BC547B * BC857B 82n F 3528 F1 56p 1K0 BYD33D 2540 3452 EHT 3541 F8 2543 3542 E9 3528 10K 820K A2 15n 3543 E10 1n0 3 2 3541 2453 3456 3544 F9 100K 8V3 3453 3519 3454 3545 G8 470R 4n7 47K 4V9 7541 3546 F11 3K3 3545 10K 2542 470n 22u 50V PDTC114ET 3547 F9 3520 2520 2528 1K2 10n 2K2 3V3 +3V3B 3548 F9 3V3 3549 E9 3550 E10 2541 10n "$" FOR MAINS 120V AC 170V (177V) 9509 3V3 3580 A7 220V AC 309V (317V) HOT COLD Std_Con G ..V.. Normal Operation in " SERVICE MODE " 5509 A4 G 3581 F6 (..V..) Standy Mode 3582 D10 4560 D8 HOT GROUND 5500 B4 5501 C4 COLD GROUND 5502 D4 5506 C7 CL 36532044_001.eps 3139 123 5596.1 200603 5509 G4 5515 E5 1 2 3 4 5 6 7 8 9 10 11
  • 25.
    L03.1L AA 25 Mono Painel: Deflexão 1 2 3 4 5 6 7 8 9 10 0221 B4 6452 C8 0222 F6 6453 C8 1462 F6 6460 E3 DEFLEXÃO Region 14" 15RF LATAM 20" 21"FSQ Region Size 14" 15RF LATAM 20" 21"FSQ 1463 E7 2405 D3 6461 E5 6462 E5 Size Tube LPD CPT LPD LPD Tube LPD CPT LPD LPD 2406 D4 6463 E5 Line Deflection LINE DEFLECTION LINE DEFLECTION 2407 C4 2408 D4 6464 E3 7421 A3 - 360n/250V - - 3473 4R7 2R2 3R3 3R3 2406 2420 B2 7422 B2 Hflybk 3422 2408 560n/250V - 680n/250V 560n/250V 3474 4R7 3R9 3R9 3R3 94V4 2423 13n/1K6V 13n/1K6V 2421 B2 7423 C2 A4 15n/1K6V 15n/1K6V 2423 A4 7440 C8 A 330K LOT 2424 1n/2KV - 1n5/2KV 1n/2Kv A BYD33M 2424 A4 7461 F2 BYW76 2441 22n 15n 15n 33n 6422 6421 2423 2424 820p 0V3 10n 2452 - 10n 22n 100n 2426 B1 7462 F2 5441 2453 - - 2n2 - 1142 2427 B1 7463 F3 2457 - - - 470p/500V F425 7421 3402 - NFR25H 2K2 2428 C1 7464 E4 - NFR25H 2K2 BUT11APX EHT TO PICTURE TUBE 3441 47K 10K 2429 B1 7465 F4 -12V 3424 10K 56K 3442 150K 150K 150K 100K 2441 C9 7466 F3 22R 2420 2421 3447 220K 100K 100K 220K 2444 D8 9402 D4 3426 FOCUS 3451 680R 8K2 1K8 8K2 2446 D8 9407 C4 2471 2429 220n RES 100n 3455 470R 2K2 2K2 2K2 100n 2447 D7 9445 B6 47R VG2 TO CRT PANEL 3456 - - 47K - 3460 100K 47K 47K 47K 2455 C8 9446 E6 3646 1M - 1M - 2457 D7 9448 D6 BAS316 2426 6426 B 5401 68u/LHL08 - 33u/LHL08 - B 1n 0V F407 8 5402 - 00425/82u 00511/33u 2460 E5 9505 F8 - 2461 E1 3428 5441 JF0501-19255 JF0501-19255 JF0501-19255 JF0501-19276 68R 7422 HORIZONTAL HDRIVE 2427 1 6 3V3 BC817-25 DEFLECTION 2462 E3 9445 RES A4 COIL 0221 VTSupply 2463 E3 100n 5421 VH 3449 3450 3445 3 6 2464 F3 1R 0V 1 9 33K 3447 33K EHTO 2465 E5 2470 F5 3432 7423 4 A4 1K 100K EHT BC807-25 1 5 10 2471 B1 3V3 PSD10-204B 7440 A1 2472 G4 Filament 6423 3430 5V4 2441 33n 7 BF423 3 2473 C7 3451 A2 RES 8K2 1K0 3402 D4 1N4004 120K 3442 BAS316 3441 Vaudio 3425 3403 D3 C 82R 5V7 2 6451 3455 Beam_Limit C 3422 A3 2473 470p 6445 BAS316 2K2 A4 3424 A1 4 2428 47u 10u 16V 3425 C1 BZX79-C33 9407 2455 3426 B3 150K 3459 6453 3440 3439 120K 3R3 33K 2407 MainSupplyGND 3443 3428 B2 F422 6452 3460 F446 3430 C2 100p 2406 470n 2408 3403 3432 C2 12n MainSupply 6407 6444 BAS316 100K FILAMENT 5 1R 3439 C8 3444 A4 BAV21 EGP20DL 3440 C8 1K 6408 F448 3441 C7 2405 47u 1R 6446 -12V 3442 C7 BAV21 3402 3443 C6 2K2 D 4405 RGP10D D 3444 D6 9448 RES 160VD 6447 3445 B6 3448 3446 D6 RGP10D 3447 B8 9402 RES DC12 9446 RES 5402 5401 2444 470u 2446 470u 2447 1R 3448 D6 33u 10u 2457 F449 3446 3449 B8 1R 470p 3450 B8 3451 C8 Frame Deflection 6463 1463 3455 C9 3459 C7 RGP10D FILAMENT 3460 C9 7464 E A2 BD135 20V6 6462 2460 E 3461 F1 3462 F1 160V 3468 0V9 RGP10D 56n 3463 E2 6461 2465 330R 3464 G2 9505 100u 50V 3465 F2 BAS316 BAS316 10u 3463 3469 RGP10D 2461 2462 6460 6464 0V5 68R 2K2 1n 1n 2463 I461 5505 3466 F2 VDrive- 3468 E3 Frame_OUT 3469 E4 3475 A4 BC857B 3470 F4 7461 7466 10K F407 F422 97VDC F425 F446 F448 F449 A4 3471 F4 7462 3461 1V5 -12V 2K2 BC857B BC847B 3472 F4 220R 3471 3470 2470 0V9 2R2 15n 3476 RES 3473 G5 0V8 F 0V9 I465 0V6 8K2 1462 F 3474 G5 2464 3475 F5 12V8 12V2 F461 3476 F5 0V4 100V / div DC 5V / div AC 2V / div DC 10V / div DC 50V / div DC 470p 0222 3477 G4 3462 7465 20µs/div 20µs / div 20µs / div 20µs / div 20µs / div 1M 3465 3466 0V 3478 F5 220R 12V2 BD136 3472 1 3478 1R0 VERTICAL 4405 D3 1K 1K 7463 DEFLECTION 2 5401 D4 BC546B COIL -12V 12V8 12V2 Frame_FB 5402 D4 VH 5421 B3 5441 A5 VDrive+ F461 I461 I462 I465 5505 F8 3464 6407 D4 G A4 2K2 G 6408 D4 6421 A4 I462 6422 A3 3477 3473 3474 2472 3R3 3R3 3R3 22n 6423 C1 20V / div DC 0.5V / div DC 0.5V / div DC 1V / div AC 6426 B2 5ms / div 5ms / div 5ms / div 5ms / div 6444 D7 6445 C7 CL 36532044_002.eps 6446 D7 3139 123 5596.1 200603 6447 D7 6451 C9 1 2 3 4 5 6 7 8 9 10
  • 26.
    26 L03.1L AA Mono Painel: Tuner FI 1 2 3 4 5 6 7 0283 C7 0285 C7 1000 B3 TUNER FI 1001 B6 1003 B1 +5V VTSupply 2001 B2 2002 B3 2003 C3 2004 C3 2005 B5 A A 5002 9002 5003 9282 RES RES 2006 B1 TUNER_AGC 3005 2007 B5 A4 3001 A2 100R VTSupply_A +5V 3002 B2 3001 3003 B2 4K7 3004 B2 BZX79-C33 1000 3005 A1 2005 220n 6001 2007 10u UV1336 1 7 9 4000 C4 470u 10V 3002 4001 C2 2006 2001 2002 100u 22K 10n AGC VS VTS 5001 B5 2 TU 1001 5002 A4 OFWG1984M 5003 A4 B 3 AS TUNER F003 VIF_1 B 6001 B5 4 11 1 4 9002 A4 1003 SCL IF SDA 3003 A4 9282 A4 1 5 A4 SDA 2 3004 100R F003 2 5 VIF_2 5001 820n A4 GND NC SCL 100R A4 3 10 12 13 14 15 6 8 3 2003 2004 22p 22p 200mV / div AC EH-B 20µs / div 0285 C 4000 C 0283 4001 CL 36532044_003.eps 3139 123 5596.1 200603 1 2 3 4 5 6 7
  • 27.
    L03.1L AA 27 Mono Painel: Processamento de Vídeo 1 2 3 4 5 6 7 8 9 10 11 0217 C10 3606 A5 0240 F2 3607 B6 1201 B2 3608 B6 PROCESS. VÍDEO 1202 D1 3609 B7 FILAMENT A6 A3,A5 A4 A7 A4 A1 A3,A5 1621 B4 3618 A5 A5 A5 A7 A4 A4 A1 A8 A7 A8 A4 A8 A4 A4 , A6 A4 WP Vaudio (Vaux) +3V3A +3V3 +3V3 +8V +8V 1622 E10 3619 D7 +5V +8V +3V3 +5V 2201 A2 3620 D8 F491 2202 A3 3621 D7 Std_Con PW_ADJ VTSupply_A LED SCL IR L1_IN WP AM_FM_MONO POR VOLUME ITV_MSG TV_BUZZER ITV_CLOCK KEYBOARD SDA SEL_AV1_AV2 RESERVED_A RESERVED_B ITV_PORT ITV_DATA_IN STATUS2 ITV_DATA_OUT 3201 2203 A2 3624 E9 7496 6V3 7494 2204 B2 3631 A7 390R F492 F493 F494 3497 ITEM # Mono Stereo 2K7 3601 BD135 BC337-25 2V7 8V 2205 B3 3632 B7 3496 2201 2202 820p 5V7 4n7 2206 4n7 100p 2K2 2206 B4 3633 A7 12V 3606 10K A A 10u 16V 3602 10R 2207 B2 3634 C8 100R 3641 2604 3644 5V 4K7 6492 2208 C2 3641 A11 4602 3491 4491 7202 56K 2609 1n0 BC847B 2K2 2209 C2 3642 C10 100R 9286 4604 9604 3631 4603 4606 470u 10V 3202 3603 BZX384-C5V6 3495 2493 2210 D2 3643 B11 33R +8VD RES 3V4 7491 6V7 3494 9201 100R BC847B 8V7 3V3 2211 D1 3644 A10 2K2 2203 100n 3203 1K0 3618 3633 680R 7641 3V3 2212 D2 3645 C9 3V3 A1 4V A2 9V3 M24C04 8 2231 F6 3646 F2 7201 2K2 1K0 1 2232 F6 4491 A9 3493 3479 SDAM 10R 10R VCC 9257 BC847B 3632 7493 NC 100R I211 100K 3607 3608 2641 13V4 2233 F7 4602 A7 1n CVBS_TER_OUT 5201 2204 2V7 L78L33 2 2602 8K2 1N E1 2481 F3 4603 A7 1 3 6491 220u 25V A8 4u7 56p 2482 F2 4604 A6 3609 3 5 3V3 3492 2494 IN GND OUT 3V3 BAV70 22K NVM 10u 3204 33p E2 SDA 2483 F2 4606 A4 2205 1 3 B B 22u 25V 10K 2 I O 6 2484 F2 4661 C9 2492 3V3 1201 82R SCL 270R 3205 100R 1621 2485 F3 5201 B2 3643 12M TPS 100R 4M5 3605 G 2 7 +3V3 WC_ 2486 F3 5482 E1 3206 VSS F642 2206 2601 470n 3V3 4n7 1K 2487 F4 5601 B8 2603 5601 2642 4 SDA 5u6 2488 F5 5602 C8 2207 3207 100R 2489 F5 5603 C8 3604 33p 5602 1n0 A4 5u6 3634 2490 F6 6481 G3 1K0 TUNER_AGC 100n 390R 3642 SCL 1V1 3V3 0V2 0V2 3V3 2491 E1 6491 B9 3V3 0V2 0V2 5603 5u6 3V3 3V3 3V3 A4 0V4 A3 2V3 3V4 2V4 2V3 3V2 3V8 3V4 1V6 1V6 3V2 3V2 3V3 1V9 2492 B9 6492 A10 1V 0V 100R 0V 0V 0V 0V 2208 100n 27 37 38 31 29 28 35 44 60 55 59 58 57 10 11 2 3 4 5 6 7 8 1 62 63 64 9 12 54 56 61 2607 100n 2606 100n 100n 7200 2493 A9 6624 E9 TDA93XX F643 0217 2494 B7 6625 D10 2608 1u 1 2495 G1 6626 D8 C C 2605 VIF_1 1V9 23 VISION-IF 2496 G4 6627 D8 DEEMPHASIS 2 A3 VIF_2 ALIGNMT-FREE I2C-BUS 2497 G5 6628 D8 1V9 24 PLL DEMOD AUDIO SWITCH 1/10 PAGE CPU VST PWM-DAC 2498 F2 6681 E8 MEMORY 3V4 3 A3 3208 2209 AGC/AFC VOL CONTR I/O PORTS 6V3 3645 2601 B4 7200 C2 VIDEO AMP 4 FILAMENT 470R 220n 1K0 2602 B5 7201 B3 470R 3209 4661 2603 B5 7202 A4 5 SANDCASTLE A2 2604 A5 7491 A7 BZX79-C8V2 4V 40 7601 AGC CIRCUIT H 6V3 PDTA114ET A4 2605 C7 7493 B9 6 6625 220u 16V VIDEO SWITCH BAS316 BAS316 BAS316 SY_CVBS_IN 3210 2210 TELETEXT NARROW BAND 2606 C7 7494 A10 6626 6627 6628 2612 3V4 42 TXT/OSD/CC VIDEO IDENT. ROM/RAM CLOSED CAPTION 7 Frame_OUT A8 PLL DISPLAY 2607 C7 7495 G2 C_IN 2211 100R 220n ACQUISITION V 1V5 43 VIDEO FILTERS DEMODULATOR 2608 C8 7496 A8 A4 D A8 1n R GB BL F604 F603 D 2609 A6 2612 D8 7601 D9 7641 A10 R 51 3V7 3619 RED 1 2615 E7 9201 A3 CONTR/BRIGHTN I211 2616 E8 9240 G1 1202 2212 2V3 13 LUMA DELAY G 52 3V6 470R 3620 GREEN 2 PAL/SEC/NTSC BASE-BAND Y 2641 B11 9286 A6 OSD/TXT INSERT PEAKING 2642 B10 9410 G5 220n 0V2 32 DECODER DELAY LINE B 53 3V6 3621 470R BLUE 3 REFO BLACK STRETCH CCC To 1300 2643 F2 9604 A6 WHITE-P ADJ 49 3V1 470R 4 of CRT PANEL 3201 A3 U F605 3202 A2 0V 30 50 7V7 3624 5 1V / div DC 1ms / div 3203 A4 0V 41 Y R GB BAS316 1K0 BLK_IN 3204 B2 V 6 6681 0V 18 10u 16V 3205 B3 2615 2616 E E 1n0 160VD +8VD 8V 39 7 3206 B3 8V 14 H/V SYNC SEP. RGB/YUV INSERT 3207 B3 H-DRIVE FILAMENT V-DRIVE + RGB/YUV MATRIX 8 5482 2nd LOOP EW GEOMETRY +5V 3208 C2 +8V 4V 19 SATURATION A2 H-OSC + PLL GEOMETRY 3209 C2 10u 5V 15 H-SHIFT YUV/RGB/MATRIX 1622 3210 D2 470u 10V Frame_OUT 2482 1u0 F642 F643 6624 3231 F7 2491 BAS316 A2 3232 F8 Beam_Limit 3233 F8 3V8 3V9 3V8 1V4 1V3 1V9 2V7 2V7 0V 4V 0V8 3V2 2V6 17 34 16 33 25 26 22 21 36 20 46 47 48 45 1V 3481 3410 G5 A2 3479 B8 39K 0240 18K 3480 F4 2643 220p 2232 2484 100n 22n 3646 1M0 2498 2u2 POR 0.5V / div DC 0,5V / div DC 2483 4u7 1 2485 2486 2487 3480 2488 100n 2489 100n 2490 3481 F3 3483 39K F F 4n7 2n2 4u7 1M 1u A4 ITV_DATA_OUT 20µs / div 20µs / div 3482 G3 3484 2 2231 2233 22n 22n 3233 FBL_SC1_IN 3483 F4 A4 ITV_DATA_IN 3 A8 3484 F5 3231 3232 100R A4 3485 G5 ITV_CLOCK 4 2481 +8V 560R 1K0 B_SC1_IN_U_IN 3486 G5 A4 3487 G6 100p 3489 9410 3410 5 3487 10K 68K 33K 3499 G_SC1_IN_Y_IN A8 3488 G4 100R 3485 1K0 3488 3490 3K3 ITV_PORT 3489 G6 2496 2497 3486 6 1K0 1n0 1n0 27K R_SC1_IN_V_IN A8 A4 3490 G4 BAS316 TV_BUZZER 9240 6481 3498 3482 3491 A7 10K 3K3 A8 A4 EH-B 3492 B7 G Vaux F481 F491 F492 F493 F494 F603 F604 F605 G 3493 B8 3494 A8 +5VS F481 OUT GND IN 3495 A9 SANDCASTLE 3496 A10 22u 25V 7495 2495 A2 VDrive+ +8V 3497 A10 Hflybk VDrive- +8VD +3V3 LE50CZ HDRIVE EHTO 3498 G3 0,5V / div DC 2V / div DC 2V / div DC 2V / div DC 2V / div DC 1V / div DC 1V / div DC 1V / div DC 3499 G3 20µs / div 20µs / div 20µms / div 20µs / div 20µs / div 20µs / div 20µs / div 20µs / div 3601 A5 A2 A2 A2 A2 A4 FOR ITV ONLY 3602 A5 CL 36532044_004.eps 3603 A5 3139 123 5596.1 200603 3604 B5 3605 B5 1 2 3 4 5 6 7 8 9 10 11
  • 28.
    28 L03.1L AA Mono Painel: Processamento de Áudio (Stereo + SAP) 1821 A1 1 2 3 4 5 6 7 8 9 10 11 2821 A4 2822 B4 2823 D2 PROCESS. ÁUDIO (STEREO + SAP ) 2824 D3 2825 B4 2826 A4 5821 2827 B5 +8V 2828 E3 10u 2829 E3 2821 2862 220p 100u 2830 F7 2831 E3 2832 C3 A AUDIO SOUND PROCESSOR SOUND MULTIPLEX DECODER A 2833 B5 4848 2834 A2 RES 2835 C3 1821 2826 1 2834 2836 C3 4847 15n 2837 B2 10u 2 2833 2838 E7 2839 D6 4849 2837 470n 10u 3 2825 2841 C8 39n 2861 2842 B10 220p 2842 R_OUT 2843 B10 4821 A8 2844 C8 2843 1u0 L_OUT 2845 D8 B 4822 1u0 R1_IN A8 B 2846 D8 2827 2847 D7 A8 L1_IN 2848 D8 3825 2822 2K2 33n 33n 2849 D8 A4 , A8 2850 E8 4V1 1 4 5 6 21 23 7821 2851 E8 4V1 4V1 8V 4V1 4V1 2841 AN5891K 7841 2852 E8 2835 PF1 PF2 PF3 PF4 VREF VCC AN5829S 4u7 2855 C9 10n 3841 L2_IN 20 BB TD 16 2V1 1V 1 24 2V2 2856 C9 2836 AGC AUXL2 2857 D9 3824 4V1 A8 2K2 180K I847 100n 4V1 18 RT 2858 E9 4851 RES 2V2 23 2V2 R2_IN C 2832 4V1 19 RB BLD 17 3V I836 2 AUXL1 AUXR2 A8 C 2859 E9 2860 E9 10u 22 2855 Main_OutR 2861 B5 4V1 22 RIN ROUT 15 4V1 2V2 3 AUXR1 Rout 2V2 4843 TONE VOL BAL 1u RES A6 2862 A4 3826 AGC SURR 2863 D7 2K2 2844 21 2856 Main_OutL SUPER 4 OFFCAN1 2V2 4844 4850 RES VCA Lout 3822 D2 BAS 1u A6 AGC 2u2 50V 2V2 3823 D2 2824 4V1 3 LIN TONE VOL BAL LOUT 12 4V1 2845 2V2 5 20 4845 3824 C2 OFFCAN2 PE I848 10u 3825 B2 4u7 35V 3826 C2 1V1 2 AGC LEVEL SENSE 2846 0V6 6 WB 19 3V3 3842 SDA SDA 3827 E5 CONTROL 10u 16V TIME 100R A4 3828 E5 3823 0V5 10 2V1 D 24 MODE BD D 2K2 3843 SCL 3841 C8 220K 3822 5V 18 2823 7 Vcc 3V3 10u SCL 4V1 8 LT 100R A4 3842 D9 IIC BLOCK 2848 3843 D9 2847 100u 2863 220p 4V1 9 LB VD 11 2V3 8 WB 17 10u 16V DET GND 3852 E8 2839 2V7 330n 4821 B8 GND SDA SCL 2849 2857 5841 4822 B8 2V3 9 SPEC 16 3V5 FIL PLL +5V 4841 E10 2828 10n 22n 47n 10u 3V3 3V3 14 13 4842 E10 7 2850 2858 0V7 10 SPEC PILOT 15 3V2 4843 C10 TIME DET 2829 100n 10u 1u 1u 4844 C10 2831 I830 2851 2859 AM_FM_MONO 2V3 11 SPEC MPX 14 2V2 4845 D10 DET IN 4847 A3 E 100n 1u A4 E 100R 3828 2852 2860 4848 A3 3V4 12 NOISE SAP 13 3V2 4841 DET DET 4849 B2 100n 100n 4850 C2 100R 3827 4851 C3 2838 3852 4842 2M2 10u 5821 A4 SCL 5841 D10 2830 7821 B3 10u A4 9821 7841 C8 SDA 9821 F11 A4 AudioSupplyGnd F F I830 I836 I847 I848 ITEM MONO BTSC STEREO 4841 --- JMP 4842 --- JMP 4845 JMP --- 1V / div DC 1V / div DC 0.5V / div DC 0.5V / div DC 1ms / div 1ms / div 1ms / div 1ms / div CL 36532044_005.eps 3139 123 5596.1 200603 1 2 3 4 5 6 7 8 9 10 11
  • 29.
    L03.1L AA 29 Mono Painel: Amplificador de Áudio + Processamento de Som Mono 0246 B10 1 2 3 4 5 6 7 8 9 10 0251 F2 2901 A6 2903 A5 AUDIO_AMPLIFIER + MONO_SOUND_PROCESSING 2904 B4 2905 B4 2906 C4 2907 C4 2908 C2 2909 D4 Vaudio AmpOutR+ 2947 C8 (Vaux) A7 2948 C9 A AmpOutL+ A 2901 RES 2949 C9 4921 RES A7 2950 C9 AmpOutL_Pos 2951 B5 9921 3901 A7 2952 C5 +5V AmpOutR_Pos 1K 3551 F2 3902 2903 3K3 A7 1u 3901 A4 * 7901 VCC 11V8 STB 3V7 AN7522N 5 1 3902 A4 9903 3903 B3 F901 RES F905 3904 B4 2 5V2 F906 2904 3905 C3 A4 Main_OutL 3903 1V4 6 CH1-IN CH1+ AmpOutL_Neg * 0246 3906 C4 B 15K 1u 4 5V2 5 L B 3907 D4 3904 9901 3908 B2 2905 2951 820p AmpOutL_Pos 10K 1n 3909 RES CH1- 4 3909 B3 F908 TV_BUZZER 3908 330K 1V4 8 CH2-IN 3910 B3 3 A4 CH2- 10 5V2 9902 RES R 3911 C3 330K 3910 4921 A3 AmpOutR_Pos 2 0V3 9 VOL 4922 C8 330K AmpOutR_Neg 1 6565 F2 9905 CH2+ 12 5V2 GNDCH1 GNDCH2 6908 D2 GNDINP F903 RES F907 SPEAKER 6909 D3 Main_OutR 3905 2906 7901 B6 2947 100p 2948 100p 2949 100p 2950 100p 2 X 5W 16 ohm A4 7902 D6 C 15K 1u 3 7 11 STEREO OUTPUT 2 X 3W 8 ohm C 9565 F2 3906 2907 2952 820p * 9901 B8 1n FILAMENT 2 X 1W 8 ohm 9902 B8 4922 10u 16V 9903 B3 100K 2908 3911 9905 C3 9921 A3 *7902 13V5 3V8 AN7523N 5 1 BZX384-C2V7 STB VCC 1N4148 6908 6909 2 6V 1V4 6 CH1-IN CH1+ D A4 VOLUME 0V4 9 VOL 4 6V D 3906 7901 7902 0246 CH1- * STEREO YES AN7522N - 5 Pin 3907 GNDINP NC GNDCH1 2909 3K3 10u 7 8 3 MONO NO - AN7523N 3 Pin MONO OUTPUT E E Vaudio (Vaux) 1N4148 6565 9565 RES 0251 F901 F903 F905 F906 F907 F908 1 F Vaux 2 F 3551 3 +5V ITV_Vbatt 10K 0.5V / div AC 0.5V / div AC 0,5V / div AC 0,5V / div AC 0.5V / div AC 0.5V / div AC 4 1ms / div 1ms / div 1ms / div 1ms / div 1ms / div 1ms / div EH-B FOR ITV ONLY CL 36532044_006.eps 3139 123 5596.1 200603 1 2 3 4 5 6 7 8 9 10
  • 30.
    30 L03.1L AA Mono Painel: E/S Frontal + Controle Frontal + Headphone 0218-A C1 1 2 3 4 5 6 7 8 9 0218-B B1 0218-C B1 0232 E4 E/S FRONTAL + CONTROLE FRONTAL + FONE 0239 B6 0259 E8 0277-A B1 0277-B B1 FRONT CINCH 1184 FRONT CONTROL 1181 A2 1 1182 B2 A 2 TO 1121 OF A 1183 C2 MONO SET KEYBOARD 1184 A4 3182 3 A4 1185 B4 1600 B9 2 BZX79-C6V8 V 100R 200R 3684 3685 1601 B9 120R