Rele de Fuga a Terra RFT-1E
Ficha técnica – K0066
Revisão 1.0– 25/10/2016
KRON Instrumentos Elétricos Ltda.
Fone: (11) 5525-2000
Site: http://www.kron.com.br - Email: suporte@kron.com.br
1/5
[1] Introdução
Os Reles de fuga à terra são instrumentos utilizados
para auxiliar na proteção de pessoas, painéis e
equipamentos em geral.
Acoplados a sensores de corrente toroidais apropriados,
são capazes de identificar presença de fluxo de corrente
elétrico para o sistema de aterramento.
[2] Aplicações
• Proteção de pessoas contra choques elétricos;
• Proteção de equipamentos eletrônicos sensíveis;
• Proteção para áreas classificadas; (risco de fogo
ou explosão);
• Outras aplicações semelhantes;
[3] Características Mecânicas
MONTAGEM
• Tipo: porta de painel
• Posição de montagem: qualquer
• Fixação: travas laterais
ISOLAÇÃO
• 2,5kV por 60 segundos
INVÓLUCRO
• Grau de proteção:
- Painel frontal: IP-40 com proteção acrílica,
- Invólucro: IP-20;
CONEXÕES ELÉTRICAS
• Tipo: Terminal de parafusos
• Cabo máximo a ser utilizado: 2,5mm²
• Grau de proteção: IP-20
[4] Condições ambientais relevantes
• Temperatura de operação: -10 a +60°C
• Temperatura de armazenamento e
transporte: -20 a +80°C
• Umidade relativa do ar: 90%
[5] Características Elétricas
ALIMENTAÇÃO AUXILIAR
• Nominal: 115Vc.a. / Vc.c.; 230Vc.a.;
400Vc.a.; +/-10%
*24Vc.a / Vc.c. - *48Vc.a / Vc.c.
* 12Vc.a / Vc.c.
• Consumo interno: <= 5,5 VA
• Frequência: 50 / 60Hz
* Opções sob consulta
FAIXA DE AJUSTE DE CORRENTE DE DISPARO
• de 0,025A à 0,25A para K=0,1
• de 0,25A à 2,5A para K=1
• de 2,5A à 25A para K=10
• *de 25A à 250A (com TC multiplicador externo)
* Sob consulta
FAIXA DE AJUSTE DE ATRASO DE DISPARO
• de 0,02s à 0,5s para K=1
• de 0,2s à 5s para K=10
SAÍDAS
1 saída a Rele – 3 terminais – 5A / 250V
Rele de Fuga a Terra RFT-1E
Ficha técnica – K0066
Revisão 1.0– 25/10/2016
KRON Instrumentos Elétricos Ltda.
Fone: (11) 5525-2000
Site: http://www.kron.com.br - Email: suporte@kron.com.br
2/5
[6] Descrição dos itens do painel
1. Potenciometro de ajuste do tempo de atraso
2. Potenciometro de ajuste da corrente de disparo
3. Chaves de seleção de constantes:
Chave a: reset
- posição 0 = reset manual
- posição 1 = reset automático
Chave b: constante multiplicadora do tempo de
atraso.
- posição 0 = tempo x 1
- posição 1 = tempo x 10
Chaves c,d: constantes multiplicadoras da
corrente de disparo
- c,d na posição 0 = corrente x 0,1
- c na posição 1 e d na posição 0 = corrente x 1
- c,d na posição 1 = corrente x 10
4. Botão de teste
5. Botão de reset manual
6. Led verde – aceso indica que o rele está ligado.
7. Led vermelho – aceso indica que o rele está
atuado.
8. Terminais de alimentação auxiliar, contatos do
rele e conexão do TC.
Imagem meramente ilustrativa
[7] Dimensional
Rele de Fuga a Terra RFT-1E
Ficha técnica – K0066
Revisão 1.0– 25/10/2016
KRON Instrumentos Elétricos Ltda.
Fone: (11) 5525-2000
Site: http://www.kron.com.br - Email: suporte@kron.com.br
3/5
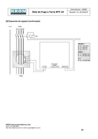
[8] Esquemas de Ligação
Descrição dos bornes:
Borne Descrição
1 Entrada S1 do TC
2 Entrada S2 do TC
5
Alimentação auxiliar
(vide detalhes abaixo)
6
7
8
10 Terminal NF do Rele
11 Terminal Comum do Rele
12 Terminal NA do Rele
Descrição dos bornes referentes à alimentação auxiliar:
Padrão Outras opções (sob consulta)
Alimentação (115 Vc.a. / Vc.c.) Alimentação (24Vc.a. / Vc.c.)
Alimentação (230Vc.a.) Alimentação (48Vc.a. / Vc.c.)
Alimentação (400 Vc.a.) Alimentação (12Vc.a. / Vc.c.)
Rele de Fuga a Terra RFT-1E
Ficha técnica – K0066
Revisão 1.0– 25/10/2016
KRON Instrumentos Elétricos Ltda.
Fone: (11) 5525-2000
Site: http://www.kron.com.br - Email: suporte@kron.com.br
4/5
[9] Esquemas de Ligação (continuação)
Rele de Fuga a Terra RFT-1E
Ficha técnica – K0066
Revisão 1.0– 25/10/2016
KRON Instrumentos Elétricos Ltda.
Fone: (11) 5525-2000
Site: http://www.kron.com.br - Email: suporte@kron.com.br
5/5
[10] Especificação por código
A codificação do produto permite a correta especificação
em projeto, garantindo que o material comprado seja
exatamente o necessário para a aplicação.
A identificação é feita por meio de uma seqüência
alfanumérica de 13 caracteres:
R Fixo
F Fixo
T Fixo
1 Fixo
E Fixo
0 Fixo
__
Alimentação auxiliar:
1: 115 Vc.a. / Vc.c. – 230Vc.a. – 400 Vc.a.
2: 24 Vc.a. / Vc.c - 48 Vc.a. / Vc.c. (sob consulta)
3: 12 Vc.a./Vc.c. (sob consulta)
0 Fixo
0
Fixo
0 Fixo
0 Fixo
0 Fixo
0 Fixo
[11] Normalizações
O RFT-1E atende as seguintes normas:
• CEI 41-1
• IEC 255
• VDE 0664
• IEC 755
• CEI 64.8
• EN 61008-1 (1999-11)
• EN 62020 (1999-09)
• EN 61543 (1996-09)
• EN 61326-1 (1998-04)
• EN 61326/A1 (1999-05)
• CEI-EN 50081-1
• CEI-EN 50082-2
As informações contidas nesta ficha técnica estão sujeitas à alteração
sem aviso prévio.
Para correta utilização do produto, deve ser consultado o Manual do
Usuário antes de sua instalação ou operação.
Alguns itens apresentados podem ser opcionais, sendo necessária a
correta especificação do produto por meio do código.
Descarte do aparelho
Os produtos que exibem este símbolo devem
ser descartados separadamente dos resíduos
domésticos regulares, conforme legislação
ambiental local.
Caso não consiga informações seguras, entre
em contato com nossa assistência técnica
através do telefone (11) 5525-2027 ou do site
www.kron.com.br.

K0066 -rele_de_fuga_a_terra_rft1_e_(rev1.1)

  • 1.
    Rele de Fugaa Terra RFT-1E Ficha técnica – K0066 Revisão 1.0– 25/10/2016 KRON Instrumentos Elétricos Ltda. Fone: (11) 5525-2000 Site: http://www.kron.com.br - Email: suporte@kron.com.br 1/5 [1] Introdução Os Reles de fuga à terra são instrumentos utilizados para auxiliar na proteção de pessoas, painéis e equipamentos em geral. Acoplados a sensores de corrente toroidais apropriados, são capazes de identificar presença de fluxo de corrente elétrico para o sistema de aterramento. [2] Aplicações • Proteção de pessoas contra choques elétricos; • Proteção de equipamentos eletrônicos sensíveis; • Proteção para áreas classificadas; (risco de fogo ou explosão); • Outras aplicações semelhantes; [3] Características Mecânicas MONTAGEM • Tipo: porta de painel • Posição de montagem: qualquer • Fixação: travas laterais ISOLAÇÃO • 2,5kV por 60 segundos INVÓLUCRO • Grau de proteção: - Painel frontal: IP-40 com proteção acrílica, - Invólucro: IP-20; CONEXÕES ELÉTRICAS • Tipo: Terminal de parafusos • Cabo máximo a ser utilizado: 2,5mm² • Grau de proteção: IP-20 [4] Condições ambientais relevantes • Temperatura de operação: -10 a +60°C • Temperatura de armazenamento e transporte: -20 a +80°C • Umidade relativa do ar: 90% [5] Características Elétricas ALIMENTAÇÃO AUXILIAR • Nominal: 115Vc.a. / Vc.c.; 230Vc.a.; 400Vc.a.; +/-10% *24Vc.a / Vc.c. - *48Vc.a / Vc.c. * 12Vc.a / Vc.c. • Consumo interno: <= 5,5 VA • Frequência: 50 / 60Hz * Opções sob consulta FAIXA DE AJUSTE DE CORRENTE DE DISPARO • de 0,025A à 0,25A para K=0,1 • de 0,25A à 2,5A para K=1 • de 2,5A à 25A para K=10 • *de 25A à 250A (com TC multiplicador externo) * Sob consulta FAIXA DE AJUSTE DE ATRASO DE DISPARO • de 0,02s à 0,5s para K=1 • de 0,2s à 5s para K=10 SAÍDAS 1 saída a Rele – 3 terminais – 5A / 250V
  • 2.
    Rele de Fugaa Terra RFT-1E Ficha técnica – K0066 Revisão 1.0– 25/10/2016 KRON Instrumentos Elétricos Ltda. Fone: (11) 5525-2000 Site: http://www.kron.com.br - Email: suporte@kron.com.br 2/5 [6] Descrição dos itens do painel 1. Potenciometro de ajuste do tempo de atraso 2. Potenciometro de ajuste da corrente de disparo 3. Chaves de seleção de constantes: Chave a: reset - posição 0 = reset manual - posição 1 = reset automático Chave b: constante multiplicadora do tempo de atraso. - posição 0 = tempo x 1 - posição 1 = tempo x 10 Chaves c,d: constantes multiplicadoras da corrente de disparo - c,d na posição 0 = corrente x 0,1 - c na posição 1 e d na posição 0 = corrente x 1 - c,d na posição 1 = corrente x 10 4. Botão de teste 5. Botão de reset manual 6. Led verde – aceso indica que o rele está ligado. 7. Led vermelho – aceso indica que o rele está atuado. 8. Terminais de alimentação auxiliar, contatos do rele e conexão do TC. Imagem meramente ilustrativa [7] Dimensional
  • 3.
    Rele de Fugaa Terra RFT-1E Ficha técnica – K0066 Revisão 1.0– 25/10/2016 KRON Instrumentos Elétricos Ltda. Fone: (11) 5525-2000 Site: http://www.kron.com.br - Email: suporte@kron.com.br 3/5 [8] Esquemas de Ligação Descrição dos bornes: Borne Descrição 1 Entrada S1 do TC 2 Entrada S2 do TC 5 Alimentação auxiliar (vide detalhes abaixo) 6 7 8 10 Terminal NF do Rele 11 Terminal Comum do Rele 12 Terminal NA do Rele Descrição dos bornes referentes à alimentação auxiliar: Padrão Outras opções (sob consulta) Alimentação (115 Vc.a. / Vc.c.) Alimentação (24Vc.a. / Vc.c.) Alimentação (230Vc.a.) Alimentação (48Vc.a. / Vc.c.) Alimentação (400 Vc.a.) Alimentação (12Vc.a. / Vc.c.)
  • 4.
    Rele de Fugaa Terra RFT-1E Ficha técnica – K0066 Revisão 1.0– 25/10/2016 KRON Instrumentos Elétricos Ltda. Fone: (11) 5525-2000 Site: http://www.kron.com.br - Email: suporte@kron.com.br 4/5 [9] Esquemas de Ligação (continuação)
  • 5.
    Rele de Fugaa Terra RFT-1E Ficha técnica – K0066 Revisão 1.0– 25/10/2016 KRON Instrumentos Elétricos Ltda. Fone: (11) 5525-2000 Site: http://www.kron.com.br - Email: suporte@kron.com.br 5/5 [10] Especificação por código A codificação do produto permite a correta especificação em projeto, garantindo que o material comprado seja exatamente o necessário para a aplicação. A identificação é feita por meio de uma seqüência alfanumérica de 13 caracteres: R Fixo F Fixo T Fixo 1 Fixo E Fixo 0 Fixo __ Alimentação auxiliar: 1: 115 Vc.a. / Vc.c. – 230Vc.a. – 400 Vc.a. 2: 24 Vc.a. / Vc.c - 48 Vc.a. / Vc.c. (sob consulta) 3: 12 Vc.a./Vc.c. (sob consulta) 0 Fixo 0 Fixo 0 Fixo 0 Fixo 0 Fixo 0 Fixo [11] Normalizações O RFT-1E atende as seguintes normas: • CEI 41-1 • IEC 255 • VDE 0664 • IEC 755 • CEI 64.8 • EN 61008-1 (1999-11) • EN 62020 (1999-09) • EN 61543 (1996-09) • EN 61326-1 (1998-04) • EN 61326/A1 (1999-05) • CEI-EN 50081-1 • CEI-EN 50082-2 As informações contidas nesta ficha técnica estão sujeitas à alteração sem aviso prévio. Para correta utilização do produto, deve ser consultado o Manual do Usuário antes de sua instalação ou operação. Alguns itens apresentados podem ser opcionais, sendo necessária a correta especificação do produto por meio do código. Descarte do aparelho Os produtos que exibem este símbolo devem ser descartados separadamente dos resíduos domésticos regulares, conforme legislação ambiental local. Caso não consiga informações seguras, entre em contato com nossa assistência técnica através do telefone (11) 5525-2027 ou do site www.kron.com.br.