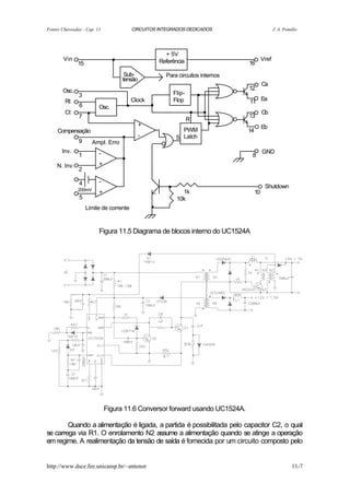
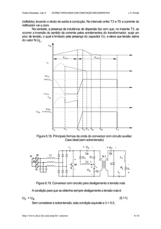
Fontes Chaveadas - Cap. 1      COMPONENTES SEMICONDUTORES RÁPIDOS DE POTÊNCIA         J. A. Pomilio




1. COMPONENTES SEMICONDUTORES RÁPIDOS DE POTÊNCIA


1.1 Diodos de Potência

       Um diodo semicondutor é uma estrutura P-N que, dentro de seus limites de tensão e
de corrente, permite a passagem de corrente em um único sentido. Detalhes de
funcionamento, em geral desprezados para diodos de sinal, podem ser significativos para
componentes de maior potência, caracterizados por uma maior área (para permitir maiores
correntes) e maior comprimento (a fim de suportar tensões mais elevadas). A figura 1.1
mostra, simplificadamente, a estrutura interna de um diodo.

                                       Junção metalúrgica


                  P+ + + + + + + _ _ + + _ _ _ _ _ _ _
                                                   N
                  ++++++++ _ _ +             + _   _ _ _ _ _ _
                  ++++++++ _ _                 _   _ _ _ _ _ _          Anodo       Catodo
                               +             +
                  ++++++++ _ _
                               +             + _   _ _ _ _ _ _
                  ++++++++ _ _ +             + _   _ _ _ _ _ _

                                  +                  Difusão
                                               _




                                                                Potencial
            0
                                        1u


                            Figura 1.1. Estrutura básica de um diodo semicondutor

        Aplicando-se uma tensão entre as regiões P e N, a diferença de potencial aparecerá na
região de transição, uma vez que a resistência desta parte do semicondutor é muito maior que
a do restante do componente (devido à concentração de portadores).
        Quando se polariza reversamente um diodo, ou seja, se aplica uma tensão negativa no
anodo (região P) e positiva no catodo (região N), mais portadores positivos (lacunas) migram
para o lado N, e vice-versa, de modo que a largura da região de transição aumenta, elevando a
barreira de potencial.
        Por difusão ou efeito térmico, uma certa quantidade de portadores minoritários
penetra na região de transição. São, então, acelerados pelo campo elétrico, indo até a outra
região neutra do dispositivo. Esta corrente reversa independe da tensão reversa aplicada,
variando, basicamente, com a temperatura.

http://www.dsce.fee.unicamp.br/~antenor                                                               1-1
Fontes Chaveadas - Cap. 1   COMPONENTES SEMICONDUTORES RÁPIDOS DE POTÊNCIA       J. A. Pomilio



        Se o campo elétrico na região de transição for muito intenso, os portadores e        m
trânsito obterão grande velocidade e, ao se chocarem com átomos da estrutura, produzirão
novos portadores, os quais, também acelerados, produzirão um efeito de avalanche. Dado o
aumento na corrente, sem redução significativa na tensão na junção, produz-se um pico de
potência que destrói o componente.
        Uma polarização direta leva ao estreitamento da região de transição e à redução da
barreira de potencial. Quando a tensão aplicada superar o valor natural da barreira, cerca de
0,7V para diodos de Si, os portadores negativos do lado N serão atraídos pelo potencial
positivo do anodo e vice-versa, levando o componente à condução.
        Na verdade, a estrutura interna de um diodo de potência é um pouco diferente desta
apresentada. Existe uma região N intermediária, com baixa dopagem. O papel desta região é
permitir ao componente suportar tensões mais elevadas, pois tornará menor o campo elétrico
na região de transição (que será mais larga, para manter o equilíbrio de carga).
        Esta região de pequena densidade de dopante dará ao diodo uma significativa
característica resistiva quando em condução, a qual se torna mais significativa quanto maior
for a tensão suportável pelo componente. As camadas que fazem os contatos externos são
altamente dopadas, a fim de fazer com que se obtenha um contato com característica ôhmica e
não semi-condutor (como se verá adiante nos diodos Schottky).
        O contorno arredondado entre as regiões de anodo e catodo tem como função criar
campos elétricos mais suaves (evitando o efeito de pontas).
        No estado bloqueado, pode-se analisar a região de transição como um capacitor, cuja
carga é aquela presente na própria região de transição.
        Na condução não existe tal carga, no entanto, devido à alta dopagem da camada P+,
por difusão, existe uma penetração de lacunas na região N-. Além disso, à medida que cresce
a corrente, mais lacunas são injetadas na região N-, fazendo com que elétrons venham da
região N+ para manter a neutralidade de carga. Desta forma, cria-se uma carga espacial no
catodo, a qual terá que ser removida (ou se recombinar) para permitir a passagem para o
estado bloqueado do diodo.
        O comportamento dinâmico de um diodo de potência é, na verdade, muito diferente
do de uma chave ideal, como se pode observar na figura 1.2. Suponha-se que se aplica uma
tensão vi ao diodo, alimentando uma carga resistiva (cargas diferentes poderão alterar alguns
aspectos da forma de onda).
        Durante t1, remove-se a carga acumulada na região de transição. Como ainda não
houve significativa injeção de portadores, a resistência da região N- é elevada, produzindo um
pico de tensão. Indutâncias parasitas do componente e das conexões também colaboram com
a sobre-tensão. Durante t2 tem-se a chegada dos portadores e a redução da tensão para cerca
de 1V. Estes tempos são, tipicamente, da ordem de centenas de ns.
        No desligamento, a carga espacial presente na região N- deve ser removida antes que
se possa reiniciar a formação da barreira de potencial na junção. Enquanto houver portadores
transitando, o diodo se mantém em condução. A redução em V on se deve à diminuição da
queda ôhmica. Quando a corrente atinge seu pico negativo é que foi retirado o excesso de
portadores, iniciando-se, então, o bloqueio do diodo. A taxa de variação da corrente,
associada às indutâncias do circuito, provoca uma sobre-tensão negativa.
        Diodos rápidos possuem trr da ordem de, no máximo, poucos micro-segundos,
enquanto nos diodos normais é de dezenas ou centenas de micro-segundos.


http://www.dsce.fee.unicamp.br/~antenor                                                          1-2
Fontes Chaveadas - Cap. 1        COMPONENTES SEMICONDUTORES RÁPIDOS DE POTÊNCIA                               J. A. Pomilio



       O retorno da corrente a zero, após o bloqueio, devido à sua elevada derivada e ao fato
de, neste momento, o diodo já estar desligado, é uma fonte importante de sobretensões
produzidas por indutâncias parasitas associadas aos componentes por onde circula tal
corrente. A fim de minimizar este fenômeno foram desenvolvidos os diodos “soft-recovery”,
nos quais esta variação de corrente é suavizada, reduzindo os picos de tensão gerados.

                                                                                                  trr
                                                                  t1                 dir/dt   t3
                                                        dif/dt
                                                                                                        Qrr
                                                                            i=Vr/R
                                                       iD
                       Anodo


         P+             10e19 cm-3          10 u       Vfp                         Von            t4 t5
                                                        vD
                                                                                                                      Vrp
         _                                             -Vr             t2
     N                  10e14 cm-3         Depende
                                           da tensão
                                                                                                  +Vr
                                                       vi
                                                                              vD                                   -Vr
                                            250 u
      N+               10e19cm-3
                                           substrato
                                                                                     iD
                                                                 vi                           R

                            Catodo


                           Figura 1.2. Estrutura típica de diodo de potência.e
                       Formas de onda típicas de comutação de diodo de potência.


1.2 Diodos Schottky

         Quando é feita uma junção entre um terminal metálico e um material semicondutor, o
contato tem, tipicamente, um comportamento ôhmico, ou seja, a resistência do contato
governa o fluxo da corrente. Quando este contato é feito entre um metal e uma região
semicondutora com densidade de dopante relativamente baixa, o efeito dominante deixa de ser
o resistivo, passando a haver também um efeito retificador.
         Um diodo Schottky é formado colocando-se um filme metálico em contato direto com
um semicondutor, como indicado na figura 1.3. O metal é usualmente depositado sobre um
material tipo N, por causa da maior mobilidade dos portadores neste tipo de material. A parte
metálica será o anodo e o semicondutor, o catodo.
         Numa deposição de Al (3 elétrons na última camada), os elétrons do semicondutor
tipo N migrarão para o metal, criando uma região de transição na junção.
         Note-se que apenas elétrons (portadores majoritários em ambos materiais) estão e  m
trânsito. O seu chaveamento é muito mais rápido do que o dos diodos biplares, uma vez que
não existe carga espacial armazenada no material tipo N, sendo necessário apenas refazer a

http://www.dsce.fee.unicamp.br/~antenor                                                                                       1-3
Fontes Chaveadas - Cap. 1    COMPONENTES SEMICONDUTORES RÁPIDOS DE POTÊNCIA               J. A. Pomilio



barreira de potencial (tipicamente de 0,3V). A região N tem uma dopagem relativamente alta,
a fim de reduzir as perda de condução, com isso, a máxima tensão suportável por estes diodos
é de cerca de 100V.
        A aplicação deste tipo de diodos ocorre principalmente em fontes de baixa tensão, nas
quais as quedas sobre os retificadores são significativas.

                       contato                                     contato
                                     Al                  Al
                       retificador                                 ôhmico
                       SiO2
                                                    N+


                                           Tipo N


                                      Substrato tipo P

                    Figura 1.3 Diodo Schottky construído através de técnica de CIs.


1.3 Transistor Bipolar de Potência (TBP)


1.3.1 Princípio de funcionamento
       A figura 1.4 mostra a estrutura básica de um transistor bipolar.

                                     Rc      Vcc


                                                              J2       J1

                             N+       N-                       P            N+
                       C                                 -                  -    E
                                                                   -
                                                                            -
                                                                                     Vb
                                                              B
                                                                                     Rb



                            Figura 1.4. Estrutura básica de transistor bipolar

        A operação normal de um transistor é feita com a junção J1 (B-E) diretamente
polarizada, e com J2 (B-C) reversamente polarizada.

http://www.dsce.fee.unicamp.br/~antenor                                                                   1-4
Fontes Chaveadas - Cap. 1    COMPONENTES SEMICONDUTORES RÁPIDOS DE POTÊNCIA              J. A. Pomilio



        No caso NPN, os elétrons são atraídos do emissor pelo potencial positivo da base.
Esta camada central é suficientemente fina para que a maior parte dos portadores tenha
energia cinética suficiente para atravessá-la, chegando à região de transição de J2, sendo,
então, atraídos pelo potencial positivo do coletor.
        O controle de Vbe determina a corrente de base, Ib, que, por sua vez, se relaciona com
Ic pelo ganho de corrente do dispositivo.
        Na realidade, a estrutura interna dos TBPs é diferente. Para suportar tensões elevadas,
existe uma camada intermediária do coletor, com baixa dopagem, a qual define a tensão de
bloqueio do componente.
        A figura 1.5. mostra uma estrutura típica de um transistor bipolar de potência. As
bordas arredondadas da região de emissor permitem uma homogenização do campo elétrico,
necessária à manutenção de ligeiras polarizações reversas entre base e emissor. O TBP não
sustenta tensão no sentido oposto porque a alta dopagem do emissor provoca a ruptura de J1
em baixas tensões (5 a 20V).

                       B                     E

                                   N+ 10e19 cm-3                 10 u
                       P              10e16 cm-3                 5 a 20 u

                                                                                     C

                                        10e14 cm-3               50 a 200 u
                       N-
                                                                              B

                                                                                     E

                       N+               10e19 cm-3               250 u (substrato)


                                         C
                            Figura 1.5. Estrutura interna de TPB e seu símbolo

        O uso preferencial de TBP tipo NPN se deve às menores perdas em relação aos PNP,
o que ocorre por causa da maior mobilidade dos elétrons em relação às lacunas, reduzindo,
principalmente, os tempos de comutação do componente.


1.3.2 Limites de tensão
       A tensão aplicada ao transistor encontra-se praticamente toda sobre a junção J2 a qual,
tipicamente, está reversamente polarizada. Existem limites suportáveis por esta junção, os
quais dependem principalmente da forma como o comando de base está operando, conforme
se vê nas figuras 1.6 e 1.7.
       Com o transistor conduzindo (Ib>0) e operando na região ativa, o limite de tensão Vce
é Vces o qual, se atingido, leva o dispositivo a um fenômeno chamado de primeira ruptura.
http://www.dsce.fee.unicamp.br/~antenor                                                                  1-5
Fontes Chaveadas - Cap. 1      COMPONENTES SEMICONDUTORES RÁPIDOS DE POTÊNCIA              J. A. Pomilio



        O processo de primeira ruptura ocorre quando, ao se elevar a tensão Vce, provoca-se
um fenômeno de avalanche em J2. Este acontecimento não danifica, necessariamente, o
dispositivo. Se, no entanto, a corrente Ic se concentrar em pequenas áreas, o sobre-
aquecimento produzirá ainda mais portadores e destruirá o componente (segunda ruptura).
        Com o transistor desligado (Ib=0) a tensão que provoca a ruptura da junção J2 é
maior, elevando-se ainda mais quando a corrente de base for negativa. Isto é uma indicação
interessante que, para transistores submetidos a valores elevados de tensão, o estado
desligado deve ser acompanhado de uma polarização negativa da base.


                                      Ic                          Ic      Vcbo              Ic
             Ib>0                             Ib=0

                                    Vces                        Vceo          Ib<0




              Figura 1.6. Tipos de conexão do circuito de base e máximas tensões Vce.

                     Ic                    segunda ruptura
                                                                primeira ruptura



                                            Ib4

                                            Ib3

                                            Ib2                        Ib<0
                                            Ib1

                                                                Ib=0                 Vce

                                                         Vces          Vceo      Vcbo
                                 Ib4>Ib3>Ib2>Ib1>0

                            Figura 1.7 Característica estática de transistor bipolar.


1.3.3 Área de Operação Segura (AOS)
        A AOS representa a região do plano Vce x Ic dentro da qual o TBP pode operar sem
se danificar. A figura 1.8 mostra uma forma típica de AOS.


http://www.dsce.fee.unicamp.br/~antenor                                                                    1-6
Fontes Chaveadas - Cap. 1       COMPONENTES SEMICONDUTORES RÁPIDOS DE POTÊNCIA        J. A. Pomilio



                       log Ic
                      Ic max                                         1 us
                                                            10 us
                                                   100 us

                                           A
                      Ic DC                               B


                                                               C

                                                                     D

                                                                            log Vce

                         Figura 1.8. Aspecto típico de AOS de TBP
A: Máxima corrente contínua de coletor
B: Máxima potência dissipável (relacionada à temperatura na junção)
C: Limite de segunda ruptura
D: Máxima tensão Vce

       À medida que a corrente se apresenta em pulsos (não-repetitivos) a área se expande.
       Para pulsos repetitivos deve-se analisar o comportamento térmico do componente para
se saber se é possível utilizá-lo numa dada aplicação, uma vez que a AOS, por ser definida
para um único pulso, é uma restrição mais branda. Esta análise térmica é feita com base no
ciclo de trabalho a que o dispositivo está sujeito, aos valores de tensão e corrente e à
impedância térmica do transistor, a qual é fornecida pelo fabricante.


1.3.4 Região de quase-saturação
         Consideremos o circuito mostrado na figura 1.9, e as curvas estáticas do TBP alí
indicadas.
         Quando Ic cresce, Vce diminui, dada a maior queda de tensão sobre R. À medida que
Vce se reduz, caminha-se no sentido da saturação.
         Os TBP apresentam uma região chamada de quase-saturação gerada, principalmente,
pela presença da camada N- do coletor.
         À semelhança da carga espacial armazenada nos diodos, nos transistores bipolares
também ocorre estocagem de carga. A figura 1.10 mostra a distribuição de carga estática no
interior do transistor para as diferentes regiões de operação.
         Na região ativa, J2 está reversamente polarizada e ocorre uma acumulação de elétrons
na região da base. Quando se aproxima da saturação, J2 fica diretamente polarizada, atraindo
lacunas da base para o coletor. Tais lacunas associam-se a elétrons vindos do emissor e que
estão migrando pelo componente, criando uma carga espacial que penetra a região N-. Isto
representa um "alargamento" da região da base, implicando na redução do ganho do
transistor. Tal situação caracteriza a chamada quase-saturação. Quando esta distribuição de
carga espacial ocupa toda a região N- chega-se, efetivamente, à saturação.

http://www.dsce.fee.unicamp.br/~antenor                                                               1-7
Fontes Chaveadas - Cap. 1   COMPONENTES SEMICONDUTORES RÁPIDOS DE POTÊNCIA               J. A. Pomilio




                    saturação    quase-saturação
               Ic

                                                                        R
        Vcc/R
                                                              Ib

                                       região ativa                                       Vcc
                                                                                Vce




                                                    corte

                                                    Vcc     Vce

                            Figura 1.9 Região de quase-saturação do TBP.

       É claro que no desligamento toda esta carga terá que ser removida antes do efetivo
bloqueio do TBP, o que sinaliza a importância do ótimo circuito de acionamento de base para
que o TBP possa operar numa situação que minimize a tempo de desligamento e a dissipação
de potência (associada ao valor de Vce).

                                          Coletor                  Base        Emissor

                                N+           N-                    P            N+


                                                         quase-           e-
                                                       saturação

                                                         região ativa
                    saturação                         base virtual

                      Figura 1.10 Distribuição da carga estática acumulada no TBP


1.3.5 Ganho de corrente
       O ganho de corrente dos TBP varia com diversos parâmetros (Vce, Ic, temperatura),
sendo necessário, no projeto, definir adequadamente o ponto de operação.
       Em baixas correntes, a recombinação dos portadores em trânsito leva a uma redução
no ganho, enquanto para altas correntes tem-se o fenômeno da quase-saturação reduzindo o
ganho, como explicado anteriormente.


http://www.dsce.fee.unicamp.br/~antenor                                                                  1-8
Fontes Chaveadas - Cap. 1       COMPONENTES SEMICONDUTORES RÁPIDOS DE POTÊNCIA            J. A. Pomilio



      Para uma tensão Vce elevada, a largura da região de transição de J2 que penetra na
camada de base é maior, de modo a reduzir a espessura efetiva da base, o que leva a um
aumento do ganho.

                            ganho de corrente


                             Vce = 2V (125 C)
                                                                   Vce = 400 V (25 C)


                                                Vce = 2 V (25 C)




                                                                                 log Ic

     Figura 1.11 Comportamento típico do ganho de corrente em função da tensão Vce, da
                          temperatura e da corrente de coletor.


1.3.6 Características de chaveamento

        As características de chaveamento são importantes pois definem a velocidade de
mudança de estado e ainda determinam as perdas no dispositivo relativas às comutações, que
são dominantes nos conversores de alta freqüência. Definem-se diversos intervalos
considerando operação com carga resistiva ou indutiva. O sinal de base, para o desligamento
é, geralmente, negativo, a fim de acelerar o bloqueio do TBP.

a) Carga resistiva

        A figura 1.12 mostra formas de onda típicas para este tipo de carga. O índice "r' se
refere a tempos de subida (de 10% a 90% dos valores máximos), enquanto "f" relaciona-se
aos tempos de descida. O índice "s" refere-se ao tempo de armazenamento e "d" ao tempo de
atraso.

td: tempo de atraso
       Corresponde a tempo de descarregamento da capacitância da junção b-e. Pode ser
reduzido pelo uso de uma maior corrente de base com elevado dib/dt.

tri: tempo de crescimento da corrente de coletor
        Este intervalo se relaciona com a velocidade de aumento da carga estocada e depende
da corrente de base.

          Como a carga é resistiva, uma variação de Ic provoca uma mudança em Vce.

http://www.dsce.fee.unicamp.br/~antenor                                                                   1-9
Fontes Chaveadas - Cap. 1             COMPONENTES SEMICONDUTORES RÁPIDOS DE POTÊNCIA                         J. A. Pomilio




                                                                                         100%
                                                                                         90%
                                                                                          Sinal de base
                                                                                         10%
                             ton=ton(i)
                                                                  toff=toffi
                        td=tdi                                     ts=tsi    tfi
                                       tri
                                                                                        90%

                                                                                       Corrente de coletor
                                                                                        10%

                                  ton(v)                               toff(v)

                            tdv                                  tsv
                                       tfv                                       trv
                                                                                            +Vcc
                                                                                           90%
                                                                                              Tensão Vce
                     Vce(sat)                                                             10%

                                              CARGA RESISTIVA

                  Figura 1.12 Característica típica de chaveamento de carga resistiva

ts: tempo de armazenamento
        Intervalo necessário para retirar (Ib<0) e/ou neutralizar os portadores estocados no
coletor e na base

tfi: tempo de queda da corrente de coletor
         Corresponde ao processo de bloqueio do TBP, com a travessia da região ativa, da
saturação para o corte. A redução de Ic depende de fatores internos ao componente, como o
tempo de recombinação, e de fatores externos, como o valor de Ib (negativo).

       Para obter um desligamento rápido deve-se evitar operar com o componente além da
quase-saturação, de modo a tornar breve o tempo de armazenamento.


b) Carga indutiva

         Seja Io>0 e constante durante a comutação. A figura 1.13 mostra formas de onda
típicas com este tipo de carga.

b.1) Entrada em condução
        Com o TBP cortado, Io circula pelo diodo (=> Vce=Vcc). Após td, Ic começa a
crescer, reduzindo Id (pois Io é constante). Quando Ic=Io, o diodo desliga e Vce começa a
diminuir. Além disso, pelo transistor circula a corrente reversa do diodo.



http://www.dsce.fee.unicamp.br/~antenor                                                                                 1-10
Fontes Chaveadas - Cap. 1         COMPONENTES SEMICONDUTORES RÁPIDOS DE POTÊNCIA        J. A. Pomilio



b.2) Bloqueio
            Com a inversão da tensão Vbe (e de Ib), inicia-se o processo de desligamento do TBP.
Após tsv começa a crescer Vce. Para que o diodo conduza é preciso que Vce>Vcc. Enquanto
isto não ocorre, Ic=Io. Com a entrada em condução do diodo, Ic diminui, à medida que Id
cresce (tfi).
            Além destes tempos definem-se outros para carga indutiva:
tti: (tail time): Queda de Ic de 10% a 2%
tc ou txo: intervalo entre 10% de Vce e 10% de Ic


                                                 Vb
                 Io


              Lcarga                Df
                                                             td

                                                  Ic
                                                                                   Io
             R
              carga


                                     Vcc                                                tti
                                                Vce                         tsv

                 Ic                              Vcc


                            Vce




                                  Figura 1.13. Formas de onda com carga indutiva


1.3.7 Circuitos amaciadores (ou de ajuda à comutação) - "snubber"
       O papel dos circuitos amaciadores é garantir a operação do TBP dentro da AOS,
especialmente durante o chaveamento de cargas indutivas.

a) Desligamento - Objetivo: atrasar o crescimento de Vce (figura 1.14)
        Quando Vce começa a crescer, o capacitor Cs começa a se carregar (via Ds),
desviando parcialmente a corrente, reduzindo Ic. Df só conduzirá quando Vce>Vcc.
        Quando o transistor ligar o capacitor se descarregará por ele, com a corrente limitada
por Rs. A energia acumulada em Cs será, então, dissipada sobre Rs.
        Sejam as formas de onda mostradas na figura 1.15. Considerando que Ic caia
linearmente e que IL é constante, a corrente por Cs cresce linearmente. Fazendo-se com que
Cs complete sua carga quando Ic=0, o pico de potência se reduzirá a menos de 1/4 do seu
valor sem circuito amaciador (supondo trv=0)




http://www.dsce.fee.unicamp.br/~antenor                                                            1-11
Fontes Chaveadas - Cap. 1      COMPONENTES SEMICONDUTORES RÁPIDOS DE POTÊNCIA               J. A. Pomilio



              Io
                                                     log Ic
           Lcarga              Df
                                                                            sem amaciador
                                                      Io

                                                                       Cs
           R
            carga
                                               Vcc

              Ic
                          Cs        Vcs                                         Vcc   log Vce

                         Vce
                          Ds          Rs




                   Figura 1.14. Circuito amaciador de desligamento e trajetórias na AOS


                                                   Vcc
                         Ic                                    Ic                       Vcc
           Io

                   Vce                                        Vce

                                          Io.Vcc
                    P                                         P




                          trv
          Figura 1.15. Formas de onda no desligamente sem e com o circuito amaciador.

       O valor de Rs deve ser tal que permita toda a descarga de Cs durante o mínimo tempo
ligado do TBP e, por outro lado, limite o pico de corrente em um valor inferior à máxima
corrente de pico repetitiva do componente. Deve-se usar o maior Rs possível.

b) Entrada em condução: Objetivo: reduzir Vce e atrasar o aumento de Ic (figura 1.16)
        No circuito sem amaciador, após o disparo do TBP, Ic cresce, mas Vce só se reduz
quando Df deixar de conduzir. A colocação de Ls provoca uma redução de Vce, além de
reduzir a taxa de crescimento de Ic.

http://www.dsce.fee.unicamp.br/~antenor                                                                1-12
Fontes Chaveadas - Cap. 1   COMPONENTES SEMICONDUTORES RÁPIDOS DE POTÊNCIA         J. A. Pomilio



        Normalmente não se utiliza este tipo de circuito, considerando que os tempos
associados à entrada em condução são bem menores do que aqueles de desligamento. A
própria indutância parasita do circuito realiza, parcialmente, o papel de retardar o crescimento
da corrente e diminuir a tensão Vce. Inevitavelmente, tal indutância irá produzir alguma
sobretensão no momento do desligamento, além de ressoar com as capacitâncias do circuito.

                                                    Vcc


                                           carga          Df




                                                          Ds
                                               Ls

                                                          Rs




                       Figura 1.16. Circuito amaciador para entrada em condução.

1.3.8 Conexão Darlington
        Como o ganho dos TBP é relativamente baixo, usulmente são utilizadas conexões
Darlington (figura 1.17), que apresentam como principais características:
- ganho de corrente β= β1(β2+1)+β2
- T2 não satura, pois sua junção B-C está sempre reversamente polarizada
- tanto o disparo quanto o desligamento são sequenciais. No disparo, T1 liga primeiro,
fornecendo corrente de base para T2. No desligamento, T1 deve comutar antes,
interrompendo a corrente de base de T2.

                                              T1

                                                           T2



                                   Figura 1.17. Conexão Darlington.

       Os tempos totais dependem, assim, de ambos transistores, elevando, em princípio, as
perdas de chaveamento.


http://www.dsce.fee.unicamp.br/~antenor                                                       1-13
Fontes Chaveadas - Cap. 1       COMPONENTES SEMICONDUTORES RÁPIDOS DE POTÊNCIA      J. A. Pomilio



        Considerando o caso de uma topologia em ponte (ou meia ponte), como mostrado na
figura 1.18, quando o conjunto superior conduz, o inferior deve estar desligado. Deve-se
lembrar aqui que existem capacitâncias associadas às junções dos transistores.
        Quando o potencial do ponto A se eleva (pela condução de T2) a junção B-C terá
aumentada sua largura, produzindo uma corrente a qual, se a base de T3 estiver aberta,
circulará pelo emissor, transformando-se em corrente de base de T4, o qual poderá conduzir,
provocando um curto-circuito (momentâneo) na fonte.
        A solução adotada é criar caminhos alternativos para esta corrente, por meio de
resistores, de modo que T4 não conduza.
        Além destes resistores, é usual a inclusão de um diodo reverso, de emissor para
coletor, para facilitar o escoamento das cargas no processo de desligamento. Além disso, tal
diodo tem fundamental imporância no acionamento de cargas indutivas, uma vez que faz a
função do diodo de circulação.




                                              T1              T2
                                                              A
                                    capacitâncias parasitas
                                              i        i           carga


                                              T3
                                                              T4



                            Figura 1.18 Conexão Darlington num circuito em ponte.

       Usualmente associam-se aos transistores em conexão Darlington, outros componentes,
cujo papel é garantir seu bom desempenho em condições adversas, como se vê na figura 1.18.




                     Figura 1.19. Conexão Darlington com componentes auxiliares.



http://www.dsce.fee.unicamp.br/~antenor                                                        1-14
Fontes Chaveadas - Cap. 1     COMPONENTES SEMICONDUTORES RÁPIDOS DE POTÊNCIA        J. A. Pomilio



1.3.9 Métodos de redução dos tempos de chaveamento
      Um ponto básico é utilizar uma corrente de base adequada:

                                          Ib1


                                                        Ib2
                             dib/dt
                                                                  dib/dt



                                                                      Ibr

    Figura 1.20 Forma de onda de corrente de base recomendada para acionamento de TBP.

        As transições devem ser rápidas, para reduzir os tempo de atraso. Um valor elevado
Ib1 permite uma redução de tri. Quando em condução, Ib2 deve ter tal valor que faça o TBP
operar na região de quase-saturação. No desligamento, deve-se prover uma corrente negativa,
acelerando assim a retirada dos portadores armazenados.
        Para o acionamento de um transistor único, pode-se utilizar um arranjo de diodos para
evitar a saturação, como mostrado na figura 1.21.
        Neste arranjo, a tensão mínima na junção B-C é zero. Excesso na corrente Ib é
desviado por D1. D3 permite a circulação de corrente negativa na base.

                                                     D1
                                                       D2


                                                     D3

                            Figura 1.21. Arranjo de diodos para evitar saturação.


1.4 MOSFET

1.4.1 Princípio de funcionamento (canal N)
       O terminal de gate é isolado do semicondutor por SiO2. A junção PN- define um
diodo entre Source e Drain, o qual conduz quando Vds<0. A operação como transistor ocorre
quando Vds>0. A figura 1.22 mostra a estrutura básica do transistor.
       Quando uma tensão Vgs>0 é aplicada, o potencial positivo no gate repele as lacunas
na região P, deixando uma carga negativa, mas sem portadores livres. Quando esta tensão
atinge um certo limiar (Vth), elétrons livres (gerados principalmente por efeito térmico)
presentes na região P são atraídos e formam um canal N dentro da região P, pelo qual torna-se
possível a passagem de corrente entre D e S. Elevando Vgs, mais portadores são atraídos,
http://www.dsce.fee.unicamp.br/~antenor                                                        1-15
Fontes Chaveadas - Cap. 1         COMPONENTES SEMICONDUTORES RÁPIDOS DE POTÊNCIA                  J. A. Pomilio



ampliando o canal, reduzindo sua resistência (Rds), permitindo o aumento de Id. Este
comportamento caracteriza a chamada "região resistiva".


                                                             Vdd
                                   Vgs

                                           G
                  S                 +++++++++++++++

                                    - - - - - - - - - - - - - - - -- - - - - - - -
                                    - - - - - - - - - - - - - - -- - - - - -
                      N+    -Id
                                    ----------------
                                    - - - - - - - -- - - --                          -Id          D


             P


             N-                                                                            G

             N+
                                                                                                      S

                                                                                               Símbolo
                                                          D


                        SiO2
                        metal

                            Figura 1.22. Estrutura básica de transistor MOSFET.

        A passagem de Id pelo canal produz uma queda de tensão que leva ao seu
afunilamento, ou seja, o canal é mais largo na fronteira com a região N+ do que quando se liga
à região N-. Um aumento de Id leva a uma maior queda de tensão no canal e a um maior
afunilamento, o que conduziria ao seu colapso e à extinÁão da corrente! Obviamente o
fenômeno tende a um ponto de equilíbrio, no qual a corrente Id se mantém constante para
qualquer Vds, caracterizando a região ativa do MOSFET. A figura 1.23 mostra a
característica estática do MOSFET,
        Uma pequena corrente de gate é necessária apenas para carregar e descarregar a       s
capacitâncias de entrada do transistor. A resistência de entrada é da ordem de 1012 ohms.
        Estes transistores, em geral, são de canal N por apresentarem menores perdas e maior
velocidade de comutação, devido à maior mobilidade dos elétrons em relação às lacunas.
        A máxima tensão Vds é determinada pela ruptura do diodo reverso. Os MOSFETs não
apresentam segunda ruptura uma vez que a resistência do canal aumenta com o crescimento
de Id. Este fato facilita a associação em paralelo destes componentes.
        A tensão Vgs é limitada a algumas dezenas de volts, por causa da capacidade de
isolação da camada de SiO2.




http://www.dsce.fee.unicamp.br/~antenor                                                                      1-16
Fontes Chaveadas - Cap. 1     COMPONENTES SEMICONDUTORES RÁPIDOS DE POTÊNCIA        J. A. Pomilio



                                       Id
                                      região
                                      resistiva Vgs3

                                                      região ativa
                                               Vgs2

                                               Vgs1


                                                                     Vdso
                                                                            Vds
                                 vgs3>Vgs2>Vgs1

                             Figura 1.23. Característica estática do MOSFET.


1.4.2 Área de Operação Segura
        A figura 1.24 mostra a AOS dos MOSFET. Para tensões elevadas ela é mais ampla
que para um TBP equivalente, uma vez que não existe o fenômeno de segunda ruptura. Para
baixas tensões, entretanto, tem-se a limitação da resistência de condução.

A: Máxima corrente de dreno contínua
B: Limite da região de resistência constante
C: Máxima potência (relacionada à máxima temperatura de junção)
D: Máxima tensão Vds

                                      log Id
                            Id pico

                            Id cont               A
                                      B                          C


                                                                     D


                                                                     Vdso log Vds

                                      Figura 1.24. AOS para MOSFET.


1.4.3 Característica de chaveamento - carga indutiva
a) Entrada em condução (figura 1.25)
        Ao ser aplicada a tensão de acionamento (Vgg), a capacitância de entrada começa a se
carregar, com a corrente limitada por Rg. Quando se atinge a tensão limiar de condução
(Vth), após td, começa a crescer a corrente de dreno. Enquanto Id<Io, Df se mantém e      m

http://www.dsce.fee.unicamp.br/~antenor                                                        1-17
Fontes Chaveadas - Cap. 1   COMPONENTES SEMICONDUTORES RÁPIDOS DE POTÊNCIA          J. A. Pomilio



condução e Vds=Vdd. Quando Id=Io, Df desliga e Vds cai. Durante a redução de Vds ocorre
um aparente aumento da capacitância de entrada (Ciss) do transistor (efeito Miller), fazendo
com que a variação de Vgs se torne muito mais lenta (em virtude do "aumento" da
capacitância). Isto se mantém até que Vds caia, quando, então, a tensão Vgs volta a aumentar,
até atingir Vgg.
        Na verdade, o que ocorre é que, enquanto Vds se mantém elevado, a capacitância que
drena corrente do circuito de acionamento é apenas Cgs. Quando Vds diminui, a capacitância
dentre dreno e source se descarrega, o mesmo ocorrendo com a capacitância entre gate e
dreno. A descarga desta última capacitância se dá desviando a corrente do circuito de
acionamento, reduzindo a velocidade do processo de carga de Cgs, o que ocorre até que Cgd
esteja descarregado.

Vgg
                                     V+

                                                                     Io

Vgs                                                                                Df
                                        V+
Vth
                                                                     Cgd
  Id                                 Id=Io                                                   Vdd



Vds                                                                                Cds
                                                            Rg
                                                                             Vds
                               Vds on                                Vgs
                                                          Vgg
                                                                   Cgs        Id
               td

          CARGA INDUTIVA

       Figura 1.25 Formas de onda na entrada em condução de MOSFET com carga indutiva.

        Os manuais fornecem informações sobre as capacitâncias operacionais do transistor
(Ciss, Coss e Crss), mostradas na figura 1.26, as quais se relacionam com as capacitâncias do
componente por:

Ciss = Cgs + Cgd , com Cds curto-circuitada
Crs = Cgd
Coss ~ Cds + Cgd




http://www.dsce.fee.unicamp.br/~antenor                                                        1-18
Fontes Chaveadas - Cap. 1        COMPONENTES SEMICONDUTORES RÁPIDOS DE POTÊNCIA            J. A. Pomilio



                  C (nF)
                                                                C (nF)

          4
                                           Ciss         4
                                                                                   Cgs
          3
                                                        3
                                           Coss                                    Cds
          2
                                                        2
          1
                                           Crss         1                          Cgd
          0
                                                        0
              0     10      20       30    40 Vds (V)       0     10     20   30   40    Vds (V)

                            Figura 1.26. Capacitâncias de transistor MOSFET

b) Desligamento

        O processo de desligamento é semelhante ao apresentado, mas na ordem inversa. O
uso de uma tensão Vgg negativa apressa o desligamento, pois acelera a descarga da
capacitância de entrada.
        Como os MOSFETs não apresentam cargas estocadas, não existe o tempo de
armazenamento, por isso são muito mais rápidos que os TBP.


1.5 IGBT (Insulated Gate Bipolar Transistor)

      O IGBT alia a facilidade de acionamento dos MOSFET com as pequenas perdas e       m
condução dos TBP. Sua velocidade de chaveamento é semelhante à dos transistores bipolares.


1.5.1 Princípio de funcionamento
        A estrutura do IGBT é similar à do MOSFET, mas com a inclusão de uma camada P+
que forma o coletor do IGBT, como se vê na figura 1.27.
        Em termos simplificados pode-se analisar o IGBT como um MOSFET no qual a
região N- tem sua condutividade modulada pela injeção de portadores minoritários (lacunas),
a partir da região P+, uma vez que J1 está diretamente polarizada. Esta maior condutividade
produz uma menor queda de tensão em comparação a um MOSFET similar.
        O controle de componente é análogo ao do MOSFET, ou seja, pela aplicação de uma
polarização entre gate e emissor. Também para o IGBT o acionamento é feito por tensão.
        A máxima tensão suportável é determinada pela junção J2 (polarização direta) e por J1
(polarização reversa). Como J1 divide 2 regiões muito dopadas, conclui-se que um IGBT não
suporta tensões elevadas quando polarizado reversamente.
        Os IGBTs apresentam um tiristor parasita. A construção do dispositivo deve ser tal
que evite o acionamento deste tiristor, especialmente devido às capacitâncias associadas à
região P, a qual relaciona-se à região do gate do tiristor parasita. Os modernos componentes
não apresentam problemas relativos a este elemento indesejado.

http://www.dsce.fee.unicamp.br/~antenor                                                               1-19
Fontes Chaveadas - Cap. 1    COMPONENTES SEMICONDUTORES RÁPIDOS DE POTÊNCIA             J. A. Pomilio




                                                                         Gate (porta)
                                              Emissor

                               N+                       N+
                                                 J3
                                                                                        C
                                             P
                                                                              B
                                                                   J2

                  N-

                                                                                        E

                  N+
                                                                        J1
                  P+


                                              Coletor
                            SiO2

                            metal

                                    Figura 1.27. Estrutura básica de IGBT.



1.5.2 Características de chaveamento
        A entrada em condução é similar ao MOSFET, sendo um pouco mais lenta a queda da
tensão Vce, uma vez que isto depende da chegada dos portadores vindos da região P+.
        Para o desligamento, no entanto, tais portadores devem ser retirados. Nos TBPs isto
se dá pela drenagem dos portadores via base, o que não é possível nos IGBTs, devido ao
acionamento isolado. A solução encontrada foi a inclusão de uma camada N+, na qual a taxa
de recombinação é bastante mais elevada do que na região N-. Desta forma, as lacunas
presentes em N+ recombinam-se com muita rapidez, fazendo com que, por difusão, as lacunas
existentes na região N- refluam, apressando a extinção da carga acumulada na região N-,
possibllitando o restabelecimento da barreira de potencial e o bloqueio do componente.


1.6 Alguns Critérios de Seleção

       Um primeiro critério é o dos limites de tensão e de corrente. Os MOSFET possuem
uma faixa mais reduzida de valores, ficando, tipicamente entre: 100V/200A e 1000V/20A.
       Já os TBP e IGBT atingem potências mais elevadas, indo até 1200V/500A.
       Como o acionamento do IGBT é muito mais fácil do que o do TBP, seu uso tem sido
crescente, em detrimento dos TBP.


http://www.dsce.fee.unicamp.br/~antenor                                                            1-20
Fontes Chaveadas - Cap. 1   COMPONENTES SEMICONDUTORES RÁPIDOS DE POTÊNCIA   J. A. Pomilio



         Outro importante critério para a seleção refere-se às perdas de potência no
componente. Assim, aplicações em alta freqüência (acima de 50kHz) devem ser utilizados
MOSFETs. Em freqüências mais baixas, qualquer dos 3 componentes podem responder
satisfatoriamente.
         No entanto, as perdas em condução dos TBPs e dos IGBTs são sensivelmente
menores que as dos MOSFET.
         Como regra básica: em alta freqüência: MOSFET
                             em baixa freqüência: IGBT




http://www.dsce.fee.unicamp.br/~antenor                                                 1-21
Fontes Cahveadas - Cap. 2   TÉCNICAS DE MODULAÇÃO EM FONTES CHAVEADAS                J. A. Pomilio




2. TÉCNICAS DE MODULAÇÃO EM FONTES CHAVEADAS

        Via de regra, as fontes chaveadas operam a partir de uma fonte de tensão CC de
valor fixo, enquanto na saída tem-se também uma tensão CC, mas de valor distinto (fixo ou
não).
        As chaves semicondutoras estão ou no estado bloqueado ou em plena condução. A
tensão média de saída depende da relação entre o intervalo em que a chave permanece
fechada e o período de chaveamento. Define-se ciclo de trabalho (largura de pulso ou razão
cíclica) como a relação entre o intervalo de condução da chave e o período de
chaveamento. Tomemos como exemplo a figura 2.1 na qual se mostra uma estrutura
chamada abaixadora de tensão (ou “buck”).



                                               T            L
                             E                     D   vo           C   R       Vo




                                  vo

                              E

                                                                        Vo


                                                                τ           t
                                       t
                                           T


 Figura 2.1 Conversor abaixador de tensão e forma de onda da tensão aplicada ao filtro de
                                         saída.


2.1 Modulação por Largura de Pulso - MLP (PWM)

        Em MLP opera-se com freqüência constante, variando-se o tempo em que a chave
permanece ligada.
        O sinal de comando é obtido, geralmente, pela comparação de um sinal de controle
(modulante) com uma onda periódica (portadora) como, por exemplo, uma "dente-de-
serra". A figura 2.2 ilustra estas formas de onda.
        Para que a relação entre o sinal de controle e a tensão média de saída seja linear,
como desejado, a freqüência da portadora deve ser, pelo menos 10 vezes maior do que a
modulante, de modo que seja relativamente fácil filtrar o valor médio do sinal modulado
(MLP), recuperando o sinal de controle.




                                                                                               2-1
Fontes Cahveadas - Cap. 2        TÉCNICAS DE MODULAÇÃO EM FONTES CHAVEADAS                               J. A. Pomilio


                           vp

           vc                                                                           vp
                                                                                             -
                                                                                                         vo
           vo
                                                                                        vc
                                                                                             +
           Vo


                                 Figura 2.2 Modulação por Largura de Pulso.


2.1.1 Espectro Harmônico de Sinal MLP
        A figura 2.3 mostra a modulação de um nível contínuo, produzindo na uma tensão com
2 níveis, na frequência da onda triangular. Na figura 2.4 tem-se o espectro desta onda MLP,
onde observa-se a presença de uma componente contínua que reproduz o sinal modulante. As
demais componentes aparecem nos múltiplos da frequência da portadora sendo, em princípio,
relativamente fáceis de filtrar dada sua alta frequência.
                  10V




                  0V
                  10V




                  0V
                    0s             0.2ms           0.4ms            0.6ms            0.8ms       1.0ms



                                   Figura 2.3 Modulação MLP de nível cc.
                        8.0V




                        6.0V




                        4.0V




                        2.0V




                         0V
                           0Hz             50KHz           100KHz           150KHz           200KHz


                                       Figura 2.4 Espectro de sinal MLP

                                                                                                                   2-2
Fontes Cahveadas - Cap. 2            TÉCNICAS DE MODULAÇÃO EM FONTES CHAVEADAS                J. A. Pomilio


2.2 Modulação em freqüência - MF

       Neste caso opera-se a partir de um pulso de largura fixa, cuja taxa de repetição é
variável. A relação entre o sinal de controle e a tensão de saída é, em geral, não-linear. Este
tipo de modulação é utilizada, principalmente em conversores ressonantes. A figura 2.5
mostra um pulso de largura fixa modulado em freqüência.
       Um pulso modulado em freqüência pode ser obtido, por exemplo, pelo uso de um
monoestável acionado por meio de um VCO, cuja freqüência seja determinada pelo sinal de
controle.

                        σ
                                                                                 vo
                 E                                                                Vo


                 0
                                t1           t2        t3

                             Figura 2.5 Pulso de largura σ modulado em freqüência.


2.3 Modulação MLP com frequência de portadora variável

       Uma alternativa que apresenta como vantagem o espalhamento do espectro é o uso
de uma frequência de chaveamento não fixa, mas que varie, dentro de limites aceitáveis, de
uma forma, idealmente, aleatória. Ista faz com que as componentes de alta frequência do
espectro não estejam concentradas, mas apareçam em torno da frequência base, como s      e
observa na figura 2.6. Note-se que o nível contínuo não sofre alteração, uma vez que ele
independe da frequência de chaveamento.
                8.0V




                6.0V




                4.0V




                2.0V




                  0V
                       0Hz                50KHz          100KHz         150KHz       200KHz


            Figura 2.6. Espectro de sinal MLP com portadora de frequência variável.




                                                                                                        2-3
Fontes Cahveadas - Cap. 2   TÉCNICAS DE MODULAÇÃO EM FONTES CHAVEADAS            J. A. Pomilio


2.4 Modulação por limites de corrente - MLC (Histerese)

        Neste caso, são estabelecidos os limites máximo e/ou mínimo da corrente, fazendo-
se o chaveamento em função de serem atingidos tais valores extremos. O valor instantâneo
da corrente, em regime, é mantido sempre dentro dos limites estabelecidos e o conversor
comporta-se como uma fonte de corrente.
        Tanto a freqüência como o ciclo de trabalho são variáveis, dependendo dos
parâmetros do circuito e dos limites impostos. A figura 2.7 mostra as formas de onda para
este tipo de controlador.
        MLC só é possível em malha fechada, pois é necessário medir instantaneamente a
variável de saída. Por esta razão, a relação entre o sinal de controle e a tensão média de
saída é direta. Este tipo de modulação é usado, principalmente, em fontes com controle de
corrente e que tenha um elemento de filtro indutivo na saída.

                                                mudança na carga
                    io                                                  Imax
                                                                            Io
                                                                        Imin



                                                                        t
                    vo
                      E



                      0
                                                                        t
 Figura 2.7. Formas de onda de corrente e da tensão instantânea de saída com controlador
                                          MLC.

        A obtenção de um sinal MLC pode ser conseguida com o uso de um comparador
com histerese, atuando a partir da realimentação do valor instantâneo da corrente. A
referência de corrente é dada pelo erro da tensão de saída (através de um controlador
integral). A figura 2.8 ilustra este sistema de controle.
        É possível ainda obter um sinal MLC com freqüência fixa caso se adicione ao sinal
de entrada do comparador uma onda triangular cujas derivadas sejam maiores do que as do
sinal de corrente. Assim os limites reais da variação da corrente serão inferiores ao
estabelecido pelo comparador.
        Em princípio o controle por histerese poderia ser aplicado diretamente à tensão de
saída. No entanto isto poderia causar sobrecorrentes excessivas em situações transitórias.




                                                                                           2-4
Fontes Cahveadas - Cap. 2         TÉCNICAS DE MODULAÇÃO EM FONTES CHAVEADAS                      J. A. Pomilio




                                                                            +

                                                                            Vo



                                                          sensor de
                                                    io
                                                          corrente
                            sinal sincronizador




                                                                      vo
                                                         i*
                                                                 I     v* referência de tensão
                                             comparador
                                             com histerese     integrador

                                     Figura 2.8 Controlador com histerese.


2.5 Outras técnicas de modulação

        Outras formas de controle tem sido pesquisadas com o intuito de melhorar a
resposta dinâmica do sistema, aumentar a margem de estabilidade, rejeitar mais
eficientemente perturbações, etc. Estas novas técnicas utilizam, via de regra, métodos não-
lineares e procuram aproveitar ao máximo as características também não-lineares dos
conversores.

2.5.1 Controle “One-cycle”
        O controle “one-cycle” [2.1, 2.2]permite o controle da tensão de um conversor com
saída CC-CC ciclo a ciclo, de modo que o sistema se torna praticamente imune a variações
na alimentação e na carga. Opera com frequência constante o modulação da largura de
pulso, mas o instante de comutação é determinado por uma integração da tensão que é
aplicada ao estágio de saída do conversor.
        A figura 2.9 mostra a estrutura básica para um conversor abaixador de tensão.
        Uma vez que, em regime, a tensão média numa indutância é nula, a tensão de saída,
Vo, é igual à tensão média sobre o diodo. A tensão sobre o diodo, no entanto, variará entre
praticamente zero (quando o componente conduz) e a tensão de alimentação, E. Seu valor
médio a cada ciclo deve ser igual a Vo. Tal valor médio a cada ciclo é que é obtido pela
integração de tal tensão.
        O sinal integrado é comparado com a referência. Enquanto não atingi-la, a chave
permanece ligada (tensão E aplicada sobre o diodo). Quando a tensão de referência é
igualada o capacitor do integrador é descarregado e o comparador muda de estado,
desligando o transistor, até o início do ciclo seguinte, determinado pelo clock.



                                                                                                           2-5
Fontes Cahveadas - Cap. 2         TÉCNICAS DE MODULAÇÃO EM FONTES CHAVEADAS           J. A. Pomilio


        Observe que qualquer variação na referência, na tensão de entrada ou na carga afeta
o intervalo de tempo que o transistor permanece conduzindo, mas sempre de maneira a
manter a tensão média sobre o diodo igual ao valor determinado pela referência.

                                                                clock

                                                      +
                            vo
       E
                                                      Vo
                                                                vo
                                                            E




                                              integrador
                                                           vi                         v*
            Q     Q
                       comparador      Ci
            S      R           vi                     Rf
                           +
       fc                                     +
                                  v*
        clock                    referência

                Figura 2.9. Controle “one-cycle”aplicado a conversor abaixador de tensão.

2.5.2 Controle de carga
         O controle de carga [2.3] é muito semelhante ao controle “one-cycle”, sendo que o
sinal integrado é a corrente de entrada do conversor.
         As formas de onda e o circuito são análogos aos da figura 2.9.
         Por realizar uma medida da carga injetada no circuito num certo intervalo de tempo,
este tipo de controle equivale a um controlador de corrente apresentando alguma vantagens
adicionais, tais como: uma grande imunidade a ruído (uma vez que o sinal de corrente é
integrado, e não tomado em seu valor instantâneo); não necessita de uma rampa externa
para realizar a comparação (que é feita diretamente com a referência); comportamento
antecipativo em relação a variações na tensão de entrada e na carga. A frequência é mantida
contante pelo “clock”.

2.5.3 Modulação Delta
         O sinal de referência é comparado diretamente com com a saída modulada (e não a
filtrada). O sinal de erro é integrado e a saída do integrador é comparada com zero. A saída
do comparador é amostrada a uma dada freqüência, fc, e o sinal de saída do
amostrador/segurador comanda a chave. A figura 2.10 mostra o sistema.
         O estado da chave em cada intervalo entre 2 amostragens é determinado pelo sinal
da integral do erro de tensão (no instante da amostragem). Deste modo os mínimos tempos
de abertura e de fechamento são iguais ao período de amostragem. A robustez do
controlador é seu ponto forte. O problema é que esta técnica de controle é intrinsicamente
assíncrona, dificultando o projeto dos filtros.




                                                                                                2-6
Fontes Cahveadas - Cap. 2      TÉCNICAS DE MODULAÇÃO EM FONTES CHAVEADAS     J. A. Pomilio


                                                                  clock

                                                     +
                             vo
           E
                                                     Vo
                                                                  vo
                                                              E
                                                                                   v*



                clock
                                  integrador
               fc       comparador              vo
                            +             I      v*
                                            +
               S&H                               referência




                                      Figura 2.10. Controlador Delta.


2.6 Referências

[2.1] K. M. Smedley and S. Cuk: “One-Cycle Control of Switching Converters”. Proc. of
       PESC ‘91, pp. 888-896.

[2.2] E. Santi and S. Cuk: “Modeling of One-Cycle Controlled Switching Converters”.
       Proc. of INTELEC ‘92, Washington, D.C., USA, Oct. 1992.

[2.3] W. Tang and F. C. Lee: “Charge Control: Modeling, Analysis and Design”. Proc. of
      VPEC Seminar, 1992, Blacksbourg, USA.




                                                                                        2-7
Fontes Chaveadas - Cap. 3        TOPOLOGIAS BÁSICAS DE FONTES CHAVEADAS                J. A. Pomilio



3. TOPOLOGIAS BÁSICAS DE FONTES CHAVEADAS

        Apresentam-se a seguir as estruturas circuitais básicas que realizam a função de, a
partir de uma fonte de tensão fixa na entrada, fornecer uma tensão de valor variável na
saída. Neste caso, diferentemente do que se viu para os conversores para acionamento de
máquinas de corrente contínua, existe um filtro capacitivo na saída, de modo a manter,
sobre ele, a tensão estabilizada.


3.1       Conversor abaixador de tensão (step-down ou buck): Vo<E

        A tensão de entrada (E) é recortada pela chave T. Considere-se Vo praticamente
constante, por uma ação de filtragem suficientemente eficaz do capacitor de saída. Assim, a
corrente pela carga (Ro) tem ondulação desprezível, possuindo apenas um nível contínuo.
A figura 3.1 mostra a topologia.
        Com o transistor conduzindo (diodo cortado), transfere-se energia da fonte para o
indutor (cresce io) e para o capacitor (quando io >Vo/R).
        Quando T desliga, o diodo conduz, dando continuidade à corrente do indutor. A
energia armazenada em L é entregue ao capacitor e à carga. Enquanto o valor instantâneo
da corrente pelo indutor for maior do que a corrente da carga, a diferença carrega o
capacitor. Quando a corrente for menor, o capacitor se descarrega, suprindo a diferença a
fim de manter constante a corrente da carga (já que estamos supondo constante a tensão
Vo). A tensão a ser suportada, tanto pelo transistor quanto pelo diodo é igual à tensão de
entrada, E.

                                 iT                         io

                                                     L                +
                                                iD               Ro
                                      T
                            E                  D                          Vo

                                                                 Io


                                Figura 3.1 Conversor abaixador de tensão

        Se a corrente pelo indutor não vai a zero durante a condução do diodo, diz-se que o
circuito opera no modo contínuo. Caso contrário tem-se o modo descontínuo. Via de regra
prefere-se operar no modo contínuo devido a haver, neste caso, uma relação bem
determinada entre a largura de pulso e a tensão média de saída. A figura 3.2 mostra a     s
formas de onda típicas de ambos os modos de operação.

3.1.1 Modo contínuo
       A obtenção da relação entrada/saída pode ser feita a partir do comportamento do
elemento que transfere energia da entrada para a saída. Sabe-se que a tensão média sobre
uma indutância ideal, em regime, é nula,como mostrado na figura 3.3.

A1 = A 2
                                                                               (3.1)
V1 ⋅ t 1 = V2 ⋅(τ − t 1)



http://www.dsce.fee.unicamp.br/~antenor                                                         3-1
Fontes Chaveadas - Cap. 3         TOPOLOGIAS BÁSICAS DE FONTES CHAVEADAS                          J. A. Pomilio


                  Condução contínua                                     Condução descontínua

                            tT                                                tT     t2      tx
∆ I                                              Io    i
                                                           o Io




                                                       iD




                                                           i
                                                               T
  E                                                                                                        E
 Vo                                                    v
                                                           D                                                 Vo
                                                             0                  τ
              0                  τ
       Figura 3.2 Formas de onda típicas nos modos de condução contínua e descontínua

                                            vL
                                       V1
                                                 A1

                                                      t1                τ
                                                                   A2

                                       V2

                            Figura 3.3 Tensão sobre uma indutância em regime.

          No caso do conversor abaixador, quanto T conduz, vL =E-Vo, e quando D conduz,
vL =-Vo

(E − Vo)⋅ t T = Vo ⋅(τ − t T )
Vo t T                                                                                    (3.2)
    =     ≡δ
 E    τ


3.1.2 Modo descontínuo
      A corrente do indutor será descontínua quando seu valor médio for inferior à
metade de seu valor de pico (Io<∆I o/2). A condição limite é dada por:

       ∆i o (E − Vo)⋅ t T (E − Vo)⋅δ ⋅ τ
Io =       =             =                                                                (3.3)
        2       2⋅ L          2⋅ L

          Com a corrente sendo nula durante o intervalo tx, tem-se:

http://www.dsce.fee.unicamp.br/~antenor                                                                    3-2
Fontes Chaveadas - Cap. 3      TOPOLOGIAS BÁSICAS DE FONTES CHAVEADAS                 J. A. Pomilio



(E − Vo)⋅ t T = Vo ⋅(τ − t T − t x )                                          (3.4)

Vo   δ
   =                                                                          (3.5)
E 1− t x
         τ

           Escrevendo em termos de variáveis conhecidas, tem-se:

       i omax ⋅ δ
Ii =                        (corrente média de entrada)                       (3.6)
           2
           (E − Vo)⋅ t T
i omax =                                                                      (3.7)
                L

           Supondo a potência de entrada igual à potência de saída, chega-se a:

Vo Ii i o max ⋅ δ ( E − Vo) ⋅ δ 2 ⋅ τ
  =    =         =
E   Io   2 ⋅ Io        2 ⋅ Io ⋅ L


Vo      2⋅ L ⋅ I i
   = 1−                                                                       (3.8)
E       E ⋅ τ ⋅ δ2

            E                     Vo          E ⋅ τ ⋅ δ2
Vo =                        ==>      =                                        (3.9)
           2 ⋅ L ⋅ Io             E    2 ⋅ L ⋅ Io + E ⋅ τ ⋅ δ 2
        1+
           E⋅ τ ⋅ δ2

           Definindo o parâmetro K, que se relaciona com a descontinuidade, como sendo:

       L ⋅ Io
K=                                                                            (3.10)
       E⋅ τ

           A relação saída/entrada pode ser reescrita como:

Vo     δ2
   = 2                                                                        (3.11)
E δ + 2⋅ K

        O ciclo de trabalho crítico, no qual há a passagem do modo de condução contínuo
para o descontínuo é dado por:

           1± 1− 8 ⋅ K
δ crit =                                                                      (3.12)
               2

       A figura 3.4 mostra a característica estática do conversor para diferentes valores de
K. Na figura 3.5 tem-se a variação da tensão de saída com a corrente de carga. Note-se que
a condução descontínua tende a ocorrer para pequenos valores de Io, levando à exigência
da garantia de um consumo mínimo. Existe um limite para Io acima do qual a condução é

http://www.dsce.fee.unicamp.br/~antenor                                                        3-3
Fontes Chaveadas - Cap. 3            TOPOLOGIAS BÁSICAS DE FONTES CHAVEADAS                                J. A. Pomilio


sempre contínua e a tensão de saída não é alterada pela corrente, ou seja, tem-se uma boa
regulação, mesmo em malha aberta.
                                          1
                                               Cond. descontínua

                                     0.75
                                                                       K=.1
                                  Vo/E         K=.01    K=.05
                                         0.5


                                     0.25
                                                             Cond. contínua
                                          0
                                               0       0.2      0.4            0.6   0.8           1
                                                                           δ
      Figura 3.4 Característica de controle do conversor abaixador de tensão nos modos
                                    contínuo e descontínuo.
                                          1
                                                                      Cond. contínua
                                                                                           δ=0,8
                                     0.8

                                                                                           δ=0,6
                                     0.6
                                  Vo/E                                                     δ=0,4
                                                       Cond. descontínua
                                     0.4

                                                                                           δ=0,2
                                     0.2


                                          0
                                               0
                                                                                       E.τ
                                                                      Io               8L
Figura 3.5 Característica de saída do conversor abaixador de tensão nos modos contínuo e
                                       descontínuo.

3.1.3 Dimensionamento de L e de C
      Da condição limite entre o modo contínuo e o descontínuo (∆I=2.Iomin) , tem-se:

           ( E − Vo) ⋅ τ ⋅ δ
I omin =                                                                                               (3.14)
                 2⋅ L

           Se se deseja operar sempre no modo contínuo deve-se ter:

           E ⋅ (1 − δ ) ⋅ δ ⋅ τ
L min =                                                                                                (3.15)
                2 ⋅ Iomin

       Quanto ao capacitor de s aída, ele pode ser definido a partir da variação da tensão
admitida, lembrando-se que enquanto a corrente pelo indutor for maior que Io (corrente na
carga, suposta constante) o capacitor se carrega e, quando for menor, o capacitor s      e
descarrega, levando a uma variação de tensão ∆Vo.


         1  t T τ − t T  ∆I τ ⋅ ∆I
∆Q =      ⋅     +          ⋅ =                                                                         (3.16)
         2 2
                  2  2       8


http://www.dsce.fee.unicamp.br/~antenor                                                                             3-4
Fontes Chaveadas - Cap. 3            TOPOLOGIAS BÁSICAS DE FONTES CHAVEADAS            J. A. Pomilio



          A variação da corrente é:

         (E − Vo)⋅ t T E ⋅ δ ⋅ τ ⋅(1 − δ)
∆Io =                 =                                                            (3.17)
              L                 L

          Observe que ∆Vo não depende da corrente. Substituindo (3.13) em (3.12) tem-se:

          ∆Q τ 2 ⋅ E ⋅ δ ⋅(1 − δ)
∆Vo =        =                                                                     (3.18)
          Co      8 ⋅ L ⋅ Co

          Logo,

        Vo ⋅(1 − δ)⋅ τ 2
Co =                                                                               (3.19)
         8 ⋅ L ⋅ ∆Vo


3.2 Conversor elevador de tensão (step-up ou boost): Vo>E

        Quando T é ligado, a tensão E é aplicada ao indutor. O diodo fica reversamente
polarizado (pois Vo>E). Acumula-se energia em L, a qual será enviada ao capacitor e à
carga quando T desligar. A figura 3.6 mostra esta topologia. A corrente de saída, Io, é
sempre descontínua, enquanto Ii (corrente de entrada) pode ser contínua ou descontínua.
Tanto o diodo como o transistor devem suportar uma tensão igula à tensão de saída, Vo.
        Também neste caso tem-se a operação no modo contínuo ou no descontínuo,
considerando a corrente pelo indutor. As formas de onda são mostradas na figura 3.7.


                                             L            io   D
                                ii                   iT                       +
                                                                     Ro
                            E                    T        vT Co               Vo




                                     Figura 3.6 Conversor elevador de tensão

3.2.1 Modo contínuo
      Quando T conduz: vL =E (durante tT)
      Quando D conduz: vL =-(Vo-E) (durante τ-tT)

        E ⋅ t T (Vo − E)⋅(τ − t T )
∆Ii =          =                                                                   (3.20)
          L            L

         E
Vo =                                                                               (3.21)
        1− δ



http://www.dsce.fee.unicamp.br/~antenor                                                         3-5
Fontes Chaveadas - Cap. 3        TOPOLOGIAS BÁSICAS DE FONTES CHAVEADAS                 J. A. Pomilio


        Embora, teoricamente, quando o ciclo de trabalho tende à unidade a tensão de saída
tenda para infinito, na prática, os elementos parasitas e não ideais do circuito (como a s
resistências do indutor e da fonte) impedem o crescimento da tensão acima de um certo
limite, no qual as perdas nestes elementos resistivos se tornam maiores do que a energia
transferida pelo indutor para a saída.

                Condução contínua                           Condução desconttínua

                            tT                                       tT    t2 tx
∆I                                           Ii
                                                  ii
                                                                                         Ii



                                             Io i D                                     Io




                                                  iT

     Vo                                                Vo
                                                  vT                                         E
 E

               0                    τ                           0                   τ

              Figura 3.7 Formas de onda típicas de conversor boost com entrada CC


3.2.2 Modo descontínuo
      Quando T conduz: vL = E, (durante tT)
      Quando D conduz: vL = -(Vo-E), durante (τ-tT-tx)

              1 − tx τ
Vo = E ⋅                                                                        (3.22)
            1 − δ − tx τ

          Escrevendo em termos de variáveis conhecidas, tem-se:

              E2 ⋅ τ ⋅ δ 2
Vo = E +                                                                        (3.23)
               2 ⋅ L ⋅ Io

          A relação saída/entrada pode ser reescrita como:

Vo       δ2
   = 1+                                                                         (3.24)
E       2⋅ K




http://www.dsce.fee.unicamp.br/~antenor                                                          3-6
Fontes Chaveadas - Cap. 3               TOPOLOGIAS BÁSICAS DE FONTES CHAVEADAS                                   J. A. Pomilio


        O ciclo de trabalho crítico, no qual há a passagem do modo de condução contínuo
para o descontínuo é dado por:

           1± 1− 8 ⋅ K
δ crit =                                                                                                     (3.25)
               2

       A figura 3.8 mostra a característica estática do conversor para diferentes valores de
K. Na figura 3.9 tem-se a variação da tensão de saída com a corrente de carga. Note-se que
a condução descontínua tende a ocorrer para pequenos valores de Io, levando à exigência
da garantia de um consumo mínimo. Existe um limite para Io acima do qual a condução é
sempre contínua e a tensão de saída não é alterada pela corrente.


                                    50

                                                                                              K=.01
                                    40


                                    30
                            Vo/E
                                                         cond. descontínua                    K=.02
                                    20


                                    10                                                        K=.05

                                        0
                                            0      0.2              0.4          0.6          0.8

                                                 δ
Figura 3.8 Característica estática do conversor elevador de tensão nos modos de condução
                  contínua e descontínua, para diferentes valores de K.

                                   10


                                    8

                                                                             cond. contínua
                                    6
                                                                                                      δ=.8
                       Vo/E           cond.
                                    4 descontínua

                                                                                                      δ=.6
                                    2                                                                 δ=.4
                                                                                                      δ=.2
                                    0
                                        0       0.04         0.08         0.12         0.16         0.2

                                                             Io             E.τ
                                                                            8.L
                Figura 3.9 Característica de saída do conversor elevador de tensão,
                                normalizada em relação a (Eτ/L)


3.2.3 Dimensionamento de L e de C
       O limiar para a condução descontínua é dado por:

       ∆Ii E ⋅ t T Vo ⋅(1 − δ)⋅δ ⋅ τ
Ii =      =       =                                                                                          (3.26)
        2   2⋅ L        2⋅ L


http://www.dsce.fee.unicamp.br/~antenor                                                                                   3-7
Fontes Chaveadas - Cap. 3           TOPOLOGIAS BÁSICAS DE FONTES CHAVEADAS           J. A. Pomilio


       ∆Ii ⋅(τ − t T ) E ⋅ δ ⋅(1 − δ)⋅ τ
Io =                  =                                                          (3.27)
            2⋅ τ             2⋅ L

          E ⋅ δ ⋅(1 − δ)⋅ τ
L min =                                                                          (3.28)
           2 ⋅ Io(min)

        Para o cálculo do capacitor deve-se considerar a forma de onda da corrente de
saída. Admitindo-se a hipótese que o valor mínimo instantâneo atingido por esta corrente é
maior que a corrente média de saída, Io, o capacitor se carrega durante a condução do
diodo e fornece toda a corrente de saída durante a condução do transistor.

        Io(max) ⋅δ ⋅ τ
Co =                                                                             (3.29)
            ∆Vo

3.3 Conversor abaixador-elevador (buck-boost)

        Neste conversor, a tensão de saída tem polaridade oposta à da tensão de entrada. A
figura 3.10 mostra o circuito.
        Quando T é ligado, transfere-se energia da fonte para o indutor. O diodo não
conduz e o capacitor alimenta a carga.
        Quando T desliga, a continuidade da corrente do indutor se faz pela condução do
diodo. A energia armazenada em L é entregue ao capacitor e à carga.
        Tanto a corrente de entrada quanto a de s    aída são descontínuas. A tensão a ser
suportada pelo diodo e pelo transistor é a soma das tensões de entrada e de saída, Vo+E.
        A figura 3.11. mostra as formas de onda nos modos de condução contínua e
descontínua (no indutor).
                                          vT
                                                    D
                               iT                        iD
                                          T
                               E               L              Co   Ro Vo

                                                   iL                        +


                            Figura 3.10 Conversor abaixador-elevador de tensão

3.3.1 Modo contínuo (no indutor)
      Quando T conduz: vL =E, (durante tT)
      Quando D conduz: vL =-Vo, (durante τ-tT)

E ⋅ t T Vo ⋅ (τ − t T )
       =                                                                         (3.30)
  L           L

        E⋅δ
Vo =                                                                             (3.31)
        1− δ



http://www.dsce.fee.unicamp.br/~antenor                                                       3-8
Fontes Chaveadas - Cap. 3         TOPOLOGIAS BÁSICAS DE FONTES CHAVEADAS                  J. A. Pomilio


                      Condução contínua                        Condução descontínua

                            tT                                             tT     t2 tx
    ∆I                                               i
                                                         L




                                                Io i D                                        Io




                                                    iT

   E+Vo                                             E+Vo
                                                   vT
                                                                                                   E
       E

                      0                  τ
                                                                    0                     τ
                            (a)                                             (b)
   Figura 3.11 Formas de onda do conversor abaixador-elevador de tensão operando em
                        condução contínua (a) e descontínua (b).

3.3.2 Modo descontínuo
      Quando T conduz: vL = E, (durante tT)
      Quando D conduz: vL = -Vo, durante (τ-tT-tx)

           E⋅ δ
Vo =                                                                               (3.32)
        1− δ − tx     τ

           Escrevendo em termos de variáveis conhecidas, tem-se:

A corrente máxima de entrada ocorre ao final do intervalo de condução do transistor:

            E⋅ tT
Ii max =                                                                           (3.33)
             L

Seu valor médio é:

       Ii max ⋅ t T
Ii =                                                                               (3.34)
           2⋅ τ

Do balanço de potência tem-se:

       Io ⋅ Vo
Ii =                                                                               (3.35)
          E

O que permite escrever:


http://www.dsce.fee.unicamp.br/~antenor                                                                3-9
Fontes Chaveadas - Cap. 3            TOPOLOGIAS BÁSICAS DE FONTES CHAVEADAS               J. A. Pomilio




        E2 ⋅ τ ⋅ δ 2
Vo =                                                                                  (3.36)
         2 ⋅ L ⋅ Io

      Uma interessante característica do conversor abaixador-elevador quando operando
no modo descontínuo é que ele funciona como uma fonte de potência constante.

        E2 ⋅ τ ⋅ δ 2
Po =                                                                                  (3.37)
          2⋅ L

           A relação saída/entrada pode ser reescrita como:

Vo   δ2
   =                                                                                  (3.38)
E 2⋅ K

        O ciclo de trabalho crítico, no qual há a passagem do modo de condução contínuo
para o descontínuo é dado por:

           1± 1− 8 ⋅ K
δ crit =                                                                              (3.39)
               2

           A figura 3.12 mostra a característica estática do conversor para diferentes valores
de K.

                            50


                            40                                                K=.01
                                                 cond. descontínua
                            30

                 Vo/E
                            20                                                K=.02

                            10                                                K=.05

                            0
                                 0         0.2        0.4         0.6         0.8
                                                            δ
 Figura 3.12 Característica estática do conversor abaixador-elevador de tensão nos modos
            de condução contínua e descontínua, para diferentes valores de K.

       Na figura 3.13 tem-se a variação da tensão de saída com a corrente de carga. Note-
se que a condução descontínua tende a ocorrer para pequenos valores de Io, levando à
exigência da garantia de um consumo mínimo. Existe um limite para Io acima do qual a
condução é sempre contínua e a tensão de saída não é alterada pela corrente.




http://www.dsce.fee.unicamp.br/~antenor                                                           3-10
Fontes Chaveadas - Cap. 3               TOPOLOGIAS BÁSICAS DE FONTES CHAVEADAS                         J. A. Pomilio

                               10


                                8


                                6

                        Vo/E                                         cond. contínua
                                4                                                           δ=.8

                                    cond.
                                2
                                    descontínua                                             δ=.6
                                                                                            δ=.4
                                0                                                           δ=.2
                                    0         0.04    0.08    0.12        0.16        0.2

                                                      Io        E.τ
                                                                8.L
        Figura 3.13 Característica de saída do conversor abaixador-elevador de tensão,
                              normalizada em relação a (E.τ/L).

3.3.3 Cálculo de L e de C
       O limiar entre as situações de condução contínua e descontínua é dado por:

     ∆I L ⋅ (τ − t T ) Vo ⋅ (τ − t T ) ⋅ (1 − δ) Vo ⋅ τ ⋅ (1− δ) 2
Io =                  =                         =                                                  (3.40)
          2⋅ τ                  2⋅ L                   2⋅ L


          E ⋅ τ ⋅ δ ⋅(1 − δ)
L min =                                                                                            (3.41)
            2 ⋅ Io(min)

       Quanto ao capacitor, como a forma de onda da corrente de saída é a mesma do
conversor elevador de tensão, o cálculo segue a mesma expressão.

        Io(max) ⋅ τ ⋅ δ
Co =                                                                                               (3.42)
            ∆Vo


3.4 Conversor Cuk

        Diferentemente dos conversores anteriores, no conversor Cuk, cuja topologia é
mostrada na figura 3.14, a transferência de energia da fonte para a carga é feita por meio
de um capacitor, o que torna necessário o uso de um componente que suporte correntes
relativamente elevadas.
        Como vantagem, existe o fato de que tanto a corrente de entrada quanto a de saída
podem ser contínuas, devido à presença dos indutores. Além disso, ambos indutores estão
sujeitos ao mesmo valor instantâneo de tensão, de modo que é possível construí-los num
mesmo núcleo. Este eventual acoplamento magnético permite, com projeto adequado,
eliminar a ondulação de corrente em um dos enrolamentos. Os interruptores devem
suportar a soma das tensões de entrada e saída.
        A tensão de saída apresenta-se com polaridade invertida em relação à tensão de
entrada.




http://www.dsce.fee.unicamp.br/~antenor                                                                        3-11
Fontes Chaveadas - Cap. 3             TOPOLOGIAS BÁSICAS DE FONTES CHAVEADAS                       J. A. Pomilio


                          I L1                   V                               I L2
                                                + C1 -

                                      L1           C1             L2                         Ro


                                  E                                    Co
                                           S             D                                    Vo

                                                                                              +

                                           Figura 3.14 Conversor Cuk

        Em regime, como as tensões médias sobre os indutores são nulas, tem-se:
V C1=E+Vo. Esta é a tensão a ser suportada pelo diodo e pelo transistor.
        Com o transistor desligado, iL1 e iL2 fluem pelo diodo. C1 se carrega, recebendo
energia de L1. A energia armazenada em L2 alimenta a carga.
        Quando o transistor é ligado, D desliga e iL1 e iL2 fluem por T. Como V C1>Vo, C1
se descarrega, transferindo energia para L2 e para a saída. L1 acumula energia retirada da
fonte.
        A figura 3.15 mostra as formas de onda de corrente nos modos de condução
contínua e descontínua. Note-se que no modo descontínuo a corrente pelos indutores não
se anula, mas sim ocorre uma inversão em uma das correntes, que irá se igualar à outra. Na
verdade, a descontinuidade é caracterizada pelo anulamento da corrente pelo diodo, fato
que ocorre também nas outras topologias já estudadas.

                     i        Condução contínua                     Condução descontínua
                         L1                                        i L1
                I1
                                                             Ix

                     i
                         L2                                        i L2
                I2


                     vC1                                     -Ix
                V1                                                     tT       t2      tx

                                                                            τ

                         tT
                              τ

    Figura 3.15. Formas de onda do conversor Cuk em condução contínua e descontínua

       Assumindo que iL1 e iL2 são constantes, e como a corrente média por um capacitor é
nula (em regime), tem-se:



http://www.dsce.fee.unicamp.br/~antenor                                                                    3-12
Fontes Chaveadas - Cap. 3        TOPOLOGIAS BÁSICAS DE FONTES CHAVEADAS            J. A. Pomilio


I L 2 ⋅ t T = I L1 ⋅(τ − t T )                                                (3.43)

I L1 ⋅ E = I L 2 ⋅ Vo                                                         (3.44)

        E⋅ δ
Vo =                                                                          (3.45)
        1− δ

       Uma vez que a característica estática do conversor Cuk é idêntica à do conversor
abaixador-elevador de tensão, as mesmas curvas características apresentadas anteriormente
são válidas também para esta topologia. A única alteração é que a indutância presente na
expressão do parâmetro de descontinuidade K é dada pela associação em paralelo dos
indutores L1 e L2.

3.4.1 Dimensionamento de C1
       C1 deve ser tal que não se descarregue totalmente durante a condução de T.
Considerando iL1 e iL2 constantes, a variação da tensão é linear. A figura 3.16 mostra a
tensão no capacitor numa situação crítica.

                                          v
                                              C1


                                   2VC1


                                                                   V
                                                                       C1



                                                   tT     τ            t
               Figura 3.16. Tensão no capacitor intermediário numa situação crítica.

VC1 = E + Vo                                                                  (3.46)

          No condição limite:

                     2 ⋅(E + Vo)
Io = I L 2 = C1 ⋅                                                             (3.47)
                          tT

            Io(max) ⋅δ ⋅(1 − δ)⋅τ
C1min =                                                                       (3.48)
                  2⋅ E

3.4.2 Dimensionamento de L1
       Considerando C1 grande o suficiente para que sua variação de tensão seja
desprezível, L1 deve ser tal que não permita que iL1 se anule. A figura 3.17 mostra a
corrente por L1 numa situação crítica.

      L 1⋅ I L1max
E=                                                                            (3.49)
           tT

              I L1max
Ii = I L1 =                                                                   (3.50)
                 2



http://www.dsce.fee.unicamp.br/~antenor                                                    3-13
Fontes Chaveadas - Cap. 3         TOPOLOGIAS BÁSICAS DE FONTES CHAVEADAS                       J. A. Pomilio


                                                  E+Vo
                                              +               i
                                                                  L1
                                     L1
                                                                           I
                      E                                                        L1max




                                                                       t               τ
                                                                           T
                              Figura 3.17 Corrente por L1 em situação crítica.

          Quando T conduz:

       E⋅ tT
L1 =                                                                                       (3.51)
       2 ⋅ Ii

            E ⋅ τ ⋅ (1 − δ)
L1min =                                                                                    (3.52)
            2 ⋅ Io(min)

3.4.3 Cálculo de L2
       Analogamente à análise anterior, obtém-se para L2:

              E⋅δ ⋅ τ
L 2 min =                                                                                  (3.53)
            2 ⋅ Io(min)

3.4.4 Cálculo de C (capacitor de saída)
        Para uma corrente de s   aída contínua, o dimensionamento de C é idêntico ao
realizado para o conversor abaixador de tensão

       E⋅ δ ⋅ τ2
Co =                                                                                       (3.54)
     8 ⋅ L 2 ⋅ ∆Vo


3.5 Conversor SEPIC

         O conversor SEPIC (Single Ended Primary Inductance Converter) é mostrado na
figura 3.18.
         Possui uma característica de transferência tipo abaixadora-elevadora de tensão.
Diferentemente do conversor Cuk, a corrente de saída é pulsada. Os interruptores ficam
sujeitos a uma tensão que é a soma das tensões de entrada e de saída e a transferência de
energia da entrada para a saída se faz via capacitor. Sua principal vantagem é no circuito
isolado, quando a indutância L2 pode ser a própria indutância de magnetização do trafo.
         O funcionamento no modo descontínuo também é igual ao do conversor Cuk, ou
seja, a corrente pelo diodo de saída se anula, de modo que as correntes pelas indutâncias se
tornam iguais. A tensão a ser suportada pelo transistor e pelo diodo é igual a Vo+E.




http://www.dsce.fee.unicamp.br/~antenor                                                                3-14
Fontes Chaveadas - Cap. 3          TOPOLOGIAS BÁSICAS DE FONTES CHAVEADAS                          J. A. Pomilio


                          + E -                                         + E -
                                                     +                                                      +
             L1              C1        D                      L1                              D
      i L1                         i L2                                     C1
                                                     Vo                                                     Vo
       E                           L2        Co                                          L2       Co
                  T                                       E        T
                                                     Ro                                                     Ro


                            (a)                                              (b)

             Figura 3.18 Topologia do conversor SEPIC não-isolado (a) e isolado (b).

3.6 Conversor Zeta

       O conversor Zeta, cuja topologia está mostrada na figura 3.19, também possui uma
característica abaixadora-elevadora de tensão. Na verdade, a diferença entre este
conversor, o Cuk e o SEPIC é apenas a posição relativa dos componentes.
       Aqui a corrente de entrada é descontínua e a de saída é continua. A transferência
de energia se faz via capacitor. A indutância L1 pode ser a própria indutância de
magnetização do transformador, na versão isolada. A operação no modo descontínuo
também se caracteriza pela inversão do sentido da corrente por uma das indutâncias. A
posição do interruptor permite uma natural proteção contra sobrecorrentes. A tensão a ser
suportada pelo transistor e pelo diodo é igual a Vo+E.

                          - Vo +              i L2                               - Vo +

              T              C1         L2                     T                   C1             L2
                                                     +
                  L1               D         Co      Vo                L1                     D        Co
       E                                                  E                                                        Vo

                   i L1                              Ro                                                          Ro


                            (a)                                                    (b)

              Figura 3.19 Topologia do conversor Zeta não-isolado (a) e isolado (b).

3.7 Conversores com isolação

        Em muitas aplicações é necessário que a saída esteja eletricamente isolada da
entrada, fazendo-se uso de transformadores. Em alguns casos o uso desta isolação implica
na alteração do circuito para permitir um adequado funcionamento do transformador, ou
seja, para evitar a saturação do núcleo magnético. Relembre-se que não é possível
interromper o fluxo magnético produzido pela forÁa magneto motriz aplicada aos
enrolamentos.

3.7.1 Conversor Cuk
        Neste circuito a isolação se faz pela introdução de um transformador no circuito.
Utilizam-se 2 capacitores para a transferência da energia da entrada para a saída. A figura
3.20 mostra o circuito. A tensão sobre o capacitor C1 é a própria tensão de entrada,
enquanto sobre C2 tem-se a tensão de saída.


http://www.dsce.fee.unicamp.br/~antenor                                                                     3-15
Fontes Chaveadas - Cap. 3            TOPOLOGIAS BÁSICAS DE FONTES CHAVEADAS                J. A. Pomilio



                                                       N1   N2
                                L1                                         L2
                                             C1                  C2
                       E              T                                     Co
                                               V1                V2    D              Vo



                                 Figura 3.20. Conversor Cuk com isolação

          A tensão de saída, no modo contínuo de condução, é dada por:

        N2 E⋅ δ
Vo =      ⋅                                                                           (3.55)
        N1 (1 − δ)

        O balanço de carga deve se verificar para C1 e C2. Com N1=N2, C1=C2, tendo o
dobro do valor obtido pelo método de cálculo indicado anteriormente no circuito sem
isolação. Para outras relações de transformação deve-se obedecer a N1.C1=N2.C2, ou
V1.C1=V2.C2.
        Note que quando T conduz a tensão em N1 é V C1=E (em N2 tem-se V C1.N2/N1).
Quando D conduz, a tensão em N2 é V C2=Vo (em N1 tem-se V C2.N1/N2). A corrente
pelos enrolamentos não possui nível contínuo e o dispositivo comporta-se, efetivamente,
como um transformador.

3.7.2 Conversor fly-back (derivado do abaixador-elevador)
        O elemento magnético comporta-se como um indutor bifilar e não como um
transformador. Quando T conduz, armazena-se energia na indutância do "primário" (no
campo magnético) e o diodo fica reversamente polarizado. Quando T desliga, para menter a
continuidade do fluxo, o diodo entra em condução, e a energia acumulada no campo
magnético é enviada à saída. A figura 3.21 mostra o circuito.
        Note-se que as correntes médias nos enrolamentos não são nulas, levando à
necessidade de colocação de entreferro no "transformador".
                                                D
                                  T



                            E                                     Co             Vo
                                                  L1



                                                  N1 N2
                                          Figura 3.21 Conversor fly-back

          A tensão de saída, no modo contínuo de condução, é dada por:

        N2 E⋅ δ
Vo =      ⋅                                                                           (3.56)
        N1 (1 − δ)




http://www.dsce.fee.unicamp.br/~antenor                                                            3-16
Fontes Chaveadas - Cap. 3        TOPOLOGIAS BÁSICAS DE FONTES CHAVEADAS                                 J. A. Pomilio


3.7.3 Conversor forward (derivado do abaixador de tensão)
        Quando T conduz, aplica-se E em N1. D1 fica diretamente polarizado e cresce a
corrente por L. Quando T desliga, a corrente do indutor de saída tem continuidade via D3.
Quanto ao transformador, é necessário um caminho que permita a circulação de uma
corrente que dê continuidade ao fluxo magnético, de modo a absorver a energia acumulada
no campo, relativa à indutância de magnetização. Isto se dá pela condução de D2. Durante
este intervalo (condução de D2) aplica-se uma tensão negativa em N2 e ocorre um retorno
de energia para a fonte. A figura 3.22 mostra o circuito.

                                                                D1             L
                                  D2

                                  T
                                            .               .                                      +
                   E                                            D3                Co               Vo

                                                    .
                                           N1 N2 N3

                                      Figura 3.22 Conversor forward

        Para garantir a desmagnetização do núcleo a cada ciclo, o conversor opera sempre
no modo descontínuo.
        Existe um máximo ciclo de trabalho que garante a desmagnetização do
transformador (tensão média nula), o qual depende da relação de espiras existente. A figura
3.23 mostra o circuito equivalente no intervalo de desmagnetização.
        As tensões no enrolamento N1, respectivamente quando o transistor e o diodo D2
conduzem, são:

                                                            E ⋅ N2
VN1 = E          0 ≤ t ≤ tT            e            VN1 =                  t T ≤ t ≤ t2     (3.57)
                                                             N1




                                 E
                                      T         .               VN1
                                           N1           E


                                                .                    A1
                                                                                   t2
                                                                      tT                τ      t
                                           N2                                A2
                                D2
                                                E.N2/N1                                     A1=A2


                            Figura 3.23. Forma de onda no enrolamento de N1.

        Outra possibilidade, que prescinde do enrolamento de desmagnetização, é a
intrudução de um diodo zener no secundário, pelo qual circula a corrente no momento do
desligamento de T. Esta solução, mostrada na figura 3.24, no entanto, provoca uma perda
de energia sobre o zener, além de limitar o ciclo de trabalho em função da tensão.




http://www.dsce.fee.unicamp.br/~antenor                                                                         3-17
Fontes Chaveadas - Cap. 3          TOPOLOGIAS BÁSICAS DE FONTES CHAVEADAS             J. A. Pomilio




                                              ..
                              E



             Figura 3.24 Conversor forward com desmagnetização por diodo zener.

3.7.4 Conversor push-pull
        O conversor push-pull é, na verdade, um arranjo de 2 conversores forward,
trabalhando em contra-fase, conforme mostrado na figura 3.25.
        Quando T1 conduz (considerando as polaridades dos enrolamentos), nos
secundários aparecem tensões como as indicadas na figura 3.26. D2 conduz
simultaneamente, mantendo nulo o fluxo no transformador (desconsiderando a
magnetização).
        Note que no intervalo entre as conduções dos transistores, os diodos D1 e D2
conduzem simultaneamente (no instante em que T1 é desligado, o fluxo nulo é garantido
pela condução de ambos diodos, cada um conduzindo metade da corrente), atuando como
diodos de livre-circulação e curto-circuitando o secundário do transformador.
        A tensão de saída é dada por:

        2⋅δ ⋅ E
Vo =                                                                              (3.58)
          n
                            Vce1


                         T1
                                    I c1

                                       ..
                                             I D1     D1
                                                           .    L
                                                                         .   +

                                                                    Co       Ro
                            V1=E                    E/n

                     .                .. ..                              .
                              E                     E/n


                              T2    I c2      I D2 D2

                                     Figura 3.25. Conversor push-pull.

        O ciclo de trabalho deve ser menor que 0,5 de modo a evitar a condução simultânea
dos transistores. n é a relação de espiras do transformador.
        Os transistores devem suportar uma tensão com o dobro do valor da tensão de
entrada. Outro problema deste circuito refere-se à possibilidade de saturação do
transformador caso a condução dos transistores não seja idêntica (o que garante uma
tensão média nula aplicada ao primário). A figura 3.26 mostra algumas formas de onda do
conversor.




http://www.dsce.fee.unicamp.br/~antenor                                                       3-18
Fontes Chaveadas - Cap. 3              TOPOLOGIAS BÁSICAS DE FONTES CHAVEADAS                   J. A. Pomilio


                               V1 T1/D2 D1 T2/D1 D1
                                        D2       D2
                                E


                              Ic1


                            Vce1

                                  2E


                                  io
                                                                                      Io

                                             δ1
                            Figura 3.26 Formas de onda do conversor push-pull.

3.7.4.1 Conversor em meia-ponte
        Uma alteração no circuito que permite contornar ambos inconvenientes do
conversor push-pull leva ao conversor com topologia em meia ponte, mostrado na figura
3.27. Neste caso cria-se um ponto médio na alimentação, por meio de um divisor
capacitivo, o que faz com que os transistores tenham que suportar 50% da tensão do caso
anterior, embora a corrente seja o dobro. O uso de um capacitor de desacoplamento
garante uma tensão média nula no primário do transformador. Este capacitor deve ser
escolhido de modo a evitar ressonância com o indutor de saída e, ainda, para que sobre ele
não recaia uma tensão maior que alguns porcento da tensão de alimentação (durante a
condução de cada transistor).


                                             .
                                                        .         .      L
                                                                                  .
                              .
                               E/2
                                        T1   .
                                             .
                                                                                       +



                                             .        .                      Co
                                                                                           Vo


                               E/2                      ..                        .
                                        T2   .
                                       Figura 3.27 Conversor em meia-ponte

3.7.4.2 Conversor em ponte completa
        Pode-se obter o mesmo desempenho do conversor em meia ponte, sem o problema
da maior corrente pelo transistor, com o conversor em ponte completa. O preço é o uso de
4 transistores, como mostrado na figura 3.28.


http://www.dsce.fee.unicamp.br/~antenor                                                                 3-19
Fontes Chaveadas - Cap. 3        TOPOLOGIAS BÁSICAS DE FONTES CHAVEADAS                     J. A. Pomilio




                                 .
                                 .         .
                                                      .          .        L
                                                                                   .
                            T1   .    T2   .
                                           .
                                                                                       +


                                                    .                         Co
                                                                                       Vo

                 E                                    ..                           .
                                 .
                                 .         .
                            T3   .    T4   .
                                 .
                             Figura 3.28 Conversor em ponte completa.

3.8 Consideração sobre a máxima tensão de saída no conversor elevador de tensão

        Pelas funções indicadas anteriormente, tanto para o conversor elevador de tensão
quanto para o abaixador-elevador (e para o Cuk, SEPIC e Zeta), quando o ciclo de
trabalho tende à unidade, a tensão de saída tende a infinito. Nos circuitos reais, no entanto,
isto não ocorre, uma vez que as componentes resistivas presentes nos componentes,
especialmente nas chaves, na fonte de entrada e nos indutores, produzem perdas. Tais
perdas, à medida que aumenta a tensão de saída e, consequentemente, a corrente, tornam-
se mais elevadas, reduzindo a eficiência do conversor. As curvas de Vo x δ se alteram e
passam a apresentar um ponto de máximo, o qual depende das perdas do circuito.
        A figura 3.29 mostra a curva da tensão de saída normalizada em função da largura
do pulso para o conversor elevador de tensão.
        Se considerarmos as perdas relativas ao indutor e à fonte de entrada, podemos
redesenhar o circuito como mostrado na figura 3.30.
        Para tal circuito, a tensão disponível para alimentação do conversor se torna (E-
V r), podendo-se prosseguir a análise a partir desta nova tensão de entrada. A hipótese é
que a ondulação da corrente pelo indutor é desprezível, de modo a se poder supor V r
constante.
        O objetivo é obter uma nova expressão para Vo, em função apenas do ciclo de
trabalho e das resistências de carga e de entrada. O resultado está mostrado na figura 3.31.

        E − Vr
Vo =                                                                                   (3.59)
         1− δ

Vr = R L ⋅ Ii
                                                                                       (3.60)
Vo = Ro ⋅ Io

Io = Ii ⋅(1 − δ)                                                                       (3.61)




http://www.dsce.fee.unicamp.br/~antenor                                                             3-20
Fontes Chaveadas - Cap. 3                    TOPOLOGIAS BÁSICAS DE FONTES CHAVEADAS                                  J. A. Pomilio


        R L ⋅ Io    R L ⋅ Vo
Vr =             =                                                                                               (3.62)
        1− δ       (1 − δ)⋅ Ro

               R L ⋅ Vo
        E−
              (1 − δ)⋅Ro     E    R L ⋅ Vo
Vo =                     =      −                                                                                (3.63)
               1− δ        1 − δ Ro ⋅(1 − δ) 2

Vo            1− δ
   =                                                                                                             (3.64)
E                R
        (1 − δ) + L
                 2
                 Ro


                               40


                     Vo( d )
                               20




                                    0                 0.2         0.4                 0.6              0.8
                                                                            d
   Figura 3.29 Característica estática de conversor elevador de tensão no modo contínuo.

                                                 Vr
                                                                  Ii

                                                 RL          L                                           Io

                                                                                                         +
                         E                       E-Vr                                 Co          Ro      Vo




       Figura 3.30. Conversor elevador de tensão considerando a resistência do indutor.


                                         4


                               Vo( d )
                                         2




                                         0
                                             0         0.2       0.4            0.6         0.8              1
                                                                        d


  Figura 3.31. Característica estática de conversor elevador de tensão, no modo contínuo,
                         considerando as perdas devido ao indutor.

http://www.dsce.fee.unicamp.br/~antenor                                                                                      3-21
Fontes Chaveadas - Cap. 4                 CONVERSORES RESSONANTES                                J. A. Pomilio




4. CONVERSORES RESSONANTES

         Nas topologias em que as chaves semicondutoras comutam a corrente total da
carga a cada ciclo, elas ficam sujeitas a picos de potência que colaboram para o "stress" do
componente, reduzindo sua vida útil. Além disso, elevados valores de di/dt e dv/dt são
potenciais causadores de interferência eletromagnética (IEM).
         Quando se aumenta a freqüência de chaveamento, buscando reduzir o tamanho dos
elementos de filtragem e dos transformadores, as perdas de comutação se tornam mais
significativas sendo, em última análise, as responsáveis pela freqüência máxima de
operação dos conversores. Dificilmente esta freqüência ultrapassa 50kHz para uma
potência superior a 100W.
         Por outro lado, caso a mudança de estado das chaves ocorra quando tensão e/ou
corrente por elas for nula, o chaveamento se faz sem dissipação de potência.
         Analisaremos a seguir algumas topologias básicas que possibilitam tal comutação
não-dissipativa. A carga “vista” pelo conversor é formada por um circuito ressonante e
uma fonte (de tensão ou de corrente). O dimensionamento adequado do par L/C faz com
que a corrente e/ou a tensão se invertam, permitindo o chaveamento dos interruptores e    m
situação de corrente e/ou tensão nulas, eliminando as perdas de comutação.


4.1 Conversor ressonante com carga em série (SLR)

          A topologia básica deste conversor é mostrada na figura 4.1.
                                                                               Io
                                                   i
                                                       L
                                     S1       D1
                   E/2                                      + vc -                  +
                                                                     B'
                                          A                                         Vo
                                B                      Lr     Cr
                                                                     B    Co
                                     S2   D2
                   E/2                                                         Ro


                            Figura 4.1. Conversor ressonante com carga em série

        Lr e Cr formam o circuito ressonante. A corrente iL é retificada e alimenta a carga,
a qual conecta-se em série com o circuito ressonante.
        Co é usualmente grande o suficiente para se poder considerar Vo sem ondulação.
As perdas resistivas no circuito podem ser desprezadas, simplificando a análise.
        Vo se reflete na entrada do retificador entre B e B', de modo que:

vB’ B = Vo s iL >0
            e
vB’ B = -Vo s iL <0
             e                                                                           (4.1)

          Quando iL >0, conduz S1 ou D2. Quando S1 conduz, tem-se:

vAB = E/2
vAB' = (E/2-Vo)                                                                          (4.2)



http://www.dsce.fee.unicamp.br/~antenor                                                                  4-1
Fontes Chaveadas - Cap. 4                       CONVERSORES RESSONANTES                         J. A. Pomilio


          Se D2 conduzir:

vAB = -E/2
vAB' = -(E/2+Vo)                                                                        (4.3)

          Quando iL <0, conduz S2 ou D1. Quando S2 conduz tem-se:

vAB = -E/2
vAB' = -(E/2-Vo)                                                                        (4.4)

          Se D1 conduz:

vAB = E/2
vAB' = E/2+Vo                                                                           (4.5)

        Usualmente o controle de S1 e S2 é simétrico, e a condução dos diodos D1 e D2
também o é. A análise de meio ciclo permite analisar todo o comportamento do circuito.
O controle da tensão de saída é feito por modulação em freqüência.
        O uso de um transformador entre B e B' permite alterar a tensão na carga, sem
afetar o funcionamento da topologia.
        Este conversor tem como característica uma proteção intrínseca contra sobrecarga,
uma vez que opera como uma fonte de corrente, no entanto, exige uma carga mínima para
funcionar.
        A freqüência de ressonância é dada por:

             1
ωo =                                                                                    (4.6)
          L r ⋅ Cr

          O circuito ressonante mostrado na figura 4.2. tem as seguintes equações:
                                         iL
                                                    + vc -
                                 A                          B'
                                          Lr          Cr

                                            +                               +   + Vo
                            + E/2
                                            -                               -

                                           B

                               Figura 4.2. Circuito ressonante equivalente


                                           V − VCo
i L ( t ) = I Lo ⋅ cos[ωo ⋅ ( t − to)] +           ⋅ sin[ ωo ⋅ ( t − to)]               (4.7)
                                             Zo

v Co ( t ) = V − ( V − VCo ) ⋅ cos[ωo ⋅ ( t − to)] + Zo ⋅ I Lo ⋅ sin[ ωo ⋅ ( t − to)]   (4.8)




http://www.dsce.fee.unicamp.br/~antenor                                                                 4-2
Fontes Chaveadas - Cap. 4                                   CONVERSORES RESSONANTES                                                   J. A. Pomilio


I Lo e V Co são as condições iniciais de corrente no indutor e tensão no capacitor,
respectivamente. A tensão V é a tensão CC resultante na malha, ou seja, a soma (ou
subtração) da tensão de entrada com a de saída (V=VAB').

             Lr
Zo =                                                                                                                        (4.9)
             Cr


4.1.1 Modo de operação descontínuo, ωs<ωο/2
        A figura 4.3. mostra as formas de onda referentes a este modo de funcionamento.
A figura 4.4. mostra os circuitos equivalentes em cada intervalo de funcionamento.
        Em ωo.to, S1 é ligado e iL começa a crescer. A tensão sobre o capacitor cresce
desde seu valor inicial (-2Vo). Em ωo.t1, ou seja, 180° após ωoto, iL se inverte e deve fluir
por D1 (pois S2 não foi acionado). A retirada do sinal de base/gate de S1 deve ocorrer
durante a condução de D1, ou seja, S1 desliga com corrente e tensão nulas. Após mais
180°, a corrente se anula e assim permanece, pois não há outra chave conduzindo. A
tensão sobre Cr permanece +2Vo, até o início do próximo semi-ciclo, quanto S2 entra e      m
condução em ωot3. Por causa desta descontinuidade da corrente, meio-ciclo da freqüência
de chaveamento excede 360° da freqüência de ressonância.
        Durante o intervalo t2 a t3, não existe corrente pelo circuito, de modo que a
tensão sobre o capacitor não se altera. Variando-se a duração deste intervalo ajusta-se a
tensão de saída.


                       E
                                                        vC
                 2Vo
                                                                              S2              iL


                                                                                        D2 t5                T
               -2Vo             S1          D1
                                                                                   t4
                           to          t1            t2             t3

                                      1/ωο
                                                                1/ωs


             Figura 4.3. Formas de onda do conversor no modo de operação descontínuo

   A                             B'     A                                B'        A                         B'   A                            B'
              Lr           Cr                      Lr          Cr                              Lr       Cr                   Lr         Cr

                 iL         Vo                        iL        Vo                                 iL   Vo                      iL       Vo
       E/2                                  E/2                                         E/2                           E/2

                   B                                    B                                           B                             B
             to a t1                              t1 a t2                                     t3 a t4                       t4 a t5


              Figura 4.4. Circuitos equivalentes em cada intervalo do modo de operação

http://www.dsce.fee.unicamp.br/~antenor                                                                                                       4-3
Fontes Chaveadas - Cap. 4                               CONVERSORES RESSONANTES                                          J. A. Pomilio




        Note que a entrada e a saída de condução dos transístores e diodos ocorre quando
a corrente é nula. Assim, não existe perda de chaveamento nos semicondutores. Por outro
lado, o pico de corrente pelos dispositivos implica num aumento das perdas de condução.

4.1.2 Modos de operação contínuo para ωo/2<ωs<ωo ω ω
       Atuando-se com freqüência de chaveamento na faixa ωo/2<ωs<ωo teremos uma
situação em que não ocorre descontinuidade da corrente, de modo que uma das
comutações é dissipativa. A figura 4.5. mostra as formas de onda de corrente pelo indutor
e tensão no capacitor neste modo de operação. Na figura 4.6. tem-se os circuitos
equivalentes em cada intervalo.


                                                                      vC

                                                    iL




                        S1        D1 S2             D2

                       to     t1 t2             t3 t4

                                  Figura 4.5. Formas de onda quando ωo/2<ωs<ωo

   A                         B'     A                            B'    A                        B'   A                            B'
              Lr       Cr                      Lr          Cr                     Lr       Cr                   Lr         Cr

                 iL     Vo                        iL        Vo                       iL    Vo                      iL       Vo
       E/2                              E/2                                E/2                           E/2

                   B                                B                                  B                             B
             to a t1                          t1 a t2                            t2 a t3                       t3 a t4


              Figura 4.6. Circuitos equivalentes em cada intervalo do modo de operação

        S1 entra em condução em ωoto, sob tensão e corrente diferentes de zero
(dissipando potência). Em ωot1 (menos que 180°) a corrente se inverte, passando por D1
(S1 desliga com corrente nula). Em ωot2 S2 entra em condução, desligando D1 e iniciando
o semiciclo seguinte. Neste caso não existe o intervalo de corrente nula pelo circuito.

4.1.3 Modo de operação contínuo para ωs>ωo    ω
        S1 começa a conduzir em ωoto com corrente nula (o sinal de condução deve ter
sido aplicado durante a condução de D1). Em ωot1 S1 é desligado e a corrente tem
continuidade via D2. O desligamento de S1 é dissipativo. Durante a condução de D2
envia-se o sinal de condução para S2, o qual entrará em condução assim que a corrente se
inverter (D2 desligar).


http://www.dsce.fee.unicamp.br/~antenor                                                                                          4-4
Fontes Chaveadas - Cap. 4                                  CONVERSORES RESSONANTES                                             J. A. Pomilio


       A figura 4.7. mostra as formas de onda e os circuitos equivalentes neste modo de
operação.

                                 iL
                                                           vC




                       D1        S1        D2          S2             D1

                        to             t1 t2                         t3 t4

   A                              B'   A                               B'    A                        B'   A                            B'
              Lr            Cr                    Lr            Cr                      Lr       Cr                   Lr         Cr

                 iL         Vo                       iL         Vo                         iL    Vo                      iL       Vo
       E/2                                 E/2                                   E/2                           E/2

                   B                                   B                                     B                             B
             to a t1                             t1 a t2                               t2 a t3                       t3 a t4
   Figura 4.7. Formas de onda para ωs>ωo e circuitos equivalentes em cada intervalo do
                                  modo de operação.

        Neste modo de operação é possível, adicionando-se capacitores entre os terminais
principais das chaves, obter-se comutação sob tensão nula, como mostra a figura 4.8.
         Durante a condução do interruptor (por exemplo, S1), o capacitor colocado e  m
paralelo a ele está, obviamente, descarregado. Quando a chave é aberta, o capacitor s  e
carrega com a corrente da carga, até levar o diodo do ramo complementar (p.ex. D2) à
condução. No semi-ciclo seguinte, ao ser desligado o interruptor (S2), o diodo (D1) deve
entrar em condução, o que acontecerá após a carga do capacitor conectado ao interruptor
que estava em condução. Como a tensão de entrada é constante, a carga de um capacitor
implica na descarga do outro. Assim, a energia armazenada nos capacitores não é
dissipada, mas fica fluindo (idealmente) de um para outro.
        A figura 4.9. mostra a característica estática do conversor. Os valores são
normalizados em relação aos seguintes valores base:

          E
Vbase =
          2
            E
I base =                                                                                                             (4.10)
         2 ⋅ Zo
ω base = ωo




http://www.dsce.fee.unicamp.br/~antenor                                                                                                4-5
Fontes Chaveadas - Cap. 4                       CONVERSORES RESSONANTES                                  J. A. Pomilio


                                                                                        Io
                                                           i
                                                               L
                                S1         D1     C1
               E/2                                                   + vc -                       +
                                                                                B'
                                       A                                                          Vo
                            B                                  Lr        Cr
                                                                                B      Co
                                S2     D2         C2
               E/2                                                                           Ro

                                i S1



                                i D2




                                 vS1                                 E


                                 vS2
                                  E



          Figura 4.8. Inclusão de capacitores para obter comutações sob tensão nula.


         Io    10



                                                       Vo=0.4                 Vo=0.4


                5




                                                                    Vo=0.9
                0                                                                                       ωs
                     0                      0.5                          1                        1.5   ωo

        Figura 4.9. Característica estática de conversor ressonante com carga em série

       São mostradas curvas para 2 valores de tensão de saída. Note-se que no modo
descontínuo (ωs<0,5) o conversor se comporta como uma fonte de corrente, cujo valor é
ajustado pela variação da frequência. A variação da carga (portanto de Vo) não altera o
valor da corrente. Isto justifica a afirmação anterior quanto à característica do conversor
possuir uma inerente proteção contra sobre-corrente.

http://www.dsce.fee.unicamp.br/~antenor                                                                          4-6
Fontes Chaveadas - Cap. 4                      CONVERSORES RESSONANTES                                   J. A. Pomilio


4.2 Conversor ressonante com carga em paralelo (PLR)

          A topologia deste conversor está mostrada na figura 4.10.
                                                                              io
                                                                                               Io
                                                 i
                                                     L
                             S1       D1                                       Lo
          E/2                                                                                       +
                                                                   B'
                                  A                                                                 Vo
                      B                              Lr   Cr
                                                                   B                      Co
                             S2     D2
          E/2                                                                                  Ro


   Figura 4.10. Conversor ressonante com carga conectada em paralelo com o capacitor

        Nesta topologia a carga é conectada em paralelo com o capacitor do circuito
ressonante. A tensão sobre o capacitor é retificada, filtrada e fornecida à carga. É possível
usar transformador para isolar e escalonar a tensão de saída.
        Para obter um modelo para o circuito, pode-se considerar que a corrente de saída
seja sem ondulação, o que é razoável, considerando a elevada freqüência de chaveamento.
A tensão sobre o circuito ressonante, vAB será igual a +E/2 caso conduzam S1 ou D1.
Quando conduzirem S2 e D2, a tensão será -E/2.
        Este conversor opera como uma fonte de tensão, podendo operar sem carga e
suportando uma larga variação na corrente de saída, mas não possui proteção contra
curto-circuito.
        O circuito ressonante equivalente está mostrado na figura 4.11. e tem as seguintes
equações (válidas no intervalo entre t1 e t3):

                                                     E
                                                       − VCo
                                                     2
i L ( t ) = Io + (I Lo − Io) ⋅ cos[ωo ⋅ ( t − t1)] +         ⋅ sin[ ωo ⋅ ( t − t1)]                       (4.11)
                                                       Zo

            E E       
v C (t) =    −  − VCo  ⋅ cos[ωo ⋅ ( t − t1)] + Zo ⋅ (I Lo − Io) ⋅ sin[ ωo ⋅ ( t − t1)]                  (4.12)
            2 2       

Onde ILo e VCo são as condições iniciais de corrente no indutor e tensão no capacitor.
                                         iL
                                           A                             B'
                                                          Lr
                                                               +
                                           +                                       + Io
                            + E/2                          vC
                                           -                       Cr
                                                               -
                                B
   Figura 4.14. Circuito ressonante equivalente para conversor com carga em paralelo ao
                                         capacitor.

          Nos intervalos (to a t1) e (t3 a t4) as formas de onda tem uma evolução linear.


http://www.dsce.fee.unicamp.br/~antenor                                                                          4-7
Fontes Chaveadas - Cap. 4                                            CONVERSORES RESSONANTES                                                                J. A. Pomilio



4.2.1 Modo de operação descontínuo, ωs<ωo/2  ω
         Neste modo de operação [4.1], tanto iL quanto vC permanecem nulos por algum
tempo. Em ωoto, S1 entra em condução. Enquanto |iL |<Io, a corrente de saída circula
pelos diodos da ponte retificadora, mantendo vC=0. Em ωot1, |iL |>Io e a diferença (iL -Io)
circula pelo capacitor Cr, aumentando vC. Dada a ressonância entre L r e Cr, a corrente
tende a oscilar. As formas de onda da corrente no indutor e da tensão no capacitor estão
mostradas na figura 4.12. Na figura 4.13. tem-se os circuitos relativos a cada intervalo de
funcionamento.
         Quando |iL | se torna novamente menor que Io, o capacitor passa a se descarregar,
fornecendo o complemento da corrente de saída. Em ωot2, a corrente se inverte e circula
por D1. S1 deve ser desligado antes de ωot3, comutando sob tensão e corrente nulas. Em
ωot3 D1 deixa de conduzir e a corrente se anula. O capacitor passa a fornecer sozinho a
corrente de saída, decaindo linearmente sua tensão.
         Quando vC se anula, os diodos da ponte retificadora conduzem, num intervalo de
livre-circulação. Em ωot5, S2 entra em condução, iniciando o semi-ciclo negativo.
         Tanto os transístores, quanto os diodos não produzem perdas nas mudanças de
estado.
         Para que seja possível comutação suave é necessário que a corrente, no limite
toque o zero em seu segundo semi-ciclo. Isto significa que existe uma máxima corrente de
carga que pode ser comutada, a qual é dada por:

         E
Io <                                                                                                                                                          (4.13)
        2Zo
                               E
                                                             vC

                              E/2
                                                                                                                    i
                                                                                                                        L
                                                                                 Linear
                      Linear                                                                      Io



                                              S1             D1
                               to t1                   t2            t3 t4                   t5




Figura 4.12. Formas de onda de corrente e tensão nos elementos ressonantes no modo de
                                operação descontínuo.
         iL                                                 iL

   A                                     B'        A                                    B'                                       B'                                   B'

                                    Io                                             Io                                       Io                                   Io
                      +                                                  +                                      +                                   +

       E/2    v                                        E/2       v                                E/2   v                             E/2   v
                  C                                                  C                                      C                                   C



                          B                                                  B                                      B                                   B

              to a t1                                        t1 a t3                                    t3 a t4                                     t4 a t5
                      Figura 4.13. Circuitos equivalentes a cada intervalo de funcionamento



http://www.dsce.fee.unicamp.br/~antenor                                                                                                                               4-8
Fontes Chaveadas - Cap. 4                                        CONVERSORES RESSONANTES                                                    J. A. Pomilio



4.2.2 Modo de operação contínuo para ωo/2<ωs<ωo   ω ω
        Atuando-se com freqüência de chaveamento [4.2] na faixa ωo/2<ωs<ωo teremos
uma situação em que não ocorre descontinuidade da corrente, de modo que uma das
comutações é dissipativa. A figura 4.14. mostra as formas de onda do circuito ressonante
e a figura 4.15. mostra os circuitos equivalentes de cada intervalo de funcionamento.
        S1 entra em condução quando a corrente é positiva, dissipando potência. A
corrente oscila e quando se inverte passa por D1, até que S2 seja disparado. S1 tem seu
sinal de acionamento retirado durante a condução de D1, logo, sob corrente e tensão
nulas. Após a entrada em condução de S2 inicia-se o semi-ciclo seguinte.


                                              vC

                                                                         iL


                       0




               D2              S1        D1             S2                D2
                       to t1                  t2 t3                  t4        t5

        Figura 4.14. Formas de onda de corrente pelo indutor e tensão no capacitor para
                                        ωo/2<ωs<ωo
          iL                                        iL                                    iL                                   iL

    A                               B'        A                                    B'                               B'                                 B'

                               Io                                             Io                               Io                                 Io
                       +                                         +                                     +                                +

        E/2    v                                  E/2    v                              E/2    v                         E/2    v
                   C                                         C                                     C                                C



                           B                                         B                                     B                                B

               to a t1                                  t1 a t2                                t2 a t3                                  t3 a t4

               Figura 4.15. Circuitos equivalentes para cada intervalo de funcionamento

4.2.3 Modos de operação contínuo para ωs>ωο
        S1 começa a conduzir com corrente nula (o sinal de condução deve ter sido
aplicado durante a condução de D1). Quando S1 é desligado, a corrente tem continuidade
via D2. O desligamento de S1 é dissipativo. Durante a condução de D2 envia-se o sinal de
condução para S2, o qual entrará em condução assim que a corrente se inverter (D2
desligar). Neste modo de operação é possível, adicionando-se capacitores entre os
terminais principais das chaves, obter-se comutação sob tensão nula, como já foi descrito
anteriormente.
        A figura 4.16. mostra as formas de onda de tensão e de corrente e a figura 4.17.
mostra os circuitos equivalentes em cada intervalo de funcionamento.

http://www.dsce.fee.unicamp.br/~antenor                                                                                                                4-9
Fontes Chaveadas - Cap. 4                                           CONVERSORES RESSONANTES                                                    J. A. Pomilio




                                      iL                                    vC




                           D1             S1           D2                   S2
                   to                          t1 t2                             t3 t4


   Figura 4.16. Formas de onda de tensão no capacitor e corrente no indutor para ωs>ωο

          iL                                           iL                                    iL                                   iL

    A                                B'          A                                    B'                               B'                                 B'

                                Io                                               Io                               Io                                 Io
                       +                                            +                                     +                                +

        E/2    v                                     E/2    v                              E/2    v                         E/2    v
                   C                                            C                                     C                                C


                           B                                            B                                     B                                B

               to a t1                                     t1 a t2                                t2 a t3                                  t3 a t4


                   Figura 4.17. Circuitos equivalentes a cada intervalo de funcionamento

        A figura 4.18. mostra a característica de transferência estática deste conversor,
para diferentes valores da corrente de saída. A normalização utilizada é a mesma do
conversor com carga em série.
        Nota-se que no modo descontínuo, o conversor apresenta uma boa característica
de fonte de tensão, uma vez que Vo independe de Io. O ajuste da tensão é linear com a
frequência de chaveamento. Isto é especialmente útil para o projeto de conversores com
múltiplas saídas.
        Para ωs>ωo, uma variação menor que 50% na frequência de chaveamento permite
uma excursão bastante ampla na tensão de saída.
        O conversor pode operar como abaixador ou elevador de tensão.

4.3 Conversor ressonante com carga em paralelo, com saída capacitiva

        No ítem 4.2. foi visto um conversor cuja carga, conectada em paralelo ao capacitor
de ressonância, era alimentada através de um filtro LC, ou seja, do ponto de vista do
conversor, a carga se comporta como uma fonte de corrente. Outra possibilidade é ter-se
uma carga que se reflita sobre o capacitor ressonante como uma fonte de tensão [4.3], ou
seja, que o estágio de saída não possua a indutância de filtragem, como se vê na figura
4.19.




http://www.dsce.fee.unicamp.br/~antenor                                                                                                                   4-10
Fontes Chaveadas - Cap. 4                  CONVERSORES RESSONANTES                            J. A. Pomilio


Vo

                                                                                    Io=0.4
4
                                                      Io=0.4


2



                                                                 Io=0.8
0                                                                                                             ωs
    0             0.2           0.4             0.6        0.8            1             1.2       1.4         ωo

Figura 4.18. Característica estática do conversor com carga conectada em paralelo com o
                                    capacitor ressonante.

                                                                                   Io
                                                      iL
                                      S1       D1
                    E/2                                                                 +
                                                                     B'
                                           A                                            Vo
                            B                         Lr   Cr
                                                                     B        Co
                                      S2   D2
                    E/2                                                            Ro


         Figura 4.19. Conversor ressonante com carga em paralelo, do tipo capacitiva

        A ressonância se comporta de modo semelhante ao conversor com saída de
corrente, mas a corrente de saída existe apenas quando a tensão sobre Cr atinge o valor
Vo.
        Consideremos as formas de onda da figura 4.20. Entre to e t1, a corrente é
negativa, circulando por D1. Durante este intervalo é dado o comando para condução de
S1, o qual entra efetivamente em condução em t1, sob corrente nula. Entre to e t2 a
tensão sobre Cr cresce de modo ressonante, até atingir o valor da tensão de saída. Neste
instante, supondo Co>>Cr, a tensão entre B’ e B se mantém constante, num valor igual a
Vo. A corrente pelo indutor Lr passa a ter uma variação linear. Se a tensão de saída for
menor do que a de entrada, a corrente aumenta, e vice-versa. Em regime, no entanto,
Vo>E/2.
        Quando se desliga S1, em t3, a corrente passa a circular por D2 e S2 recebe sinal
para ligar, conduzindo efetivamente quando a corrente se inverter . A tensão sobre Cr
varia de modo ressonante, invertendo-se, até ser atingida novamente a tensão de saída
(agora negativa), repetindo-se o funcionamento descrito. Dependendo dos parâmetros do
circuito e da freqüência de operação, a variação linear da corrente pode levá-la a zero, de
modo que não ocorrem as conduções dos diodos.
        Com a adição de capacitores em paralelo com os interruptores é possível obter um
desligamento sob tensão nula, da mesma forma como já foi explanado anteriormente.
Assim, todas as comutaçãos dos transistores e diodos são suaves.



http://www.dsce.fee.unicamp.br/~antenor                                                             4-11
Fontes Chaveadas - Cap. 4                       CONVERSORES RESSONANTES           J. A. Pomilio


        Como vantagem deste conversor tem-se a não necessidade do indutor de saída o
qual, especialmente em aplicações de alta tensão, são elementos problemáticos. Por outro
lado, como a condução dos diodos do retificador se dá apenas durante parte do período de
chaveamento, para uma mesma potência de saída, eles devem conduzir uma corrente de
pico de maior valor. Além disso, suas comutação serão mais dissipativas, dado que a    s
correntes comutadas são de maior intensidade. Isto se torna mais crítico à medida que
crescem a potência e a freqüência de chaveamento.

                             ressonante               linear
                    Vo

                                                        vC         iL



         linear

                  -Vo
                     to t1            t2        t3
                            D1   S1        S1    D2    S2


    Figura 4.20. Formas de onda do conversor com carga em paralelo do tipo capacitiva


4.4 Alterações nas topologias dos conversores ressonantes

        O controle da tensão de saída, conforme foi visto, se faz pela variação da
freqüência de chaveamento. Isto significa que, para os casos em que se deseja uma larga
faixa de variação da tensão, o espectro de freqüência pode ser grande. A dificuldade
oriunda deste fato é que o dimensionamento dos elementos de filtragem deve ser feito para
a menor freqüência possível, levando, assim, a um super-dimensionamento para a            s
freqüências mais altas. Além disso, a relação entre o sinal de controle e a tensão de saída
é, em geral, não-linear, levando a uma maior dificuldade no projeto da malha de controle.
        Outro fator significativo nestes conversores é o de que a corrente e a tensão RMS
pelas chaves semicondutoras é maior do que a necessária para a transferência de potência
para a saída. Isto ocorre por conta da energia envolvida no processo de ressonância
próprio do circuito, implicando no aumento dos reativos do circuito, sem relação com a
potência ativa da saída.
        Visando basicamente, contornar estes inconvenientes, quais sejam, os maiores
valores RMS e o controle por variação da freqüência, têm sido feitas inúmeras propostas
de alterações nestas topologias, das quais, a título de exemplo, indicaremos o caso do
conversor SLR.

4.4.1 Limitação da sobre-tensão
       A figura 4.21. mostra um circuito que limita a tensão sobre o capacitor do circuito
ressonante à tensão de alimentação [4.5]. A colocação dos diodos evita a presença de
valores de tensão mais elevados sobre os componentes. A não existência de um retorno
de energia para a fonte faz com que a energia retirada da alimentação vá toda para a carga



http://www.dsce.fee.unicamp.br/~antenor                                                 4-12
Fontes Chaveadas - Cap. 4                        CONVERSORES RESSONANTES                              J. A. Pomilio


(desconsiderando-se as perdas). Neste circuito, o controle da tensão de saída continua
sendo feito pela variação da freqüência de chaveamento [4.6].
        Em t1 o interruptor entra em condução, partindo de uma corrente inicial nula. A
tensão sobre o capacitor que estava limitada em -E/2, cresce, variando de modo
ressonante, até que em t2, atinge +E/2 e fica limitada. A corrente passa a variar
linearmente, decaindo até zero em t3. Em t4 S2 é ligado e inicia-se o ciclo negativo.
        O aumento da frequência pode fazer com que a corrente não caia a zero durante a
condução dos interruptores. Caso isto aconteça, quando os interruptores são desligados, a
continuidade da corrente se dá pela condução dos diodos D1 ou D2. A inclusão de
capacitores junto aos interruptores permite, assim, um desligamento suave.
        A figura 4.22. mostra as formas de onda obtidas.

                                                                                       Da1
                         S1      D1
                                                                                                E/2
                                                                         +
                                                                                       + vc -
                                                                         Vo
                                                Lr             Co                        Cr
                         S2      D2
                                                                    Ro                          E/2

                                                                                       Da2


        Figura 4.21. Circuito ressonante com carga em série, com limitação de tensão

                                                     inclinação depende de Vo

                                  i   L                                      vC
              E/2




            -E/2
                                 S1            S1 Da1
                    to      t1            t2            t3                        t4

     Figura 4.22. Formas de onda com limitação da tensão sobre o capacitor ressonante


4.4.2 Controle por MLP
        Torna-se possível realizar um controle por Modulação de Largura de Pulso por
meio da interrupção do processo ressonante que envolve o capacitor no momento em que
sua tensão passa pelo zero. Isto é feito pelo uso de chaves colocadas em paralelo com o
capacitor, as quais são fechadas no momento adequado, abrindo-se quando se deseja
concluir o processo ressonante. O circuito é mostrado na figura 4.23.
        A chave colocada junto ao capacitor deve ser bidirecional em tensão e corrente.
Seu acionamento ocorre quando a tensão atinge o zero, de modo que o circuito de
controle precisa monitorar esta tensão para saber o momento de ligar a chave auxiliar.

http://www.dsce.fee.unicamp.br/~antenor                                                                     4-13
Fontes Chaveadas - Cap. 4                     CONVERSORES RESSONANTES                           J. A. Pomilio


       Na verdade, o controle não é MLP puro, uma vez que a tensão de saída depende
também da duração do período de ressonância. Fazendo-se com que este período seja
muito menor do que o período no qual se faz o controle MLP, obtém-se uma relação
razoavelmente linear entre o sinal de controle e a tensão de saída. A figura 4.24. mostra as
formas de onda do circuito.

                                                                        Da1
                                                                                   Saux
                      S1     D1
                                                                   +                      E/2

                                                                   Vo
                                       Lr                Co                         Cr
                      S2    D2
                                                              Ro                          E/2

                                                                        Da2


                                  Figura 4.23. Conversor com controle MLP


                                                  Saux

                                                              S2

                                                                              S1


              E/2
                                                                              vC          iL
                  0

              -E/2

                                            t2'
                           to t1       t2                     t3 t4 t5
                             S1 S1                S1 e Da1
                                Saux

Figura 4.24. Sinais de comando dos interruptores (traços superiores); corrente no indutor
                           e tensão no capacitor ressonante.

        Em to o interruptor S1 é ligado. Inicia-se a ressonância entre Lr e Cr. O capacitor,
que estava carregado com uma tensão negativa -E/2, vai invertendo sua tensão. Quando
esta chega a zero, em t1, o interruptor auxiliar, Saux, entra em condução, mantendo a
tensão sobre Cr em zero. A corrente por Lr cresce linearmente até que em t2 a chave
auxiliar é aberta. A ressonância entre Lr e Cr é retomada, e a tensão cresce até o valor
E/2, no qual é limitada. Quando o diodo de limitação da tensão entra em condução
encerra-se a ressonância e a corrente pelo indutor começa a cair linearmente, atingindo
zero em t3. S1 é desligado sob corrente zero em t4. O semi-ciclo negativo se inicia com a
entra em condução de S2, em t5.




http://www.dsce.fee.unicamp.br/~antenor                                                               4-14
Fontes Chaveadas - Cap. 4            CONVERSORES RESSONANTES                          J. A. Pomilio


4.5 Fonte Ressonante de Tensão em Regime Pulsado

        Considere-se uma topologia de um conversor série ressonante, com carga
capacitiva conectada em paralelo com o capacitor de ressonância. [4.8]. Anteriormente
foram analisados circuitos similares, mas em condição de regime permanente. Quando s   e
trata de uma carga pulsada, o circuito se encontra sempre em regime transitório [4.9].

4.5.1 Topologia
        O estágio inicial é constituído por um inversor fonte de tensão (VSI) alimentando
um circuito ressonante série, com carga em paralelo com o capacitor, como mostrado na
figura 4.25. O comando dos interruptores da ponte inversora é feito de modo a produzir
em sua saída uma onda quadrada na freqüência de ressonância determinada pelo par L r,
Cr. Esta freqüência é limitada a valores compatíveis com a resposta dos diodos (por
exemplo, diodos de alta tensão são lentos). Na saída do retificador tem-se o capacitor no
qual será acumulada a energia necessária à alimentação da carga. Ao ser atingida a tensão
desejada o inversor deixa de operar, mantendo a tensão de saída fixa até o instante em que
se aciona a chave Ch, descarregando Co sobre a carga.

                      ..       ..
            E
                      ..
                      .        ..                Lr
                                                        . . . .                Ch
                                                                         +

                      ..       ..
                               .
                                     ir
                                                   Cr    vr
                                                            .       vo       Co



                      ..       ..                       .   . .
                                                                         -    Carga




                             Figura 4.25. Topologia do conversor.


4.5.2 Análise do circuito ressonante
         O circuito pode ser modelado como um RLC série no qual a capacitância e a
tensão da fonte CC são variáveis, dependendo da configuração do inversor e da ponte
retificadora.
         Dado o comportamento chaveado do conversor e considerando que os parâmetros
variam ciclicamente e ainda que as perdas são muito pequenas, pode-se considerar que o
regime estacionário nunca é atingido. Existe, no entanto, uma condição na qual os estágios
relativos à operação do circuito ocorrem de forma repetitiva. Tal comportamento,
denominado de fase quase-estacionária, passa a existir após os primeiros semi-ciclos de
funcionamento do circuito.
         A figura 4.26 mostra os quatro circuitos equivalentes aos estágios de operação da
topologia. Note-se que se alteram a polaridade da tensão de excitação do circuito (devido
ao inversor) e o valor da capacitância (devido ao retificador).
         A situação quase-estacionária caracteriza-se pelo fato de que, durante o intervalo
no qual apenas o capacitor Cr está conectado ao circuito, não ocorre inversão na
polaridade da tensão de excitação.




http://www.dsce.fee.unicamp.br/~antenor                                                     4-15
Fontes Chaveadas - Cap. 4                             CONVERSORES RESSONANTES                                       J. A. Pomilio


        Para cada estágio, o circuito evolui como um RLC com as condições iniciais dadas
pela tabela 4.I, até o momento em que se estabelece a condição de comutação. Durante
cada estágio, a carga nos capacitores e a corrente pelo indutor são dadas por:
           )
                                         [                         ]
Qk ( t ) = Qk ⋅ e− α ⋅( t − t k ) ⋅ sin ω ⋅ (t − t k ) + φ + Con ⋅ Vi                                                (4.14)

            )
                                     [
I k ( t ) = I k ⋅ e− α ⋅( t − t k ) ⋅ sin ω ⋅ (t − t k ) + β   ]                                                     (4.15)

onde:

ω2 = ω2 − α2
       o                                                                                                             (4.16)
         1
ω2 =
 o                                                                                                                   (4.17)
     L r ⋅ Con


                               Rr                Lr                                 Rr              Lr
                  E

                                         (a)
                                                      Cr
                                                           .           Co   E

                                                                                              (b)
                                                                                                          Cr




                               Rr                Lr
                                                           .                             Rr
                                                                                                          Lr
                 E

                                         (c)
                                                      Cr
                                                           .           Co
                                                                                E

                                                                                                    (d)
                                                                                                               Cr




                              Figura 4.26. Circuitos equivalentes do conversor.

        Rr
α=                                                                                                                   (4.18)
       2⋅ L r

∆Qk = Qk ( t k ) − Con ⋅ Vi                                                                                          (4.19)


) 2  ∆Q k ⋅ α + I k ( t k )  2
Qk =                         + ∆Q k
                                    2
                                                                                                                     (4.20)
             ω              

                                             2
) 2  ∆Qk ⋅ ω 2 + I k ( t k ) ⋅ α 
                                   + [I k ( t k )]
                                                   2
Ik =          o

                ω                                                                                                  (4.21)
)2          )2
I k = ω o ⋅ Qk
        2



               ∆Q k ⋅ ω
tg(φ) =                                                                                                              (4.22)
            ∆Qk ⋅ α + I k ( t k )




http://www.dsce.fee.unicamp.br/~antenor                                                                                   4-16
Fontes Chaveadas - Cap. 4                            CONVERSORES RESSONANTES                            J. A. Pomilio



                  −ω ⋅ I k ( t k )
tg(β) =                                                                                                  (4.23)
           ∆Q k ⋅ ω o + I k ( t k ) ⋅ α
                    2



        As curvas mostradas na figura 4.27 foram obtidas por simulação em PSpice e são
coincidentes com aquelas obtidas pela solução numérica do modelo analítico apresentado.
Mostram-se os intervalos de operação, separando-os nas fases não-repetitivas, que
ocorrem no início da operação do circuito e a fase repetitiva, a qual, após os ciclos de
chaveamento iniciais, repete-se ciclicamente.
        A tabela 4.I mostra a seqüência de estágios (de 6 a 11) que caracterizam um
regime quase-estacionário. Os dados ali colocados indicam os parâmetros que permitem a
solução numérica das equações que descrevem o circuito.
        As situações que levam a alterações topológicas são 3:
• inversão na tensão de entrada (Vi );
• igualdade entre as tensões dos capacitores Cr (oscilatória) e Co (contínua), o que leva a
   ponte retificadora a começar a conduzir;
• corrente nula, fazendo com que o retificador deixe de conduzir.
        Quando o retificador está em funcionamento, a capacitância equivalente (Con) é a
soma de Cr e Co. Sem o retificador, tem-se apenas Cr.
        No caso geral, dependendo dos parâmetros do circuito, podem não existir os
estados não repetitivos que antecedem a fase quase-estacionária.

                                       1        2    345 6    7     8    9 10 11 6 ESTADOS
                                      i Co
                                 vi


                            0
                                      vr


                            0s          0.2ms       0.4ms   0.6ms       0.8ms   1.0ms   1.2ms   1.4ms


                                             Figura 4.27. Resposta do circuito.

4.5.2.1 Análise do circuito alimentando o retificador
        A topologia proposta, a qual tem conectada ao capacitor ressonante um retificador
de onda completa e um capacitor, implica em alterações importantes em termos da tensão
sobre Cr, mais especificamente quanto à amplitude desta tensão.
        A capacitância de saída, Co, apresentar-se-à em paralelo com Cr sempre que a
tensão de saída for menor que a tensão vr. Isto significa que a energia presente na
indutância neste instante, ao invés de transferir-se totalmente para Cr, será dividida com
Co, de modo que o pico da tensão será menor do que aquele indicado por (17). A
característica linear da envoltória, no entanto, mantém-se válida, como se observa na
figura 4.29.



http://www.dsce.fee.unicamp.br/~antenor                                                                       4-17
Fontes Chaveadas - Cap. 4                      CONVERSORES RESSONANTES                             J. A. Pomilio


        Consideremos as formas de onda mostradas na figura 4.30. Antes do instante t0 a
carga vista pelo inversor de tensão é formada por L r e Cr. Em t0, quando as tensões vr e
vo se igualam, o retificador entra em condução conectando Co em paralelo com Cr. Esta
situação se mantém até o instante t1, quando, ao anular-se a corrente, o retificador deixa
de conduzir. O circuito volta a operar na ressonância, invertendo a tensão , até que em t2
atinge-se novamente a igualdade entre as tensões vr e vo, repetindo-se o comportamento
descrito. Observe-se que quando vr é zero a corrente está em seu valor máximo, e vice-
versa.
        A inclusão de Co ao circuito produz uma redução no pico da tensão, em relação
ao valor que haveria apenas com Cr.

TABELA 4..I. PARÂMETROS E ESTÁGIOS DE FUNCIONAMENTO DO CIRCUITO
                           EQUIVALENTE

Estado      Carga Inicial         Corrente            Con     Vi       Topologia     Condição de Comutação
 (k)           Qk(tk)           inicial Ik(tk)                         equivalente
                                                 Fase não-repetitiva
   1          Q1(t1)=0            I 1(t1)=0          Cr+Co    +E           a          Inversão da tensão de
                                                                                         entrada em (t2)
   2        Q2(t2)=Q1(t2)       I 2(t2)=I1(t2)       Cr+Co    -E           c         Comutação do retificador
                                                                                             I 2(t3)=0
   3         Q2 ( t 3 ) ⋅ Ce      I 3(t3)=0           Cr      -E           d          Inversão da tensão de
                                                                                         entrada em (t4)
   4        Q4(t4)=Q3(t4)       I 4(t4)=I3(t4)        Cr      +E           b         Comutação do retificador
                                                                                          Q4(t5)=-Q3(t3)
   5       Q5(t5)=-Q3(t3)       I 5(t5)=I4(t5)       Cr+Co    +E           a         Comutação do retificador
                                                                                             I 5(t6)=0
                                               Fase quase-estacionária
   6        Qk −1( t k ) ⋅ Ce         0               Cr      +E           b         Comutação do retificador
                                                                                         Qk(tk+1)=-Qk-1(tk)
   7           Qk-1(tk)            I k-1(tk)         Cr+Co    +E           a          Inversão da tensão de
                                                                                         entrada em (tk+1)
   8           Qk-1(tk)            I k-1(tk)         Cr+Co    -E           c               Comutação do
                                                                                       retificador Ik(tk+1)=0
   9        Qk −1( t k ) ⋅ Ce         0               Cr      -E           d         Comutação do retificador
                                                                                         Qk(tk+1)=-Qk-1(tk)
  10           Qk-1(tk)            I k-1(tk)         Cr+Co    -E           c          Inversão da tensão de
                                                                                         entrada em (tk+1)
  11           Qk-1(tk)            I k-1(tk)         Cr+Co    +E           a              Comutação do
                                                                                       retificador Ik(tk+1)=0

                   Cr
Onde Ce =
                 Cr + Co




http://www.dsce.fee.unicamp.br/~antenor                                                                  4-18
Fontes Chaveadas - Cap. 4                    CONVERSORES RESSONANTES                J. A. Pomilio




                                                    Vo


                            0V



                                                   Vr




                              0s             5ms         10ms    15ms        20ms



         Figura 4.29. Tensão de saída (vo) e tensão sobre o capacitor ressonante (vr).

                                                                         vo



                              0
                                                                         ir

                                                                        vr
                                   t0   t1         t2
                   Figura 4.30. Detalhe das formas de onda presentes no circuito.

4.5.3 Comutação suave do inversor
        A inclusão de Co no circuito produz também um efeito de tornar mais lenta a
evolução da tensão vr, ou seja, torna menor a freqüência desta tensão em relação ao que
ocorreria apenas com Cr. Uma vez que a freqüência do inversor é ajustada para ωo, do
ponto de vista do inversor, tem-se uma operação acima da freqüência típica da carga. Tal
comportamento faz com que a corrente esteja atrasada em relação à tensão imposta na
saída do inversor, de modo que a entrada em condução dos transistores ocorra sob tensão
e corrente nulas. Os capacitores em paralelo com os interruptores produzem um
desligamento sob tensão nula.

4.5.4 Resultados Experimentais
          Um protótipo foi construído com os seguinte parâmetros:
 E=100 V; Po=250 W; ωo=20,1 krd/s (3,2 kHz); f=40 Hz; Vo=1000 V; T=25 ms; η=90%.
          Os componentes calculados são:
Co=12,5 µF, Cr=450 nF, Lr=5,5 mH.
          A figura 4.31 mostra a tensão de saída e sua variação quase linear. As perdas do
circuito são as responsáveis pela leve característica exponencial da evolução desta tensão.
Quando é atingida a tensão desejada o inversor é inibido, até que o capacitor seja
descarregado, iniciando-se a seguir um novo ciclo.
          A figura 4.32 mostra um detalhe da corrente e da tensão no circuito ressonante.
Nos ciclos iniciais, como previsto no modelo analítico e na simulação em PSpice, a        s
formas de onda são significativamente diferentes de senóides, uma vez que a tensão
aplicada ao circuito ressonante é uma onda quadrada provida pelo inversor, e não uma
senóide como estudado na análise simplificada. Entretanto, após poucos ciclos as ondas
assumem uma forma praticamente senoidal e uma defasagem de 90o, conforme o
esperado.



http://www.dsce.fee.unicamp.br/~antenor                                                   4-19
Fontes Chaveadas - Cap. 4            CONVERSORES RESSONANTES                       J. A. Pomilio


         A figura 4.33 mostra detalhe da comutação ZVS que ocorre sobre os transistores
do inversor.
       Embora o conversor opere em ZVS, a eficiência global medida foi de 83%. As
perdas devem-se, basicamente, ao indutor (núcleo de ar e elevado número de espiras) e
aos componentes do lado de alta tensão, quais sejam, os diodos retificadores e o SCR que
descarrega os capacitores sobre a carga.




   0V




  Figura 4.31. Tensão de saída (200V/div).       Figura 4.32. Detalhe da corrente ressonante
             Horiz.: 10 ms/div.                  (traço superior - 1A/div) e tensão sobre Cr
                                                     (traço inferior - 100V/div). Horiz.:
                                                                  0,5ms/div.




                              1




                              2




Figura 4.33. Tensão (50 V/div.) e corrente (5A/div.) em interruptor do inversor, mostrando
                        as comutações suaves. Horiz.: 20 µs/div.


4.6 Referências Bibliográficas

[4.1]     H. L. Hey; P. D. Garcia and I. Barbi: “Analysis of Parallel Resonant Converter
          (PRC) Operating at Switching Frequency Less than Resonant Frequency”. Proc.
          Of 1st. Power Electronics Seminar, Florianópolis - SC, Dez. 1989.
[4.2]     Y. Kang and A. K. Upadhyay: “Analysis and Design of a Half-Bridge Parallel
          Resonant Converter”. Proc. Of IEEE PESC Record, 1987, pp. 231-243.
[4.3]     R. Steigerwald: “Analysis of a Resonant Transistor DC-DC Converter with
          Capacitive Output Filter”. IEEE Trans. On Industrial Electronics, vol. IE-32, no.
          4, Nov. 1985, pp. 439-444.
[4.4]     S. D. Johnson, A. F. Witulski and R. W. Erickson: “Comparison of Resonant
          Topologies in High-Voltage Applications”. IEEE Trans. On Aerospace and
          Electronic Systems, vol. 24, no. 3, May 1988, pp. 263-273.


http://www.dsce.fee.unicamp.br/~antenor                                                  4-20
Fontes Chaveadas - Cap. 4            CONVERSORES RESSONANTES                    J. A. Pomilio


[4.5]     F. Tsai and F. C. Lee: “A Complete DC Characterization of a Constant-Frequency,
          Clamped-Mode, SDeries-Resonant Converter”. Proc. Of IEEE PESC Record,
          April 1988, pp. 987-996.
[4.6]     Vieira, J.L.F.; Melo, F.E.V.; Barbi, I.: ”Conversor Série Ressonante com
          Grampeamento de Tensão no Capacitor”.Revista Controle e Automação, SBA,
          vol. 3, nº 3, Ago/Set 1992
[4.7]     Vieira, J.L.F.; Barbi, I.:“Constant Frequency PWM Capacitor Voltage Damped
          Series Resonant Power Supply”.IEEE - APEC '92, Dallas, USA, 1991
[4.8]     J. A. Pomilio e C. J. B. Pagan: "Fonte Ressonante de Alta Tensão para Laser
          Pulsado". Anais do 11o Congresso Brasileiro de Automática. São Paulo, 2 a 6 de
          Setembro de 1996.
[4.9]     F. S. Rafael, J. A. Pomilio, A. C. Lira and J. Apfelbaum: “A High-Voltage
          Resonant Converter for Pulsed Magnets”. Proc. of European Particle Accelerator
          Conference, Berlin, March 1992, pp. 1429-1431.




http://www.dsce.fee.unicamp.br/~antenor                                               4-21
Fontes Chaveadas - Cap. 5          CONVERSORES QUASE-RESSONANTES                    J. A. Pomilio




5. CONVERSORES QUASE-RESSONANTES

        Os conversores quase-ressonantes procuram associar as técnicas de comutação
suave presentes nos conversores ressonantes às topologias usualmente empregadas e         m
fontes (buck, boost, Cuk, etc.).
        Os conversores quase-ressonantes associam às chaves semicondutoras um circuito
ressonante (composto por um indutor e um capacitor) de modo que as mudanças de
estado das chaves ocorram sempre sem dissipação de potência, seja pela anulação da
corrente (ZCS: zero current switch), seja pela anulação da tensão (ZVS: zero voltage
switch).
        A figura 5.1. mostra as estruturas das chaves ressonantes, as quais, substituindo os
interruptores nas topologias básicas, permitem operá-los sempre com comutação suave.

                             S         Lr              S           Lr    Cr
                                   Cr
                                               a)

                             S           Lr            S           Lr
                                                             Cr
                                  Cr
                                               b)

                   Figura 5.1. a) Interruptores ressonantes a corrente zero (ZCS)
                          b) Interruptores ressonantes a tensão zero (ZVS)

       Se o interruptor ZCS é implementado de modo a que seja possível a passagem de
corrente apenas num sentido, ele é dito de meia-onda. Se a corrente puder circular com
ambas polaridades, tem-se o interruptor de onda completa, como se vê na figura 5.2.

                                         Lr                         Lr   Cr
                                   Cr
                                               a)

                                         Lr                         Lr   Cr
                                    Cr
                                               b)

                               Figura 5.2. Interruptores ZCS com:
                a) Configuração de meia-onda e b) configuração de onda completa

        Da mesma forma que para os interruptores ZCS, os ZVS tem as configurações de
meia-onda (nas quais a tensão sobre o interruptor só pode assumir uma polaridade) e de
onda completa (quando ambas polaridades são possíveis de serem suportadas pelo
interruptor), como se vê na figura 5.3.




http://www.dsce.fee.unicamp.br/~antenor                                                      5-1
Fontes Chaveadas - Cap. 5              CONVERSORES QUASE-RESSONANTES                               J. A. Pomilio




                                                Lr                      Lr
                                                                   Cr
                                      Cr
                                                          a)

                                                Lr                     Lr
                                                                  Cr
                                       Cr
                                                         b)

                                     Figura 5.3. Interruptores ZVS com:
                            a) Configuração em meia-onda e b) em onda completa

       A figura 5.4. mostra algumas das topologias básicas quando convertidas para
operar com ZCS e ZVS. Note-se que a única alteração é a substituição do interruptor
simples pelos interruptores descritos anteriormente.

                                          Lr                                       Lr
                                               Cr                            Cr

          Buck                                      Buck - ZCS                          Buck - ZVS



                                               Cr       Lr                               Lr


          Boost                                                                               Cr
                                                Boost - ZCS                       Boost - ZVS

         Figura 5.4. Conversores Buck e Boost nas configurações básica, ZCS e ZVS


5.1 Conversores operando com ZCS

          Neste tipo de conversor, a corrente produzida em uma malha ressonante flui
através da chave, fazendo-a entrar e sair de condução sob corrente nula.
          Considerando um conversor abaixador de tensão (figura 5.5), a chave simples é
substituída por uma outra que é associada ao capacitor Cr e ao indutor Lr. O indutor de
filtro é suficientemente grande para considerar-se Io constante.

                                                                             Io
                                                                                          +
                                     Lr                           Lf
                                iL
             E                                       vC Cr                   Cf           Vo


                                     Figura 5.5. Conversor buck - ZCS




http://www.dsce.fee.unicamp.br/~antenor                                                                     5-2
Fontes Chaveadas - Cap. 5                   CONVERSORES QUASE-RESSONANTES           J. A. Pomilio



5.1.1 Conversor de meia-onda
        A figura 5.6. mostra as formas de onda para o conversor operando com um
interruptor de meia-onda.


                            iT
         2E
                                      vC
                                                         E/Zo

           E
                                                    Io




           to t1      t1'    t1" t2                t3             T

                  Figura 5.6. Formas de onda para conversor buck, ZCS, meia onda

        Com a chave aberta, Io flui pelo diodo e vC e iL são nulas. Em t0 a chave é ligada e
iT cresce linearmente. Enquanto iT<Io o diodo continua a conduzir. Em t1, iT=Io, o diodo
desliga e se inicia a ressonância entre Lr e Cr.
        O excesso de iT em relação a Io circula por Cr, carregando-o. Em t1' tem-se o pico
de iT e vC=E. Em t1'' iT se torna menor que Io e vC=2E. A corrente iT continua a cair e a
diferença para Io é suprida pela descarga de Cr. Em t2 iT vai a zero e a chave desliga
naturalmente, já que não há caminho para a inversão da corrente. A partir deste momento
deve ser removido o sinal de acionamento do transístor.
        Entre t2 e t3 Cr se descarrega a corrente constante. Quando sua tensão se anula o
diodo torna a entrar em condução.
        As equações pertinentes ao circuito são:

           1
ωo =                                                                        (5.1)
          Lr ⋅ Cr

          Lr
Zo =                                                                        (5.2)
          Cr

          O intervalo no qual o indutor se carrega linearmente é:

       Lr ⋅ Io
t1 =                                                                        (5.3)
         E

          A evolução da corrente durante o intervalo ressonante é:

               E
i L = Io +        ⋅ sin[ ωo ⋅ ( t − t1)],      para t1 < t < t2             (5.4)
               Zo

          A corrente pelo interruptor se anula em:



http://www.dsce.fee.unicamp.br/~antenor                                                      5-3
Fontes Chaveadas - Cap. 5                     CONVERSORES QUASE-RESSONANTES                                      J. A. Pomilio



          − Zo ⋅ Io 
     asin
          E        
t2 =                   + t1                                                                              (5.5)
           ωo

          A tensão presente no capacitor ressonante neste instante é:

v C ( t 2) = E{1 − cos[ωo ⋅ ( t 2 − t1)] }                                                               (5.6)

          A descarga linear do capacitor obedece à seguinte equação:

                     Io
v C = v C ( t 2) −      ⋅ ( t − t 2) ,         para t2 < t < t3                                          (5.7)
                     Cr

          A tensão se anula em:

             v C ( t 2) ⋅ Cr
t3 = t2 +                                                                                                (5.8)
                    Io

        Note que Vo é a tensão média sobre o capacitor Cr (pois a tensão média sobre Lf é
nula). Como a forma de vC depende a corrente Io, a regulação deste circuito (em malha
aberta) não é boa. Registre-se ainda que o capacitor fica sujeito a uma tensão com o dobro
da tensão de entrada, enquanto a corrente de pico pela chave é maior do que o dobro da
corrente de saída.
        A tensão de saída é dada por:

    1
     t 2                                                                      
                                               t3                                    
                                                 
Vo =  ∫ E ⋅ {1 − cos[ωo ⋅ ( t − t1)] } ⋅ dt + ∫  v C ( t 2) −
                                                                Io
                                                                   ( t − t 2)  ⋅ dt                    (5.9)
    T
                                                              Cr                 
             t1                                            t2

       Nota-se a dependência da tensão de saída com a corrente de carga (que é a que
descarrega o capacitor Cr entre t2 e t3). A figura 5.7. mostra a variação de Vo
(normalizada em relação à tensão de entrada) com a corrente (normalizada em relação à
corrente de pico do circuito ressonante). Assim, é necessária a presença de uma carga
mínima de modo que se proceda à descarga de Cr dentro do período de chaveamento.

                            Tensão de saída normalizada (Vo/E)
                                   0.8



                                   0.6



                                   0.4



                                   0.2
                                                                                              2fs
                                                                                                    fs
                                    0
                                         0          0.2         0.4    0.6              0.8          1
                                                                                    Z
                                             Corrente de carga normalizada   Io .
                                                                                    E
                  Figura 5.7. Variação da tensão de saída com a corrente da carga



http://www.dsce.fee.unicamp.br/~antenor                                                                                   5-4
Fontes Chaveadas - Cap. 5                   CONVERSORES QUASE-RESSONANTES                              J. A. Pomilio



        O funcionamento da topologia se dá com um tempo fixo de condução de transístor
(entre t0 e t2). A variação da tensão de saída é feita variando-se a taxa de repetição da
condução do transístor, ou seja, por modulação em freqüência.
        A figura 5.8. mostra a variação da tensão de saída (normalizada) com a variação da
freqüência de chaveamento (normalizada em relação à freqüência de ressonância), para
diferentes valores de corrente de carga (normalizada em relação a E/Zo).

                            Tensão de saída normalizada (Vo/E)
                                   1


                                                                                       0.5
                                  0.8


                                                                                             0.7
                                  0.6


                                                                                             0.9
                                  0.4



                                  0.2



                                   0
                                        0        0.2        0.4        0.6         0.8             1
                                                                  fs
                                                                   f

Figura 5.8. Variação da tensão de saída com a freqüência de chaveamento, para diferentes
                                   correntes de carga.

        Para que seja possível a ocorrência de comutação não-dissipativa, é necessário que
o valor de pico da senóide de corrente, E/Zo, (que se inicia em t1) seja maior que Io, uma
vez que isto garante que a evolução de iT se fará de modo a inverter sua polaridade (veja
eq. 5.4).
        Uma outra possibilidade de se obter um circuito ZCS é mostrada na figura 5.9.,
alterando-se a posição do capacitor. Neste caso a máxima tensão sobre o capacitor fica
limitada a +/-E. A figura 5.10. mostra as formas de onda pertinentes.


                                                        Cr
                                                       Lr                    Lf
                            E                                                     Cf


                                        Figura 5.9. Conversor buck-ZCS


5.1.2 Conversor de onda completa
       Uma alteração neste circuito e que melhora sua regulação, tornando a tensão de
saída menos dependente da corrente Io, consiste na inclusão de um diodo em anti-paralelo
com o transístor, de modo que seja possível a inversão da corrente iT, prosseguindo o
comportamento ressonante por quase todo o ciclo. A descarga linear de Cr só ocorrerá


http://www.dsce.fee.unicamp.br/~antenor                                                                         5-5
Fontes Chaveadas - Cap. 5             CONVERSORES QUASE-RESSONANTES                  J. A. Pomilio



quando se anular iT, o que ocorrerá para um valor muito menor de vC, em relação ao caso
anterior.


                                                  vC                  iL
                 +E


                                                                                Io

                                                            T



                 -E
                            to t1   t1" t2   t3

                Figura 5.10. Formas de onda do conversor buck-ZCS modificado.

        As equações são as mesmas descritas anteriormente, apenas o instante t2 é obtido
para um ângulo maior que 270o (no caso de meia-onda o ângulo é menor do que 270o).
        A figura 5.11. mostra as formas de onda. Nota-se a redução expressiva do
intervalo linear de decaimento da tensão no capacitor, o que contribui decisivamente para
a redução da influência da corrente de saída sobre a tensão.

                                                                iL
    2E                                                                     vC

      E
                                             Io




        to t1      t1'      t1"     t2 t3


     Figura 5.11. Formas de onda da corrente e da tensão nos componentes do circuito
                                       ressonante

       A figura 5.12. mostra a variação da tensão de saída (normalizada em relação à
tensão de alimentação) com a corrente de carga (normalizada em relação à corrente de
pico do circuito ressonante), para dois valores de frequência de chaveamento. Obviamente
o comportamento é muito mais independente da corrente do que o caso do conversor de
meia-onda.




http://www.dsce.fee.unicamp.br/~antenor                                                       5-6
Fontes Chaveadas - Cap. 5               CONVERSORES QUASE-RESSONANTES                                 J. A. Pomilio



             Tensão de saída normalizada (Vo/E)
                            0.4
                                                                                           2fs
                            0.3



                            0.2                                                                  fs

                            0.1
                                  0          0.2             0.4        0.6   Io Z   0.8          1
                                       Corrente de saída normalizada
                                                             .
                                                                               E
                 Figura 5.12 Variação da tensão de saída com a corrente de carga.


5.2 Conversor operando com ZVS

        Nestes conversores o capacitor ressonante produz uma tensão nula sobre a chave,
devendo ocorrer o chaveamento sob esta situação.
        O circuito mostrado é de uma topologia abaixadora de tensão. O funcionamento é
de meia-onda, uma vez que o diodo não permite a inversão da tensão no capacitor. A
corrente de saída pode ser considerada constante (Lf grande o suficiente) durante o
intervalo em que ocorre a ressonância entre Lr e Cr.
                                                        Io
                                                   Lr   iL         Lf
                                             Dr                                       +
                       E                                                 Cf           Vo
                                             Cr
                                      + vC


                                      Figura 5.13. Conversor buck-ZVS

         A figura 5.14. mostra as formas de onda do circuito ressonante.
         Inicialmente, pela chave circula Io, mantendo vC=0. Em to a chave é aberta sob
tensão nula.
         A tensão vC cresce linearmente (com o capacitor sendo carregado por Io) até
atingir a tensão de alimentação E (t=t1). Neste instante o diodo de circulação, D, fica
diretamente polarizado e passa a conduzir. Cr e Lr então iniciam sua ressonância.
         A corrente iL diminui, enquanto a corrente que circula por D vai crescendo
complementarmente, a fim de perfazer Io. Em t1', iL =0 e vC atinge seu pico, vC=E+Zo.Io.
         Em t1'' vC=E e iL =-Io. Em t2, vC=0 e não se inverte por causa do diodo Dr, que
entra em condução, permanecendo assim enquanto a corrente iL for negativa (até t2').
Entre t2 e t2', iL varia linearmente.
         O sinal de comando para a entrada em condução do transístor deve ser aplicado
durante a condução do diodo, de modo que, apenas a corrente pelo indutor ressonante s    e
inverta, em t2, o transistor entre em condução. A corrente continua crescendo de forma
linear, até atingir Io, em t3, desligando o diodo de livre-circulação.




http://www.dsce.fee.unicamp.br/~antenor                                                                        5-7
Fontes Chaveadas - Cap. 5                    CONVERSORES QUASE-RESSONANTES                J. A. Pomilio




                                     vC                              iL
       Io
                                             Zo.Io

          E




                     to t1     t1'      t1" t2       t2'        t3           T

                             Figura 5.14. Formas de onda do conversor buck-ZVS

          O instante t1 é dado por:

       E ⋅ Cr
t1 =                                                                             (5.10)
        Io

       A ressonância ocorre entre os instantes t1 e t5. A tensão no capacitor obedece à
seguinte equação:

v C = E + Zo ⋅ Io ⋅ sin[ ωo ⋅ ( t − t1)]                                         (5.11)

          O instante t2, no qual a tensão sobre o capacitor Cr se anula é:

               1         −E 
t 2 = t1 +       ⋅ a sin                                                       (5.12)
              ωo         Zo ⋅ Io 

          No intervalo ressonante a corrente por Lr segue a seguinte equação:

i L = Io ⋅ cos[ωo ⋅ ( t − t1)] ,             para t1 ≤ t ≤ t2                    (5.13)

          Após t2 e até t3 a corrente varia linearmente:

                     E
i L = i L ( t 2) +      ⋅ ( t − t 2) ,       para t2 ≤ t ≤ t3                    (5.14)
                     Lr

          O instante t3 é dado por:

              Lr ⋅ [ Io − i L ( t 2)]
t3 = t2 +                                                                        (5.15)
                        E

        Como as tensões médias sobre as indutâncias são nulas, a tensão de saída é a
diferença entre a tensão de entrada e a tensão média sobre o capacitor ressonante.

Vo = E − v C                                                                     (5.16)




http://www.dsce.fee.unicamp.br/~antenor                                                            5-8
Fontes Chaveadas - Cap. 5             CONVERSORES QUASE-RESSONANTES                                 J. A. Pomilio



        1  Io ⋅ t                                                  
            t1            t2

Vo = E − ⋅ ∫      ⋅ dt + ∫ [ E + Zo ⋅ Io ⋅ sin[ ωo ( t − t1)] ⋅ dt                       (5.17)
        T  0 Cr          t1                                        

        A grandeza Zo.Io deve ser maior que E, caso contrário vC não irá se anular, e Dr
não conduzirá, fazendo com que a entrada em condução do transístor se dê sob tensão não
nula.
        Neste circuito, o tempo desligado da chave é constante, podendo-se variar a tensão
de saída pelo ajuste da freqüência.
        Novamente aqui o capacitor e a chave semicondutora devem suportar uma tensão
de pico com valor maior do que o dobro da tensão de entrada e que aumenta com o
aumento da corrente de saída.
        A figura 5.15. mostra a variação da tensão de saída (normalizada em relação à
tensão de alimentação) com a freqüência de chaveamento (normalizada em relação à
freqüência de ressonância), para diferentes correntes de carga (normalizadas em relação a
E/Zo).
        Nota-se que quanto maior a corrente, menor a tensão de saída. Isto se explica
facilmente, uma vez que para correntes maiores o pico da tensão sobre Cr aumenta e,
portanto, a tensão média sobre este capacitor, reduzindo assim a tensão de saída.
        Existe um limite tanto para a máxima corrente, quanto para a máxima freqüência,
acima do qual a tensão média sobre o capacitor se iguala à tensão de entrada. O aumento
da freqüência de chaveamento ou da corrente levaria, em princípio, a tensões negativas de
saída, o que não é possível devido à existência do diodo de livre-circulação.
                             1


                            0.8


                            0.6

                     Vo/E
                            0.4
                                                                                  Io=1
                            0.2                                                   Io=2.5


                             0                                                    Io=5


                            0.2
                                  0   0.05      0.1           0.15   0.2   0.25
                                                      fs/fo

      Figura 5.15. Variação da tensão de saída com a freqüência de chaveamento, para
                                diferentes correntes de carga.


5.2.1 Conversor ZVS com limitação da sobre-tensão
       É possível um circuito operar em ZVS sem sobre-tensão, às custas de uma maior
complexidade. Neste caso, a tensão sobre a chave não ultrapassa a tensão de alimentação.
Quando a tensão sobre algum dos capacitores tende a ultrapassar E, o diodo do ramo
complementar entra em condução, grampeando a tensão.
       A figura 5.16. mostra o circuito, enquanto na figura 5.17. tem-se as formas de onda
nos componentes do circuito ressonante.


http://www.dsce.fee.unicamp.br/~antenor                                                                      5-9
Fontes Chaveadas - Cap. 5                     CONVERSORES QUASE-RESSONANTES                           J. A. Pomilio




                                                                     i   L              Io
                                              S1       D1    C1
                            E
                                                                         Lf                      +
                                                                                                 Vo
                                                                              Cf
                                              S2       D2    C2



                 Figura 5.16. Conversor buck-ZVS com limitação da sobre-tensão

                                v C2
   E
                                                      iL

                                                                                                      Io=i L


                                       S1               D2                         S1
                                                              S2 C1 D1
                                                    C1 C2        C2
                                            to t1            t2 t3   t4 t5                   T

    Figura 5.17. Formas de onda do conversor buck-ZVS com limitação da sobre-tensão

        O circuito opera como um abaixador de tensão. Quando S1 ou D1 estão
conduzindo, a corrente pela indutância cresce, uma vez que E>Vo.
        A tensão de saída é igual à tensão média sobre o capacitor C2. Consideremos, para
efeito de análise do funcionamento do circuito, que vC2 seja igual à tensão de entrada, E, e
que S1 esteja conduzindo. A tensão sobre o capacitor C1 é, obviamente, zero. No instante
to S1 é desligado e a sua tensão terminal cresce de acordo com o processo de carga de C1.
A continuidade da corrente de indutância se dá através dos capacitores: C2 vai s           e
descarregando e C1 vai se carregando, de modo que a soma de suas tensões seja sempre
igual à tensão de alimentação. Como a corrente da indutância varia pouco, a forma
observada da tensão sobre os capacitores é praticamente linear.
        Quando vC2 se anula (em t1) o diodo D2 entra em condução. Sobre a indutância é
aplicada a tensão de saída e a corrente decai linearmente. Durante a condução de D2 é
enviado sinal de acionamento para S2, o qual entra em condução apenas a corrente iL s      e
torne negativa (em t2).
        No instante t3, S2 é desligado e sua tensão terminal cresce a partir do zero, com
uma inclinação que depende do valor da corrente (negativo e aproximadamente constante)
pela indutância. A tensão vC2 cresce, enquanto vC1 diminui. Quando a tensão sobre C2
atinge o valor da tensão de entrada (em t4), D1 entra em condução, e a corrente de saída
cresce linearmente, com uma inclinação que depende da diferença entre as tesões de
entrada e de saída. Durante a condução de D1 é enviado sinal de acionamento para S1, o
qual entra em condução quando a corrente se torna positiva (em t5), completando o ciclo.
        Este tipo de arranjo pode ser utilizado nos conversores ressonantes apresentados
no capítulo anterior, quando operando em freqüência acima da freqüência de ressonância,
possibilitando obter ambas comutações não-dissipativas.

http://www.dsce.fee.unicamp.br/~antenor                                                                      5-10
Fontes Chaveadas - Cap. 5         CONVERSORES QUASE-RESSONANTES                  J. A. Pomilio



5.3 Comparação entre ZCS e ZVS

          Ambas técnicas operam com modulação em freqüência para ajustar a tensão de
saída.
        Em ZCS, o interruptor deve conduzir uma corrente de pico maior do que o dobro
da corrente da carga. Para que seja possível o desligamento da chave com corrente nula, a
corrente de saída não pode exceder o valor E/Zo, ou seja, existe uma mínima resistência de
carga admissível. Por outro lado, como o capacitor ressonante se descarrega com a
corrente da carga, é necessária uma mínima corrente, ou seja, uma resistência máxima deve
ser especificada. A operação em onda completa praticamente elimina a dependência da
tensão de saída com a carga.
        Em ZVS, o interruptor deve suportar uma tensão direta que é maior do que o
dobro da tensão de alimentação do circuito. O pico de tensão é dado por E+Zo.Io, ou seja,
quanto maior a corrente de saída, maior a tensão aplicada ao interruptor. Para que ocorra
uma entrada em condução suave, existe uma corrente de saída mínima (ou seja, uma
máxima resistência de carga).Caso Io cresça, a tensão sobre o interruptor também crescerá
proporcionalmente. Por esta razão, esta técnica é adotada essencialmente para aplicações
de carga constante.
        Em geral, ZVS é preferível ao ZCS para altas freqüências. A razão relaciona-se
com as capacitâncias intrínsicas do interruptor. Quando a chave é ligada sob corrente nula,
mas com uma tensão em seus terminais, a carga armazenada nas capacitâncias internas é
dissipada sobre o componente. Este fenômeno se torna mais significativo em freqüências
muito elevadas. Por outro lado, nenhuma perda ocorre em ZVS.
        Tipicamente, conversores ZCS são operados até freqüências de 1 a 2 Mhz,
enquanto os ZVS podem atingir 10 MHz.


5.4 Introdução de controle por MLP

       De forma similar ao apontado para os conversores ressonantes, os conversores
quase-ressonantes podem operar de modo semelhante ao MLP pela interrupção do ciclo
ressonante. Para tanto é necessária a inclusão de um interruptor adicional, o qual é
comandado de maneira independente do interruptor principal.

5.4.1 Conversor ZCS-MLP
         Considerando o caso ZCS, a introdução de uma chave em série com o capacitor
possibilita interromper o processo de descarga, mantendo a tensão do capacitor no valor
de pico. A figura 5.18. mostra um conversor buck-ZCS, com um interruptor auxiliar que
interrompe o ciclo ressonante.
         O início da ressonância não é afetado, uma vez que a corrente circula pelo diodo
desta chave auxiliar (Da). Quando a tensão atinge o pico e a corrente tende a se inverter,
não existe caminho, uma vez que o transistor (Sa) não se encontra acionado.
         A figura 5.19. mostra as formas de onda da corrente por Lr, da tensão sobre Cr e
da tensão sobre o diodo de saída.
         Recorde-se que a tensão de saída é igual à tensão média sobre o diodo, vd. Quando
é interrompido o processo ressonante, a corrente da carga (praticamente contínua)
continua a ser suprida pelo interruptor principal, Sp, de modo que a tensão aplicada ao
diodo de saída é praticamente a tensão de alimentação. Assim, interrompendo o intervalo
ressonante por um tempo cuja duração é variável, com o controle operando a freqüência
fixa, tem-se o ajuste da tensão de saída por MLP.


http://www.dsce.fee.unicamp.br/~antenor                                                 5-11
Fontes Chaveadas - Cap. 5                           CONVERSORES QUASE-RESSONANTES                                                  J. A. Pomilio



                     Dp                                   iL                                            Io
                                                                                                                      +
                                   Sp          Lr                                            Lf
                                                               Da           Sa
                    E                                                             Df                    Cf            Vo
                                                                                             vd
                                                               vc     Cr


                                        Figura 5.18. Conversor buck-ZCS-MLP

             2E
                                                          δ*                vd
             E



            2E                                                              vC
                        iL



                                                                      T

             Figura 5.19. Formas de onda no diodo de saída e no circuito ressonante

       Persiste ainda a influência do intervalo de ressonância sobre a tensão de saída, que
se caracteriza por um acréscimo nesta tensão em relação ao que seria a saída MLP normal,
considerada um ciclo de trabalho de valor δ* . No entanto, utilizando valores elevados da
freqüência de ressonância (em relação à freqüência de chaveamento), o efeito global é
praticamente o de um circuito controlado em MLP, como se vê na figura 5.20. Note-se
que a tensão média dentro dos intervalos ressonantes é igual à tensão de entrada, E, de
modo que, do ponto de vista da tensão de saída, é como se o ciclo de trabalho fosse
aumentado de uma porção equivalente a 1 ciclo ressonante.A equação 5.18. dá a
expressão para o valor da tensão de saída em função de intervalo de bloqueio da
ressonância (δ*) e da relação entre a freqüência de chaveamento, fs, e a freqüência de
ressonância, fo.

              fs 
Vo = E ⋅ δ * +                                                                                                          (5.18)
              fo 
                              1




                   Vo/E      0.5




                                   0     0.1        0.2         0.3   0.4        0.5   0.6        0.7    0.8    0.9        1


                                                     fs/fo = 0.1                 δ*                      fs/fo = 0.001
       Figura 5.20. Variação da tensão de saída com o intervalo de interrupção do ciclo
                    ressonante, para diferentes freqüências de chaveamento


http://www.dsce.fee.unicamp.br/~antenor                                                                                                   5-12
Fontes Chaveadas - Cap. 5                        CONVERSORES QUASE-RESSONANTES                                  J. A. Pomilio



5.4.2 Conversor ZVS-MLP
        De forma análoga ao que foi apresentado para o conversor ZCS, é possível
também alterar o conversor ZVS de modo a ter um comportamento tipicamente MLP, ou
seja, que tenha a tensão de saída ajustável não pela variação da freqüência, mas pelo
controle do intervalo de condução dos interruptores.
        A figura 5.21. mostra uma topologia de conversor abaixador de tensão para
operação em MLP. A condução da chave auxiliar produz um intervalo em que se inibe a
realização da ressonância entre Lr e Cr, como se pode analisar pelas formas de onda da
figura 5.25.
        Consideremos que a chave Sp esteja conduzindo e que por ela passe a corrente de
carga, Io, suposta constante. A tensão aplicada ao filtro de saída é a própria tensão de
entrada (uma vez que não há queda sobre Lr).
                                      vcr
                                                      Sa
                                Cr                                               Io
                                      Sp                   Lr                     Lf
                                                                iL                               +
                                                                         +
                                      Dp
                      E                                              v       Df        Cf   Ro   Vo
                                                                     D




                              Figura 5.21. Conversor ZVS operando em MLP

        A chave auxiliar, Sa, entra em condução ainda durante a condução de Sp, mas não
ocorre nenhuma alteração nas formas de onda do circuito. No instante to a chave principal
é aberta sob tensão nula (o capacitor Cr está descarregado). Este capacitor se carrega
linearmente com a corrente de saída, fazendo com que a tensão vD se reduza da mesma
forma, até que, em t1, o diodo de livre-circulação entra em condução e a corrente da saída
circula por ele. Como a chave auxiliar continua conduzindo, o indutor Lr também entra
num intervalo de livre-circulação até que em t2 o interruptor Saux é aberto (sob tensão
nula).

                                                                                                      Sp



                                                                                                     Sa



                 E                                                                                     V
                                                                                                           Cr
                  0
                Io                                                                                     IL
                 0
                                                                                                       V
                 E                                                                                         D

                 0

                 0                                                                                     V
                                                                                                           Lr
                              to t1         t2       t3 t4 t5                T


                            Figura 5.25. Formas de onda do conversor ZVS-MLP


http://www.dsce.fee.unicamp.br/~antenor                                                                                5-13
Fontes Chaveadas - Cap. 5         CONVERSORES QUASE-RESSONANTES                   J. A. Pomilio



        Inicia-se então a ressonância entre Lr e Cr. A tensão sobre o capacitor cresce ainda
mais, por causa da energia presente em Lr, produzindo importante sobre-tensão sobre o
interruptor principal. A tensão prossegue o comportamento oscilante até que, em t3, s      e
anula, levando à condução o diodo em anti-paralelo com a chave principal, por onde passa
a circular a corrente presente em Lr. Esta corrente assume uma variação linear. Durante a
condução do diodo envia-se o sinal de comando para o interruptor, o qual entra e          m
condução apenas a corrente se torne positiva (em t4). A corrente de entrada cresce até
atingir o nível da corrente de saída, quando o diodo de livre-circulação desliga,
completando o ciclo (em t5).
        Nota-se que a tensão sobre o diodo obedece à tensão de comando de S, a menos
de atrasos, que dependem do circuito ressonante e dos parâmetros do circuito (como a
tensão de entrada, a corrente de carga, etc.).


5.5 Referências Bibliográficas

[5.1]     Lee, F.C.: ”High-Frequency Quasi-Resonant Converter Technologies”. Proc. of
          IEEE, vol. 76, no. 4, April 1988, pp. 377-390

[5.2]     D. Maksimovic and S. Cuk: “A General Approach to Synthesis and Analysis of
          Quasi-Resonant Converters”. IEEE Trans. On Power Electronics, vol.6, no. 1, Jan.
          1991, pp. 127-140.

[5.3]     I. Barbi, J. C. Bolacell, D. C. Martins, F. B. Libanio: “Buck Quasi-Resonant
          Converter Operating at Constant Frequency: Analysis, Design, and
          Experimentation”. IEEE PESC’89, pp. 873-880.

[5.4]     D. Maksimovic and S. Cuk: “Constant-Frequency Control of Quasi-Resonant
          Converter”. IEEE Trans. On Power Electronics, vol 6. No. 1, Jan. 1991, pp. 141-
          150.




http://www.dsce.fee.unicamp.br/~antenor                                                  5-14
Fontes Chaveadas - Cap. 6        OUTRAS TOPOLOGIAS COM COMUTAÇÃO NÃO-DISSIPATIVA             J. A. Pomilio




6. OUTRAS TOPOLOGIAS COM COMUTAÇÃO NÃO-DISSIPAT I VA

6.1 Inversor pseudo-ressonante

        Um inversor pseudo-ressonante [6.1] é composto por um conversor em ponte,
possuindo, adicionalmente, um indutor e um capacitor em paralelo com a carga, com
objetivo de proporcionar comutação sob tensão nula. A carga é tipicamente do tipo fonte
de corrente, ou seja, apresenta uma elevada impedância dinâmica, absorvendo uma
corrente constante.
        T1 e T3 são mantidos em condução até que a corrente iL (que circula por Lr) seja
positiva e com valor igual a I p. Durante este intervalo, a tensão sobre o capacitor é +E.
Desligando ambos transistores, a corrente do indutor passará a circular por Cr de uma
maneira ressonante, invertendo a tensão no capacitor para -E. Quando a tensão atinge este
valor os diodos D2 e D4 entram em condução, o que causará a redução de iL de uma
forma linear. T2 e T4 devem receber um comando para ligarem durante a condução dos
diodos, entrando em condução quando a corrente se inverter, sem dissipar potência, e
iniciando o semi-ciclo negativo.


                                         T1            D1                   D2          T2
                                                                   Lr
                                                       iL
                                                   A               Cr              B
                                     E                      +         -
                                                                            Ia
                                         T4                  CARGA                      T3
                                                   D4                         D3



                                    Figura 6.1. Inversor pseudo-ressonante

       Como se vê na figura 6.2., a tensão sobre a carga é praticamente quadrada e a
freqüência de ressonância é muitas vezes maior que a freqüência de chaveamento. Com
um acionamento adequado das chaves este conversor pode operar em MLP, produzindo
saídas em baixa freqüência, se desejado. O uso de um retificador como carga leva à
implementação de um conversor CC-CC. A substituição da fonte de tensão por uma de
corrente permite sintetizar um conversor com operação ZCS.
                                                                     V AB
                    E
                 +Ip
                                                                                       iL
                                              T2            D1
                                              T4            D3

                            T1        D2
                            T3        D4

                  -Ip
                   -E

                                                                 Ressonante (Cr)
                        Figura 6.2. Formas de onda do inversor pseudo-ressonante


http://www.dsce.fee.unicamp.br/~antenor                                                              6-1
Fontes Chaveadas - Cap. 6    OUTRAS TOPOLOGIAS COM COMUTAÇÃO NÃO-DISSIPATIVA            J. A. Pomilio



      A obtenção de comutação suave exige um valor mínimo para a corrente de pico
dado por:

                     Cr
Ip ≥ Ia + 2 ⋅ E ⋅                                                               (6.1)
                     Lr

6.2 Conversor ressonante “single-ended”

        Diferentemente do que foi visto para os conversores ressonantes, estudados
anteriormente, estes inversores “single-ended” apresentam apenas um interruptor
comandado e a inversão da tensão sobre a carga se dá pela ocorrência da própria
ressonância [6.2].
        Estes circuito são comumente utilizados em conversores para aquecimento
indutivo em alta freqüência, de forma que a carga equivalente é uma resistência, associada
às potência consumida no aquecimento
        A figura 6.3. mostra uma topologia (alimentada em tensão) destes conversores,
chamada de regenerativa (por permitir a inversão no sentido da corrente).
                                         Lr
                                                          carga        IL

                                                      Cr
                                                          + Vc
                                                 E




                            Figura 6.3. Conversor ressonante “single-ended”

       A figura 6.4. mostra as formas de onda da corrente pelo indutor e da tensão
aplicada à carga.

                                    i
                                        L
                                                           vC
              E




                                                           D           T

                                  t1        t2       t3           t4        T

               Figura 6.4. Formas de onda do conversor ressonante “single-ended”

        Quando conduz o transistor a tensão de entrada é aplicada à carga (e também ao
circuito ressonante). O capacitor se encontra carregado e vC = E. A corrente pelo indutor
cresce linearmente. Quando o transistor é desligado, em t1, o faz sob tensão nula. A
corrente da indutância circula pela carga e pelo capacitor, de modo ressonante. A tensão

http://www.dsce.fee.unicamp.br/~antenor                                                         6-2
Fontes Chaveadas - Cap. 6   OUTRAS TOPOLOGIAS COM COMUTAÇÃO NÃO-DISSIPATIVA                    J. A. Pomilio



vC se torna negativa, atingindo um pico, em t2, cujo valor é muito superior à tensão de
entrada (em função das condições iniciais da corrente do indutor e da tensão do
capacitor). A ressonância prossegue e a tensão volta a ser positiva. Quando atinge um
valor igual ao da tensão de entrada (em t3) o diodo entra em condução, mantendo vC
constante. Durante a condução do diodo é enviado o comando para ligar o transistor, o
que ocorre apenas quando a corrente se torna positiva (em t4), reiniciando o ciclo.


6.3 Conversor semi-ressonante

         Considerando o conversor elevador de tensão convencional, a corrente de entrada
Ii é composta por uma fonte de tensão, E, associada em série com um indutor Lr. Sendo
Lr suficientemente pequeno para permitir operação no modo descontínuo, no momento da
entrada em condução da chave não ocorre dissipação de potência, o que ocorrerá no
desligamento.


                                                                   Lr
                                                 +
                                                                                                       +
Ii                          Co               Vo
                                                              E                      Co               Vo




                                      Figura 6.5. Conversor boost

       Considere-se um capacitor Cr cujo valor forme um circuito ressonante juntamente
com Lr, cuja freqüência seja maior do que a freqüência de operação do conversor.
Existem 3 possibilidades de colocação de Cr no circuito de modo a obter comutação ZVS.
A chave S deve ser bidirecional em corrente ou em tensão [6.3].

          Cr


          Lr                                Lr                                  Lr
                                 +                                      +                 Cr          +
                                                     S
      E        S      Co         Vo     E                Cr   Co    Vo      E         S              Vo
                                                                                          Co




                    (a)                            (b)                     (c)
                   Figura 6.6. Possibilidades de conversor boost semi-ressonante

        Os conversores semi-ressonantes necessitam de uma quantidade menor de
componentes passivos do que os quase-ressonantes equivalentes, e são particularmente
adequados às aplicações de baixa potência, podendo operar em freqüências elevadas (na
faixa de MHz).




http://www.dsce.fee.unicamp.br/~antenor                                                                6-3
Fontes Chaveadas - Cap. 6   OUTRAS TOPOLOGIAS COM COMUTAÇÃO NÃO-DISSIPATIVA       J. A. Pomilio



        Nas diferentes topologias geradas, um dos elementos ressonantes opera també      m
como elemento de armazenamento de energia e filtro. O processamento de energia entre
duas fontes de corrente leva a um circuito similar, mas operando em ZCS.
        Consideremos o circuito da figura 6.6.b. Se o interruptor for um transistor
MOSFET, a exigência de uma bidirecionalidade de corrente é atendida. Além disso, a
capacitância do dispositivo é absorvida pelo capacitor ressonante, de modo que os
elementos parasitas do componente afetam positivamente o desempenho do conversor.
        A figura 6.7. mostra formas de onda no circuito.
        Consideremos que o transistor está conduzindo e que no instante t1 ele é
desligado. Como o capacitor Cr está descarregado, esta comutação é do tipo ZVS. O
capacitor se carrega de modo ressonante até que sua tensão atinja a tensão da carga (em
t2), quando o diodo de saída entra em condução e energia é transferida para a saída. A
tensão sobre Lr se torna constante e a corrente de entrada decai linearmente. No instante
t3 esta corrente se inverte, desligando o diodo de saída. Volta a ocorrer ressonância,
reduzindo a tensão sobre Cr. Em t4 esta tensão se anula e o diodo em anti-paralelo com o
transistor conduz. A corrente passa a crescer linearmente. Durante a condução deste
diodo é enviado o sinal de comando para o MOSFET, o qual entra em condução apenas a
corrente se torne positiva, em t5, reiniciando o ciclo. A entrada em condução do transistor
é ZCS.
        A inversão da polaridade da corrente de entrada obviamente exige uma fonte
receptiva à regeneração de potência. A operação no modo descontínuo faz com que
ocorra um “stress” de corrente pelos componentes. No entanto, em aplicações de baixa
potência e alta freqüência, é uma topologia interessante.

              Vo
                                                 vc


                                                              iL



                            S          Do                     S
                                                       Ds
                                                 Cr
                                t1 t2       t3        t4 t5        T
                                  Cr

                 Figura 6.7. Formas de onda de conversor boost semi-ressonante.


6.4 Características desejáveis de topologias com comutação suave

       Existe uma infinidade de topologias propostas na literatura que permitem obter
comutações suaves dos interruptores. Uma questão que se coloca, assim, é como
compará-las. São indicados a seguir alguns critérios que podem ser levados e          m
consideração.
• Comutações ZVS são, em príncípio, preferíveis para os componentes com maior
   capacitâncias (MOSFET);
• Comutação ZCS é preferível para componentes com "rabo de corrente" (IGBT);
• A quantidade de novos elementos ativos (principalmente transistores) deve ser mínima;


http://www.dsce.fee.unicamp.br/~antenor                                                   6-4
Fontes Chaveadas - Cap. 6   OUTRAS TOPOLOGIAS COM COMUTAÇÃO NÃO-DISSIPATIVA       J. A. Pomilio



• A quantidade de elementos indutivos adicionais deve ser mínima;
• A quantidade total de novos elementos deve ser mínima;
• Caso existam transistores adicionais, eles devem, preferivelmente, estar no mesmo
  potencial de acionamento de um dos transistores da topologia original;
• O sinal de comando do(s) transistor(es) adicional(is) deve, de preferência, ser síncrono
  com o sinal de um dos transistores originais. Se puder ser o mesmo sinal, melhor;
• A topologia modificada deve permitir comutação suave para todos os componentes
  ativos, inclusive os adicionais;
• O circuito modificado deve, preferivelmente, continuar operando com o mesmo tipo de
  modulação do circuito original;
• O circuito adicional não deve promover aumento nas exigências de tensão e de corrente
  dos componentes do circuito original;


6.5 Conversor ZVS Quase-onda-quadrada, MLP (ZVS - QSC - MLP))

        De modo semelhante aos conversores semi-ressonantes, esta família de circuitos
também faz com que o indutor funcione tanto como elemento armazenador de energia a
ser transferida à saída como componente do circuito ressonante. A figura 6.8. mostra um
conversor abaixador de tensão, enquanto na figura 6.9. tem-se algumas formas de onda.
Note-se que a capacitância do interruptor principal é absorvida pelo capacitor ressonante.
A principal diferença com os conversores semi-ressonantes é que o interruptor auxiliar,
S1, permite a operação com freqüência fixa, ou seja, MLP.

                                              Cr
                                  ID
                                                    IL   L
                                   Is     S

                                        Vs                           +
                            E           D1
                                               S1 Vs1        Co       Vo

                                              Is1

                                Figura 6.8. Conversor buck ZVS-QSC

        No instante to o interruptor principal, S, é desligado. A presença de Cr garante um
comportamento ZVS. O diodo D1 só entrará em condução quando Vs atingir o valor da
tensão de entrada, o que ocorre em t1. No intervalo entre t1 e t2 a tensão aplicada sobre o
indutor é negativa, de modo que sua corrente se reduz. O sinal de acionamento para o
interruptor auxiliar, S1, é enviado durante este intervalo, de modo que quando a corrente
se tornar negativa, possa fluir por ele.
        Antes do início da próxima condução de S, S1 deve ser desligado, o que produz
uma nova ressonância entre L e Cr. A tensão sobre Cc se reduz e, quando atinge zero
(instante t3), leva o diodo em anti-paralelo com a chave à condução.Enquanto a corrente
for ainda negativa, envia-se o sinal de acionamento para S, o qual entra em condução
apenas a corrente se inverta, completando o ciclo.




http://www.dsce.fee.unicamp.br/~antenor                                                   6-5
Fontes Chaveadas - Cap. 6           OUTRAS TOPOLOGIAS COM COMUTAÇÃO NÃO-DISSIPATIVA                J. A. Pomilio




                                                                                                   S

                                                                                                   S1

                                                                     V S1
      E
                                                                                           I   L

      0


                                                                                          Vs=Vcr
      E
                                                                            Is+ID

      0
                    S                   D1         S1    Cr    D             S

                            to t1     Cr     t1'    t2    t3                          T

                      Figura 6.9. Formas de onda de conversor ZVS-QSC-MLP

      Como vantagens deste tipo de conversor pode-se citar:
• ZVS para ambos interruptores
• Não ocorre “stress” de tensão (em relação a um conversor MLP simples)
• Fluxo de potência bidirecional.

         Como desvantagens tem-se:
•   “Stress” de corrente nos transistores.
         Como a corrente da carga é a corrente média pelo indutor, e como a corrente pelo
         indutor deve poder se tornar negativa, o pico de iL é. obviamente, muito maior do
         que a corrente de saída.
•   Elevada ondulação das correntes de entrada e de saída.
•   Sinais de comando distintos
•   Interruptores com emissor (ou source) em potenciais diferentes.
         Isto torna necessário circuitos de acionamento com fontes isoladas para cada
         interruptor.


6.6 Conversores MLP com transição sob tensão nula (ZVT-MLP)

        A figura 6.10. mostra um conversor elevador de tensão que difere de uma
topologia MLP convencional pela adição de uma rede ressonante auxiliar [6.5], composta,
além do Lr e Cr, do interuptor S2 e dos diodos D2 e D3.
        Diferentemente do que ocorre nos conversores que empregam chaves ressonantes
(ZVS), aqui se faz a introdução de um circuito auxiliar que se comporta como uma
espécie de “snubber” ativo, que reduz a potência a ser dissipada sobre o interruptor e
envia essa energia para a carga ou para a fonte.
        Embora o exemplo utilizado seja de um conversor elevador de tensão, pode-se
aplicar este princípio a qualquer das topologias.


http://www.dsce.fee.unicamp.br/~antenor                                                                    6-6
Fontes Chaveadas - Cap. 6        OUTRAS TOPOLOGIAS COM COMUTAÇÃO NÃO-DISSIPATIVA                    J. A. Pomilio



                                                                      VD

                                      Li          Is                       Do
                                Ii                              Lr
                                                                                       +
                                                            Cr I L
                                     E     Vs                                          Vo
                                                                                 Co Ro
                                                                      S2 D3
                                                 S1 D 1

                                                              D2

                                      Figura 6.10. Conversor boost ZVT-MLP

       A figura 6.11. mostra algumas formas de onda referentes a este conversor.
       A figura 6.12. mostra os diferentes circuitos referentes a cada intervalo de
funcionamento do circuito.


                                                                                                       S1
                                         hard
                                                                                                      S2

                                                                                            I Lr
   Ii                                                                                                  Is
    0




    Vo                                                                                               VD


     0                                                                                               VS
                 S2 S2         S2 D1 S1                S1                   Do
                 Do Lr         D1 D3 D3                              Cr
                 Lr Cr

            to       t1   t2     t3         t4                     t5 t6         T

                      Figura 6.11. Formas de onda de conversor boost ZVT-PWM

         Consideremos que inicialmente ambos interruptores estejam desligados e que a
corrente circula pelo diodo de saída. A indutância de entrada é suposta suficientemente
grande para se poder desconsiderar a ondulação de sua corrente. No instante to o
interruptor auxiliar, S2, entra em condução. A corrente por Lr cresce linearmente até
atingir o nível da corrente que circulava pelo diodo, Ii, desligando-o. Este intervalo é dado
por:

           Ii ⋅ Lr
t1− to =                                                                                    (6.2)
            Vo



http://www.dsce.fee.unicamp.br/~antenor                                                                     6-7
Fontes Chaveadas - Cap. 6      OUTRAS TOPOLOGIAS COM COMUTAÇÃO NÃO-DISSIPATIVA                         J. A. Pomilio




                  Ii                         Ii                  Cr Ii
                                        Vo                  Lr                            Lr
                                Lr
                             to a t1                  t1 a t2                   t2 a t3

                                 Lr
                  Ii                         Ii             Ii      Cr     Ii
                                   Vo
                                                                                               Vo

                             t3 a t4              t4 a t5        t5 a t6          t6 a T

                 Figura 6.12. Circuitos equivalentes a cada intervalo de funcionamento.

       A corrente I Lr continua a crescer, agora com um comportamento ressonante. Cr,
que estava carregado, se descarrega até zerar sua tensão (em t2), quando o diodo D1
entra em condução.

             π
t 2 − t1 =       ⋅ Lr ⋅ Cr                                                                     (6.3)
             2

         Para obter uma entrada em condução não dissipativa, o sinal de comando de S1
deve ser aplicado durante a condução de D1 (ou seja, após t2). Entre t2 e t3 conduzem S2
e D1, de modo que a tensão sobre Lr é nula e a corrente por ele se mantém constante.
         Em t3, S2 é desligado, o que força a corrente iLr a circular por D3, fazendo-a
decair linearmente. Isto provoca um desligamento dissipativo de S2, uma vez que a tensão
sobre este interruptor cresce para o valor da tensão de saída. Entre t3 e t4 a corrente Is se
torna positiva, passando a circular por S1.
         Quando a corrente I Lr se anula, D3 desliga, em t4. Como S1 está conduzindo,
energia está sendo armazenada na indutância de entrada, até que, em t5, S1 é desligado.
Como Cr está descarregado, esta desligamento é sob tensão nula. Em t6 a tensão Vs
atinge o valor da tensão de saída e o diodo Do entra em condução, completando o ciclo.

         Como vantagens deste tipo de comutação pode-se citar:
•   Comutação suave (ZVS) tanto para o interruptor principal quanto para o diodo de
    saída.
         Isto é especialmente interessante em aplicações com tensão elevada (como e    m
         PFP), uma vez que a capacitância do diodo produz muitos problemas no
         desligamento.
•   Mínimo “stress” de tensão e de corrente.
         Não ocorre aumento nos valores máximos de tensão e de corrente a serem
         suportados pelos componentes além dos limites de um conversor MLP
         convencional.
•   Comutação suave para uma ampla variação de tensão de entrada e de corrente de saída
         Como é claro das formas de onda, a tensão média de saída (igual à tensão de
         entrada somada à tensão média sobre o diodo Do) depende da duração dos
         intervalos (t3-t2) e (t6-t5). O primeiro tem duração constante (eq. 6.2) e o
         segundo depende da intensidade da corrente de saída. No entanto, a ocorrência de
         comutação suave não depende da corrente de carga ou da tensão de entrada, fato
         que ocorre em outros tipos de conversores.
•   Interruptores referenciados a um mesmo potencial, facilitando o acionamento.

http://www.dsce.fee.unicamp.br/~antenor                                                                        6-8
Fontes Chaveadas - Cap. 6    OUTRAS TOPOLOGIAS COM COMUTAÇÃO NÃO-DISSIPATIVA       J. A. Pomilio




      Como desvantagens pode-se citar:
• Sinais de comando são distintos.
• Desligamento dissipativo do interruptor auxiliar

6.7 Conversores MLP com transição sob corrente nula (ZCT-PWM)

         Assim como técnicas de comutação a tensão nula tem um interesse adicional e     m
aplicações que usam MOSFET, uma vez que a energia presente nas capacitâncias do
componente são absorvidas, técnicas de comutação, especialmente o desligamento, a
corrente nula são mais interessantes para circuitos que operam com IGBT, uma vez que
anulam os efeitos das perdas decorrentes do “rabo” de corrente presente na corrente de
coletor deste tipo de componente. Ressalte-se, no entanto, que novas gerações de IGBTs
tem apresentado importantes reduções neste fenômeno, com processos de desligamento
bastante velozes [6.6].
         Analogamente ao que foi descrito para a técnica de ZVT, os circuitos que utilizam
ZCT utilizam componentes que formam um circuito auxiliar que tem como função desviar
a corrente do interruptor principal antes de seu desligamento, de modo a que a comutação
se dê sem perdas. Além disso, devem também, idealmente, propiciar uma entrada e          m
condução não dissipativa.
         A figura 6.16. mostra um conversor elevador de tensão operando com
desligamento do interruptor principal sob corrente nula. Outras topologias podem
empregar o mesmo princípio de operação que será descrito a seguir.
         Note-se a presença de uma chave adicional, além de diodos e do circuito
ressonante. Este circuito ressonante é ativado apenas durante alguns instantes de modo a
criar as condições para o desligamento a corrente nula da chave principal.
         Consideremos na análise que a corrente de entrada é constante. A figura 6.14.
mostra algumas formas de onda pertinentes ao circuito, enquanto na figura 6.15. temos os
circuitos equivalentes em cada fase de operação.

                                 Li         Is                 Do
                            Ii                           Lr
                                                                               +
                                                         IL
                                                         +
                                                                        Co
                                 E                       Vc   Cr
                                      Vs
                                                                        Ro Vo
                                           S1 D 1                  D3
                                                    D2
                                                              S2

                                 Figura 6.16. Conversor boost ZCT-PWM.

        Consideremos que inicialmente a chave principal, S1, está conduzindo e que por
ela passa uma corrente constante, Ii, que é a corrente de entrada. Suponhamos que o
capacitor ressonante, Cr, está carregado com uma tensão negativa de valor Vp. No
instante to o interruptor auxiliar S2 entra em condução, iniciando a ressonância entre Lr e
Cr. Esta ressonância força a redução da corrente por S1 de uma forma senoidal. Após 1/4
de período a corrente ressonante atinge seu valor máximo e a tensão sobre Cr se anula. O
valor deste pico de corrente deve ser maior do que a corrente de entrada de modo que seja


http://www.dsce.fee.unicamp.br/~antenor                                                    6-9
Fontes Chaveadas - Cap. 6           OUTRAS TOPOLOGIAS COM COMUTAÇÃO NÃO-DISSIPATIVA                               J. A. Pomilio



possível anular a corrente por S1 e fazê-la passar a circular pelo diodo em anti-paralelo, a
partir de t1. Durante a condução deste diodo se retira o sinal de comando de S1. Em t2 a
corrente IL é igual a Ii (e está diminuindo), de modo que Do entra em condução.

                               td

                                                                                                                 S1

                                                                                                                 S2

                                                                                                                 Vs
            Vo                                               Vp


                                                                                                           Vc


                                          "hard"                                  Is
                Ii                                                                                          IL

                      S1                 Do                                 S1
                                                      S1
                      to t1 t2                     t3 D2 t4                                           T
                                                      Lr
                                                      Cr
                           Figura 6.14. Formas de onda de conversor boost ZCT-PWM.

                                                                                               S2
                                                        Is                                     Do
                                    Ii
                                                                                                      IL



                                                                       S1                           Do
                                                                                  S2 D1             D3
                                                                       S2


                                                                  to         t1           t2    t2'       t2"

                                    Fig. 6.14.a Detalhe durante a condução de S2


                 Vp
IL          =                                                                                            (6.4)
     pico
                 Zo

                 Lr
Zo =                                                                                                     (6.5)
                 Cr

        O desligamento de S2 ocorre ainda quando I L >0 e é dissipativo, uma vez que a
tensão terminal sobre este componente cresce para o valor da tensão de saída com a
entrada em condução de D3. O tempo transcorrido entre o desligamento de S1 e de S2
(td) determina o valor da tensão sobre Cr. Observe que enquanto S2 conduzir Cr vai s e



http://www.dsce.fee.unicamp.br/~antenor                                                                                  6-10
Fontes Chaveadas - Cap. 6        OUTRAS TOPOLOGIAS COM COMUTAÇÃO NÃO-DISSIPATIVA           J. A. Pomilio



carregando com uma corrente constante igual a Ii. Quando a corrente ressonante se tornar
menor do que a corrente de entrada Do entra em condução.
       Em regime, a tensão com que o capacitor se carrega, Vp, é menor do que Vo de
modo que se pode escrever:

              Ii ⋅ Zo
Vp =                                                                               (6.6)
                    t 
        cos 2 ⋅ π ⋅ d 
                   To

To = 2 ⋅ π ⋅ Lr ⋅ Cr                                                               (6.7)

         Entre t2 e t3 conduz apenas o diodo Do, enviando energia para a saída. Em t3, S1
é ligado de modo dissipativo. Por ele passa a corrente de entrada que se soma à corrente
da ressonância que se reinicia. A tensão Vc torna a se inverter e em t4 completa-se o
meio-ciclo ressonante, com uma tensão igual a -Vp.
         A corrente por S1 torna-se igual à corrente de entrada e mantém-se assim até o
interruptor S2 seja ligado, completando o ciclo.
         Pelas formas de onda de I L e de Vc, nota-se que a energia presente no circuito
ressonante, em regime, é constante, de modo que não existe transferência de energia do
circuito ressonante para o restante do circuito.



                        Ii                  Lr    Ii          Lr
                                                                             Vo
                                            Cr
                                     +                        Cr
                                   to a t1                 t1 a t2




                                                  Ii          Lr
                            Ii
                                             Vo                         Ii
                                                          +   Cr
                                  t2 a t3          t3 a t4            t4 a T
                   Figura 6.15. Circuitos equivalentes em cada fase de operação.

         Como vantagens deste circuito pode-se mencionar:
•   Desligamento sob corrente nula do interruptor principal
•   Não ocorre “stress” de tensão sobre os componentes
•   Não existe energia reativa circulando pelo circuito
•   Corrente RMS pelo interruptor não se altera em relação ao circuito MLP, apesar do
    pico de corrente na entrada em condução.
•   Ampla faixa de variação para a carga e a entrada.
•   Sinais de comando aplicados com um mesmo referencial.
         Como desvantagens tem-se:
•   A entrada em condução do interruptor principal e o desligamento do diodo de saída são
    dissipativos


http://www.dsce.fee.unicamp.br/~antenor                                                           6-11
Fontes Chaveadas - Cap. 6    OUTRAS TOPOLOGIAS COM COMUTAÇÃO NÃO-DISSIPATIVA                         J. A. Pomilio



• Capacitâncias parasitas não são absorvidas pelo circuito
• Sinais de comando não simultâneos.

6.8 Exemplos de outros circuitos de auxílio à comutação

6.8.1 Fonte de corrente com alto fator de potência, baseado em conversor Cuk
       A topologia estudada é essencialmente um conversor Cuk com transformador,
tendo na entrada um retificador trifásico. As indutâncias de entrada são colocada em série
com cada fase da alimentação, conforme mostrado na figura 6.16. A saída opera como
fonte de corrente [6.7].

                                          Ir       + Ua -          + Ub -

                        Li                             Ca              Cb
                                                                                 L
                va                                                          -        L
                                               S   +
                vb                                                      D   UD
                                                   Us             Ls
                vc                                                                       -
                                                   -                        +    RL
                                                                                         UL
                                                            N:1             IL
                                                                                         +


          Figura 6.16. Conversor Cuk, isolado, com entrada trifásica e carga indutiva

        Esta topologia apresenta vários aspectos interessantes: alto fator de potência
(desde que se opere em condução descontínua nos indutores de entrada), uma única chave
comandada, controle com frequência fixa, isolação em alta frequência. Como pontos
negativos tem-se a comutação dissipativa e o "stress" de tensão e de corrente a que fica
sujeito o interruptor. O uso deste conversor como fonte de tensão já foi descrito
anteriormente [6.7] [6.8].
        Devido à isolação em alta frequência, aplicações ficam limitadas a potências
relativamente baixas (1 ou 2 kW).
        Considera-se uma carga indutiva. Nestes casos, o valor da corrente de saída pode
ser fixo ou sujeito a ajustes.
        O equacionamento desenvolvido na sequência é feito a partir das seguintes
suposições: condução descontínua nos indutores de entrada (para que as correntes médias
de entrada sejam senoidais) ; condução contínua no diodo de saída (durante o tempo e   m
que o interruptor S está aberto, há sempre corrente por D); tensão constante, com
ondulação desprezível nos capacitores; interruptores ideais; operação em regime. O ciclo
de trabalho é denominado δ. O período de chaveamento, T. A tensão de alimentação
(valor RMS de linha), V. L L é a indutância da carga e RL sua componente resistiva. A
ondulação na corrente de saída é suficientemente pequena para se poder considerar I L
constante. Demonstra-se que a relação entre a corrente de saída e a largura de pulso é
constante, o que é um resultado bastante interessante do ponto de vista da característica
estática do conversor.

I L = K.δ                                                                                    (6.8)

          O valor de K é dado por:




http://www.dsce.fee.unicamp.br/~antenor                                                                     6-12
Fontes Chaveadas - Cap. 6   OUTRAS TOPOLOGIAS COM COMUTAÇÃO NÃO-DISSIPATIVA            J. A. Pomilio



       6⋅V             4 ⋅ RL ⋅ T ⋅ N 2 
K=           ⋅ 1 + 1 +                                                      (6.9)
   4 ⋅ N ⋅ RL              3⋅ Li       
                                         

          Demonstra-se também que:

Us = K.RL .N                                                                  (6.10)

        Este é outro resultado importante, qual seja, a tensão a ser suportada pelo
interruptor é constante, diferentemente do que ocorre no caso de fonte de tensão, quando
a tensão cresce com a diminuição de δ.

a) A comutação
         O fato de o transistor estar submetido a uma tensão elevada praticamente impõe o
uso de um IGBT, uma vez que um MOSFET para tal tensão, tipicamente apresenta uma
elevada resistência de condução. O processo de desligamento de um IGBT, por sua vez,
apresenta um fenômeno de "tail" de corrente, que pode tornar as perdas de desligamento
bastante significativas.
         Por esta razão, a busca de uma alternativa para se obter comutação suave,
especialmente no desligamento, se torna importante [6.9]. No que se refere à entrada e m
condução, uma possibilidade de que seja suave, é que se realize a corrente nula [6.10], o
que pode ocorrer se se permitir um comportamento de condução descontínua na saída.
         O uso de comutação suave permite ainda uma relativa redução nos níveis de
interferência eletromagnética [6.11]. A necessidade de filtros na entrada do circuito
(trifásico), a fim de obter uma corrente praticamente senoidal na rede também auxilia a
redução da IEM conduzida.

b) O circuito de proteção contra sobre-tensão e seu emprego para obter
desligamento a tensão nula
        A figura 6.18. mostra as principais formas de onda do circuito, enquanto o
diagrama do conversor está na figura 6.19., indicando o circuito não-dissipativo
empregado para a limitação dos picos de tensão que ocorrem no desligamento da chave S,
devido, principalmente, à indutância de dispersão do transformador.
        É possível, mantendo a capacidade de limitação do pico de tensão, fazer este
circuito funcionar de modo a garantir um desligamento da chave S sob tensão nula.
Observe-se que o desligamento é a comutação mais crítica, uma vez que ocorre quando a
corrente pela chave é máxima, quando ocorrem sobre-tensões e quando existe o fenômeno
de rabo da corrente do IGBT.
        Para a análise da figura 6.18., suponhamos inicialmente que a indutância de
dispersão seja nula. Consideremos que ao final do intervalo em que o transistor está
desligado a corrente de saída do retificador seja nula, que a tensão Uc seja igual à tensão
de saída refletida ao primário e que o diodo de saída esteja em condução.
        Quando S entra em condução, o capacitor Cc ressoa com Lc. Pelo interruptor
circula a soma da corrente do retificador com a componente ressonante e com a corrente
de saída refletida (D é bloqueado). No instante T1 a tensão Uc atinge o valor -Ua e o
diodo D1 entra em condução. Supondo Ca>>Cc, a tensão sobre Lc se torna praticamente
constante (igual a Ua) e sua corrente decai linearmente. Ao final do tempo de condução
(T2), o transistor se abre sob tensão nula. O capacitor Cc se carrega com uma corrente
praticamente constante. Em T3 a tensão no primário atinge o valor da tensão de saída



http://www.dsce.fee.unicamp.br/~antenor                                                       6-13
Fontes Chaveadas - Cap. 6    OUTRAS TOPOLOGIAS COM COMUTAÇÃO NÃO-DISSIPATIVA                     J. A. Pomilio



(refletida), levando o diodo de saída à condução. No intervalo entre T3 e T6 a corrente do
retificador vai a zero.
         Na verdade, a presença da indutância de dispersão faz com que, no instante T3, ao
ocorrer a inversão do sentido da corrente pelos enrolamentos do transformador, surja um
pico de tensão, o qual é limitado pela presença do capacitor Cc, e eleva sua tensão acima
do valor N.UL .




                  Figura 6.18. Principais formas de onda do conversor com circuito auxiliar.
                                         Caso ideal (sem sobre-tensão)

                                          ir          + Ua   -             + Ub    -

                  va                                   Ca                   Cb
        ia                  Li                                       N:1
                                                     D2    D1                               LL
                                               +
             vb                                         Lc i l
                                               Us                              D                 -
                                            S -             + ic                            RL   UL
                  vc                                     Uc
                                                               Cc                      IL        +
                                                            -


                  Figura 6.19. Conversor com circuito para desligamento a tensão nula

          A condição para que se obtenha sempre desligamento a tensão nula é:

Uc > Ua                                                                                 (6.11)
      Sem considerar a sobre-tensão, esta condição equivale a δ > 0,5.


http://www.dsce.fee.unicamp.br/~antenor                                                                 6-14
Fontes Chaveadas - Cap. 6       OUTRAS TOPOLOGIAS COM COMUTAÇÃO NÃO-DISSIPATIVA            J. A. Pomilio



        Esta restrição não é muito severa pois, via de regra, para um melhor
aproveitamento do material magnético do transformador, a operação em regime se faz e  m
torno deste ponto. Já para situações transitórias, em que o ciclo de trabalho é menor do
que 50%, o que ocorre é que a tensão com a qual Cc se carrega é inferior àquela
necessária para realizar a comutação sem perdas, constituindo-se num fator de redução
das perdas de desligamento, mas não sua eliminação.
        Considerando a presença da sobre-tensão, o máximo ciclo de trabalho que ainda
garante uma comutação sob tensão nula será inferior a 50% A amplitude da tensão sobre o
capacitor Cc depende do valor de sua capacitância. Com uma dada indutância de
dispersão a tensão pode ser expressa em função da impedância do circuito formado por Cc
e a referida indutância, chamada aqui de Ld.

                       Ld  I L 
Uc = U L ⋅ N +           ⋅ + Îr                                                 (6.12)
                       Cc  N   

       Como se nota na figura 6.18., a presença do capacitor Cc retarda ligeiramente a
entrada em condução do diodo de saída, o que significa, do ponto de vista da carga, um
maior ciclo de trabalho em relação àquele do transistor.

c) Resultados experimentais
        Os resultados experimentais apresentados a seguir foram colhidos em um
conversor operando com as seguintes características:
Tensão de entrada: 220V (valor RMS de linha)
Frequência de chaveamento: 50kHz
Corrente nominal de saída: 10A
Carga: 4Ω, 4mH (400 W)
Ca: 1µF; Cb: 56µF; Cc:20nF
Li: 330µH; Ls:50µH ; Lc: 160µH
N: 7,4
        A figura 6.20. mostra a corrente e a tensão no capacitor do circuito de limitação da
sobre-tensão. Nota-se a corrente praticamente constante que circula por ele no intervalo
de carga da capacitor. A descarga ocorre de modo ressonante até que a tensão negativa s    e
iguale à tensão Ua, quando a corrente praticamente cessa de circular por Cc.

                                    iC


                            0




                                     uC
                            0




  Figura 6.20. Corrente e tensão no capacitor Cc (5A/div) e (200V/div) Horiz.: 4µs/div.



http://www.dsce.fee.unicamp.br/~antenor                                                           6-15
Fontes Chaveadas - Cap. 6       OUTRAS TOPOLOGIAS COM COMUTAÇÃO NÃO-DISSIPATIVA          J. A. Pomilio



        A figura 6.21. mostra corrente e tensão sobre o IGBT, vendo-se claramente o
desligamento sob tensão nula e o rabo de corrente. Note-se que a corrente inicial não é
nula, apresentando um valor igual à corrente de saída refletida ao primário do
transformador. A sobre-tensão é de aproximadamente 150V.
        A eficiência medida do conversor, à potência nominal foi de 90%. O fator de
potência medido, à potência nominal foi de 0,98.

                                                 i
                                                     s

                            0

                                                                 Us




                            0



     Figura 6.21. Corrente (2A/div) e tensão (200V/div) no interruptor. Horiz.: 4µs/div

6.8.2 Fonte de Tensão com comutação suave utilizando conversor com capacitor
flutuante
        A figura 6.22 mostra conversores Cuk e SEPIC modificados, ditos com capacitor
flutuante [6.12], operando como fonte de tensão regulada. O circuito possui 2
interruptores os quais controlam, respectivamente, os estágios de entrada e de saída, de
maneira independente.
        A topologia permite uma isolação em alta freqüência e o circuito, com o comando
adequado, possibilita comutações suaves sem aumento nos esforços dos componentes e
sem a necessidade de circuitos adicionais [6.13].

                                            + Vb -                                  io
                                     Li                                        Lo
                                ii            Cb
                                                                To
                                Vi          Ti             Di             Do        Vo



                                                         (a)

                                            + Vb -
                                     Li
                                              Cb                               Do
                                ii                              To
                                Vi          Ti             Di        Lo             Vo

                                                                           io

                                                         (b)
             Figura 6.22 Conversores Cuk (a) e SEPIC (b) com capacitor flutuante.



http://www.dsce.fee.unicamp.br/~antenor                                                         6-16
Fontes Chaveadas - Cap. 6       OUTRAS TOPOLOGIAS COM COMUTAÇÃO NÃO-DISSIPATIVA            J. A. Pomilio



6.8.2.1 Conversor Cuk com capacitor flutuante operando em CCM
       Em CCM, a característica estática do conversor Cuk tradicional (sem To e Do),
para um ciclo de trabalho δi aplicado ao interruptor Ti , é:

                         δi
          Vo = Vi ⋅                                                               (6.13)
                       1 − δi

       A presença de To e Do introduz um novo intervalo controlável no qual o capacitor
Cb permanece desconectado do circuito. O estágio de entrada realiza uma função
elevadora de tensão, tendo a tensão sobre Cb como saída.:

                   Vi
          Vb =                                                                    (6.14)
                  1− δ i

          O estágio de saída tem uma característica abaixadora de tensão em relação a Vb:

          Vo = Vb ⋅ δ o                                                           (6.15)

onde δo é o ciclo de trabalho de To.
       A relação entre a entrada e a saída mantém uma característica elevadora-
abaixadora de tensão, mas com dois comandos separados:

           Vo   δo
              =                                                                   (6.16)
           Vi 1 − δ i

       Os sinais de acionamento são síncronos. Para a correta operação do conversor é
necessário que:

          δi ≥ δo                                                                           (6.17)

       A razão para isto é que o capacitor Cb só se encontra conectado de forma a enviar
energia para o estágio de saída durante a condução de Ti . Quando o diodo Di conduz, a
tensão de entrada do conversor abaixador será nula.
       Do balanço de carga obtém-se uma relação entre as correntes médias de entrada e
de saída, Ii e Io,, respectivamente:

          I i ⋅ (1 − δ i ) = I o ⋅ δ o                                                      (6.18)

        A corrente de entrada é controlada por δi, enquanto a de saída é controlada por δo.
        Durante o intervalo (δo.τ) (τ é o período de chaveamento) To conduz e o
capacitor Cb é descarregado pela corrente I o. Quando To desliga (Ti ainda está e        m
condução) a corrente pelo capacitor é zero e sua tensão permanece constante. Durante o
intervalo [(1-δi).τ] ambos transistores estão desligados e a corrente de entrada recarrega
Cb.




http://www.dsce.fee.unicamp.br/~antenor                                                           6-17
Fontes Chaveadas - Cap. 6                    OUTRAS TOPOLOGIAS COM COMUTAÇÃO NÃO-DISSIPATIVA                      J. A. Pomilio



      No circuito mostrado na figura 6.23 o diodo Di é o diodo reverso de To . Quando
Ti é desligado, a corrente de entrada flui através deste diodo. Embora com um
componente a menos, o inconveniente desta solução é aumentar as perdas de condução,
uma vez que a corrente de entrada deve atravessar 2 diodos.

6.8.2.2 Comutação suave e isolação
         Esta topologia permite obter diversas comutações suaves para os transistores e
diodos sem a necessidade de circuitos adicionais. Uma capacitância Cs colocada entre os
terminais de dreno e fonte de To, adiciona-se à capacitância própria do transistor e propicia
um desligamento do tipo ZVS, o que equivale a uma entrada em condução para Do
também ZVS. Este diodo passa a conduzir apenas quando Cs , carregado pela corrente de
saída, atingir uma tensão igual a V b (considerando o valor refletido ao primário, caso o
circuito tenha transformador).
         Uma vez que Ti desliga após To, tem-se também sobre este transistor um
desligamento ZVS. A corrente de entrada descarrega Cs, levando Di a uma entrada e          m
condução ZVS.
         Para permitir a To ligar sob tensão nula, seu sinal de comando deve ser enviado
com um pequeno avanço em relação ao sinal que ligará Ti. A entrada em condução do
transistor de entrada é dissipativa, assim como o desligamento de Do.
         De qualquer modo, sem circuitos adicionais 6 das 8 comutações presentes no
conversor são suaves, o que é um mérito adicional desta topologia. A figura 6.23 mostra
os estágios de operação e na figura 6.24 tem-se resultados de simulação, indicando
claramente as comutações ZVS.
                                                           + Vb -               Di                    i o
                                        Li                                                      Lo
                             i i                                Cb
                                                                       To
                     v   i                             Ti                                 Do                Vo




                                                           + Vb -                   Di                 i o
                                            Li                                                  Lo
                                 i i                            Cb
                                                                        To
                     v       i                             Ti                             Do                 Vo



                                                                           +

                                                      + Vb -                   Di                    i o
                                       Li                                                      Lo
                         i i                                Cb
                                                                      To
                 v   i                                Ti                                 Do                Vo




                                                      + Vb -                   Di                    i o
                                       Li                                                      Lo
                         i i                                Cb
                                                                      To
                 v   i                                Ti                                 Do                Vo




                                                      + Vb -                   Di                    i o
                                       Li                                                      Lo
                         i i                                Cb
                                                                      To
                 v   i                                Ti                                 Do                Vo




             Figura 6.23. Estágios de operação do conversor com comutação suave.


http://www.dsce.fee.unicamp.br/~antenor                                                                                  6-18
Fontes Chaveadas - Cap. 6   OUTRAS TOPOLOGIAS COM COMUTAÇÃO NÃO-DISSIPATIVA               J. A. Pomilio



       Neste caso deve-se operar no modo de condução descontínua, a fim de garantir a
desmagnetização do núcleo. Este modo de funcionamento também permite manter
reduzida a ondulação em alta freqüência na corrente de entrada. No entanto, a corrente do
indutor de saída deve inverter de polaridade, levando à comutação do diodo Do sob
corrente nula. A entrada em condução de Ti será, neste caso, também sob corrente nula.
Ou seja, todas as comutações se tornam suaves. A operação no modo descontínuo implica
em elevados picos de corrente no lado do secundário, aumentando as perdas por
condução. Assim, não necessariamente a eficiência global será maior neste caso.


                                                                              Vds
                                                                                     Ti
           0

           0                                                                  i Ti
                                                                              Vg
                                                                                   Ti
                                              (a)



                                                                              Vds To
           0

           0                                                                  i To
                                                                              Vg To
                                            (b)
           Figura 6.24. Tensão, corrente e sinal de comando nos transistores Ti e To.

        Múltiplas saídas podem ser obtidas, cada uma delas com um pós-regulador
próprio.
         A indutância de dispersão do transformador produz uma sobretensão no momento
em que Ti é desligado, provocando uma inversão no sentido da corrente pelo
transformador. Um circuito “snubber” ou um limitador de tensão deve ser usado com o
objetivo de limitar o pico de tensão que se observa sobre os transistores.

6.8.2.3 Resultados experimentais
Conversor não-isolado
        Um protótipo não-isolado foi construído com as seguintes características:
• Tensão de saída: 50V
• Potência de saída: 500W
• Freqüência de chaveamento:100 kHz
        O rendimento do circuito é mostrado na figura 6.25 para diversos níveis de
potência de entrada. Mesmo operando a 100 kHz obtém-se, para uma larga faixa de
potência, uma eficiência superior a 90%.
        Figura 6.26 mostra as formas de onda de tensão e de corrente sobre To. As
comutações ZVS são claras. Quando Ti liga o diodo Do desliga e a corrente por To muda
de sentido. A oscilação observada na tensão é devida a ressonância entre Cs e indutâncias
parasitas presentes na malha intermediária do conversor. O pico de corrente é devido à
corrente de recombinação reversa de Do.



http://www.dsce.fee.unicamp.br/~antenor                                                          6-19
Fontes Chaveadas - Cap. 6    OUTRAS TOPOLOGIAS COM COMUTAÇÃO NÃO-DISSIPATIVA         J. A. Pomilio




                                         Eficiência (%)
                 96
                 94
                 92
                 90
                 88
                      200               300                400                 500
                                           Potência [W]
                            Figura 6.25 .Rendimento medido do conversor.

Conversor com saída isolada
        Para um conversor com saída isolada com as mesmas características do conversor
não-isolado (transformador 1:1), operando com potência de entrada de 250 W, a
eficiência medida nesta potência foi de 86%. Confirma-se assim que a elevação das perdas
de condução devido à operação em DCM são maiores do que o ganho que se obtém por
todas as comutações serem suaves.


                                                                 V DS




                                                                  ID



     Figura 6.26. Tensão (100V/div.) e corrente (5A/div.) em To . Horiz.: 500 ns/div.

6.9 Referências Bibliográficas

[6.1]     Patterson, O.D. and Divan D.M.: ”Pseudo-Resonant Converter Technologies”.
          Proc. of IEEE, vol. 76, no. 4, April 1988.
[6.2]     I. Barbi: “Progress in the Development of High-Frequency Non-Dissipative
          Commutation Power converter Technologies”. Proc. of I Power Electronics
          Seminar, LAMEP, Florianópolis, 1988, pp. 01-16.
[6.3]     Suzuki, S. and Barbi, I.: “Boost Zero-Voltage Switching Semi-Resonant Converter
          Analysis (ZVS-SRC)”. Proc. of I Power Electronics Seminar, LAMEP,
          Florianópolis, 1988, pp. 43-49.
[6.4]     G. Hua and F. C. Lee: “Soft-Switching Techniques in PWM Converters”. Proc. of
          IECON ‘93, pp. 637-646.


http://www.dsce.fee.unicamp.br/~antenor                                                     6-20
Fontes Chaveadas - Cap. 6   OUTRAS TOPOLOGIAS COM COMUTAÇÃO NÃO-DISSIPATIVA      J. A. Pomilio



[6.5]   G. Hua, C.S. Leu and F. C. Lee: “Novel Zero-Voltage-Transition PWM
        Converters”. Proc. of PESC ‘92, Toledo, Spain, 1992, pp. 55-61.
[6.6] G. Hua, E. X. Yang, Y, Jiang and F. C. Lee: “Novel Zero-Current-Transition
        PWM Converters”. IEEE Trans. On Power Electronics, vol. 9, no. 6, Nov. 1994,
        pp. 601-606.
[6.7] J. A. Pomilio and G. Spiazzi: "High-Precision Current Source Using Low-Loss,
        Single-Switch, Three-Phase AC/DC Converter". IEEE Trans. On Power
        Electronics, July 1996, vol. 11, no. 4, pp. 561-566.
 [6.8] L. Malesani, L. Rossetto, G. Spiazzi, P. Tenti, I. Toigo, and F. Dal Lago: "Single-
        Switch Three-Phase AC/DC Converter with High Power Factor and Wide
        Regulation Capability". Proc. of INTELEC '92, Oct. 1992, Washington, USA, pp.
        279-285.
 [6.9] K. Heumann, Ch. Keller and R. Sommer: "Behavior of IGBT Modules in Zero-
        Voltage-Switch Applications". Proc. of PESC '92, Jun. 1992, Toledo, Spain, pp.
        19-25.
 [6.10] J.A.Pomilio and G.Spiazzi: "Soft-Commutated Cuk and SEPIC Converters a           s
        Power Factor Preregulators". Proc. of IECON '94, Bologna, Italy, Sept. 1994
 [6.11] P. Caldeira, R. Liu, D. Dalal and W.J. Gu: "Comparison of EMI Performance of
        MLP and Resonant Power Converters". Proc. of PESC '93, Seatle, USA, Jun.
        1993, pp. 134-140.
 [6.12] L. STEFANOVIC AND S. CUK: "Capacitive Idling Converters with Decoupled
        Input Voltage and Output Load Regulation Loops". PESC '93 Conference
        Record, Seattle, USA, 1993.
[6.13] E. A. Vendrusculo and J. A. Pomilio: "Low-Loss, High-Power Factor Voltage
        Supply Using a Capacitive Idling Converter". Proc. of IEEE International
        Symposium on Industrial Electronics, Warsaw, Poland, June 17-20, pp. 767-772.




http://www.dsce.fee.unicamp.br/~antenor                                                 6-21
Fontes Chaveadas - Cap. 7     COMPONENTES PASSIVOS UTILIZADOS EM FONTES CHAVEADAS                J. A. Pomilio




7. COMPONENTES PASSIVOS UTILIZADOS EM FONTES CHAVEADAS

7.1 Capacitores

          Pode-se considerar o seguinte modelo para um capacitor:




                                          C        Rse           Lse

                              Figura 7.1. Circuito equivalente de capacitor

C: capacitância
Rs : resistência série equivalente
   e
L s : indutância série equivalente
   e

       Deste circuito, pode-se afirmar que em baixas freqüências o capacitor tem seu
comportamento determinado pela capacitância. À medida que aumenta a freqüência, no
entanto, o elemento indutivo se torna mais significativo, sendo dominante em altas freqüências.
A resistência se deve, basicamente, ao eletrólito (em capacitor eletrolítico) e às conexões,
variando significativamente com a temperatura. A figura 7.1 mostra curvas típicas para
capacitores eletrolíticos [7.1].


                                              C = 100 uF L = 100 nH



                10

                                               R = 1 ohm (T = -40 C)



                                                   R=.1 ohm (T=0 C)
             100m


                                                              R = .01 ohm (T = 85 C)



             1.0m
                 10Hz       100Hz    1.0KHz     10KHz      100KHz      1.0MHz          10MHz   100MHz


               Figura 7.2 Comportamento típico da impedância de capacitores (Icotron)

        A resistência tem um efeito significativo em termos da ondulação da tensão observada
nos terminais do componente, além de ser responsável pelas perdas (aquecimento) do
dispositivo.

http://www.dsce.fee.unicamp.br/~antenor                                                                          7-1
Fontes Chaveadas - Cap. 7       COMPONENTES PASSIVOS UTILIZADOS EM FONTES CHAVEADAS                                                   J. A. Pomilio



       Para uma certa variação de corrente ∆I, a resistência série produz uma variação de
tensão ∆V=Rs .∆I, a qual pode ser muito maior que a variação determinada pela carga ou
                e
descarga da capacitância. Muitas vezes é em função da resistência Rs que se determina o
                                                                         e
capacitor a ser usado como filtro de saída de uma fonte, de modo a se obter a desejada variação
de tensão.
       A figura 7.3 mostra a tensão de saída de um conversor abaixador de tensão, indicando
claramente a predominância da variação de tensão causada pela queda resistiva em Rse. Os
valores utilizados foram obtidos do catálogo do fabricante.

                                                                           L
                                                                                                          L=1mH
                                                                                                          C=220uF
                                                                                             +
                                                                                                          Rse=.45 ohm
                                                                               Rse
                                                                                                          Ro=.5 ohm
                            E                                                        Ro Vo                E=20V
                                                                                                          Vo=10V
                                                                                C


              10.04V




              10.02V




              10.00V




               9.98V




              9.96V
                       0s          0.2ms                           0.4ms             0.6ms                           0.8ms          1.0ms
                                    Ondulação relativa à capacitância                        Ondulação nos terminais do capacitor




                       Figura 7.3 Ondulação da tensão de saída e sobre a capacitância C

       Usa-se definir o "fator de perdas" do capacitor (tg δ), o qual se relaciona com Rs pela
                                                                                         e
seguinte expressão:

          Rs = (tg δ) / (2.π.f.C)
            e                                                                                                                           (7.1)

        O fator de perdas diminui com o aumento da temperatura e aumenta com a elevação da
freqüência de operação. Os valores são indicados, geralmente para 120Hz e 85°C. Para os
capacitores eletrolíticos especiais para operação em alta freqüência (série HFC da Siemens, por
exemplo), os valores especificados são para 100kHz e 85°C. Quanto à Rs , ela também varia
                                                                             e
com estes parâmetros, mas, usualmente, diminui com a elevação da freqüência.
        Como as perdas no capacitor estão diretamente relacionadas com a corrente RMS por
ele, a uma variação de Rs corresponde uma mudança na máxima corrente admissível. Assim,
                           e
se a freqüência de operação de um capacitor eletrolítico comum for acima de 2kHz, admite-se


http://www.dsce.fee.unicamp.br/~antenor                                                                                                               7-2
Fontes Chaveadas - Cap. 7   COMPONENTES PASSIVOS UTILIZADOS EM FONTES CHAVEADAS   J. A. Pomilio


uma corrente 40% maior do que a especificada para 120Hz (devido à redução de Rs ). Para
                                                                                      e
uma temperatura ambiente de 40°C, admite-se uma corrente 220% maior do que a especificada
para 85°C, o que se justifica pela maior facilidade de troca de calor com o ambiente.
       Por todos estes fenômenos, o valor equivalente do capacitor sofre profundas alterações,
podendo, em última análise, ser obtido para cada freqüência e temperatura, das curvas de
impedância mostradas anteriormente. Em geral, capacitores para uso em CC sofrem menores
variações do que aqueles para uso em CA.

7.1.1 Tecnologias de capacitores para fontes chaveadas

7.1.1.1 Capacitores eletrolíticos
         O capacitor eletrolítico tem seu funcionamento baseado em fenômenos eletroquímicos.
A principal característica reside no fato que um dos eletrodos, o catodo, é constituído pelo
próprio fluído condutor (eletrólito), e não por uma placa metálica. O outro eletrodo, o anodo, é
constituído de uma folha de alumínio em cuja superfície é formada (por um processo
eletroquímico) uma camada de óxido de alumínio, a qual serve de dielétrico.
         A principal vantagem destes capacitores é a alta capacitância específica (F/m3). Isto se
deve, principalmente à espessura da camada de óxido, tipicamente de 0,7 µm (outros materiais
dielétricos dificilmente tem espessura inferior a 6 µm), mesmo para componentes para baixas
tensões. A intensidade de campo permitida é de aproximadamente 800 V/ µm.
         O método de bobinagem é o mais empregado na fabricação dos componentes. A bobina
contém, além da folha do anodo, uma segunda folha de alumínio (chamada de folha do catodo)
que tem, no mínimo, a mesma dimensão da folha do anodo.Esta segunda folha não é oxidada e
sua função é servir como uma grande área supridora de corrente para o eletrólito.
         Ambas folhas são separadas por camadas de papel, cujas funções são: armazenador de
eletrólito (nos poros do papel absorvente) e separador das folhas metálicas (para evitar curto-
circuitos).
         Capacitores construídos como descrito só funcionam convenientemente quando se liga
o potencial positivo ao anodo. A ligação inversa produz um processo eletrolítico de deposição
de óxido sobre a folha do catodo. Neste processo ocorre geração interna de calor e gás, que
pode destruir o componente. Por outro lado, a capacitância diminui, uma vez que é aumentada
a espessura do dielétrico.
         Assim, a aplicação típica é em tensões contínuas. Tensões alternadas, sobrepostas à
contínua, desde que não alterem a polaridade, podem ser utilizadas. Na verdade as polarizações
invertidas podem ocorrer até cerca de 2 V, que é o potencial no qual se inicia o processo de
deposição de óxido.
         Existem capacitores eletrolíticos bipolares que, por construção, já tem ambas folhas de
alumínio oxidadas. Obviamente, a capacitância específica é menor.
         Como aplicações típicas em fontes chaveadas pode-se citar:
• Filtros de entrada: usa-se capacitor eletrolítico de alumínio, com alto produto capacitância x
    tensão (CV) e baixas perdas.
• Filtros de saída: capacitor eletrolítico de alumínio, com baixo Rs e L s , especiais para
                                                                         e      e
    operação em altas freqüências.
         Outra característica importante dos capacitores refere-se à sua confiabilidade. Os
fabricantes especificam seus componentes em função de sua expectativa de vida, sendo os de
alta confiabilidade aqueles que apresentam a maior durabilidade. Esta variável é determinada,

http://www.dsce.fee.unicamp.br/~antenor                                                           7-3
Fontes Chaveadas - Cap. 7   COMPONENTES PASSIVOS UTILIZADOS EM FONTES CHAVEADAS   J. A. Pomilio


para os capacitores eletrolíticos de alumínio, pela qualidade dos materiais utilizados na
fabricação.

7.1.1.2 Capacitores de filme plástico metalizado
        Seu dielétrico é um filme plástico (poliéster ou polipropileno) em cuja superfície é
depositada, por vaporização, uma camada fina de alumínio com espessura de 0,02 a 0,05µm.
Na fabricação do capacitor pode-se bobinar ou dispor o conjunto armaduras/dielétrico e       m
camadas. Através da contactação das superfícies laterais dos capacitores com metal vaporizado
obtém-se bom contato entre as armaduras e os terminais. Este método também assegura baixa
indutância e baixas perdas.
        Estes capacitores tem como característica a propriedade de auto-regeneração. No caso
de uma sobre-tensão que perfure o dielétrico, a camada de alumínio existente ao redor do furo
é submetida a elevada temperatura, transformando-se em óxido de alumínio (isolante),
desfazendo o curto-circuito. O tempo necessário para ocorrer a regeneração é menor que 10µs.
        A constante dielétrica dos filmes plásticos é dependente da freqüência e a capacitância
apresenta um decréscimo com o aumento da freqüência (tipicamente de 3% a 1Mhz, do valor a
1kHz). A variação com a temperatura é reversível, variando, tipicamente, poucos porcento
numa faixa de 100oC.
        Com tensões alternadas (senoidais ou não) de alta freqüência, certos cuidados precisam
ser tomados, uma vez que o componentes pode estar submetido a elevados picos de corrente,
causando problemas para os contatos e aumentado sua temperatura. Os manuais fornecem
ábacos que permitem determinar, para uma dada aplicação (componente, freqüência, forma da
tensão alternada: pulso, senóide, trapézio, dente-de-serra), a amplitude da tensão que o
componente suporta. Fornece ainda a taxa de subida da tensão (V/µs) e o valor característico
do pulso (Ko [ V2/ µs]). O valor Ko da aplicação, bem como o dv/dt, devem ser inferiores ao
especificado.
        O fator de perdas depende principalmente das perdas no dielétrico (que variam com a
temperatura e freqüência). As resistências dos contatos e armaduras são de valores
relativamente menores e praticamente constantes.
        A indutância própria depende da bobina e das indutâncias dos terminais. A freqüência
de ressonância está, tipicamente, entre 1 e 10 MHz.
        Em circuitos pulsados, quando o capacitor fica sujeito a valores elevados de dv/dt
(como nos circuitos amaciadores) devem-se usar componentes com dielétrico de polipropileno,
especiais para regime de pulsos.

7.2 Componentes magnéticos

        As características ideais de um componente magnético são: resistência nula,
capacitância parasita nula, densidade de campo magnético (B) não-saturável (eventualmente
pode-se desejar corrente de magnetização e indutância de dispersão nulas).
        O desejo de não-saturação conduz a um elemento com núcleo de ar, o que implica num
número elevado de espiras, com fio fino e, assim, elevada resistência e capacitância parasita. O
uso de fios com maior secção transversal leva a enrolamentos muito grandes e pesados. É
necessário, assim, o uso de algum núcleo magnético permitindo, com número razoável de
espiras e volume aceitável, obter-se a indutância desejada, com reduzido fluxo disperso.



http://www.dsce.fee.unicamp.br/~antenor                                                           7-4
Fontes Chaveadas - Cap. 7   COMPONENTES PASSIVOS UTILIZADOS EM FONTES CHAVEADAS   J. A. om l o


         O correto dimensionamento de um elemento magnético, seja ele um indutor ou um
transformador não é um trabalho simples e seu sucesso depende em grande parte da quantidade
e qualidade das informações disponíveis a respeito do núcleo a ser utilizado. Diferentes autores
e diferentes fabricantes indicam diferentes formas de dimensionamento destes elementos. No
entanto, a própria forma construtiva pode alterar significativamente o desempenho do
dispositivo, especialmente em termos das indutâncias de dispersão e capacitâncias parasitas.
Assim, este dimensionamento e construção estão mais para a "arte" do que para a ciência.
         A principal característica de um material ferromagnético a ser usado na construção de
um elemento magnético utilizado em uma fonte chaveada é a capacidade de trabalhar e           m
freqüência elevada sem apresentar elevadas perdas, o que significa possuir um laço de histerese
com pequena área. Desejáveis são o maior valor possível de densidade de campo magnético,
Bmax, bem como uma elevada permeabilidade. Além disso a resistividade do núcleo deve ser
elevada a fim de reduzir as perdas relativas às correntes induzidas no próprio núcleo.
         Os materiais mais utilizado são ferrites, as quais possuem valores relativamente
reduzidos de Bmax (entre 0,3T e 0,5T), apresentando, porém, baixas perdas em alta freqüência e
facilidades de manuseio e escolha, em função dos diversos tipos de núcleos disponíveis. As
ferrites são constituídas por uma mistura de óxido de ferro (Fe2O3) com algum óxido de um
metal bivalente (NiO, MnO, ZnO, MgO, CuO, BaO, CoO). Possuem resistividade muito maior
do que os materiais metálicos (da ordem de 100kΩ.cm) o que implica em perdas por correntes
de Foucault desprezíveis quando operando com um campo magnético alternado.
         Algumas aplicações em que não se pode admitir distorção no campo magnético deve-se
utilizar núcleo de ar, com o inevitável valor elevado do fluxo disperso. Núcleos de ferro
laminado são utilizados apenas em baixa freqüência por apresentarem laço de histerese muito
largo, embora possuam um Bmax de cerca de 1,5T.
         Os núcleos de ferrite tipo "pot core" (e seus derivados tipos RM, PM, EP, cube core,
etc.) são geralmente usados na construção de indutores e transformadores para pequenas e
médias potências, com baixa dispersão, devido à sua forma fechada.
         Os núcleos EE e EI apresentam valores mais elevados de Bmax, sendo mais usados e     m
aplicações de potência mais elevada. Apresentam valores maiores de fluxo disperso.
         Já os núcleos tipo U e UI são utilizados em transformadores de alta tensão, devido à
possibilidade de alocar-se cada enrolamento numa das pernas, facilitando a isolação, à custa de
um maior fluxo disperso. Tanto os núcleos E como os U podem ser associados, criando
maiores secções transversais, possiblitanto a obtenção de transformadores para potência na
faixa dos quilowatts.
         Finalmente, os núcleos toroidais são usados em aplicações onde o fluxo disperso deve
ser mínimo, permitindo obter-se indutores muito compactos. São usados especialmente e         m
transformadores de pulso e filtros de IEM.

7.2.1 Histerese, saturação e fluxo residual
       A figura 7.4 mostra a relação entre B (densidade de campo magnético [G] ou
          2
[T=Wb/m ]) e H (campo magnético [A.esp/m]) quando uma tensão alternada é aplicada ao
enrolamento que magnetiza o núcleo.
       B é proporcional ao fluxo magnético [Wb] e H é proporcional à corrente que circula
pelo enrolamento.
       Nota-se que o caminho seguido quando o fluxo (ou B) cresce não é o mesmo seguido
quando o fluxo diminui. Este comportamento é chamado histerese.


http://www.dsce.fee.unicamp.br/~antenor                                                          7-5
Fontes Chaveadas - Cap. 7          COMPONENTES PASSIVOS UTILIZADOS EM FONTES CHAVEADAS                     J. A. om l o



        Quando H=0, a densidade de fluxo não é zero, tendo um valor + Br, chamada
magnetização remanente, ou densidade de fluxo residual. Quando B=0, o campo magnético
não é nulo, mas vale + Hc, parâmetro chamado força coerciva do material.
        A inclinação ∆B/∆H é a permeabilidade incremental do material, µi , a qual tende a µ0
(permeabilidade do vácuo) quando B tende para seu valor máximo, Bmax, que caracteriza a
saturação do núcleo.
        Na maior parte das aplicações, a operação na região de saturação é evitada. A razão
para isso é que, na saturação ocorre uma drástica redução na indutância e, associado a isso,
ocorrem grandes elevações de corrente (associada a H) para pequenas variações de tensão
(associada a B). Para um transformador, a saturação significa ainda uma redução no fator de
acoplamento entre os enrolamentos, uma vez que o núcleo perde sua característica de menor
relutância em relação ao ar.
        O dimensionamento de um elemento magnético é feito, via de regra, em situações de
regime permanente, ou seja, considerando-se que a tensão média nos terminais do dispositivo é
nula e a densidade de campo mangético excursiona entre os valores simétricos de B.
                                                     B(G)
                                                    5.0K
                                                                                              Bmax

                                                                    A




                                                         Br

                                                   -Hc
               -3.0             -2.0        -1.0           0.0 Hc       1.0           2.0            3.0

                                                              -Br                             H (A.esp/m)


                                                                              1 T = 10000 G

                      -Bmax

                                                   -5.0K
                         Figura 7.4 Curva de histerese típica de ferrite
         O problema da saturação é agravado nas situações transitórias, especialmente no início
de operação do dispositivo (start-up). Partindo-se de uma situação em que B=0, no primeiro
semi-ciclo de funcionamento tem-se a possibilidade de variar o fluxo em apenas metade da
excursão necessária. A solução, óbvia, de projetar o elemento para suportar o dobro de
variação de fluxo, não é muito razoável por aumentar demasiadamente (4 vezes) o volume do
componente. A melhor solução é controlar eletronicamente a partida do conversor (soft-start).
         O problema de “start-up” é agravado quando Br tem valor elevado. Suponhamos que o
circuito foi desenergizado quando se estava no ponto A da curva B x H (figura 7.4). A corrente
irá a zero e tem-se B=Br. O reinício de operação a partir deste ponto leva a resultados ainda
piores do que uma partida com B=0.
         A magnetização remanente pode ser atenuada pela inclusão de um entreferro no núcleo.

Hg ⋅ g+ Hm ⋅ l          c     = N⋅i                                                                         (7.2)



http://www.dsce.fee.unicamp.br/~antenor                                                                                   7-6
Fontes Chaveadas - Cap. 7        COMPONENTES PASSIVOS UTILIZADOS EM FONTES CHAVEADAS         J. A. om l o



B = µ 0 ⋅ H g = µc ⋅ H m                                                                      (7.3)

Hm e Hg são as intensidades do campo magnético no núcleo e no entreferro, respectivamente.
l c é o comprimento do circuito magnético (no núcleo) e g é o comprimento do entreferro.

          N⋅i   B⋅ g
Hm =          −                                                                               (7.4)
          l c µ0 ⋅ l c

        Nota-se em (7.4) que a introdução do entreferro permite que Hm seja atingido para
valores maiores de corrente. O efeito sobre a curva B x Ni é mostrado na figura 7.5. A
indutância incremental se reduz, mas é linearizada. O valor de Br também se reduz. Bmax não se
altera por ser uma característica do material.
        O aumento do entreferro leva a uma diminuição da indutância, mas aumenta o valor da
corrente na qual ocorre a saturação.
                                                         B (G)
                                                 5.0K




                                                   +Br

                 -10                 -5                  0           5                 10
                                                                                H(A.esp/m)




                                                 -5.0K



                            Figura 7.5 Curva de histerese em indutor com entreferro


7.2.2 Modelo para um transformador
        Um modelo de parâmetros concentrados pode ser usado para análise de um
transformador, incluindo seus elementos parasitas e não-idealidades, associados a um
transformador ideal. A figura 7.6 mostra um circuito de parâmetros concentrados para
modelamento de transformadores.
        Rp e Rs são as resistências dos enrolamentos de primário e secundário,
respectivamente. Lp e Ls representam as indutâncias de dispersão. Lm é a indutância de
magnetização do primário, enquanto Rfe representa as perdas no núcleo por causa da histerese
e das corrente de Foucault. Cp e Cs são as capacitâncias existentes entre espiras de cada
enrolamento, enquanto Cps indica a capacitância entre os enrolamentos. Na verdade estas
capacitâncias são elementos distribuídos e o modelo é válido apenas dentro de certos limites de
freqüência, acima do qual deixa de representar adequadamente o dispositivo. Este modelo não
inclui os efeitos da saturação (o que daria uma característica não-linear às indutâncias), uma
vez que o projeto do transformador deve evitar a operação nos limites da saturação.

http://www.dsce.fee.unicamp.br/~antenor                                                                     7-7
Fontes Chaveadas - Cap. 7        COMPONENTES PASSIVOS UTILIZADOS EM FONTES CHAVEADAS         J. A. om l o




                                                              Cps
                            Rp        Lp                                     Rs    Ls


                                                   Cp Lm                 Cs
                                          Rfe


                                                              1:N
                                                             IDEAL

                   Figura 7.6 Modelo de parâmetros concentrados para transformador

         Para os transformadores de alta tensão, onde o número de espiras do secundário é
elevado, a capacitância Cs pode assumir valores muito significativos, especialmente quando
refletida ao primário. Já a capacitância entre enrolamentos produz um caminho de baixa
impedância entre primário e secundário, em altas freqüências, fazendo um acoplamento muito
danoso, especialmente em termos de interferência eletro-magnética.
         A resposta em freqüência de um transformador, obtida por simulação do modelo
estudado (com os parâmetros estimados a partir de resultados experimentais de um
transformador de alta tensão) é mostrada na figura 7.7.
         Em baixas freqüências e efeito dominante é o da indutância de magnetização. À medida
que se eleva a freqüência, a reatância das capacitâncias dos enrolamentos vai se tornando mais
importante, chegando-se a uma ressonância paralela entre estas capacitâncias e Lm, com o fator
de qualidade dado principalmente por Rfe. Em freqüência ainda mais altas surge o efeito da
indutância de dispersão, que produzirá uma ressonância série com as capacitâncias dos
enrolamentos e se tornará dominante após tal freqüência.

                 90d                            Fase
                                                                                       Rp=.01
                                                                                       Lp=1uH
                                                                                       Rfe=10k
                                                                                       Cp=10pF
                                                                                       Lm=100uH
                                                                                       Cps=10pF
                 -90d
                                                                                       N=40
                  10k                           Módulo                                 Cs=100pF
                                                                                       Ls=10uH
                                                                                       Rs=1




                 10m
                   1.0kHz         10kHz          100kHz    1.0MHz    10MHz    100MHz

                        Figura 7.7 Impedância, vista pelo primário, de transformador




http://www.dsce.fee.unicamp.br/~antenor                                                                     7-8
Fontes Chaveadas - Cap. 7        COMPONENTES PASSIVOS UTILIZADOS EM FONTES CHAVEADAS   J. A. om l o



7.2.3 A posição dos enrolamentos
        A forma construtiva dos enrolamentos é muito significativa para a determinação dos
valores da indutância de dispersão e das capacitâncias. Para obter uma pequena dispersão de
fluxo deve-se colocar os enrolamentos numa disposição que permita ao fluxo produzido por um
deles enlaçar de maneira mais efetiva as espiras do outro. Por exemplo, a disposição mostrada
na figura 7.8, com todo o secundário colocado sobre o primário, apresenta um maior fluxo
disperso do que um arranjo no qual o primário é enrolado entre 2 segmentos do secundário.
Outra possibilidade é fazer um enrolamento bifilar, mas isto só é possível quando ambos
condutores tiverem diâmetros semelhantes, e quando não for necessária uma maior isolação
entre os enrolamentos.

                                     Primário                             Primário




                            NÚCLEO                               NÚCLEO




                            Isolamento   Secundário                    Secundário
                             Figura 7.8 Posições de enrolamentos em transformador

        Se, por um lado este arranjo reduz a dispersão, por outro aumenta a capacitância entre
os enrolamentos.
        A redução da capacitância entre enrolamentos pode ser obtida pela colocação de um
filme ou fita entre cada enrolamento. Uma fita metálica pode ser usada ainda como uma
blindagem eletrostática, o que pode ser útil para efeito de redução de interferência eletro-
magnética. Obviamente a fita não pode se constituir numa espira em curto, devendo ser
adequadamente isolada.

7.2.3.1 Regulação Cruzada
        Em transformadores com mais de 1 secundário, a realimentação é feita a partir do
secundário que fornece a saída de maior potência. É esta saída que determinará se o ciclo de
trabalho deve aumentar ou diminuir, a fim de manter estável a tensão de saída. Caso não tenha
ocorrido variação semelhante na carga das demais saídas, suas tensões sofrerão alteração e   m
virtude da mudança na largura do pulso.
        Por exemplo, consideremos uma fonte que forneça saídas de +5V, +12V e -12V, com a
saída de +5V sendo utilizada para efeito de realimentação. A figura 7.9 mostra a             s
características de regulação (normalizadas). Um aumento na carga desta saída provoca uma
queda maior nas resistências dos enrolamentos (primário e secundário +5V), produzindo uma
redução na tensão de 5V, o que leva o circuito de controle a aumentar a largura do pulso a fim
de recuperar a tensão esperada (caso A). Supondo que não tenha havido variação significativa
nas cargas conectadas às saídas de +12V e -12V, suas tensões serão aumentadas indevidamente
(caso B).

http://www.dsce.fee.unicamp.br/~antenor                                                               7-9
Fontes Chaveadas - Cap. 7       COMPONENTES PASSIVOS UTILIZADOS EM FONTES CHAVEADAS      J. A. om l o


        De maneira oposta, se ocorrer um aumento na carga de uma das s             aídas não
realimentadas, o circuito de controle não se dará conta da alteração, não alterando o ciclo de
trabalho e, assim, não corrigindo a tensão (caso C). Tais variações podem, facilmente
ultrapassar 20%, podendo colocar em risco as cargas alimentadas pela fonte.

                        Tensão de saída (normalizada)

                                                   B
                                                                    Saída realimentada
                                                             A

                                               C




                                                       100 120
                                         Potência de saída (%)

              Figura 7.9 Tensões de saída normalizadas para fonte com múltiplas saídas

         As medidas relativas aos enrolamentos e que podem minimizar estes fenômenos
referem-se também a buscar o máximo acoplamento possível entre todos os enrolamentos. A
melhor maneira de se obter este acoplamentos é se fazer um cabo com todos os fios que
performarão cada saída, enrolando-os juntos no núcleo (desde que a isolação propiciada pelo
verniz dos fios seja suficiente para a aplicação específica). Isto permite que a variação de carga
em uma das saídas afete a tensão nas demais, de modo a que o circuito de controle perceba a
perturbação. A figura 7.10 mostra diferentes arranjos, e a tabela 7.I dá os resultados
experimentais [7.2].
         Caso este tipo de enrolamento não seja possível, deve-se buscar a melhor disposição
relativa dos enrolamentos, como mostrado nas figuras abaixo.




                     T1                       T2                 T3            T4
                    Primário                Secundário 1          Secundário 2
    Figura 7.10. Diferentes arranjos de enrolamentos em transformador com múltiplas saídas.




http://www.dsce.fee.unicamp.br/~antenor                                                             7-10
Fontes Chaveadas - Cap. 7   COMPONENTES PASSIVOS UTILIZADOS EM FONTES CHAVEADAS   J. A. om l o


                                                TABELA 7.I

     Resultados de variação da tensão da saída não realimentada (secundário 2, 12 V) com a
               variação da carga na saída realimentada (Vo1 = 5 V e Ro2 = 7,8 Ω)

      T1 (V)                T2 (V)                T3 (V)          T4 (V)            R01(Ω)
      18,20                 17,20                 16,40           16,30              0,44
      17,97                 16,97                 16,26           16,15              0,50
      17,78                 16,75                 16,15           16,00              0,56
      17,59                 16,45                 15,96           15,85              0,65
      17,41                 16,19                 15,76           15,70              0,77
      17,20                 15,97                 15,61           15,55              0,96
      17,13                 15,74                 15,51           15,45              1,27
      16,85                 15,55                 15,36           15,30              1,83
      13,36                 12,14                 12,27           12,26              3,5

7.2.4 Perdas nos elementos magnéticos

7.2.4.1 Perdas no núcleo
        Estas perdas são devidas às correntes induzidas no núcleo (correntes de Foucault) e à
histerese do material magnético.
        As perdas por histerese são o resultado da energia consumida para girar a orientação
dos domínios magnéticos dentro do material. Esta energia corresponde à área interna do laço
de histerese. Seu valor por ciclo e por unidade de volume do material é:
      r r
E = ∫ H ⋅ dB                                                                       (7.5)

         Os materiais atualmente disponíveis não conduzem simultaneamente a boas soluções
para ambas perdas. Quando se obtém um curva B-H estreita (como em materiais com
manganês e zinco), a resistividade é baixa. Em ferrites à base de níquel tem-se elevada
resistividade, mas um laço de histerese consideravelmente maior.
         Em materiais de baixa resistividade faz-se a laminação do núcleo a fim de elevar a
resistência. As lâminas devem ser isoladas entre si, o que ocorre, via de regra, pela própria
oxidação do material ou pelo uso de verniz. Núcleos laminados podem ser utilizados e        m
freqüências até 20 kHz. Acima deste valor devem-se utilizar cerâmicas (ferrites) ou núcleos de
pó.
         As perdas no núcleo podem ser expressas por:

R fe = µ ⋅ L ⋅ (a ⋅ B ⋅ f + c ⋅ f + e ⋅ f 2 )                                      (7.6)

Rfe: resistência equivalente para as perdas totais no núcleo
µ: permeabilidade
L: indutância
a: coeficiente de perdas por histerese (dado de catálogo)


http://www.dsce.fee.unicamp.br/~antenor                                                      7-11
Fontes Chaveadas - Cap. 7   COMPONENTES PASSIVOS UTILIZADOS EM FONTES CHAVEADAS   J. A. om l o


c: coeficiente de perdas residuais (dado de catálogo)
e: coeficiente de perdas por correntes de Foucault (dado de catálogo)
B: fluxo máximo de trabalho (especificação do projeto)
f: freqüência

        Como as perdas por histerese dependem de B, usualmente utiliza-se um valor
relativamente baixo para este parâmetro (50% de Bmax para os circuitos MLP e 15% para os
ressonantes). A evolução das perdas devido às correntes induzidas com o quadrado da
freqüência, leva à necessidade determinante do uso de materiais com elevada resistividade
volumétrica, como as ferrites.

7.2.4.2 Perdas nos enrolamentos
        As perdas nos enrolamentos não são devidas unicamente à resistência dos fios de cobre
utilizados, mas, principalmente, ao efeito pelicular ("skin effect").
        O efeito pelicular é devido à presença de componentes de corrente em alta freqüência,
que produzem um elevado campo elétrico no interior do condutor, o qual é normal à superfície
do fio. Isto "empurra" a corrente do centro para a periferia do condutor, reduzindo a àrea por
onde, efetivamente, passa a corrente, elevando a resistência do caminho, elevando as perdas.
        A expressão para o efeito pelicular, para um condutor de cobre, pode ser aproximada
por:

         4,35 ⋅ 10 −3
γ=                                                                                 (7.7)
              f

γ: dimensão dentro da qual, para uma dada freqüência, não ocorre redução significativa na
superfície condutora (em metros)
         Por exemplo, para 20kHz, γ = 0,47 mm, ou seja, um fio com diâmetro de 0,94 mm
pode ser usado para conduzir uma corrente a 20kHz sem ter sua área condutora
significativamente reduzida pelo efeito pelicular.
         Relembre-se aqui que as correntes não são, via de regra, senoidais, de modo que deve
ser considerado um certo fator de folga para acomodar as perdas devidas às componentes
harmônicas.
         A figura 7.11 mostra, para cada freqüência, qual condutor (de cobre) pode ser usado de
maneira evitar o aumento das perdas pelo efeito pelicular.
         A maneira usual de se contornar este problema é o uso de "fio Litz", o qual é um cabo
composto por diversos fios (isolados entre si) de diâmetro adequado à freqüência de operação,
cuja secção transversal total permita uma densidade de corrente suficientemente baixa para não
causar perdas elevadas (em geral inferior a 3 A/mm2). Outra possiblidade é o uso de fitas de
cobre com espessura inferior a 2γ. Como, geralmente, estas fitas não são isoladas, deve-se
tomar cuidados adicionais com este aspecto.
         Um outro aspecto que deve ser lembrado refere-se à indução de corrente nos
condutores próximos às regiões do núcleo nas quais ocorre um estrangulamento do fluxo
magnético com uma consequente dispersão local pelo ar. É óbvio que este problema é mais
grave se for utilizado um enrolamento com fita metálica, a qual apresenta uma resistência
menor do que um cabo Litz de área equivalente (em virtude da isolação entre cada fio).


http://www.dsce.fee.unicamp.br/~antenor                                                      7-12
Fontes Chaveadas - Cap. 7        COMPONENTES PASSIVOS UTILIZADOS EM FONTES CHAVEADAS        J. A. om l o


                            Diâmetro do fio em mm
                                10




                                 1




                               0.1                      4                5              6
                                     1000           1 10             1 10           1 10
                                                             f(Hz)
              Figura 7.11 Diâmetro de fio que deve ser usado em função da freqüência.

       Em um transformador, caso se faça uso de condutores sólidos, de cabos Litz e fitas, a
colocação de cada um no núcleo, deve seguir à seguinte ordem: cabo Litz mais próximo ao
núcleo (e, assim, mais suceptível ao fluxo disperso), metade do enrolamento do primário, os
secundário com fita, e a segunda metade do primário. Note-se que a posição do secundário
enrolado com fio Litz não contido pelo primário, leva a um aumento do fluxo de dispersão,
com os inconvenientes já citados. A figura 7.12 mostra o arranjo recomendado.

                                      Fio Litz Secundários



                                                                     Fitas de isolação
                              Núcleo




                                            1/2 primário

              Figura 7.12. Arranjo de enrolamentos em transformador de alta freqüência

7.3 Referências Bibliográficas

[7.1]     “Capacitores Eletrolíticos de Alumínio”. Catálogo Icotron.

[7.2]     Nascimento, W.B.M. e Fagundes, J.C., ” Static Cross Regulation Analysis Using a
          Multiple Output Forward Converter” 1º Congresso Brasileiro de Eletrônica de
          Potência. Florianópolis, Dezembro de 1991




http://www.dsce.fee.unicamp.br/~antenor                                                                7-13
Fontes Chaveadas - Cap. 8        CONTROLE DE FONTES CHAVEADAS                                   J. A. Pomilio



8. CONTROLE DE FONTES CHAVEADAS

        A implementação de uma (ou mais) malhas de controle tem por objetivo garantir a
precisão no ajuste da variável de saída, bem como a rápida correção de eventuais desvios
provenientes de transitórios na alimentação ou mudanças na carga.
        Embora o sistema a ser controlado seja obviamente não-linear, o fato de a freqüência
de chaveamento ser muito maior que a freqüência de corte dos filtros passa-baixas do
sistema, torna razoável fazer o modelo do sistema considerando os valores médios das
variáveis sujeitas ao chaveamento.
        A ferramenta básica de projeto é, em geral, o diagrama de Bode (figura 8.1), usando-
se os critérios de margem de fase e margem de ganho para estabelecer o compensador
adequado.
                        0
                                                  Margem de fase: 66 graus


                      -180




                     -400
                       50




                       0



                                                              Margem de ganho: -10 dB
                      -50
                       100Hz   1.0kHz     10kHz          100kHz              1.0MHz     10MHz


              Figura 8.1 Diagrama de Bode indicando as margens de ganho e de fase.

        O uso de realimentação negativa já produz uma defasagem de 180°. Assim, o sistema
não deve acrescentar defasagem de mais 180° nas freqüências em que o ganho for maior que
1 (0 dB).
        A maneira usual de desenvolver-se a análise é buscar uma expressão para a relação
entre a tensão de saída e a tensão de controle. Em termos do compensador a ser utilizado,
existe uma infinidade de alternativas, das quais apresentaremos algumas a título de
ilustração.
        A tensão de controle é aquela que determina o ciclo de trabalho da fonte, sendo
fornecida pelo compensador, a partir do erro existente entre a referência e a tensão de saída.
        O compensador deve ter como característica, além de assegurar a estabilidade do
sistema, um ganho que se reduza com o aumento da freqüência, de modo que o
chaveamento do circuito de potência não seja sentido na malha de controle. Outra
implementação interessante é de um ganho infinito para freqüência zero, o que garante um
erro de regime nulo, ou seja, a tensão de saída é igual à referência. Adicionalmente, o
aumento da banda passante é interessante uma vez que melhora a resposta dinâmica do
sistema, permitindo compensar com maior rapidêz os transitórios.

8.1 Conversor tipo "fly-back" no modo tensão (condução descontínua)

       Procura-se a relação Vo/Vc para, conhecendo-a, determinar o compensador que
garanta a estabilidade do sistema. O circuito opera no modo descontínuo. A figura 8.2


http://www.dsce.fee.unicamp.br/~antenor                                                                         8-1
Fontes Chaveadas - Cap. 8                 CONTROLE DE FONTES CHAVEADAS                          J. A. Pomilio


mostra a topologia com o sistema de controle. Na figura 8.3 tem-se a forma de onda da
corrente de entrada.


                            Vi
                                                                ..
                                                            N1 : N2

                                                                       C
                                            Ii              L
                                                                                      Ro
                                                                       Rse            +
                    Vs                                                                     Vo
                                                                      io


                                                                     Compensador


                                             Vc

                                                                           +        Vref


                     Figura 8.2 Conversor “fly-back” controlado no modo tensão.

                                                                Ip

                                                                               Ii
                                      0
                                                   tT

                                                        τ
                                 Figura 8.3 Forma de onda da corrente de entrada.
       Vi ⋅ t T
Ip =                                                                                        (8.1)
         L

     Vi ⋅ t 2
Ii =        T
                                                                                            (8.2)
     2⋅ L ⋅ τ

                  Vi 2 ⋅ t 2
Pi = Vi ⋅ Ii =             T
                                                                                            (8.3)
                  2⋅ L ⋅ τ

          Considerando uma eficiência de 100%:

Po = Ro ⋅ i o2 = Pi                                                                         (8.4)

       O ciclo de trabalho é determinado pela relação entre a tensão de controle e a
amplitude da onda dente de serra.




http://www.dsce.fee.unicamp.br/~antenor                                                                         8-2
Fontes Chaveadas - Cap. 8             CONTROLE DE FONTES CHAVEADAS                  J. A. Pomilio


tT     Vc
   =δ=                                                                          (8.5)
 τ     Vs

          Seja D o valor médio (não perturbado) do ciclo de trabalho δ.

           Vi 2 ⋅ t 2                    Vi         Vc
io =                   ⇒ io =                     ⋅
  2                 T
                                                                                (8.6)
        2 ⋅ L ⋅ Ro ⋅ τ              2 ⋅ L ⋅ Ro ⋅ f Vs

          Seja:

              Vi
A=                                                                              (8.7)
         2 ⋅ L ⋅ Ro ⋅ f

          Desprezando Rse, o circuito de saída pode ser representado como na figura 8.4:

                                                              +
                                          io        C    Ro   Vo



                       Figura 8.4 Circuito equivalente da saída, desprezando Rse.

           dv o vo
io = C⋅        +                                                                (8.8)
            dt Ro

dv o   vo  A Vc
     +    = ⋅                                                                   (8.9)
 dt C ⋅ Ro C Vs

          Aplicando a transformada de Laplace:

               Vo(s)    A
S ⋅ Vo(s) +          =       ⋅ Vc(s)                                            (8.10)
               Ro ⋅ C C ⋅ Vs

          A função de transferência é:

          Vo(s)             Vi       1      1
G(s) =          =                  ⋅   ⋅                                        (8.11)
          Vc(s)             2 ⋅ L Vs (1 + s⋅ Ro ⋅ C)
                            Ro ⋅ τ

        Da função de transferência tem-se que:
- é um sistema de primeira ordem;
- ganho estático (ou seja, quando s tende a zero) depende da carga.
        Considerando Rse, introduz-se um zero em G(s).

             Vi       1 (1 + s⋅ Rse ⋅ C)
G(s) =              ⋅   ⋅                                                       (8.12)
             2 ⋅ L Vs (1 + s⋅ Ro ⋅ C)
             Ro ⋅ τ


http://www.dsce.fee.unicamp.br/~antenor                                                             8-3
Fontes Chaveadas - Cap. 8                CONTROLE DE FONTES CHAVEADAS                                    J. A. Pomilio



       Nota-se claramente que a presença da resistência série do capacitor impede que o
ganho se reduza com o aumento da freqüência, o que implica na presença, no sinal
realimentado, de uma componente de tensão na freqüência do chaveamento.
       Os diagramas mostrados na figura 8.5 indicam a resposta do circuito. Sem a
presença da resistência série do capacitor a amplitude é sempre decrescente com o aumento
da freqüência, enquanto a fase se mantém em -90 graus. Considerando-se a presença de Rse
e, portanto, de um zero na função de transferência o ganho deixa de decrescer com a
aumento da freqüência e a defasagem vai a -90 graus mas retorna para zero.
       Dada a dependência da carga, os diagramas devem ser analisados para as condições
extremas de Ro, fazendo-se o projeto em função do pior caso.

                        20

                        0
                                                                  Ganho (dB)
                                         Fase (graus)                                  Rse=0


                      -100

                        20


                        0
                                                                Ganho (dB)

                                         Fase (graus)                                     Rse>0


                      -100
                        100mHz   1.0Hz         10Hz     100Hz     1.0KHz       10KHz   100KHz   1.0MHz



Figura 8.5 Diagramas de Bode do conversor “fly-back”, no modo descontínuo, para Rse=0 e
                                       Rse>0.

8.1.1    O compensador
         Considerando os diagramas de Bode apresentados anteriormente, pode-se afirmar
que deve haver preocupação quanto à margem de fase, uma vez que, com realimentação
negativa e com o uso de algum elemento integrador, a máxima defasagem poderá atingir
360°, podendo levar o sistema à instabilidade. Quanto ao ganho, deve-se buscar elevar o
ganho CC a fim de reduzir o erro estático, além disso, para freqüências elevadas, deve-se
garantir um ganho decrescente.
         A freqüência de cross-over (ganho 0dB), em malha fechada, deve ser ajustada para
cerca de 1/5 da freqüência de chaveamento.
         Um possível compensador é mostrado na figura 8.6, o qual tem uma característica de
filtro passa-baixas, tendo o ganho CC ajustado pelas resistências. Sua freqüência de corte é
dada por: ωpa=1/RfCi.
         Para evitar que a margem de fase se estreite muito, a freqüência de corte do
compensador deve ser colocada próxima à freqüência determinada pelo zero da função de
transferência.
         Mostram-se a seguir os diagramas relativos a 2 compensadores diferentes. Na figura
8.7 tem-se a freqüência de corte do filtro alocada em um valor bem abaixo da freqüência
determinada por Rse e pela capacitância. Note-se a estreita margem de fase (menor que
12°). No segundo caso (figura 8.8) a freqüência do filtro foi alocada para a freqüência
relativa ao zero da função de transferência. Observa-se claramente a melhoria na margem de
fase (70°), a expansão da faixa de passagem para 266Hz (contra 16Hz do caso anterior),
mantendo-se o ganho CC (50dB) e a atenuação para freqüências crescentes.

http://www.dsce.fee.unicamp.br/~antenor                                                                                  8-4
Fontes Chaveadas - Cap. 8                                 CONTROLE DE FONTES CHAVEADAS                                                                J. A. Pomilio


       O deslocamento da freqüência de corte do filtro para valores mais elevados faz com
que a mudança na fase ocorra numa região em que o zero também esteja atuando, o que
provoca a melhoria na margem de fase.

                                                                                       Rf

                                                                                                          Ganho CC = Rf/Ri

                                                                                           Ci
                                                          Ri
                        Ve                                                             -                         Vc
                    Tensão de erro Ve=Vr-Vo
                                                                                       +



                   Figura 8.6 Compensador para “fly-back” no modo descontínuo.
                    50




                         0




                                          Fase (graus)                                     Ganho (dB)



                  -100




                  -180
                     100mHz               1.0Hz                10Hz           100Hz             1.0KHz      10KHz              100KHz        1.0MHz



  Figura 8.7 Resposta de “fly-back” realimentado com freqüência de corte do compensador
                                         muito baixa.
                                50




                                 0



                                                                                                         Ganho (dB)
                                                               Fase (graus)


                              -100




                              -180
                                 100mHz           1.0Hz               10Hz     100Hz         1.0KHz      10KHz        100KHz        1.0MHz




  Figura 8.8 Resposta de “fly-back”realimentado com freqüência de corte do compensador
                             igual à freqüência do zero (Rse.C).

8.2 “ Fly-back” no modo contínuo

      A operação de um conversor tipo abaixador-elevador, operando no modo de
condução contínuo, apresenta uma importante dificuldade do ponto de vista do controle em


http://www.dsce.fee.unicamp.br/~antenor                                                                                                                               8-5
Fontes Chaveadas - Cap. 8                  CONTROLE DE FONTES CHAVEADAS                                                            J. A. Pomilio


malha fechada, em virtude da existência de um zero da função de transferência no semi-
plano direito (RHP). Os diagramas de Bode da função de transferência (8.13) são mostrados
na figura 8.9.
        A função de transferência para pequenas perturbações em torno do ponto de
operação é:

                                                         D        s⋅ L 
                             (1 − D)2 ⋅ 1 − ⋅
                                                              ⋅        
Vo(s) Vi                                         (1 − D)2         Ro  
     =   ⋅                                                                                                                 (8.13)
                        s⋅ L  1 
                                              2                                 2
Vc(s) Vs                                           1 
                     1+     ⋅      + s ⋅ L ⋅ C⋅ 
                                        2
                                                        
                        Ro  1 − D                1− D

             -0

                                                                                                                    Valores utilizados:
                                                                                              ganho (db)
                                                                                                                    Vi=100V
                                                                                                                    Vo=100V
                                                                                                                    Vs=10V
            -100
                                           Fly-back operando no modo contínuo, sem isolação                         Ro=100 ohms
                                                                                                                    L=10mH
                                                                                                                    C=100uF


                                           fase (graus)
            -200




              10Hz                 100Hz                  1.0KHz                  10KHz                    100KHz


Figura 8.9 Diagramas de Bode da função de transferência do conversor “fly-back” no modo
                                      contínuo.

        Um zero no RHP provoca, sobre o ganho, uma variação de +20dB/dec (como um
polo no semi-plano esquerdo). No entando, produz um defasagem de -90°, como se vê na
figura 8.10.
                                                                                     0

                     Ganho                                                    Fase


                                                                                     50




                                                                                    100
                                       freq                                                                 freq
                  Figura 8.10 Resposta em frequência de um zero no semi-plano direito.

        Isto o torna muito difícil de compensar, uma vez que se tentamos compensar o
ganho crescente (pelo uso de um filtro passa baixas, por exemplo), a defasagem tende a
360°, reduzindo drasticamente a margem de fase. Se se tenta compensar a fase, o ganho se
torna crescente à medida que se eleva a freqüência, impedindo a atenuação do sinal
determinado pelo chaveamento do conversor. A única alternativa simples é reduzir o ganho,
o que traz a freqüência de cruzamento (cross-over, 0dB) para valores muito baixos,
tornando extremamente pobre a resposta do sistema às perturbações.
        Além das dificuldades de compensação já comentadas, outro problema é que a
freqüência do zero no RHP varia com o ponto de operação (Ro ou Vo), tornando ainda

http://www.dsce.fee.unicamp.br/~antenor                                                                                                            8-6
Fontes Chaveadas - Cap. 8           CONTROLE DE FONTES CHAVEADAS              J. A. Pomilio


mais difícil a determinação de um compensador. Esta freqüência é dada pela expressão a
seguir:

             Ro ⋅ (1 − D)
                             2

ω z ( RHP) =                                                               (8.14)
                 L ⋅D

        A manifestação desta característica do conversor fly-back no modo contínuo pode
ser visualizada considerando o comportamento do sistema (supondo malha fechada), como
mostrado na figura 8.11.

                                          iL




                            Io
                                               T            D

                                                T               D

     Figura 8.11 Efeito de variação de carga sobre o ciclo de trabalho em malha fechada.

        Na ocorrência de um aumento em degrau na carga (o que provoca uma redução na
tensão de saída, devido às perdas do circuito e à regulação do transformador), o
amplificador de erro produz um aumento no ciclo de trabalho do conversor, buscando elevar
a tensão de saída. No entanto, um maior ciclo de trabalho implica num menor intervalo de
tempo no qual ocorre a condução do diodo de saída, intervalo este no qual ocorre a
transferência de energia para a saída. Ora, se o crescimento da corrente média pelo indutor
demora alguns ciclos para se estabilizar, a redução do intervalo de condução do diodo é
instantânea a partir da a mudança no ciclo de trabalho. Assim, o primeiro efeito que s     e
observa sobre a carga é, na verdade, o de uma redução ainda maior na tensão, causada pela
diminuição na corrente de saída. Isto continua até que a corrente pelo indutor cresça para o
novo e adequado valor.

8.3 Conversor tipo seguidor de tensão (forward)

        Estes conversores são aqueles que possuem um filtro de segunda ordem na saída,
como o abaixador de tensão ou o push-pull. A figura 8.12 mostra uma topologia típica com
controle de tensão.
        O filtro LC produz a mais baixa freqüência de corte do sistema e significa um polo
duplo (-40dB/dec e defasagem de -180°). O capacitor e sua resistência série representam um
zero (+20dB/dec e defasagem de +90°).

                1                        1
f LC =                           ωo =                                      (8.15)
         2⋅ π ⋅ L ⋅C                    L ⋅C


               1
fz =                                                                       (8.16)
       2 ⋅ π ⋅ C ⋅ Rse


http://www.dsce.fee.unicamp.br/~antenor                                                       8-7
Fontes Chaveadas - Cap. 8            CONTROLE DE FONTES CHAVEADAS                J. A. Pomilio



                            Vi
                                                   ..             V2
                                                                       L C       +Vo



                                       N3   .     N1 N2
                                                                        Rse      Ro



         Vs
                                 -
                                 +
                                                       Compensador


                                                       Vc     -
                                                                         Vr
                                                              +


                      Figura 8.12. Conversor “forward” com controle de tensão.


          A tensão no secundário é dada por:

              N2      Vi ⋅ N 2 ⋅ Vc
V2 = Vi ⋅        ⋅δ =                                                         (8.17)
              N1        N 1 ⋅ Vs

V2 Vi ⋅ N 2
  =                                                                           (8.18)
Vc Vs ⋅ N 1

         A relação entre a tensão no secundário e a tensão de saída é dada pela resposta do
filtro de segunda ordem da saída. Desconsiderando o efeito da resistência da carga e de Rse
tem-se um fator de qualidade infinito.

Vo       1
   =                                                                          (8.19)
V2 1 + s ⋅ L ⋅ C
        2




          A função de transferência é:

          Vo(s)         Vi ⋅ N 2
G(s) =          =                                                             (8.20)
          Vc(s) Vs ⋅ N 1 ⋅ (1 + s2 / ω o2 )

          Quando se considera Rse, adiciona-se um zero à função:

          Vo(s)   Vi ⋅ N 2 ⋅ (1 + s / ω z )
G(s) =          =                                                             (8.21)
          Vc(s) Vs ⋅ N1 ⋅ (1 + s2 / ω o )2




          1
ωz =                                                                          (8.22)
        Rse ⋅ C

http://www.dsce.fee.unicamp.br/~antenor                                                          8-8
Fontes Chaveadas - Cap. 8                           CONTROLE DE FONTES CHAVEADAS                      J. A. Pomilio


        Os diagramas mostrados na figura 8.13 ilustram a resposta do filtro de segunda
ordem para diferentes resistências de carga. À medida que aumenta a resistência, o ganho na
freqüência de ressonância se eleva e a mudança de fase se torna mais abrupta.
        Nos diagramas da figura 8.14 tem-se o efeito da presença de Rse associado ao
capacitor, introduzindo o zero na função, o que faz com que a atenuação passe a ser de
20dB/dec, e a defasagem se reduz para 90 graus em altas freqüências.
        Note-se em ambos os casos que a defasagem produzida apenas pelo filtro de s   aída já
é de 180°. Adicionando-se a defasagem proveniente da realimentação negativa, chega-se aos
360°, o que significa que se deve ter muito cuidado na escolha do compensador, o qual deve
garantir uma melhora na margem de fase.
                        50

                              Ganho (dB)




                      -200

                        0d

                              Fase (graus)




                     -200d
                          1.0Hz              10Hz         100Hz    1.0KHz   10KHz   100KHz   1.0MHz




    Figura 8.13 Resposta de filtro de segunda ordem, para diferentes resistências de carga.
                         50

                                  Ganho (dB)




                       -200

                         0d

                                  Fase (graus)




                     -200d
                         1.0Hz               10Hz         100Hz    1.0KHz   10KHz   100KHz   1.0MHz




      Figura 8.14 Resposta de filtro de segunda ordem, considerando Rse, para diferentes
                                      resistências de carga.

8.3.1 O compensador
      O compensador mostrado na figura 8.15 tem como principal característica oferecer
uma defasagem positiva, o que vem a permitir uma melhoria na margem de fase.
      Sua função de transferência é dada por:

Vc(s)            (1 + Riz ⋅ Ci ⋅ s) ⋅ (1 + Cf ⋅ Rfz ⋅ s)
      =                                                                                          (8.23)
Ve(s)                                           R ⋅R 
            s⋅ Cf ⋅ ( Rip + Riz ) ⋅  1 + s⋅ Ci ⋅ ip iz 
                                    
                                                Riz + Rip 
                                                           


http://www.dsce.fee.unicamp.br/~antenor                                                                               8-9
Fontes Chaveadas - Cap. 8                             CONTROLE DE FONTES CHAVEADAS                                     J. A. Pomilio


                                                                     Ci
                                                                                          Rfz     Cf
                                    Ve
                                                                                      -                           Vc
                                                       Rip             Riz
                                                                                      +



                                   Figura 8.15 Compensador com 2 polos e 2 zeros.

        Pela função de transferência do circuito indicado, observa-se a presença de 2 pólos e
2 zeros, nas seguintes freqüências:

ω p1 = 0
           R ip + R iz
ω p2 =
         Ci ⋅ R ip ⋅ R iz
            1                                                                                                      (8.24)
ω z1 =
         Ci ⋅ R iz
             1
ω z2   =
         Cf ⋅ R fz

        Usualmente ωz1=ωz2=ωo e ωp2=5ωo<ωz.
        O ganho CC é, teoricamente, infinito, levando a um erro de regime nulo. O desvio
positivo na fase provoca uma melhoria na margem de fase. Para freqüências elevadas o
compensador apresenta um ganho determinado, mas, a redução é garantida, em malha
fechada, pelo filtro de saída.
        O diagrama de Bode deste compensador é mostrado na figura 8.16. Note que o
ganho não se reduz com o aumento da freqüência, sendo dado pela relação das resistência.
Mas o efeito mais importante é o de ter-se uma defasagem positiva, o que permitirá a
melhoria da margem de fase do sistema.
                             100




                                    Ganho (dB)
                              50




                               0




                             -50


                                        Fase (graus)

                            -100
                               100mHz         1.0Hz          10Hz   100Hz    1.0KHz   10KHz     100KHz   1.0MHz




                             Figura 8.16 Resposta em freqüência do compensador.

        Isto pode ser observado nos diagramas da figura 8.17, quando se obtém uma
margem de fase de 31 graus, numa freqüência de cross-over de 97Hz. O ganho decrescente
para altas freqüências é atingido pelo efeito do próprio filtro de saída.

http://www.dsce.fee.unicamp.br/~antenor                                                                                            8-10
Fontes Chaveadas - Cap. 8                           CONTROLE DE FONTES CHAVEADAS                                                  J. A. Pomilio



                             100



                                        Ganho (dB)


                               0




                                    Fase (graus)
                            -100




                            -200
                               100mHz       1.0Hz          10Hz       100Hz   1.0KHz      10KHz   100KHz       1.0MHz




                       Figura 8.17 Resposta em freqüência do circuito completo.

8.4 Conversor Boost

       Embora com função de transferência distinta, o conversor Bosst apresenta
comportamento semelhante ao do conversor “fly-back”, ou seja, no modo contínuo possui
um zero no semi-plano direito. A figura 8.18 mostra os diagramas de Bode.
       A função de transferência entre a tensão de saída e a tensão de controle, no modo
contínuo, é dada por:

                                                                      2
                         s⋅ L  1 
                             ⋅        1−
       Vo(s) Vi          Ro  1 − D 
G(s) =      =   ⋅                                                                                                                            (8.25)
                            s⋅ L  1 
                                        2
       Vc(s) Vs 2
                  s ⋅L ⋅C+      +    
                             R  1− D

          No modo descontínuo não existe o zero no RHP e a função de transferência é:

          Vi 2 ⋅ Ro ⋅ τ      Vi                 1
G(s) =       ⋅         ⋅ 1 −    ⋅                                                                                                          (8.26)
          Vs     L           Vo       Vi       Vi 
                                    2 −     + 1−     ⋅ s⋅ C ⋅ Ro
                                        Vo       Vo 

          Os diagramas de Bode, para o modo descontínuo, estão mostrados na figura 8.19.
             100



                                                    Ganho (dB)
                                                                                                                        Valores utilizados
              -0                                                                                                        Vi=100V
                                                                                                                        Vo=200V
                                                                                                                        Ro=100 ohms
                                                                                                                        L=100mH
            -100
                                                                                                                        C=100uF
                                                                                                                        Vs=10V

                                                Fase (graus)
            -200




            -300
               10Hz                     100Hz                     1.0KHz               10KHz               100KHz

           Figura 8.18 Resposta em freqüência de conversor Boost no modo contínuo.

http://www.dsce.fee.unicamp.br/~antenor                                                                                                           8-11
Fontes Chaveadas - Cap. 8                   CONTROLE DE FONTES CHAVEADAS                                       J. A. Pomilio



                        40                                                   0
               Ganho (dB)                                          Fase (graus)
                        20

                            0                                                50

                            20

                            40                                 4            100                                 4
                                 10   100           1000   1 10                   10   100           1000   1 10
                                            f(Hz)                                            f(Hz)


         Figura 8.19 Resposta em freqüência de conversor Boost no modo descontínuo.


8.5 Controle feed-forward

        Como se pode apreender das expressões das funções de transferência apresentadas,
se ocorre uma mudança na tensão de entrada, produz-se um erro na saída, o qual,
eventualmente, é corrigido pela realimentação. Isto significa uma performance dinâmica
lenta, especialmente por causa da elevada constante de tempo dos filtros de saída.
        Se o ciclo de trabalho puder ser ajustado diretamente para acomodar a alteração na
tensão de entrada, então a saída poderá nem sentir que ocorreu alguma mudança.
        Isto pode ser obtido fornecendo um sinal da tensão de entrada para o circuito que
produz o sinal MLP, mas especificamente, ao gerador de rampa, o qual deve ter sua
amplitude variável em função da tensão de entrada, como mostrado na figura 8.20.
        Nota-se que a um aumento da tensão de entrada, eleva-se o valor de pico da onda
dente de serra, provocando, para uma mesma referência, uma redução no ciclo de trabalho,
o que levará a uma estabilização da tensão de saída, desde que o ganho que realiza o
aumento da amplitude da rampa esteja corretamente dimensionado.

                                            Vi maior                                         Vs2

                                                                                             Vs1
                                 Vc



                                                                                        δ1


                                                                                        δ2

     Figura 8.20 Variação na amplitude da onda dente de serra e no ciclo de trabalho com
                                    controle feed-forward.

       O uso desta técnica em fontes tipo abaixador de tensão e fly-back (modo
descontínuo), tem excelente resultado. Já sua aplicação em conversores tipo push-pull, meia-
ponte e ponte completa, necessita de atenção para evitar a saturação do transformador, o
que poderia ocorrer caso a forma de onda deixasse de ser simétrica.




http://www.dsce.fee.unicamp.br/~antenor                                                                                    8-12
Fontes Chaveadas - Cap. 8             CONTROLE DE FONTES CHAVEADAS                  J. A. Pomilio


8.6 Controle no modo corrente

        O controle MLP convencional está mostrado na figura 8.21. Aqui, a tensão de
controle, obtida a partir do erro de tensão e do compensador, determina a largura do pulso
pela comparação com uma onda dente de serra de freqüência fixa.
        Este controle da chave de potência ajusta a tensão sobre o indutor e, assim, sua
corrente.
                                                 Vi

                                                                ..          L               +
                                                                                      Ro Vo

     Vr
          Compensador

            +                    Comparador
                                                            .                   C


                            Vc
                                 +
            -                                   Acionador
                                 -



                       Figura 8.21 Esquema básico de controle no modo tensão.

         No controle no modo corrente, uma malha adicional de corrente é usada como
mostra a figura 8.22. Neste caso, a tensão de controle determina diretamente a corrente do
indutor e, assim, a tensão de saída.
         Idealmente, a tensão de controle atuaria no sentido de ajustar a corrente média pelo
indutor de modo a se ter uma rápida resposta, o que, dependendo de como o controle seja
implementado, nem sempre ocorre.
         Existem 3 tipos básico de controle no modo corrente:
a) histerese
b) tempo desligado constante
c) freqüência constante com acionamento sincronizado.

                                                 Vi
                                                                ..          L               +
                                                                                      Ro Vo

                                                            .
          Compensador                                                           C
     Vr                                 Clock
            +
                            Ir
                                 -
            -                           Latch   Acionador
                            io +
                             Comparador



                            Figura 8.22 Esquema de controle no modo corrente.




http://www.dsce.fee.unicamp.br/~antenor                                                         8-13
Fontes Chaveadas - Cap. 8                  CONTROLE DE FONTES CHAVEADAS                  J. A. Pomilio


        Em todas estas alternativas, ou a corrente do indutor, ou a corrente pela chave de
potência (a qual é proporcional à corrente do indutor) é medida e comparada com a tensão
de controle. A figura 8.23 mostra as diferentes técnicas.
        No controle por histerese (também chamado de Modulação por Limites de Corrente
- MLC), a tensão de controle determina o valor médio da corrente do indutor. A variação da
corrente ∆I é um parâmetro de projeto. A freqüência de chaveamento varia com diversos
parâmetros do circuito, como o próprio ∆I, as tensões de entrada e de saída, a indutância, a
carga. Note-se que enquanto a corrente for menor do que o limite superior a chave
permanece fechada. Atingido tal limite, a chave se abre e assim permanece até que seja
atingido o limite inferior.
        Este controle da corrente média é bastante interessante, mas funciona bem apenas no
modo contínuo. No modo descontínuo, como a corrente atinge zero, os limites estabelecidos
para ∆I exigiriam uma corrente negativa. Se o compensador não puder atender a tal
exigência, a chave não voltará a se fechar, uma vez que não se atinge o limite inferior,
fazendo com que a corrente decaia para zero.
        No controle com tempo desligado constante, a tensão de controle determina o valor
máximo da corrente. Uma vez atingido este valor, a chave de potência é desligada por um
intervalo fixo. Também aqui a freqüência de chaveamento é variável com os parâmetros do
circuito.
        No controle com freqüência constante com acionamento sincronizado (o mais usado
dos métodos), a chave é fechada no início de cada período. A tensão de controle determina a
corrente máxima e o instante de desligamento. A chave permanece desligada até o início do
próximo ciclo. O uso de uma freqüência fixa facilita o dimensionamento do filtro de saída.

                                                                                  Imax

            ∆I                                                                   Imédio=K.Vc
                                                                                  Imin


                                                 a) Histerese
                                                                                 Imax=K.Vc




                                toff=cte
                                               b) Tempo desligado constante

                                                                                 Imax=K.Vc




                            τ = cte
                            c) Freqüência constante com acionamento sincronizado

                            Figira 8.23 Técnicas de controle no modo corrente.

http://www.dsce.fee.unicamp.br/~antenor                                                              8-14
Fontes Chaveadas - Cap. 8          CONTROLE DE FONTES CHAVEADAS                J. A. Pomilio



       O controle no modo corrente apresenta diversas vantagens sobre o controle pela
tensão de saída:

a) Limite do pico de corrente pela chave de potência. Como se faz uma medida da corrente,
seja no indutor, seja na própria chave, é possível estabelecer um valor máximo para a tensão
de controle de modo a proteger a chave semicondutora contra sobre-corrente.

b) Redução da ordem do sistema. O fato de se controlar a corrente pelo elemento indutivo
(o que o torna uma "fonte de corrente") altera significativamente o comportamento dinâmico
dos sistemas.
        Nos circuitos tipo "forward", com um filtro de segunda ordem na saída, o uso de
controle no modo corrente reduz a ordem do sistema, uma vez que se passa a ter um
capacitor alimentado por uma fonte de corrente, ou seja, um comportamento dinâmico como
o do conversor fly-back. A figura 8.24 mostra um diagrama de blocos para o controle de
corrente.

                                                         ∆I
                            Vr +          Ir        Io            Ro   Vo
                                   Gr          Kc
                                                         +    1+sCRo


                                                     Hv


Figura 8.24 Diagrama de blocos de conversor abaixador de tensão com controle de corrente.

          A função de transferência é:

Vo(s)       Kc ⋅ Ro
       =                                                                    (8.27)
Ir (s)   1 + s⋅ C ⋅ Ro

c) Modularidade. Saídas de mais de uma fonte podem ser facilmente paraleladas, mantendo
uma distribuição equilibrada de corrente, quando se usa uma mesma tensão de controle para
todos os módulos.

d) Simetria de fluxo. Em conversores push-pull ou em ponte, o controle de corrente elimina
o problema de desequilíbrio de fluxo, dado que se monitora os picos de corrente. Caso o
circuito tenda para a saturação, ocorre um aumento no valor instantâneo da corrente,
levando a uma redução da largura de pulso e, assim, da tensão aplicada, saindo-se da
saturação.

e) Comportamento antecipativo (feed-forward) em relação à tensão de entrada. Como a
derivada da corrente depende do valor da tensão de entrada, caso ocorra uma alteração em
tal tensão, a nova inclinação da corrente produz uma variação na largura de pulso que
automaticamente compensa a perturbação, de modo que ela não seja observada na saída,
conforme se vê na figura 8.25.




http://www.dsce.fee.unicamp.br/~antenor                                                    8-15
Fontes Chaveadas - Cap. 8        CONTROLE DE FONTES CHAVEADAS                    J. A. Pomilio




                                                                                Imédia
        ∆ I



                                                                           δ1

                                                                           δ2

       Figura 8.25 Efeito da variação da tensão sobre a taxa de crescimento da corrente.

        É claro que existem problemas com esta estratégia de controle, dentre as quais os
principais são:

a) Tendência para oscilações sub-harmônicas. Nos modos de controle de corrente nos
quais se realiza a comutação a partir do valor de pico da corrente, é possível que a  s
correções para um desvio na tensão de saída ocorram de modo a levar a tensão além do
valor desejado, implicando numa variação da tensão numa freqüência abaixo da freqüência
de chaveamento.

b) Perda de resposta dinâmica. O uso de controle pelo valor de pico da corrente apresenta
um desempenho dinâmico inferior ao obtido com controle por histerese (controlando a
corrente média, efetivamente).

c) Sensibilidade a ruído. Especialmente para correntes baixas, os ruídos presentes na
corrente, provenientes principalmente de ressonâncias entre capacitâncias parasitas
associadas ao indutor e indutâncias parasitas do circuito, podem levar, erroneamente, à
mudança de estado da chave. A redução destes ruídos pode ser obtida pelo uso de filtros
passa-baixas, os quais, no entanto, também afetarão a corrente real, levando a uma
deterioração da resposta dinâmica do sistema.




http://www.dsce.fee.unicamp.br/~antenor                                                      8-16
Fontes Chaveadas - Cap. 9 MODELAMENTO DE FONTES CHAVEADAS NO ESPAÇO DE ESTADO E SÍNTESE DE COMPENSADORES J. A. Pomilio




9. MODELAMENTO DE FONTES CHAVEADAS NO ESPAÇO DE
ESTADO E SÍNTESE DE COMPENSADORES

         Os métodos de modelamento têm como objetivo fornecer uma expressão matemática
que contenha informações sobre o comportamento estático e/ou dinâmico do sistema, a partir
da qual seja possível estabelecer-se o compensador desejado e ainda estudar o sistema
utilizando ferramentas de análise linear.
         Desconsiderando efeitos de saturação nos elementos magnéticos, a não-linearidade do
sistema encontra-se no estágio de potência. Fazendo-se, por algum método, a linearização
deste elemento, o critério de estabilidade de Nyquist e os diagramas de Bode podem ser
utilizados para determinar o compensador e estudar a estabilidade do sistema.
         A referência [9.1] refere-se a uma técnica desenvolvida para obter um modelo de
variáveis médias no espaço de estado, resultando em um modelo linear para o estágio de
potência, incluindo o filtro de saída, modelo este válido para pequenas perturbações, fazendo-
se a linearização em torno do ponto de operação.
         Desta forma, cada bloco pode ser representado por uma função de transferência. Os
pequenos sinais causadores, ou resultados, da perturbação são indicados por uma letra no
formato v, d, i.
         A figura 9.1 mostra um diagrama de blocos do sistema, enquanto em 9.2 tem-se uma
representação em termos de funções de transferência.

                                         Zf
                                                              Vs
                                                                                         Vi
                      Zi

                                                   Vc    Controlador       δ   Estágio de         Vo
                                                                               Potência e
                          Vr         +                      PWM                filtro
                               Compensador


                                 Figura 9.1 Diagrama de blocos do conversor

                                                                                     V
                                                                                     o
                                                                           T1(s)=
                                                                                     V
                                                                                     c

                                                                       d                      V
                                                                                              o
                                                          Tm(s)=                   Tp(s)=
                                         Tc(s)                         V
                                                                       c                      d
     Vr=0     +            V
                           e                        V
                                                    c      Controlador         d     Estágio de           V
                                                                                                          o
                                  Compensador                                        Potência e
                      -                                        PWM                   filtro




                           Figura 9.2 Funções de transferências do conversor.




http://www.dsce.fee.unicamp.br/~antenor                                                                           9-1
Fontes Chaveadas - Cap. 9 MODELAMENTO DE FONTES CHAVEADAS NO ESPAÇO DE ESTADO E SÍNTESE DE COMPENSADORES J. A. Pomilio



9.1 Linearização do estágio de potência, incluindo o filtro de saída, usando valores
médios das variáveis de estado para obter vo(s)/d(s)

        O objetivo deste estudo é obter uma função de transferência para pequenos sinais entre
a tensão de saída (vo) e o ciclo de trabalho (δ), em torno de seus pontos de operação, Vo e D,
respectivamente.
        Quando for indicada a variável em tipo maiúsculo (Vo, por exemplo), refere-se ao
valor médio da variável. Quando for indicado vo, indica-se apenas o componente alternado,
relativo à perturbação, e quando se expressar a variável em tipo minúsculo (vo), refere-se à
soma de Vo com vo.
        A análise que se segue refere-se à operação no modo contínuo, podendo a análise no
modo descontínuo ser encontrada na referência [9.2].

a) Passo 1: Descrição no espaço de estado para cada estado do circuito

         Operando no modo contínuo, existem apenas 2 configurações topológicas para o
circuito, uma quando a chave controlada está conduzindo e outra quando está bloqueada.
         Durante cada sub-intervalo, o circuito (linear) é descrito através de seu vetor de
estado, x, o qual é composto pela corrente do indutor e pela tensão sobre o capacitor. É
possível incluir no modelo as resistências do indutor e do capacitor. V i é a tensão de entrada.
A 1 e A2 são matrizes de estado e B1 e B2 são vetores.

x = A 1 ⋅ x + B1 ⋅ v i
&                            durante δ ⋅ τ                                                             (9.1)

x = A 2 ⋅ x + B2 ⋅ vi
&                                durante (1 - δ) ⋅ τ                                                   (9.2)

    iL 
x=  
   vC 

          A tensão de saída pode ser escrita em termos apenas de suas variáveis de estado:

v o = C1 ⋅ x             d ur ant e δ ⋅ τ                                                              (9.3)

v o = C2 ⋅ x         d ur ante (1-δ)⋅τ                                                                 (9.4)

onde C1 e C2 são vetores transpostos.

b) Passo 2: Mediar a descrição das variáveis de estado usando o ciclo de trabalho (δ)

       Para produzir uma descrição média do circuito em um período de chaveamento, as
equações correspondentes às duas variações topológicas são ponderadas em relação ao
tempo, resultando em:

x = [ A 1 ⋅ δ + A 2 ⋅ (1 − δ)] ⋅ x + [B 1 ⋅ δ + B 2 ⋅ (1 − δ)] ⋅ v i
&                                                                                                      (9.5)

v o = C1 ⋅ δ + C 2 ⋅(1 − δ) ⋅ x                                                                        (9.6)

Passo 3: Introdução de pequena perturbação e separação de componentes CC e CA


http://www.dsce.fee.unicamp.br/~antenor                                                                           9-2
Fontes Chaveadas - Cap. 9 MODELAMENTO DE FONTES CHAVEADAS NO ESPAÇO DE ESTADO E SÍNTESE DE COMPENSADORES J. A. Pomilio



          As variáveis serão decompostas em:

x= X+x
v o = Vo + vo                                                                                          (9.7)
δ = D+d

       Em geral, vi =Vi +vi. Entretanto, como o objetivo aqui é obter uma função entre vo e δ,
consideraremos a tensão de entrada sem variação, de modo que vi =Vi .
                                                              &
       Usando as equações precedentes e reconhecendo que X =0, tem-se:

x = A ⋅ X + B ⋅ Vi + A ⋅ x+ [( A 1 − A 2 ) ⋅ X + (B 1 − B 2 ) ⋅ Vi ] ⋅ d
&                                                                                                      (9.8)

       Há ainda termos contendo produtos de xe d, os quais serão desprezados, visto serem o
produto de duas variações as quais, por definição, são pequenas.

A = A 1 ⋅ D + A 2 ⋅(1 − D)                                                                             (9.9)

B = B1 ⋅ D + B 2 ⋅(1 − D)                                                                              (9.10)

       O comportamento em regime permanente pode ser obtido da equação (9.8), fazendo-
se nulos os termos variáveis no tempo e as perturbações, resultando em:

A ⋅ X + B ⋅ Vi = 0                                                                                     (9.11)

          A expressão apenas para a componente alternada é:

x = A ⋅ x + [( A 1 − A 2 ) ⋅ X + ( B 1 − B 2 ) ⋅ Vi ] ⋅ d
&                                                                                                      (9.12)

          Analogamente,

Vo + v0 = C ⋅ X + C ⋅ x+ (C1 − C 2)⋅ X ⋅ d                                                             (9.13)

C = C1 ⋅ D + C 2 ⋅(1 − D)                                                                              (9.14)

          Das equações precedentes, em regime permanente tem-se:

Vo = C ⋅ X                                                                                             (9.15)

vo = C ⋅ x+ (C1 − C 2)⋅X ⋅ d                                                                           (9.16)

          A relação entrada/saída, em regime é dada por:

Vo
   = − C ⋅ A −1 ⋅ B                                                                                    (9.17)
Vi

Passo 4: Transformação da equação CA para o domínio da freqüência para obter a função de
transferência


http://www.dsce.fee.unicamp.br/~antenor                                                                           9-3
Fontes Chaveadas - Cap. 9 MODELAMENTO DE FONTES CHAVEADAS NO ESPAÇO DE ESTADO E SÍNTESE DE COMPENSADORES J. A. Pomilio



            Aplicando a transformada de Laplace à equação (9.12) tem-se:

s⋅ x( s) = A ⋅ x( s) + [( A 1 − A 2 ) ⋅ X + ( B1 − B2 ) ⋅ Vi ] ⋅ d( s)                                       (9.18) ou,

x( s) = [s⋅ I − A] [( A 1 − A 2 ) ⋅ X + ( B1 − B2 ) ⋅ Vi ] ⋅ d( s)
                      −1
                                                                                                             (9.19)

onde I é uma matriz unitária.
       A função de transferência buscada é expressa por:

            vo( s)
                   = C ⋅ [s⋅ I − A] ⋅ [( A 1 − A 2 ) ⋅ X + ( B1 − B2 ) ⋅ Vi ] + ( C1 − C2 ) ⋅ X
                                   −1
Tp ( s) =                                                                                                    (9.20)
            d( s)

9.2 Exemplo 1

      Obter a função de transferência vo(s)/d(s) em um conversor abaixador de tensão,
operando no modo contínuo. As duas variantes da topologia estão indicadas na figura 9.3.

                            L         RL              x2                  L       RL           x2
                                           C                                             C
                                                            +                                       +
                     x1                                              x1
                                                       Ro       Vo                             Ro       Vo
                       Vi                  Rse                                           Rse



                                     (a)                                           (b)

    Figura 9.3 Alternativas topológicas (modo contínuo) de conversor abaixador de tensão:
                     condução do transistor (a) e condução do diodo (b).

         A resistência série do capacitor é indicada como Rse, enquanto a resistência do indutor
é RL . x1 é a corrente pelo indutor e x2 é a tensão sobre o capacitor.
         Considerando a malha externa no circuito mostrado na figura 9.3.a tem-se:

− Vi + L ⋅ x1 + RL ⋅ x1 + Ro ⋅ ( x1 − C ⋅ x 2 ) = 0
           &                              &                                                                  (9.21)

            Escrevendo a equação de tensões para a malha de saída:

− x 2 − C ⋅ R se ⋅ x 2 + Ro ⋅ ( x 1 − C ⋅ x 2 ) = 0
                   &                      &                                                                  (9.22)

       Numa forma matricial, as equações anteriores, que são válidas durante o intervalo
normalizado δ, podem ser escritas como:

        Ro ⋅ ( Rse + RL ) + Rse ⋅ RL                          Ro        
         −                                            −                            1  
 x1  
  &             L ⋅ ( Rse + Ro)                         L ⋅ ( Ro + Rse )   x1    
x  =                                                                     +  L  Vi                    (9.23)
&                  Ro
                                                      −
                                                                1         x 2   0 
                                                                                        
   2
       
              C ⋅ ( Ro + Rse )                         C ⋅ ( Ro + Rse ) 
                                                                         



http://www.dsce.fee.unicamp.br/~antenor                                                                               9-4
Fontes Chaveadas - Cap. 9 MODELAMENTO DE FONTES CHAVEADAS NO ESPAÇO DE ESTADO E SÍNTESE DE COMPENSADORES J. A. Pomilio



       As equações de estado para o circuito na situação em que o transistor está desligado,
por inspeção, podem ser obtidas facilmente, apenas observando que a tensão V i vale zero.
Assim A2 = A1 e B2 = 0.
       A tensão de saída, em ambos os casos é dada por:

                                 Ro ⋅ R se ⋅ x 1 + Ro ⋅ x 2
v o = Ro ⋅ ( x 1 − C ⋅ x 2 ) =
                       &                                                                               (9.24)
                                        Ro + R se

          Então:

            Ro ⋅ R se             Ro  
C1 = C 2 =                                                                                           (9.25)
            Ro + R se       Ro + R se 

          Assim, a matriz e vetor médios são:

                    A = A1

                    B = B1.D

                    C = C1

       As seguintes simplificações podem ser feitas: usualmente, Ro >> Rse , e tanto RL
quanto Rse são pequenos, o que simplifica as matrizes e vetores para:

               R se + R L                    1  
              −                          −
A = A1 = A2 =       L                      L 
                    1                        1                                                        (9.26)
                                       −        
                   C                     C ⋅ Ro 

C = C1 = C 2 ≈ R se 1                                                                                  (9.27)

              1
B = B1 ⋅ D =  L  ⋅ D                                                                                 (9.28)
              0
              

          A inversa da matriz A é:

                          1                      1  
                     − C ⋅ Ro
           L ⋅ C ⋅ Ro                          L     
A =
 −1
                                               + RL                                                  (9.29)
    Ro + R se + R L  − 1                   R
                                           − se      
                         C                     L    

          Usando estes últimos resultados, a função de transferência estática é:

Vo        Ro + R se
   = D⋅                 ≅D                                                                             (9.30)
Vi      Ro + R se + R L

          A função de transferência vo(s)/d(s) é:


http://www.dsce.fee.unicamp.br/~antenor                                                                           9-5
Fontes Chaveadas - Cap. 9 MODELAMENTO DE FONTES CHAVEADAS NO ESPAÇO DE ESTADO E SÍNTESE DE COMPENSADORES J. A. Pomilio




            vo( s)                                1 + s⋅ Rse ⋅ C
Tp ( s) =          ≅ Vi ⋅                                                                                              (9.31)
            d( s)                               1         R + RL    1 
                              L ⋅ C ⋅  s2 + s⋅         + se      +
                                                Ro ⋅ C         L  L ⋅ C
                                                                          

            Os diagramas de Bode são mostrados na figura 9.4.
                                50

               Ganho (dB)

                                 0




                                50                                               4              5              6
                                         10    100       1000             1 10           1 10           1 10


                                     0

               Fase (graus)

                                100




                                200                                                  4              5              6
                                          10    100       1000             1 10           1 10           1 10

                                                           ω     (rd/s)


Figura 9.4 Diagramas de Bode do conversor abaixador de tensão para pequenas perturbações.


9.3 Função de transferência δ(S)/vc(S) de um modulador MLP a partir de onda dente de
serra

       A tensão de controle, vc(t), que é a tensão de erro modificada pelo compensador, é
comparada com uma onda periódica, vs(t), a qual determina a freqüência do sinal MLP. Esta
onda tem um valor máximo Vs.
       A tensão de controle, que varia entre 0 e Vs, é formada por um nível CC e uma
componente alternada (por hipótese, senoidal):

v c(t)= Vc + vc(t)                                                                                                     (9.32)

vc(t)= a ⋅ sin( ωt + φ)                                                                                                (9.33)

            A figura 9.5 mostra as ondas estudadas:
            O sinal δ(t) pode ser expresso como:

δ ( t ) = 1 se v c ( t ) ≥ v s( t )
                                                                                                                       (9.34)
δ ( t ) = 0 se v c ( t ) < v s( t )

          Vc a ⋅ sin(ωt + φ)
δ(t ) =      +               + componentes de freqüência maior                                                         (9.35)
          Vs        Vs




http://www.dsce.fee.unicamp.br/~antenor                                                                                         9-6
Fontes Chaveadas - Cap. 9 MODELAMENTO DE FONTES CHAVEADAS NO ESPAÇO DE ESTADO E SÍNTESE DE COMPENSADORES J. A. Pomilio



                                            v s(t)                    v c (t)
           Vs

       a



                                                                                                         Vc

                                                                                                              t
                δ (t)                                                           Componente fundamental
            1




                                                                                                         D
            0
                                                                                                                  t
                               Figura 9.5 Tensão de controle e sinal MLP.

       Os termos em freqüência elevada presentes em δ(t) não se refletem significativamente
na tensão saída em função do filtro passa baixas na saída do conversor, podendo ser
ignorados. Assim:

δ(t)= D + d(t)                                                                                           (9.36)

      Vc
D=                                                                                                       (9.37)
      Vs

           a ⋅ sin(ωt + φ)
d( t ) =                                                                                                 (9.38)
                  Vs

           A relação buscada é bastante simples, não possuindo qualquer elemento dinâmico:

            d( s)   1
Tm ( s) =         =                                                                                      (9.39)
            vc( s) Vs


9.4 Projeto de compensador usando o fator K [9.3]

        Os circuitos mostrados utilizam amplificadores operacionais para realizar as funções de
compensação. Na entrada positiva é aplicada a tensão de referência, enquando na entrada não
inversora será conectado um sinal proporcional à tensão instantânea de saída.
        Como a montagem é do tipo inversora de tensão, isto significa que a tensão de saída
está sendo subtraída da referência, caracterizando uma realimentação negativa. A análise feita
não considera esta inversão de fase entre o sinal de saída do compensador (vc) e o erro da
saída, uma vez que o critério de estabilidada já o considera ao limitar a defasagem a 180o para
ganhos maiores que 0dB.

9.4.1 Definição dos tipos de compensadores
       Definiremos 3 tipos básicos de compensadores, em função do número de pólos e zeros
de sua respectiva função de transferência e, principalmente, em função de sua característica de
defasagem.



http://www.dsce.fee.unicamp.br/~antenor                                                                               9-7
Fontes Chaveadas - Cap. 9 MODELAMENTO DE FONTES CHAVEADAS NO ESPAÇO DE ESTADO E SÍNTESE DE COMPENSADORES J. A. Pomilio



a) Tipo 1
                                                                      10


                                        Cf
                   Ri
       ve                               -              vc   vc( ω )    1


   Tensão de erro                       +

     ve=Vref-vo                                                       0.1                    4                  5
                                                                            1000         1 10               1 10
                                                                                           ω
                    Figura 9.6 Compensador Tipo 1 e respectivo diagrama de ganho

        Este circuito apresenta um pólo na origem, apresentando uma defasagem constante de
-90° e uma atenuação de 20dB/dec. A função de transferência e a freqüência de corte são,
respectivamente:

vc ( s)      1
        =                                                                                              (9.40)
ve ( s) Ri ⋅ Cf ⋅ s

onde v e ( s) = v ref ( s) − v o ( s)

            1
fc =                                                                                                   (9.41)
       2π ⋅ R i ⋅ C f

b) Tipo 2
                                                                  R2 C1

                                                                  C2
                                        ve        R1
                                                                 -                 Vc
                                        Tensão de erro
                                        ve=Vref-vo               +


                                             Figura 9.7 Compensador Tipo 2.

        Aqui temos 1 zero e 1 pólo, e a defasagem sofre um crescimento entre -90° e 0°. O
circuito apresenta um ganho AV que pode melhorar a faixa de resposta, tendo os seguintes
valores característicos:

v c (s)           1 + s⋅ C1⋅ R2
        =                                                                                              (9.42)
v e (s) s⋅ R1⋅ (C1 + C2 + s⋅ R2 ⋅ C1⋅ C2)

                                                     R2
            O ganho AV é dado por: AV =
                                                     R1



http://www.dsce.fee.unicamp.br/~antenor                                                                             9-8
Fontes Chaveadas - Cap. 9 MODELAMENTO DE FONTES CHAVEADAS NO ESPAÇO DE ESTADO E SÍNTESE DE COMPENSADORES J. A. Pomilio



                    0d

                                                                     Fase (graus)




                  -100d


                                                                     Ganho (dB)
                             -20 dB/dec



                  AV




                    1.0mHz                100mHz              10Hz                  1.0KHz        100KHz 1.0MHz


                          Figura 9.8 Diagramas de Bode do compensador Tipo 2.

           As freqüências do zero e do segundo polo são:

              1
fz =                                                                                                              (9.43)
         2π ⋅ R2 ⋅ C1

              C1 + C2            1
f p2 =                     ≅                                 se C1 >> C2                                          (9.44)
          2π ⋅ R2 ⋅ C1 ⋅ C2 2π ⋅ R2 ⋅ C2

c) Tipo 3

       Este circuito, mostrado na figura 9.9, apresenta 2 zeros e 3 pólos (sendo um deles na
origem). Isto cria uma região em que o ganho aumenta (o que pode melhorar a resposta
dinâmica) , havendo ainda um avanço de fase.

           R2
AV1 =                                                                                                             (9.45)
           R1

           R 2 ⋅(R1 + R 3) R 2
AV2 =                     ≅                  se R 1 >> R 3                                                        (9.46)
               R1 ⋅ R 3     R3


                                                   C3        R3              R2 C1

                                                                             C2
                                   ve                   R1
                                                                            -                Vc
                                     Tensão de erro
                                                                           +
                                     ve=Vref-vo


                                           Figura 9.9 Compensador Tipo 3.


http://www.dsce.fee.unicamp.br/~antenor                                                                                    9-9
Fontes Chaveadas - Cap. 9 MODELAMENTO DE FONTES CHAVEADAS NO ESPAÇO DE ESTADO E SÍNTESE DE COMPENSADORES J. A. Pomilio



            1
f1 =                                                                                                     (9.47)
       2π ⋅ R 2 ⋅ C1

                1                1
f2 =                      ≅                                                                              (9.48)
       2π ⋅ C3 ⋅(R1 + R 3) 2 π ⋅ C3 ⋅ R1

              1
f3 =                                                                                                     (9.49)
       2 π ⋅ C3 ⋅ R 3

           C1 + C2               1
f4 =                     ≅                             se C1 >> C2                                       (9.50)
       2π ⋅ C1 ⋅ C2 ⋅ R 2 2 π ⋅ C2 ⋅ R 2

       Para um melhor desempenho deste controlador, em malha fechada, a freqüência de
corte deve ocorrer entre f2 e f3.
             100

                   Fase (graus)




            -100


                       Ganho (dB)
                                                                                                        AV2
                   -20 dB/dec                           +20 dB/dec
                                                                                        -20 dB/dec


           AV1

              1.0mHz                100mHz             10Hz          1.0kHz             100kHz 1.0MHz
                                             f1   f2                          f3   f4


                          Figura 9.10 Diagramas de Bode do compensador Tipo 3.
d) O fator k

        O fator k é uma ferramenta matemática para definir a forma e a característica da
função de transferência. Independente do tipo de controlador escolhido, o fator k é uma
medida da redução do ganho em baixas freqüências e do aumento de ganho em altas
freqüências, o que se faz controlando a alocação dos pólos e zeros do controlador, em relação
à freqüência de cruzamento do sistema (fc).
        Para um circuito do tipo 1, k vale sempre 1. Para o tipo 2, o zero é colocado um fator
k abaixo de fc, enquanto o pólo fica um fator k acima de fc. No tipo 3, um zero duplo está
alocado um fator k abaixo de fc, e o pólo (duplo), k acima de fc.
        Sendo fc a média geométrica entre as alocações dos zeros e pólos, o pico do avanço de
fase ocorrerá na freqüência de corte, o que melhora a margem de fase.
        Seja α o avanço de fase desejado. Para um circuito do tipo 2, o fator k é dado por:

      α π 
k = tg +                                                                                               (9.51)
       2 4



http://www.dsce.fee.unicamp.br/~antenor                                                                           9-10
Fontes Chaveadas - Cap. 9 MODELAMENTO DE FONTES CHAVEADAS NO ESPAÇO DE ESTADO E SÍNTESE DE COMPENSADORES J. A. Pomilio



         Para um circuito tipo 3, tem-se:

      α π 
                   2

k =  tg +                                                                                           (9.52)
      4 4 

         A figura 9.11 mostra o avanço de fase em função do fator k.
                            200

                 Avanço
                 de fase                                                         Tipo 3
                 (graus)    150




                            100
                                                                                 Tipo 2

                             50




                               0                                                                    4
                                   1            10             100            1000           1 10
                                                              Fator k
                       Figura 9.11 Avanço de fase para diferentes compensadores.

9.4.2 Síntese de controlador
Passo 1: Diagrama de Bode do conversor: vo(s)/vc(s)

Passo 2: Escolha da freqüência de corte (em malha fechada) desejada.
        Quanto maior esta freqüência, melhor a resposta dinâmica do sistema. No entanto,
para evitar os efeitos do chaveamento sobre o sinal de controle, tal freqüência deve ser inferior
a 1/5 da freqüência de operação da fonte.

Passo 3: Escolha da margem de fase desejada.
       Entre 30° e 90°. 60° é um bom compromisso

Passo 4: Determinação do ganho do controlador.
        Conhecida a freqüência de corte e o ganho do sistema (em malha aberta), o ganho do
controlador deve ser tal que leve, nesta freqüência, a um ganho unitário em malha fechada.

Passo 5: Cálculo do avanço de fase requerido.
       α = M - P - 90°
       M: margem de fase desejada, P: defasagem provocada pelo sistema

Passo 6: Escolha do tipo de compensador.

Passo 7: Cálculo do fator k.
       O fator k pode ser obtido das equações já indicadas ou das curvas decorrentes. A
alocação dos zeros e pólos determinarão os componentes, de acordo com as equações
mostradas a seguir.



http://www.dsce.fee.unicamp.br/~antenor                                                                           9-11
Fontes Chaveadas - Cap. 9 MODELAMENTO DE FONTES CHAVEADAS NO ESPAÇO DE ESTADO E SÍNTESE DE COMPENSADORES J. A. Pomilio



       O pólo na origem causa uma variação inicial no ganho de -20dB/dec. A freqüência na
qual esta linha cruza (ou deveria cruzar) o ganho unitário é definida como a "freqüência de
ganho unitário" - UGF. G é o ganho necessário dar ao compensador para que se obtenha a
freqüência de corte desejada.

Tipo 1:

                 1
UGF =                                                                                                  (9.53)
          2π ⋅ Cf ⋅ Ri ⋅ G

Tipo 2:

                   1
UGF =                                                                                                  (9.54)
          2π ⋅ R1 ⋅(C1 + C2 )

                1
C2 =                                                                                                   (9.55)
       2π ⋅ f ⋅ G ⋅ k ⋅ R1

C1 = C2 ⋅(k 2 − 1)                                                                                     (9.56)

            k
R2 =                                                                                                   (9.57)
       2π ⋅ f ⋅ C1

Tipo 3:

                   1
UGF =                                                                                                  (9.58)
          2π ⋅ R1 ⋅(C1 + C2 )

              1
C2 =                                                                                                   (9.59)
       2π ⋅ f ⋅ G ⋅ R1

C1 = C2 ⋅(k − 1)                                                                                       (9.60)

             k
R2 =                                                                                                   (9.61)
       2π ⋅ f ⋅ C1

        R1
R3 =                                                                                                   (9.62)
       k −1

                1
C3 =                                                                                                   (9.63)
       2π ⋅ f ⋅ R3 ⋅ k

9.4.3 Exemplo 1
        Considere um conversor em meia ponte, operando a 20kHz, cuja função de
transferência apresenta os diagramas de Bode (vo(s)/vc(s)) mostrados na figura 9.12.
Determinar um compensador para que se tenha uma margem de fase de 60°.


http://www.dsce.fee.unicamp.br/~antenor                                                                           9-12
Fontes Chaveadas - Cap. 9 MODELAMENTO DE FONTES CHAVEADAS NO ESPAÇO DE ESTADO E SÍNTESE DE COMPENSADORES J. A. Pomilio



              Ganho(dB)
                         + 40                                                                          Fase (graus)

                         +20 Ganho                                                                 +90
                         +12
                                                                    -40dB/dec
                             Fase
                          0                                                                        0

                         -12
                         -20                                                                       -90
                                                                                                   -155
                         -40
                                                                                                   -180



                                              0.1               1      4 10          100

                                                                                    Freq. (kHz)
                      Figura 9.12 Diagramas de Bode de conversor meia-ponte.

Solução:
       A freqüência de corte em malha fechada será de 4kHz.
       Nesta freqüência, o sistema apresenta uma atenuação de 12dB. Assim, o controlador
deve ter um ganho de 12dB (4 vezes).
       Ainda em 4kHz, a defasagem provocada pelo sistema é de 155°. O avanço de fase
necessário é:
       Avanço = 60° - (-155°) - 90° = 125°
       Isto significa que devemos usar um controlador do tipo 3.
       Usando as curvas mostradas anteriormente, determinamos um fator k = 16.
       Os componentes são agora calculados, arbitrando um valor para R1 de 10kΩ.
       C2 = 1nF
       C1 = 15nF
       R2 = 10,6kΩ
       R3 = 667Ω
       C3 = 15nF
       O zero duplo estará alocado em 1kHz, enquanto o pólo duplo estará em 16kHz.
       O diagrama de Bode do controlador está mostrado na figura 9.13.
                          50d   40


                                           Ganho (dB)

                                30

                          0d



                                20



                         -50d

                                10


                                       Fase (graus)

                        -100d   0
                                10Hz                    100Hz              1.0KHz          10KHz          100KHz

                        Figura 9.13 Diagrama de Bode do compensador tipo 3.


http://www.dsce.fee.unicamp.br/~antenor                                                                               9-13
Fontes Chaveadas - Cap. 9 MODELAMENTO DE FONTES CHAVEADAS NO ESPAÇO DE ESTADO E SÍNTESE DE COMPENSADORES J. A. Pomilio



9.4.4 Exemplo 2
         Consideremos um conversor elevador de tensão, operando no modo contínuo. Como
já foi visto no capítulo anterior, neste caso tem-se um sistema que apresenta um zero no semi-
plano direito, sendo de difícil controle.
         Utilizando um compensador do Tipo 3, projetado de acordo com o roteiro visto, foi
simulado um sistema apresentando margem de fase de 10 graus e margem de ganho de 1,5 dB.
Tais valores estreitos indicam que a resposta do sistema a uma variação rápida na referência
(ou na carga) deve ter um comportamento pouco amortecido, mas deve ser estável.
         A figura 9.14 mostra a resposta do sistema, em malha aberta (sem o compensador) e
em malha fechada, obtida a partir do circuito cujos parâmetros estão mostrados na figura 9.15.
Na figura 9.16 tem-se a resposta no tempo a uma mudança de 5% na referência, podendo-se
notar a variação da saída inicialmente no sentido oposto ao desejado (sistema de fase não
mínima) e o comportamento estável mas subamortecido.
               100
                          Ganho (dB)                       Conversor boost, em malha aberta, no modo contínuo
                 0
                        Fase (graus)

                     -180 o



              -360
               100
                        Ganho (dB)             Conversor boost em malha fechada com compensador Tipo 3
                 0


                       Fase (graus)
                     -180 o



              -360
                 10Hz                  100Hz               1.0KHz                    10KHz                 100KH
     Figura 9.14 Resposta em freqüência de conversor boost operando no modo contínuo,
                             incluindo compensador do Tipo 3.




         Figura 9.15 Diagrama do conversor boost simulado, incluindo o compensador.


http://www.dsce.fee.unicamp.br/~antenor                                                                            9-14
Fontes Chaveadas - Cap. 9 MODELAMENTO DE FONTES CHAVEADAS NO ESPAÇO DE ESTADO E SÍNTESE DE COMPENSADORES J. A. Pomilio



                    400V




                    300V
                                     Tensão de saída




                    200V
                                  Tensão de referência




                    100V
                       0s            10ms                20ms     30ms          40ms         50ms



 Figura 9.16 Resposta no tempo a uma variação em degrau na referência para um conversor
               boost operando no modo contínuo, com compensador Tipo 3.


9.5 Referências Bibliográficas

[9.1]    Middlebrook, R.D. and Cuk, S.: "A General Unified Approach to Modelling Switching
         Converter Power Stage". 1976 IEEE Power Electronics Specialists Conference
         Record, pp. 18-34

[9.2]    Cuk, S. and Middlebrook, R.D. : "A General Unified Approach to Modelling
         Switching DC-to-DC Converter in Discontinuous Conduction Mode". 1977 IEEE
         Power Electronics Specialists Conference Record, pp 36-57

[9.3]    Venable, H.D.: "The k-factor: A New Mathematical Tool for Stability Analysis and
         Synthesis" Proc. of Powercon 10, March 22-24, 1983, San Diego, USA




http://www.dsce.fee.unicamp.br/~antenor                                                                           9-15
Fontes Chaveadas - Cap. 10 MODELAGEM DE CONVERSORES UTILIZANDO MODELO DA CHAVE PWM J. A. Pomilio




10. MODELAGEM DE CONVERSORES UTILIZANDO MODELO DA
CHAVE PWM

        As topologias básicas de conversores cc-cc possuem uma chave controlada e outra
não-controlada associadas a elementos lineares invariantes no tempo. O conjunto destas
duas chaves recebe o nome de chave PWM [10.1].
        O objetivo neste capítulo é desenvolver um modelo linear para estas chaves, válido
em torno do ponto de operação. O projeto adequado do compensador necessita um
conhecimento do modelo matemático do comportamento do conversor frente a pequenas
perturbações.

10.1 Propriedades invariantes das chaves PWM

      A figura 10.1 mostra os conversores básicos, indicando terminais chamados a, p e c,
denominados ativo, passivo e comum.


              a                      c            L                                     L             c         p
                            ia                             ic                               ic
                  Vi                                       C                      Vi                       C
                                 p                                                           a            ia


                       L1        a                    p         L2                a                   c             p
                                     i a C1                                                      ia
                                                                                       Vi
                  Vi                                                C                             L             C
                                          c
                                                                                                 ic
                                     ic

   Figura 10.1 Conversores básicos indicando terminais ativo (a), passivo (p) e comum (c).

          A chave pode ser modelada da seguinte forma:

                                              a                 δ                  c
                                                      ia                     ic
                                                                        δ*


                                                                    p

                                          Figura 10.2 Modelo da chave PWM.

onde δ é o ciclo de trabalho e δ*=(1-δ), o seu complemento.
        No modo contínuo, ic será sempre diferente de zero. No intervalo (δ.τ) (chave
controlada fechada), independentemente da topologia, tem-se:

i a(t)= i c (t)                                                                                                (10.1)


http://www.dsce.fee.unicamp.br/~antenor                                                                                 10-1
Fontes Chaveadas - Cap. 10 MODELAGEM DE CONVERSORES UTILIZANDO MODELO DA CHAVE PWM J. A. Pomilio




v ap (t)= v cp (t)                                                               (10.2)

         No intervalo complementar:

i a(t)= 0                                                                        (10.3)

v cp (t)= 0                                                                      (10.4)

        Novamente, também neste tipo de análise, interessam os valores médios das variáveis
(uma vez que se pretende utilizar ferramentas de análise linear de sistemas). No estudo do
comportamento dinâmico, as perturbações estudadas serão, por hipótese, em frequência
muito menor do que a frequência de chaveamento e de pequena amplitude.
        As grandezas médias serão expressas por tipos maiúsculos, enquanto os termos
relativos às perturbações serão indicados com uma letra em estilo script: d, v, etc.
        Pode-se demonstrar que a seguinte relação é verdadeira:

I a = δ⋅I c                                                                      (10.5)

         Considerando as formas de corrente ia(t) e ic(t) mostradas na figura 10.3, e ainda a
presença da resistência série do capacitor do filtro de saída, tem-se as ondas de vap(t) e
vcp(t) indicadas na figura 10.4, considerando e desprezando a ondulação na corrente.

                            ia (t)



                                                                    Ia=Ic. δ

                                      tT                        t
                                            τ
                            i c (t)
                                                                    Ic



                                                                t

                       Figura 10.3 Corrente nos terminais ativo e comum.

       A forma retangular de vap(t) (exceto no conversor abaixador, quando vap(t) é
sempre igual à tensão de entrada), decorre, assim, da presença de resistência no caminho da
corrente ic(t). Desprezando a ondulação desta corrente, a ondulação na tensão vap(t) pode
ser dada por:

Vr = I c ⋅ Re                                                                    (10.6)

onde Re é função da resistência série equivalente do capacitor e da carga, Ro.



http://www.dsce.fee.unicamp.br/~antenor                                                        10-2
Fontes Chaveadas - Cap. 10 MODELAGEM DE CONVERSORES UTILIZANDO MODELO DA CHAVE PWM J. A. Pomilio



    vap (t)                                          vap (t)

                                                Vr
      Vap
                         tT                                         tT

    vcp (t)                        τ        t        vcp (t)                τ                 t


      Vcp

                           δ           δ∗   t                         δ         δ∗            t


                                   (a)                              (b)

     Figura 10.4 Tensões nos terminais da chave PWM sem (a) e com (b) a ondulação na
                                   corrente considerada.

        Nos conversores elevador e abaixador-elevador, o capacitor de s     aída está e m
paralelo com a carga, de modo que o valor de Re é a associação em paralelo de Rse e R. No
conversor Cuk Re = Rse.
        Da figura anterior, pode-se obter:

Vcp = δ ⋅ ( Vap − I c ⋅ Re ⋅ δ* )                                                (10.7)


10.2 Modelo CC da chave PWM

       Seja o ciclo de trabalho composto por uma componente de valor constante e uma
perturbação:

δ= D+ d                                                                          (10.8)

      Para um ciclo de trabalho constante (δ=D), e supondo que as variáveis sofram
alguma perturbação devido a mudança na tensão de entrada ou na carga, tem-se:

(I a + i a ) = D ⋅ ( I c + i c )                                                 (10.9)

ia = D ⋅ ic                                                                      (10.10)

vcp = D ⋅ vap − D * ⋅D ⋅ R e ⋅ i c                                               (10.11)

        Das equações anteriores, obtém-se o circuito equivalente dado na figura 10.5, no
qual o "transformador" é um elemento fictício e que permite a transformação de tensões ca
ou cc.




http://www.dsce.fee.unicamp.br/~antenor                                                           10-3
Fontes Chaveadas - Cap. 10 MODELAGEM DE CONVERSORES UTILIZANDO MODELO DA CHAVE PWM J. A. Pomilio



                                      a                                                     c

                                              ia        . .             D.D*.Re        ic

                                            vap          1: D

                                                                                vcp



                                                                p

     Figura 10.5 Circuito equivalente (fictício) para chave PWM com transformador CC.

10.3 Modelo CA da chave PWM

          Para uma pequena perturbação no ciclo de trabalho, tem-se:

ia = D ⋅ ic + I c ⋅ d                                                                                    (10.12)

vcp = D ⋅ ( vap + I c ⋅ R e ⋅ d − i c ⋅ R e ⋅ D* ) + d ⋅ ( Vap − I c ⋅ R e ⋅ D* )                        (10.13)


                                [                                   ]
        vcp                                                                 d
vap =         + i c ⋅ R e ⋅ D * − V ap + I c ⋅ ( D − D* ) ⋅ R e ⋅                                        (10.14)
        D                                                                   D

V D = Vap + I c ⋅ R e ⋅ ( D − D* )                                                                       (10.15)

        Destas equações pode-se representar a chave como mostrado na figura 10.6:
        Na verdade, este modelo é geral, podendo ser usado para a análise CC fazendo-se
d=0 e ic = Ic.

                                a                                                                    c
                                                  - +
                                     ia
                                                  VD d
                                                                . .             D.D*.Re         ic
                                                  D             1: D
                                    d.
                                     Ic
                                                                                      vcp


                                                                        p
                                          Figura 10.6 Modelo da chave CA


10.4 Efeito das perdas em condução e do tempo de armazenamento sobre o modelo da
chave PWM

       Especialmente para os transistores bipolares, a atraso decorrente do tempo de
armazenamento provoca uma alteração no ciclo de trabalho efetivo do conversor, de modo
que a perturbação no ciclo de trabalho pode ser representada por:




http://www.dsce.fee.unicamp.br/~antenor                                                                            10-4
Fontes Chaveadas - Cap. 10 MODELAGEM DE CONVERSORES UTILIZANDO MODELO DA CHAVE PWM J. A. Pomilio



                ic
δ ef = δ −                                                                                (10.16)
               I me

onde I me é um parâmetro que depende do tipo de circuito de acionamento de base do
transistor.
        Substituindo (16) em (12) e (14) chega-se a:

           Ic 
i a = D −        ⋅ i + Ic ⋅d
           I me  c
                                                                                          (10.17)
               

        vcp                  r  V
vap =     + i c ⋅  Re ⋅ D * + m  − D ⋅ d                                                (10.18)
        D                     D D

        VD
rm =                  (resistência modulada)
        I me


          Como geralmente D >> Ic/Im , pode-se reescrever (10.17):
                                    e

ia = D ⋅ ic + I c ⋅ d                                                                     (10.19)

       Isto significa que, no modelo, a inclusão do tempo de armazenamento não afeta o
comportamento da corrente, mas apenas o da tensão, como se pode observar na figura 10.7,
na qual são incluídas as resistências de condução do diodo (rd) e do transistor (rt).

                         a                                                            c
                                      r                        D.D*.Re   r
                             ia           t                                  m   ic


                                                       r
                                                           d


                                               p

 Figura 10.7 Modelo da chave incluindo resistências do diodo, do transistor e “modulada”.

Vcp = D ⋅ ( Vap − I c ⋅ D * ⋅Re − I c ⋅ rt ) − D * ⋅I c ⋅ rd                              (10.20)

          Admitindo uma perturbação no ciclo de trabalho, δ = D + d, de (10.20) chega-se a:

        vcp                      VD
vap =         + i c ⋅ rc − d ⋅                                                            (10.21)
        D                        D

rc = rm + D ⋅ rt + D * ⋅rd + D ⋅ D * ⋅Re                                                  (10.22)

VD = Vap + ( D − D* ) ⋅ I c ⋅ Re + I c ⋅ ( rd − rt )                                      (10.23)



http://www.dsce.fee.unicamp.br/~antenor                                                             10-5
Fontes Chaveadas - Cap. 10 MODELAGEM DE CONVERSORES UTILIZANDO MODELO DA CHAVE PWM J. A. Pomilio



        O que leva ao modelo mostrado na figura 10.8:
              a
                                 - +
                     ia                           . .            D.D*.Re            rm   D rt +D*rd i c c
                                 VD d
                                 D                    1: D
                  d.Ic



                                                             p

                             Figura 10.8 Modelo completo da chave PWM.


10.5 Análise do conversor abaixador de tensão

        As seguintes relações serão obtidas:

        vo(s)/vi(s) : variação da saída frente a perturbação na entrada
        M = Vo/Vi : taxa de conversão
        Zin : impedância de entrada
        Zout : impedância de saída
        vo(s)/δ(s) : variação da saída frente a perturbação no ciclo de trabalho

        O circuito (figura 10.9) e o modelo (figura 10.10) estão indicados a seguir.


                                       a                         c       L
                                                        ia                     ic
                                           Vi                                  C
                                                             p

                                 Figura 10.9 Conversor abaixador de tensão.

                          VD d
                          D                                          r m D r +D* r        L    RL         io
         a                        a1        c1        D.D*.Re
                                                         '                  t     d
                          - +
             ia                    . .           ic                                  c
                                                                                                               +
                                                                                                    Rse
              d.Ic                 1: D
vap                                                     vc1p                                              Ro       vo
             vi           va1p                                                                   C
                                                                               vcp
                                                                                                     i1
                                        p


                     Figura 10.10 Modelo para o conversor abaixador de tensão.




http://www.dsce.fee.unicamp.br/~antenor                                                                             10-6
Fontes Chaveadas - Cap. 10 MODELAGEM DE CONVERSORES UTILIZANDO MODELO DA CHAVE PWM J. A. Pomilio



10.5.1 Análise CC
        Analisando o modelo, e considerando que: o ciclo de trabalho é constante (d = 0); os
indutores são representados apenas por suas resistências; os capacitores estão abertos; a
tensão de entrada; Vi é constante; Re = 0, obtém-se:

Vap = Vi                                                                         (10.24)

Vc1p = D ⋅ Vap                                                                   (10.25)

Vc1p − Vo = ( RL + rm + D ⋅ rt + D * ⋅rd ) ⋅ I c                                 (10.26)

       Vo
Io =                                                                             (10.27)
       Ro

de cujas equações se obtém:

       Vo               D ⋅ Ro
M=        =                                                                      (10.28)
       Vi   Ro + R L + rm + rt ⋅ D + rd ⋅ D *

          Desprezando rm, RL , rt e rd, então:

       Vo
M=        =D                                                                     (10.29)
       Vi

10.5.2 Determinação de vo(s)/vi(s)
       Admitindo ciclo de trabalho constante (d = 0) e que a tensão se entrada sofra
pequenas perturbações (vi = Vi + vi ), da inspeção do modelo tem-se:


D ⋅ vi − vo = ( rm + D ⋅ rt + D * ⋅rd + R L ) ⋅ i c + L ⋅
                                                            di c
                                                                                 (10.30)
                                                            dt

vo = Ro ⋅ i o                                                                    (10.31)

R1 = rm + D ⋅ rt + D * ⋅rd + R L                                                 (10.32)


                      ∫ i ⋅ dt
                    1
vo = R se ⋅ i 1 +                                                                (10.33)
                    C 1

i c = i o + i1                                                                   (10.34)

        Aplicando a transformada de Laplace às equações anteriores e resolvendo-se, chega-
se ao diagrama de blocos mostrado na figura 10.11:
        Pelo diagrama, obtém-se:




http://www.dsce.fee.unicamp.br/~antenor                                                        10-7
Fontes Chaveadas - Cap. 10 MODELAGEM DE CONVERSORES UTILIZANDO MODELO DA CHAVE PWM J. A. Pomilio



                                    D ⋅ Ro ⋅ (s⋅ C ⋅ Rse + 1)
vo (s)                             ( Ro ⋅ C ⋅ L + Rse ⋅ C ⋅ L )
       =                                                                                 (10.35)
vi (s)            C ⋅ ( Ro ⋅ R1 + Ro ⋅ Rse + R1 ⋅ Rse ) + L          Ro + R1
         s2 + s⋅                                               +
                              L ⋅ C ⋅ ( Ro + Rse )              L ⋅ C ⋅ ( Ro + Rse )


           vi                  +             1          ic   +         i1           1       vo
                    δ                                                       Rse+
                                   -       sL+R 1                                  sC
                                                                   -

                                                             io
                                                                             1
                                                                            Ro


                               Figura 10.11 Diagrama de blocos do sistema.

       Desprezando os elementos parasitas do modelo, recai-se na expressão clássica para o
conversor:

                       1
vo (s)
       = D⋅          L ⋅C                                                                (10.36)
vi (s)                1      1
            s2 + s⋅       +
                    Ro ⋅ C L ⋅ C

       Nota-se de (10.35) e (10.36) que o comportamento depende do ponto de operação,
ou seja, do ciclo de trabalho.

10.5.3 Cálculo de v (s)/d(s)
                   o

        Sabendo que V ap = V i , e admitindo vi constante (vi = 0) e que o ciclo de trabalho
sofra pequena perturbação, da análise do modelo tem-se:

                    d
vap = va1p − VD ⋅     =0                                                                 (10.37)
                    D

vc1p = D ⋅ va1p                                                                          (10.38)

o que resulta em:

vc1p = VD ⋅ d                                                                            (10.39)

       Como não existe ondulação de tensão em vap (já que para este conversor Re = 0),
pode-se escrever, de (10.23):

V D = Vi + I c ⋅ ( rd − rt )                                                             (10.40)

Definindo R2 = rd - rt +RL                                                               (10.41)


http://www.dsce.fee.unicamp.br/~antenor                                                            10-8
Fontes Chaveadas - Cap. 10 MODELAGEM DE CONVERSORES UTILIZANDO MODELO DA CHAVE PWM J. A. Pomilio




chega-se ao seguinte sistema de equações, o qual leva ao diagrama de blocos mostrado na
figura 10.12:

                                   di c
VD ⋅ d − vo = R 2 ⋅ i c + L ⋅                                                         (10.42)
                                   dt

vo = Ro ⋅ i o                                                                         (10.43)

                    1
                    C∫
vo = R se ⋅ i 1 +      i 1 ⋅ dt                                                       (10.44)


i c = i o + i1                                                                        (10.45)



             d                 +               1
                                                        ic   +       i1           1      vo
                    VD                                                    Rse+
                                      -      sL+R 2                              sC
                                                                 -
                                                                 io
                                                                           1
                                                                          Ro


                                  Figura 10.12 Diagrama de blocos do sistema.

          Do circuito equivalente (figura 10.10) obtém-se:

vo (s)
       = VD ⋅ F(s)                                                                    (10.46)
d(s)

                                    Ro ⋅ (1 + s⋅ C ⋅ Rse )
                                      L ⋅ C ⋅ ( Ro + Rse )
F(s) =                                                                                (10.47)
                C ⋅ ( Ro ⋅ R2 + Ro ⋅ Rse + Rse ⋅ R2 ) + L       Ro + R2
       s2 + s⋅                                            +
                            L ⋅ C ⋅ ( Ro + Rse )           L ⋅ C ⋅ ( Ro + Rse )


V D = Vi + I c ⋅ ( rd − rt )                                                          (10.48)

       Nota-se que a resposta independe do valor médio do ciclo de trabalho, ou seja, do
ponto de operação.
       A figura 10.13 mostra os diagramas de Bode da função de transferência entre a
tensão de saída e o ciclo de trabalho, considerando e desprezando as resistências “parasitas”
do modelo.




http://www.dsce.fee.unicamp.br/~antenor                                                         10-9
Fontes Chaveadas - Cap. 10 MODELAGEM DE CONVERSORES UTILIZANDO MODELO DA CHAVE PWM J. A. Pomilio


                            50
                 Ganho (db)

                                0
                                                                                 Com Rse e R2
                                                                                 Sem Rse e R2
                                50
                                  1     10   100       1000   110 4   1105
                                                                              Valores usados:
                                0                                             Vi=100  rm=1
                                                                              Ro=10    δ=0,5
                 Fase (graus)
                                                                              Rse=0,3 C=100uF
                                                                              L=10mH
                           100                                                Po=250W
                                                                               rt=0,1 rd=0,3

                           200
                                    1   10   100       1000   110 4    1105
                                                   f (Hz)
                      Figura 10.13 Diagramas de Bode relativos à figura 10.12.

10.5.4 Cálculo de Zin (impedância dinâmica de entrada)
       Por definição:

Zin = Vin(s)/Iin(s)                                                                         (10.49)

Do modelo, V in(s) = vi (s) e I in(s) = ia(s). Admitindo um ciclo de trabalho constante (d = 0),
tem-se:

ia = D ⋅ ic                                                                                 (10.50)

          Do diagrama de blocos tem-se:

                                s⋅ C ⋅ Ro        R           1      
                                               ⋅  se +          + 1
 i c (s)                   L ⋅ C ⋅ (Ro + Rse )  Ro s⋅ C ⋅ Ro 
           =                                                                                (10.51)
D ⋅ vi (s)            L + C ⋅ (Ro ⋅ ( R1 + Rse ) + R1 ⋅ Rse )      R1 + Ro
             s2 + s⋅                                         +
                               L ⋅ C ⋅ ( Ro + Rse )           L ⋅ C ⋅ ( Ro + Rse )

             L + C ⋅ (Ro ⋅ ( R1 + Rse ) + R1 ⋅ Rse )      R1 + Ro
E = s2 + s⋅                                         +                                     (10.52)
                      L ⋅ C ⋅ ( Ro + Rse )           L ⋅ C ⋅ ( Ro + Rse )

         vi (s)   1 E ⋅ C ⋅ L ⋅ ( Ro + R se )
Z in =          = 2⋅                                                                        (10.53)
         i a (s) D 1 + s⋅ C ⋅ ( Ro + R se )


10.5.5 Cálculo de Zout (impedância dinâmica de saída)
        Por definição, curto-circuitando as fontes de tensão, e abrindo as fontes de corrente,
tem-se:

        v (S)                1 
Zout =  o  / / Ro / / Rse +                                                             (10.54)
        i c (S)             S⋅ C 




http://www.dsce.fee.unicamp.br/~antenor                                                               10-10
Fontes Chaveadas - Cap. 10 MODELAGEM DE CONVERSORES UTILIZANDO MODELO DA CHAVE PWM J. A. Pomilio


                                 8

                   Módulo
                    [Ω]
                                 6




                                 4                                         4              5
                                         10    100        1000     1 10          1 10

                             100

                   Fase
                   (graus)
                                50




                                 0                                                        5
                                         10    100        1000     1 10 4       1 10

                                                      f (Hz)
                      Figura 10.14 Comportamento da impedância de entrada.

          Do diagrama de blocos,

vo (s)
        = s⋅ L + R1                                                                           (10.55)
i c (s)

          Trabalhando as equações precedentes, tem-se:

              Ro ⋅ R1           S⋅ L 
                             ⋅ 1 +     ⋅ [1 + s⋅ C ⋅ Rse ]
         L ⋅ C ⋅ ( Ro + Rse )      R1 
Zout   =                                                                                      (10.56)
                                  E
                                 1.5

                      Módulo
                      [Ω]            1


                                 0.5


                                     0                                     4          5
                                          10    100        1000     1 10       1 10


                                     0

                      Fase
                      (graus)
                                     20




                                     40                                    4          5
                                          10    100        1000     1 10       1 10
                                                          f (Hz)
                       Figura 10.15 Comportamento da impedância de saída.

10.6 Referências Bibliográficas

[10.1] Vorpérian, V.: “Simplify PWM Converter Analysis Using a PWM Switch Model”.
       PCIM, March 1990, pp. 10-15.



http://www.dsce.fee.unicamp.br/~antenor                                                                 10-11
Fontes Chaveadas - Cap. 11           CIRCUITOS INTEGRADOS DEDICADOS                          J. A. Pomilio




11. CIRCUITOS INTEGRADOS DEDICADOS AO ACIONAMENTO
E CONTROLE DE FONTES CHAVEADAS

        Nos últimos 15 anos, uma variedade de circuitos integrados dedicados ao controle
de fontes chaveadas foi desenvolvida. Os controladores que operam no modo tensão
(controlando o valor médio da tensão de saída) ainda dominam o mercado, embora
diversos permitam operação no modo corrente (controlando a corrente sobre o elemento
indutivo do circuito). O método de controle mais utilizado é o de Modulação por Largura
de Pulso, embora existam circuitos que operam com Modulação em Freqüência.
        Alguns CIs possuem apenas 1 s  aída, enquanto outros fornecem 2 saídas deslocadas
de 180° elétricos entre si. Além disso, a maioria possui um amplificador de erro e uma
referência interna, permitindo a implementação da malha de controle.
        A tabela 11.I indica algumas características de diferentes circuitos.

   TABELA 11.I Classificação e exemplos de circuitos integrados para fontes chaveadas

                               Modo Tensão               Modo Tensão com           Modo Corrente
                                                              Latch

                                                                                 Osc.    S
Técnica de controle          Osc.                        Osc.
  (esquemático)                                   MLP                  S                                     I
                                                                           Q             R
                              Ref.
                                                        Ref.           R
                                                                 MLP
                                                                                             Ref.

      Saída única                MC34060                    MPC1600                     UC1842
      Saída dupla                TL494/594                 SG3525/26/27                 UC1846
     Característica                 Baixo custo         Limite digital de       Especial para Fly-back.
                                                        corrente.               Inerente compensação
                                                        Boa imunidade a ruído   da tensão de entrada



   Formas de onda




         As características específicas de cada CI variam em função da aplicação, do grau de
desempenho esperado, das proteções implementadas, etc. Em linhas gerais pode-se dizer
que os atuais CIs possuem as seguintes características:
. oscilador programável (freqüência fixa até 500kHz)
. sinal MLP linear, com ciclo de trabalho de 0 a 100%
. amplificador de erro integrado
. referência de tensão integrada
. tempo morto ajustável
. inibição por sub-tensão
. elevada corrente de saída no acionador (100 a 200mA)
. opção por saída simples ou dupla

http://www.dsce.fee.unicamp.br/~antenor                                                                11-1
Fontes Chaveadas - Cap. 11           CIRCUITOS INTEGRADOS DEDICADOS                        J. A. Pomilio


. "soft start"
. limitação digital de corrente
. capacidade de sincronização com outros osciladores

11.1 Técnicas de isolação de sistemas com reguladores chaveados

        A implementação de uma fonte de tensão desacoplada da rede deve prever a
capacidade de oferecer na saída uma tensão com boa regulação e, em geral de valor
reduzido (em comparação com a tensão da rede). Uma outra característica deve ser a
isolação entre entrada e saída, de modo a proteger o usuário de choques devido à fuga de
corrente e ao elevado potencial da entrada.
        A figura 11.1 indica 2 possibilidades de implementação de fontes de alimentação
isoladas, podendo-se notar os diferentes "terras".

                                                             T1
       Vi (ac)
                                                                  Retificador e    Vo
                 Retificador de        Elementos de
                                                                  Filtro de
                 entrada e filtros     Chaveamento
                                                                  Saída

                                                      T2

                                         Amplif. de erro e
                                         Controlador MLP



                                                             T1
       Vi (ac)
                                                                  Retificador e    Vo
                 Retificador de        Elementos de
                                                                  Filtro de
                 entrada e filtros     Chaveamento
                                                                  Saída
                                                                                         Ampl.
                                                                                   Ref   erro

                                           Controlador            Isolador ótico
                                             MLP




    Figura 11.1 Algumas alternativas para isolação do circuito de controle e acionamento

        Na 1ª figura, o circuito de controle está no mesmo potencial da saída, ficando a
isolação por conta dos transformadores T1 (de potência) e T2 (de acionamento). Já na
figura (b) o circuito de controle está no potencial da entrada e a isolação é feita pelo
transformador T1 (potência) e por um isolador ótico, o qual realimenta o sinal de erro da
saída.




http://www.dsce.fee.unicamp.br/~antenor                                                              11-2
Fontes Chaveadas - Cap. 11                      CIRCUITOS INTEGRADOS DEDICADOS                              J. A. Pomilio


11.2 TL494

          A figura 11.2 mostra o diagrama interno do CI TL494.

                                                       Modo de controle da saída    13
                                                                                                             Vcc
         6

         5
                    .
                            R
                            C
                                Oscilador

                                                  Comparador
                                                                           FF
                                                                                Q
                                                                                    .                  Q1
                                                                                                                   .
  .      4
                    .                           com tempo morto
                                                  -
                                                                         CK
                                                                                Q
                                                                                            .                      .
                            0,12V
                                         0,7V
                                                  +

                                                  -
                                                                     .                                 Q2


                        0,7mA
                                            .     +
                                                       MLP

                                +
                                -1
                                            .           +
                                                       2-
                                                                          GND
                                                                                         Referência
                                                                                         Vref
                                                                                                 Vcc
                                                                                                            12
                                     Amplif. de erro


                                                                          7                     5V
                1       2                   3                15    16                      14


                                       Figura 11.2 Diagrama interno do CI TL494

        O TL494 possui 2 s    aídas, com deslocamento de 180° elétricos, de modo a ser
possível o acionamento de uma topologia tipo push-pull. Caso ambas saídas sejam
conectadas em paralelo, tem-se um acionamento para um conversor de uma única chave.
        A onda dente de serra utilizada para gerar o sinal MLP vem de um oscilador
interno cuja freqüência é determinada por um par RC conectado externamente.
        O sinal MLP é obtido pela comparação da tensão sobre o capacitor (dente de serra)
com o sinal proveniente de um dos sinais de controle. A cada subida do sinal MLP altera-
se o estado do flip-flop, de modo a selecionar uma das saídas a cada período do oscilador.
Uma operação lógica entre o sinal MLP e as saídas do FF, é enviada às saídas. Além disso,
um sinal de controle de modo de saída (pino 13) faz com que, quando em nível alto, a    s
saídas sejam adequadas a um conversor push-pull. Quando em nível baixo, ambas as saídas
variam simultaneamente, uma vez que os sinais do FF ficam inibidos.
        O sinal MLP depende ainda de um comparador que determina o tempo morto, ou
seja, uma largura de pulso máxima em cada período, o que garante um intervalo de tempo
em que ambas as saídas estão desligadas. Em uma topologia push-pull ou em ponte isto
impede a condução simultânea de ambas as chaves, o que colocaria em curto-circuito a
fonte. Uma tensão interna de 120mV associada à entrada de tempo morto garante um valor
mínimo de cerca de 4%, limitando assim o ciclo de trabalho máximo a 96%. Um potencial
mais elevado conectado a este pino (4), aumenta o tempo morto, numa faixa de variação
de 0 a 3,3V (tempo morto de 100%).
        A regulação da tensão de saída é usualmente feita por meio dos amplificadores de
erro, com o sinal de realimentação disponível no pino 3. Os 2 amplificadores de erro
podem ser usados para fazer a realimentação de tensão e limitar a corrente pelo circuito.
As saídas dos amplificadores estão conectadas de modo a que o sinal na entrada do
comparador MLP (pino 3) seja determinado pelo amplificador que apresentar a tensão


http://www.dsce.fee.unicamp.br/~antenor                                                                                11-3
Fontes Chaveadas - Cap. 11                           CIRCUITOS INTEGRADOS DEDICADOS                                        J. A. Pomilio


mais elevada, o que leva à menor largura de pulso nas saídas. A tensão neste pino
encontra-se entre 0,5 e 3,5V.
       O CI dispõe de uma fonte de referência interna de 5V

11.3 UC1840

       A família dos circuitos integrados UC1840 (Unitrode) foi desenvolvida
especialmente para uso no lado da entrada em conversores fly-back ou forward. A figura
11.3 mostra o diagrama de blocos do circuito.

                                                                                                                         11: Vin (sensor)
                                                                     Ger.
                                                                     Rampa                                               10: Rampa
                                                         Clock
           Rt/Ct : 9                          Osc.

                                                                                                                         15: Vin (fonte)
                                                                     Drive
                                                                     Latch
  Compensação: 1
                                                                                                    R                    14: Polarização
      Ent. inv: 17                                                                                                           do driver
                                                                                       -
                                      Amp                                                        S Latch                 12: saída MLP
                                                                                       +Comp.
       Ent. NI: 18                    +                                                + MLP       MLP
                                                                                       +
Start/sub-tensão: 2
                                      +
                                      Comp.
                   200uA
                  Histerese                                                                                      5V
                                                                                                                         16: Ref. de 5V
                                                                                                   Fonte
                                                                                                             3V (int.)
                                                                 S                                 Interna
                                                                     Start                 40V
                                                                     latch
          Reset: 5                             S                                                                         13: GND
                                      Comp.          Reset                   R
                                                     Latch                                                               8: Partida suave ou
                         3V(int.)     +
                                                                                                                            limitador de largur
                                                     R

    Parada ext.: 4
                                      Comp.                                                         +                    6: Limiar de
                                                                                 R
                                      +                                                          Comp.                      limite de corrente
                                                                             S Erro
                                                                               Latch

                                      Comp.                                                         +                    7: sensor de corrente
                                                                                                 Comp.
   sobre-tensão: 3                    +

                                                                                                                400mV
                                    Figura 11.3 Diagrama de blocos interno do UC1840

         O integrado oferece as seguintes características:
. operação em freqüência fixa, ajustável por um par RC externo
. gerador de rampa com inclinação variável de modo a manter um produto (volt x segundo)
constante, possibilitando regulação de tensão mesmo em malha aberta, minimizando ou até
eliminando a necessidade de controle por realimentação
. auto-inicialização de funcionamento
. referência de tensão interna, com proteção de sobre-tensão
. proteção contra sobre e sub-tensão, incluindo desligamento e religamento programável
. acionador de saída único, para alta corrente, otimizado para rápido desligamento da
chave de potência
         Um circuito típico de aplicação é mostrado na figura 8.4.




http://www.dsce.fee.unicamp.br/~antenor                                                                                                 11-4
Fontes Chaveadas - Cap. 11                      CIRCUITOS INTEGRADOS DEDICADOS                                                                                 J. A. Pomilio


                                   Entrada cc


                                                                                                             Rr                   Rin                                N3

Entrada ca                                                                                 +Vin                                                          N1
                                                                        Vref
                                           R4                                         16        15
                                                                                                                                  Cin                                N4
                                                                                                              11
                                                          Rt                                         Ger.
                                                                                  Vref
                                                                9                                    Rampa    10
                                                                       Osc.
                                                      Ct                                                              Cr                                             N5
                                                                                                                                                         N2
                                                                                                +Vin
                             R1
                                                Rf   Cf            1                   Drive

                                                               17
                                                                                                                      Rb                 Cd
                                                                                                              14
                                  R5                  Vref
                                                               18             Ampl.
                                                                                            PWM               12
                                                                              Erro
                                                                2                                                          Vref         Rd

                                                                                                                       R6                          R8
                                                                          sub-tensão
                                  R2
                                                                                                              6
                                          sobre-tensão          3                                             7

                                                                                                  Limite
                                  R3                                                              corrente
                                                                                                                           R7
                                                                                                                                              Rs
                                   Stop                        4                                                                                         Rcs
                                                                       Remoto                Partida              8
                                   Reset                        5                            Suave

                                                                                           13                                                      Rdc
                                                                                                                                    Cs
                                                                                                      UC1804



                             Figura 11.4 UC1840 acionando conversor forward.

        No início da operação, e antes que a tensão no pino 2 atinja 3V, o comparador de
partida/sub-tensão (UV) puxa uma corrente de 200uA, causando uma queda de tensão
adicional em R1. Ao mesmo tempo o transistor de saída está inibido, fazendo com que a
única corrente por Rin seja devido ao "start-up". O transistor de partida lenta está
conduzindo, mantendo o capacitor Cs descarregado.
        Enquanto a tensão de controle permanecer abaixo do limite de partida
(determinado pelos resistores R4 e R5), o latch de partida não monitora sub-tensão.
Atingido o limite, o comparador de partida/UV elimina os 200uA, setando o FF de partida
para monitorar a sub-tensão. Além disso, ativa o transistor de saída para alimentar a chave
de potência, desliga o transistor de partida lenta, permitindo a carga de Cs (via Rs) e o
aumento gradativo da largura de pulso.
        O pino 8 pode ser usado tanto para partida lenta quanto para limitar o máximo
ciclo de trabalho, bem como uma entrada de inibição do sinal MLP. A largura de pulso
pode variar de 0 a 90%, podendo o valor máximo ser limitado por um divisor de tensão
colocado no pino 8 (Rdc).
        Quando se deseja uma rampa constante, Rr deve ser conectado à referência interna
de 5V. Quando se quiser uma operação com o produto (volt x segundo) fixo, Rr deve ser
ligado à linha de alimentação CC.
        A inclinação da rampa será dada por:

dv V (linha)
  =                                                                                                                                                               (8.1)
dt R R ⋅ CR

       Seu valor máximo é de 4,2V e o mínimo de 0,7V. A freqüência é determinada por
RT (entre 1kΩ e 100kΩ) e CT (entre 300pF e 100nF).

http://www.dsce.fee.unicamp.br/~antenor                                                                                                                                   11-5
Fontes Chaveadas - Cap. 11       CIRCUITOS INTEGRADOS DEDICADOS                  J. A. Pomilio


        A parte MLP do integrado é formada pelo oscilador, pelo gerador de rampa, pelo
amplificador de erro, pelo comparador MLP, pelo FF de latch e pelo transistor de saída.
        O amplificador de erro é um operacional convencional, com uma tensão de modo
comum entre 1 e (Vin-2)V. Assim, qualquer das entradas pode ser conectada à referência
de 5V. A outra entrada deve monitorar a tensão de saída (ou a de entrada).
        O comparador MLP possui entradas para o gerador de rampa, o amplificador de
erro, o circuito de partida lenta e o limitador de corrente. À saída deste comparador tem-se
um pulso que se inicia ao final do pulso de clock do oscilador e termina quando a rampa
cruza o menor dos três sinais de entrada citados. A duração do sinal do oscilador
determina a máxima duração possível para o pulso MLP. O FF assegura a existência de
apenas 1 pulso por período.
        O transistor de s  aída é capaz de fornecer 200mA, podendo acionar diretamente
transistores MOSFET ou bipolares.
        Circuitos auxiliares para permitir detecção de sobre-tensão, parada e acionamento
comandados externamente também estão presentes.
        Limitação de corrente e desligamento em caso de sobre-corrente são
implementados com comparadores de diferentes limiares. Na ocorrência de uma
sobrecarga, estes comparadores estreitam o sinal MLP, ao mesmo tempo em que ligam o
transistor de partida lenta, descarregando Cs, assegurando um reinício de operação
adequado, quando cessar a falha.


11.4 UC1524A

        O circuito integrado UC1524A é uma versão melhorada dos primeiros
controladores MLP, o SG1524. O diagrama de blocos está mostrado na figura 11.5.
        Um gerador de onda dente de serra tem sua freqüência determinada por um par RC
conectado externamente. O limite usual é de 500kHz. A rampa gerada tem uma excursão
de aproximadamente 2,5V. O comparador MLP tem uma entrada (positiva) proveniente
deste gerador de rampa e a outra pode ser fornecida pelo amplificador de erro da tensão de
saída ou pelo limitador de corrente da saída..
        O integrado possui um fonte interna de referência de 5V, +1%. Desta forma, tal
tensão pode ser usada no amplificador de erro como referência direta para saídas de 5V.
Caso a saída seja de maior valor, usa-se um divisor de tensão. O amplificador de erro é do
tipo transcondutância, ou seja, apresenta uma elevada impedância de saída, comportando-
se como uma fonte de corrente. O compensador pode ser utilizado tanto entre a saída
(pino 9) e a entrada inversora ou entre a saída e o terra. O amplificador limitador de
corrente pode ser usado no modo linear ou com limitação pulso a pulso. Sua tensão de
limiar é de 200mV.
        Um sensor de subtensão inibe o funcionamento dos circuitos internos, exceto a
referência, até que a tensão de entrada (Vin, pino 15) seja superior a 8V.
        O sinal do oscilador aciona um flip-flop de modo a selecionar a qual das saídas será
enviado o sinal MLP. Este sinal passa por um latch, de modo a garantir um único pulso por
ciclo, podendo ainda ser inibido pela entrada de shutdown (pino 10), o qual atua em 200ns.
A saída dupla permite o acionamento de uma topologia push-pull. Os transistores podem
fornecer 200mA, suportando 60V, podendo ser paralelados.
        A figura 11.6 mostra um conversor implementado com este CI.




http://www.dsce.fee.unicamp.br/~antenor                                                    11-6
Fontes Chaveadas - Cap. 11               CIRCUITOS INTEGRADOS DEDICADOS                            J. A. Pomilio




        Vin
               15
                                 .                      + 5V
                                                      Referência                  16
                                                                                            Vref

                                      Sub-              Para circuitos internos
                                     tensão
       Osc.                                                  Flip-       .        12
                                                                                            Ca

        Rt
               3
               6
                    .     Osc.        . .Clock               Flop
                                                                     ..           11 Ea
        Ct
               7
                                              +
                                                                     R .          13
                                                                                            Cb


     Compensação
               9        Ampl. Erro
                                     .        -
                                                                PWM
                                                              S Latch
                                                                                  14
                                                                                            Eb



       Inv.

     N. Inv.
               1          -
                          +
                                     .                                             8
                                                                                            GND

               2

               4
               200mV
                          -
                          +
                                                         .      1k                     10
                                                                                             Shutdown
               5
                    Limite de corrente            .           10k




                          Figura 11.5 Diagrama de blocos interno do UC1524A




                              Figura 11.6 Conversor forward usando UC1524A.

        Quando a alimentação é ligada, a partida é possibilitada pelo capacitor C2, o qual
se carrega via R1. O enrolamento N2 assume a alimentação quando se atinge a operação
em regime. A realimentação da tensão de saída é fornecida por um circuito composto pelo


http://www.dsce.fee.unicamp.br/~antenor                                                                      11-7
Fontes Chaveadas - Cap. 11                  CIRCUITOS INTEGRADOS DEDICADOS                            J. A. Pomilio


transistor Q3 e transformador T2, o qual permite amostrar a saída de 5V a uma freqüência
de 40kHz.
         A cada ciclo, a tensão de saída é transferida de N1 para N2 (em T2), onde o
retificador D1 carrega o capacitor de 20nF, fornecendo um sinal médio proporcional à
saída. O diodo D2 (conectado à referência interna de 5V) é usado para compensar e         m
termos de temperatura o efeito de D1. D3 realiza uma limitação do ciclo de trabalho.
         Um sensor resistivo é usado para limitar, a cada ciclo, a corrente pelo enrolamento
N1 de T1. O compensador utilizado, basicamente do tipo PI, é conectado ao pino 9.


11.5 UC1846

        Este CI, mostrado na figura 11.7, é adequado ao controle no modo corrente [11.1].
        Possui uma fonte interna de referência de 5,1V +1%, usada também para alimentar
circuitos de baixo consumo. Um gerador de rampa, com freqüência fixa, determinada por
um par RC conectado externamente (pinos 9 e 8), pode produzir um sinal de 1MHz. Um
sinal de sincronismo é fornecido no pino 10. O sinal de saída do oscilador tem um tempo
baixo mínimo, o qual inibe ambas as saídas durante um intervalo, garantindo um tempo
morto mínimo. A duração deste intervalo depende também do resistor e do capacitor do
oscilador, sendo coincidente com o intervalo de diminuição da tensão da onda dente de
serra.

Vin                        .                      + 5,1 V
                                                 Referência                                           Vref
        15
                                Sub-                                                         .
                                                                                             2
                                                                                                       Vc


Sinc.
                               tensão

                                                      T
                                                               Q       .                .        13
                                                                                                    Saída
                                                                                                 11 A
 Rt
            10
                               .    Clock
                                                          FF
                                                               Q


                                                                      ..
            9       Osc.
 Ct
            8
                                   Comp.
                                                          .                             .              Saída
                                                                                                       B


      4
        3          -
                   X3
                   +
                                   PWM
                                      +
                                        -
                                                     S R
                                                                                        .        14

                                                                                                 12
                                                                                                       GND
                                                     S   Q
      Sensor de corrente
                                    0,5 mA
                        0,5V
                                             .                                               .
                                                                                                 1     Limite de
                                                                                                       Corrente


            6
                 Ampl. Erro
                    -
                               .                                        .        +
                                                                                 -
                                                                                                 16
                                                                                                      Shutdown
                    +                                                                350mV       6k
            5                                                                Comp.


        7 Compensação
                                   Figura 11.7 Diagrama de blocos do UC1846

        O amplificador de erro admite tensões na entrada entre 0 e (Vin-2)V. Sua saída, é
comparada com a corrente (característica de operação no modo corrente), definindo a
largura do pulso.


http://www.dsce.fee.unicamp.br/~antenor                                                                         11-8
Fontes Chaveadas - Cap. 11             CIRCUITOS INTEGRADOS DEDICADOS                         J. A. Pomilio


         Diferentes métodos de se observar a corrente podem ser usados. O método
resistivo é o mais simples, embora em geral, para reduzir a dissipação de potência, tenha-se
uma tensão reduzida. Um filtro RC é recomendado para eliminar ruídos espúrios, os quais
poderiam alterar o comportamento da largura do pulso de maneira errada. Um
acoplamento via transformador permite isolação e aumento de eficiência, embora aumente
a complexidade e o custo do sistema. A figura 11.8 mostra algumas possibilidades de
medida da corrente.


                                                                              Rs     Saída
                                                                  + 4
                                                                 X3
                                   +      Rs                       - 3
                                   3
                              X3
                                   -
                                                                        (c)
                                   4

                                    (a)




                                                           + 4                       I
                                                          X3
                          +                                - 3
                               Cf         Rs
                          3
                     X3                                                   Trafo de corrente
                          -
                          4
                                                                        (d)
                     Spike

                               (b)

                   Figura 11.8 Métodos para medição da corrente pelo transistor

        O CI permite ainda um limitador de corrente, através de uma limitação do máximo
valor do erro de tensão, cujo valor pode ser estabelecido pelo usuário, através do pino 1.
Este mesmo pino, pela colocação de um par RC pode ser usado para partida suave.
        Uma função de inibição do funcionamento do CI (impedindo a saídas dos pulsos)
pode ser feita através do pino 16 (shutdown), por meio da aplicação de uma tensão
superior a 350mV.
        Sub-tensão é detectada, através da medida da tensão Vin (pino 15), inibindo a saída
dos pulsos. Os transistores de saída podem fornecer 100mA contínuos ou 400mA de pico.
        A figura 11.9 mostra um conversor push-pull utilizando o UC1846. Note-se que
não existe nenhuma implementação visando impedir o desbalanceamento de corrente entre
os enrolamentos, o que levaria à saturação do núcleo. Tal função é naturalmente realizada
pela operação no modo corrente, pois, caso o núcleo entrasse em saturação, a corrente
cresceria muito rapidamente, o que implicaria numa redução na largura do pulso,
diminuindo a tensão aplicada numa das polaridades.




http://www.dsce.fee.unicamp.br/~antenor                                                                 11-9
Fontes Chaveadas - Cap. 11             CIRCUITOS INTEGRADOS DEDICADOS                       J. A. Pomilio




                             Figura 11.9 Conversor push-pull usando o UC1846

11.6 GP605

        O GP605 [11.2] utiliza modulação em freqüência ao invés de MLP. O pulso é
mantido com largura constante enquanto a freqüência varia dentro de uma faixa
determinada por um capacitor (freqüência mínima) e por um resistor (freqüência máxima).
A figura 11.10 mostra seu diagrama de blocos.
                                                                                            Vcc
                  2                                                                   7
      OLRD                                                                                  GND
                                                                                      4
                 16           Sobrecarga                            Shutdown
          OL
                                                                    síncrono


                  1           Sobretensão                                             12
        RSD                                                         Soft-start
                              Subtensão
                                                                                  Soft-start
                              Remoto

                 15
      UV/OV
                 13
       VCO
                 14             VCO                         Monoestável
           R
                  11                                                              3
           C                                                                 5V        Vref
                  9
         Ton
                                                                                  8
                                                                                          Out A
                 10                        FF
         Seq.
                                                                                  6
                                                                                          Out B
                                                                                  5
                                                                                          GND

                                Figura 11.10 Diagrama de blocos do GP605

      A realimentação de tensão controla a freqüência do sinal nas duas saídas
complementares, as quais tem capacidade de acionamento direto de MOSFETs. Estas



http://www.dsce.fee.unicamp.br/~antenor                                                             11-10
Fontes Chaveadas - Cap. 11       CIRCUITOS INTEGRADOS DEDICADOS                 J. A. Pomilio


saídas podem ser conectadas de modo a atuarem conjuntamente, fornecendo uma saída
com o dobro da freqüência. A freqüência de operação vai até 2MHz.
         O CI inclui ainda funções auxiliares como partida suave, desligamento remoto,
fonte interna de 5V, proteções contra sub-tensão, sobre-tensão e sobre-carga, . Em caso de
desligamento (comandado ou por sobre-carga) o sistema se reinicializa sozinho quando a
causa da parada deixa de existir.
         O atraso na volta ao funcionamento é determinado por um par RC conectado ao
pino 2, o qual passa a atuar quando a sobre-carga (monitorada pelo pino 16) deixa de
existir.
         A largura do pulso é também determinada por um par RC conectado em paralelo e
ligados ao pino 9. A duração do pulso deve ser tal que, na máxima freqüência de operação,
seja possível haver um tempo desligado mínimo de cerca de 300ns, necessário para a
correta operação do CI.
         O capacitor conectado ao pino 11 controla a mínima freqüência do VCO. Já o
resistor ligado ao pino 14 determina a máxima freqüência. Seu mínimo valor é 10kΩ. A
partida lenta é feita através de um capacitor conectado ao pino 12.
         A entrada do VCO é projetada para utilizar diretamente um opto-acoplador cujo
diodo esteja referenciado à saída. A faixa de operação linear é entre 1,1 e 6,5V.
         A proteção contra sub e sobre-tensão é feita por um comparador com janela. Na
ocorrência de falha inibe-se a saída de pulsos, até que a falha cesse.
         Uma aplicação típica em conversor ressonante (meia ponte), com carga e         m
paralelo, é mostrada na figura 11.11.




                  Figura 11.11 Conversor ressonante (meia-ponte) usando GP605

       A partida é feita aproveitando-se a própria alimentação CC, a qual é substituída
através de um enrolamento auxiliar do transformador principal. R6 deve ser elevado o

http://www.dsce.fee.unicamp.br/~antenor                                                 11-11
Fontes Chaveadas - Cap. 11            CIRCUITOS INTEGRADOS DEDICADOS             J. A. Pomilio


suficiente para produzir baixas perdas. O acionamento de um dos transistores é feito
diretamente, enquanto para o outro é necessária isolação, o que é feito por T3.
        A sobre-carga é detectada por um transformador de corrente, conectado em série
com o primário de T1. Do secundário vai a informação para o pino 16.
        A referência é dada por uma fonte estabilizada e ajustável (U4), sendo que o
compensador é implementado no potencial da saída. A informação é transferida para o
potencial da entrada pelo opto-acoplador, diretamente para a entrada do VCO.


11.7 MC34262

        A maneira mais simples de obter uma tensão CC para alimentar uma fonte
chaveada, a partir da rede, é utilizar um retificador e um filtro capacitivo. O capacitor se
carrega apenas quando a tensão da entrada for maior do que a tensão sobre ele, o que
implica em um pico de corrente pela alimentação. Isto resulta em um fator de potência
muito baixo (entre 0,5 e 0,7), além de grande conteúdo harmônico da corrente. A figura
11.12 mostra o circuito e a figura 11.13 mostra as formas de onda da corrente e da tensão
de entrada .

                                                                   Carga
                                               +
                                Vac


                                                     Conversor


                             Figura 11.12 Conversor com filtro capacitivo




        Figura 11.13 Formas de onda da corrente e da tensão de entrada no conversor.

        Um fator de potência mais elevado pode ser obtido por meio de um filtro passivo
de entrada, mas o qual deve operar em 60Hz, chegando-se, nos melhores casos a um fator
de potência de 0,9.
        Uma solução mais adequada é o uso de um circuito ativo [11.3], o qual possibilita
um fator de potência praticamente unitário, além de, por operar a alta freqüência, permitir
o uso de elementos de filtragem de baixo valor e tamanho.
        Estes circuitos ativos podem ser, por exemplo, conversores elevadores de tensão
(de uso mais generalizado) ou ainda conversores abaixadores-elevadores. A figura 11.14
mostra um exemplo.




http://www.dsce.fee.unicamp.br/~antenor                                                  11-12
Fontes Chaveadas - Cap. 11          CIRCUITOS INTEGRADOS DEDICADOS                   J. A. Pomilio




                                                                             Carga
                                             MC              +
                 Vac                        34262


                                                                 Conversor
                             Cap. para     Pré-regulador
                             altas freq.

Figura 11.14 Pré-regulador de fator de potência baseado na topologia elevadora de tensão.

       O MC34262 é um CI especialmente projetado para operar como um pré-conversor
capaz de garantir um fator de potência unitário na entrada de um conversor CC-CC (ou
CC-CA). É adequado a um conversor elevador de tensão, operando no modo corrente,
possuindo muitas das implementações usuais nos CIs descritos anteriormente, mas também
algumas específicas para sua aplicação.
       O diagrama de blocos do circuito, em uma aplicação típica, está mostrado na figura
11.15.




             Figura 11.15. Diagrama de blocos e circuito de aplicação do MC34262

       O amplificador de erro é do tipo transcondutância, ou seja, tem elevada impedância
de saída, o que permite realizar a função do controlador conectando-se os componentes
adequados apenas em sua saída (pino 2). A entrada não inversora deste amplificador não é


http://www.dsce.fee.unicamp.br/~antenor                                                      11-13
Fontes Chaveadas - Cap. 11        CIRCUITOS INTEGRADOS DEDICADOS                        J. A. Pomilio


acessível, dispondo internamente de uma tensão de referência de 2,5V. O sinal da tensão
de saída, por meio de um divisor de tensão adequado, é conectado à entrada inversora
(pino 1). Este mesmo sinal é usado pelo sensor de sobre-tensão de saída, o qual inibe a
liberação de pulsos para o transistor de potência.
        A s aída deste amplificador de erro é uma das entradas do bloco multiplicador, o
qual se constitui no responsável pela característica de corretor de fator de potência do CI.
A outra entrada do multiplicador vem da tensão de entrada, após o retificador de onda
completa (pino 3). A saída do multiplicador determina o nível de tensão utilizado no
comparador de corrente, definindo assim o comportamento da corrente, em sua forma e
amplitude.
        A corrente consumida pelo pré-conversor passará a seguir uma forma senoidal,
estando em fase com a tensão, o que garante o fator de potência unitário.
        O CI opera no modo de condução crítico, ou seja, permitindo que a corrente atinja
o zero, mas não deixando-a neste nível, como pode ser visto na figura 11.16.


                                                             Tensão da rede
                                          ID5
          Corrente de              IQ1
          entrada

                                                                              corrente média




        ON

        OFF

                     Figura 11.16 Formas de onda no modo de condução crítico

        O transistor de s  aída permanece em condução até que o valor instantâneo da
corrente atinja o limite estabelecido pela saída do multiplicador. Com seu desligamento, a
corrente circula pelo diodo D5, diminuindo, até atingir zero. A detecção do zero é feita por
um comparador com histerese, a partir de um sinal vindo de um enrolamento auxiliar
acoplado ao indutor. Quando se verifica tal situação, o latch RS libera a saída de um novo
e único pulso para acionamento do transistor de potência.
        O mesmo enrolamento auxiliar possibilita a alimentação do CI, sendo a partida
determinada pela carga do capacitor C4 através do resistor R6.
        O temporizador permite o início ou reinício de funcionamento do conversor caso a
saída fique em nível baixo por 400us após a corrente do indutor ter atingido zero. Isto
pode ocorrer, por exemplo, se um ruído for detectado pela entrada do pino 4, levando ao
desligamento incorreto da saída.
        O detetor de sub-tensão fica monitorando a tensão CC de alimentação do CI, a
qual deve ficar entre 8 e 14V (comparador com histerese). Um diodo zener interno de 36V
protege o integrado contra sobre-tensões.
        O "quickstart" carrega o capacitor de compensação, C1, com 1,6V, o que o coloca
no limiar de atuação do multiplicador. Deste modo, assim que o circuito inicia a partida o
controle passa a atuar.



http://www.dsce.fee.unicamp.br/~antenor                                                         11-14
Fontes Chaveadas - Cap. 11       CIRCUITOS INTEGRADOS DEDICADOS         J. A. Pomilio


       Os transistores de acionamento podem fornecer picos de 500mA, com tempos de
subida e descida de 50ns, com uma carga de 1nF. Um zener de 16V protege a junção
gate/source do MOSFET.


11.8 Referências bibliográficas

[11.1] Linear/Switchmode Voltage Regulator Handbook
       Motorola Inc.
       4ª Ed., 1989, USA

[11.2] Product Catalog
       Gennum Corporation
       Canada, 1989

[11.3] Alberkrack, J.H.; Barrow, S.M.
       Power Factor Controller IC Minimizes External Components
       PCIM, Feb. 1993




http://www.dsce.fee.unicamp.br/~antenor                                         11-15
Fontes Chaveadas - Cap. 12   CARACTERIZAÇÃO DE FONTES CHAVEADAS             J. A. Pomilio



12. CARACTERIZAÇÃO DE FONTES CHAVEADAS

       Apresentaremos aqui alguns aspectos que servem à caracterização do desempenho
das fontes chaveadas, bem como outros temas relacionados com o enquadramento do
equipamento dentro de normas internacionais de comportamento.

12.1 Requisitos de qualidade na alimentação de equipamentos sensíveis

        Especialmente para os equipamentos de computação, são estabelecidos limites em
termos da qualidade da energia a ele suprida. Não existem, ainda, padrões industriais
reconhecidos, no entanto, graças à ação de grandes usuários (especialmente militares), a
CBEMA (Computer Business Equipment Manufacturer’s Association) adotou as curvas
mostradas na figura 12.1. Estas curvas aparecem na norma IEEE 446 como “prática
recomendada para sistemas de alimentação de emergência, em aplicações industriais e
comerciais”.
        As curvas definem um envelope dentro do qual deve estar o valor eficaz da tensão
suprida ao equipamento. Ou seja, quando os limites forem violados, o sistema de
alimentação ininterrupta deve atuar, no sentido de manter a alimentação dentro de valores
aceitáveis.
        Em outras palavras, se a tensão de alimentação estiver dentro dos limites não deve
ocorrer mal-funcionamentos do equipamento alimentado. Violações dos limites podem,
então, provocar falhas, que devem ser evitadas.
        Via de regra, quem suporta a alimentação do equipamento na ocorrência de falhas
de curta duração são as capacitâncias das fontes de alimentação internas, de modo que,
eventualmente, mesmo violações mais demoradas do que aquelas indicadas podem ser
suportadas.
        Nota-se na figura 12.1 que, em regime, a tensão deve estar limitada a uma
sobretensão de 6% e uma subtensão de 13%. Quanto menor a perturbação, maior a
alteração admitida, uma vez que os elementos armazenadores de energia internos ao
equipamento devem ser capazes de absorvê-la. Assim, por exemplo, a tensão pode ir a zero
por meio ciclo, ou ainda haver um surto de tensão com 3 vezes o valor nominal (eficaz),
desde que com duração inferior a 100 µs.

12.2 Tempo de sustentação da tensão de saída (Hold-up)

       Este teste determina o intervalo de tempo no qual a s   aída é capaz de manter a
corrente nominal de saída quando ocorre uma interrupção na alimentação.
       Esta interrupção na alimentação do equipamento pode ter origem em manobras de
equipamentos alimentados pela mesma rede, causando uma queda na tensão CA (ou CC)
com duração maior que 1/2 ciclo (8,33 ms).
       O desempenho esperado determina a energia a ser acumulada nos capacitore a   s
sere utilizados na entrada e na saída do equipamento, o que pode levar a valores muito
    m
maiores do que os necessários para a operação em regime, ou seja, apenas para reduzir a
ondulação de tensão advindado chaveamento.
       A figura 12.2 indica o procedimento de teste.




http://www.dsce.fee.unicamp.br/~antenor                                                 12-1
Fontes Chaveadas - Cap. 12     CARACTERIZAÇÃO DE FONTES CHAVEADAS                                         J. A. Pomilio




                                               Envelope de tolerância de tensão
                              +200%
                                               para equipamento computacional


                                                    +100%


                                                             +30%
                                                                                         +6%
                     100%                                                                       Regime
                                                                              -30%
                                                             -70%                        -13%
                                                                         -42%

                    0%
                              .001       .01     0.1          1          10        100    1000 ciclos
                                     100u      1m      8.33m        .1        .5     2s

      Figura 12.1 Envelope de tolerância de tensão típico para sistema computacional.


                                         +               +

                                             Fonte
                                                               carga
                         Vi                  sob teste        nominal


                                                                                           osciloscópio
                                         -               -

                                         Tensão de entrada
                               100%


                                     0
                                             Tempo de sustentação

                                 Vo                                       Vomin


        Figura 12.2 Teste para verificação do tempo de sustentação da tensão de saída.

12.3 Regulação de linha

        O teste relativo à chamada regulação de linha mede a alteração na tensão de saída em
resposta a uma mudança na tensão de entrada.
        O teste se faz com a fonte operando à carga nominal, ou seja, todas as saídas devem
estar fornecendo a corrente nominal. A tensão de saída é medida (0,1% de precisão mínima)
em 3 situações de tensão de entrada: mínima, nominal e máxima. A figura 12.3 mostra o
arranjo para medição. A regulação de linha, dada em porcentagem é:


http://www.dsce.fee.unicamp.br/~antenor                                                                               12-2
Fontes Chaveadas - Cap. 12   CARACTERIZAÇÃO DE FONTES CHAVEADAS                      J. A. Pomilio



                             Vomax − Vomin
Regulaç ã de Linha =
        o                                  ⋅ 100                                  (12.1)
                               Voideal

onde Vomax e Vomin são medidas, respectivamente, à máxima e mínima tensão de entrada.



                                                   +               +

                                                       Fonte
                                                                        Carga
               Vi                     V                sob teste        nominal    Vo
             ajustável

                                                   -               -


                              Figura 12.3 Teste de regulação de linha.

12.4 Regulação de carga

        Este teste mede a alteração na tensão de saída em resposta a uma mudança na
corrente média de cada saída da fonte.
        O teste é feito com tensão nominal na entrada. Cada saída é medida com 50% e com
100% da corrente nominal.

                             Vomax − Vomin
Regulaç ã de carga =
         o                                 ⋅ 100                                  (12.2)
                               Voideal

onde Vomax e Vomin são medidas, respectivamente, a 50% e 100% da carga nominal.


                               +               +

                                   Fonte
                                                        1/2
              Vi                   sob teste            carga          1/2         Vo
                 nominal                               nominal
                                                                       carga
                                                                       nominal
                              -                -

                              Figura 12.4 Teste de regulação de carga.




http://www.dsce.fee.unicamp.br/~antenor                                                          12-3
Fontes Chaveadas - Cap. 12    CARACTERIZAÇÃO DE FONTES CHAVEADAS                        J. A. Pomilio


12.5     Resposta dinâmica à variação de carga

         Embora este parâmetro não seja usualmente publicado, ele é uma informação
interessante, especialmente para o projetista, uma vez que permite verificar o desempenho
do sistema de controle utilizado.
         É basicamente um teste para medir o tempo necessário para que a realimentação
corrija a tensão de saída na ocorrência de uma variação em degrau na carga.
         Este é um parâmetro que é pior nas fontes chaveadas do que nas lineares, dada a
limitação (ao inverso da freqüência de chaveamento) no mínimo tempo de resposta.
         Em geral são necessários alguns ciclos para que ocorra a correção desejada. Isto
ocorre principalmente por que o filtro de saída impede uma resposta rápida à mudança na
carga, sendo necessário algum tempo para que todo o sistema atinja o novo ponto de
operação e possa corrigir a saída.
         Tempos muito longos podem indicar um ganho CC muito baixo e ainda uma
freqüência de corte muito reduzida. Quanto mais os parâmetros do compensador são
ajustados para uma situação conservativa em termos de estabilidade, pior a resposta
dinâmica.
         A figura 12.5 mostra o arranjo para a realização do teste.


                              +                 +

                                    Fonte
                                                     1/2
               Vi                   sob teste       carga
                                                    nominal   1/2
                 nominal                                      carga
                                                              nominal
                                                                         osciloscópio
                              -                 -


                         carga

                      100%

                        50%
                                  tempo de resposta


                         Vo


                    Figura 12.5 Teste de resposta dinâmica à variação de carga.

12.6 Teste de isolação

       Este teste verifica se a isolação entre a entrada, chassis e saída(s) excede um valor de
tensão mínima especificado. As tensões de teste são, tipicamente, CA (50 ou 60Hz),
podendo ser substituídas por uma tensão CC com um valor equivalente ao pico da tensão
CA.



http://www.dsce.fee.unicamp.br/~antenor                                                             12-4
Fontes Chaveadas - Cap. 12   CARACTERIZAÇÃO DE FONTES CHAVEADAS                     J. A. Pomilio


        O propósito do teste é assegurar que não exista possibilidade de que tensões
potencialmente letais advindas da rede ou do próprio equipamento atinjam o usuário final do
produto.
        As áreas críticas para este teste são as isolações do transformador de potência, o
espaçamento entre as trilhas da placa de circuito impresso e a isolação para o chassis.
        A falha é detectada caso ocorra uma corrente acima da especificada durante a
aplicação da tensão ao equipamento.
        Alguns cuidados devem ser tomados durante a verificação da isolação, com o intuito
de não danificar os componentes do equipamento. Por exemplo, os fios de entrada devem
ser curto-circuitados, bem como os de saída. O uso de tensão CC é mais conveniente por
não permitir a ocorrência de fugas pelo transformador (acoplamento capacitivo), o que
poderia danificar algum componente. A figura 12.6 mostra o teste com tensão aplicada entre
entrada e saída, enquanto na figura 12.7 tem-se o teste entre entrada e chassis. Realiza-se
também o teste entre chassis e saída.
        Os componentes colocados entre os terminais de entrada ou de s       aída e o chassis
devem suportar uma tensão maior que a tensão de teste. Tais componentes são basicamente
os capacitores do filtro de IEM. Também aqui deve ser usada uma tensão CC.
        A tensão de teste deve ser rampeada em um tempo sempre superior a 2 segundos, de
modo a evitar a indução de tensões elevadas no circuito.

                                           +               +
                                                                 Todas as
                                               Fonte
                 Entrada e retorno                               saídas e
                                               sob teste
                 curtocircuitados                                retornos
                                                                 curtocircuitados
                                                                 conjuntamente
                    Alta                   -               -
                    Tensão
                    CC

                       Figura 12.6 Teste de alta tensão entre entrada e saída.

                                           +           +
                                                                 Todas as
                 Entrada e retorno             Fonte             saídas e
                 curtocircuitados              sob teste         retornos
                                                                 curtocircuitados
                                                                 conjuntamente
                    Alta                   -           -
                    Tensão
                    CC                                Chassis/terra


                     Figura 12.7 Teste de alta tensão entre entrada e carcaça.

12.7 Interferência Eletromagnética (IEM)

       Dois tipos de interferência devem ser consideradas: a conduzida pela rede de
alimentação e a irradiada.



http://www.dsce.fee.unicamp.br/~antenor                                                         12-5
Fontes Chaveadas - Cap. 12   CARACTERIZAÇÃO DE FONTES CHAVEADAS                J. A. Pomilio


         Diferentes normas, nacionais (VDE - Alemanha, FCC - EUA) e internacionais
(CISPR - IEC), determinam os valores limites admissíveis para o ruído eletromagnético
produzido pelo equipamento. No Brasil, a adoção de normas específicas sobre este assunto
está em discussão, seguindo-se, em princípio, as normas IEC-CISPR [12-1] a [12-4].
         Estas normas, além dos limites de sinal irradiado ou conduzido, determinam os
métodos de medida, os equipamento de teste e classificam os produtos a serem testados e   m
função de suas características próprias e do local onde devem ser utilizados (CISPR 16). Via
de regra, as fontes chaveadas são elementos internos aos equipamentos, devendo-se utilizar
os limites e procedimentos explicitados para tal equipamento.
         Os limites mais severos referem-se a produtos utilizados em ambientes "doméstico"
(classe B), o que significa, que são alimentados por uma rede na qual existem usuários que
não são indústrias ou estabelecimentos comerciais. Ambientes industriais e comerciais tem
seus equipamentos incluídos na chamada classe A.
         No que se refere à IEM conduzida, equipamentos de informática possuem suas
normas (CISPR 22), enquanto os aparelhos de uso industrial, científico e médico (ISM), são
regulados pela CISPR 11. Aparelhos eletrodomésticos são controlados pela CISPR14.
         De modo simplificado, os testes de IEM irradiada devem ser feitos em ambientes
anecóicos, quer seja um campo aberto ou uma câmara especial. Já as medidas de IEM
conduzida fazem uso de uma impedância artificial de linha, sobre a qual se realiza a medida
dos sinais de alta freqüência injetados pelo equipamento.

12.7.1 IEM irradiada
        As medidas de IEM irradiada são feitas, tipicamente, para freqüências de 30MHz a
1GHz. As normas VDE estabelecem também limites para a faixa entre 10kHz e 30MHz. Tal
procedimento, no entanto, não é adotado pelas normas CISPR nem pela maioria das normas
nacionais, que definem apenas a faixa de freqüências mais elevadas.
        Os equipamentos ISM são divididos em grupos. No grupo 1 tem-se aqueles nos
quais existe energia em rádio-freqüência intencionalmente gerada e/ou condutivamente
acoplada, a qual é necessária para o funcionamento interno do equipamento. No grupo 2
tem-se aqueles nos quais existe energia em rádio-freqüência intencionalmente gerada e/ou
usada em forma de radiação eletromagnética para o tratamento de materiais ou eletro-
erosão.
        O perfil relativo aos limites da classe A é determinado pela divisão do espectro, e m
função da sua ocupação pelo sistema de comunicação. Quando houver uma faixa de uso
comercial, aí o limite deve ser mais baixo. Por esta razão, este perfil pode ser diferente em
cada país, adaptando-se à utilização real do espectro.
        A captação dos campos elétrico e magnético emitidos pelo equipamento é feita por
meio de antenas localizadas em posições normatizadas.
        A figura 12.8 mostra os limites da norma CISPR 11 (equipamento ISM) para classe
B. Os limites entre 150 kHz e 30 MHz estão sob consideração.
        A origem do ruído irradiado está na presença de componentes de alta freqüência
presentes nas tensões e correntes da fonte (ou mesmo de outros subsistemas do
equipamento). Tais componentes, associados a elementos parasitas (indutâncias e
capacitâncias), podem produzir fenômenos de ressonância que potencializam os efeitos de
tal ruído. Para freqüências elevadas, os condutores nos quais circulam as correntes, ou os
terminais nos quais se tem tensão, atuam como antenas, irradiando para o ambiente.
        Do ponto de vista do projeto da fonte, não existe uma sistemática explícita para
minimizar tais problemas, pode-se, no entanto, tomar algumas precauções que visam evitar o
agravamento da situação.



http://www.dsce.fee.unicamp.br/~antenor                                                    12-6
Fontes Chaveadas - Cap. 12   CARACTERIZAÇÃO DE FONTES CHAVEADAS                J. A. Pomilio


        Todos os caminhos nos quais circula corrente elevada devem ter o menor
comprimento possível, o que implica na proximidade física entre os componentes de
potência. Os elevados dv/dt e di/dt advindos do chaveamento devem ser minimizadas por
meio de supressores e amaciadores.
        Normalmente as fontes são colocadas dentro de caixas metálicas, as quais confinam
os campos magnéticos produzidos (baseando-se na teoria da esfera Gaussiana). A blindagem
deve envolver todo o circuito que produz interferência, formando um "curto-circuito" e  m
torno a ele. Qualquer junção na blindagem deve ter uma resistência de contato muito baixa,
sob o risco de se perder sua eficácia.

               Limite
               dB(uV)            Medidas à distância de 10 m
                   50

                     40                                                 37dB

                     30


                        10          30        100        300        1000
                                            Frequência (MHz)

       Figura 12.8 Limites de IEM irradiada para equipamento ISM, grupo 1, classe B

12.7.2 IEM conduzida pela rede
        A principal motivação para que se exija um limitante para a IEM que um
equipamento injeta na rede é evitar que tal interferência afete o funcionamento de outros
aparelhos que estejam sendo alimentados pela mesma rede. Esta susceptibilidade dos
aparelhos aos ruídos presentes na alimentação não está sujeita a normatização, embora cada
fabricante procure atingir níveis de baixa susceptibilidade.
        A medição deste tipo de interferência é feita através de uma impedância (LISN - Line
Impedance Stabilization Network) colocada entre a rede e o equipamento sob teste, cujo
esquema está mostrado na figura 12.9. A indutância em série evita que os ruídos produzidos
pelo equipamento fluam para a rede, sendo direcionados para a resistência de 1kΩ, sobre a
qual é feita a medição (com um analisador de espectro com impedância de entrada de 50Ω).
Os eventuais ruídos presentes na linha são desviados pelo capacitor de 1µF, não afetando a
medição.
        Esta impedância de linha pode ser utilizada na faixa entre 150kHz e 30MHz, que é a
banda normatizada pela CISPR. A faixa entre 10kHz e 150kHz é definida apenas pela VDE,
estando em estudo por outras agências. Nesta faixa inferior, a LISN é implementada com
outros componentes, como mostrado na mesma figura 12.9.
        Também são feitas as distinções quanto à aplicação e ao local de instalação do
equipamento. A figura 12.10 mostra estes limites para a norma CISPR 11 (equipamentos
ISM). O ambiente de medida é composto basicamente por um plano terra sobre o qual é
colocada a LISN. Acima deste plano, e isolado dele, coloca-se o equipamento a ser testado.
        As elevadas taxas de variação de tensão presentes numa fonte chaveada e correntes
pulsadas presentes em estágios de entrada (como nos conversores para correção de fator de
potência) são os principais responsáveis pela existência de IEM conduzida pela rede.


http://www.dsce.fee.unicamp.br/~antenor                                                    12-7
Fontes Chaveadas - Cap. 12       CARACTERIZAÇÃO DE FONTES CHAVEADAS                J. A. Pomilio


       No caso das correntes pulsadas, esta razão é óbvia, uma vez que a corrente presente
na entrada do conversor está sendo chaveada em alta freqüência, tendo suas harmônicas
dentro da faixa de verificação de IEM conduzida.



       .         L1
                      .          L2
                                      .                         9 a 150 kHz
                                                                 L1=250uH
                                                                                150kHz a 30MHz
                                                                                    L1=0
            C1              C2            C3                     L2=50uH            L2=50uH
                                                Fonte
                                                                 C1=4uF             C1=0
Rede                                                    Vo       C2=8uF             C2=1uF
CA          R1              R2            R3                     C3=250nF           C3=100nF

   ..                 .               .                          R1=10
                                                                 R2=5
                                                                 R3=1k
                                                                                    R2=0
                                                                                    R3=1k



                                 Analisador
                                 de Espectro
                                 (50 ohms)


                        Figura 12.9 Impedância de linha normatizada (LISN).

                      dBuV
                      100

                       90

                       80

                       70

                       60                                            Classe A

                       50                                           Classe B

                        10k           100k     1M       10M      100M
                                               f (Hz)

    Figura 12.10 Limites de IEM conduzida pela norma CISPR 11 (equipamentos de uso
                           Industrial, Científico e Médico - ISM)

        A redução dos níveis de IEM conduzida pode ser obtida com o uso de filtros de linha
[12.6]. Seu objetivo é criar um caminho de baixa impedância de modo que as componentes
de corrente em alta freqüência circulem por tais caminhos, e não pela linha. Devem-se
considerar 2 tipos de corrente: a simétrica e a assimétrica.
        No caso de correntes simétricas (ou de modo diferencial), sua existência na linha de
alimentação se deve ao próprio chaveamento da fonte. A figura 12.11 mostra esta situação.
A redução da circulação pela linha pode ser obtida pelo uso de um filtro de segunda ordem,
com a capacitância oferecendo um caminho de baixa impedância para a componente de
corrente que se deseja atenuar. Os indutores criam uma oposição à fuga da corrente para a
rede. Em 60Hz a queda sobre tais indutâncias deve ser mínima.


http://www.dsce.fee.unicamp.br/~antenor                                                        12-8
Fontes Chaveadas - Cap. 12      CARACTERIZAÇÃO DE FONTES CHAVEADAS                       J. A. Pomilio


         Já para as correntes assimétricas (ou de modo comum), como sua principal origem
está no acoplamento capacitivo do transistor com o terra, a redução se faz também com um
filtro de segunda ordem. No entanto, o elemento indutivo deve ser do tipo acoplado e com
polaridade adequada de enrolamentos, de modo que represente uma impedância elevada
para correntes assimétricas, mas não implique em nenhuma impedância para a corrente
simétrica. Os capacitores fornecem o caminho alternativo para a passagem de tal
componente de corrente.




     rede
                        .
                        .                                                        fonte




                                                                             aterramento
                                   Filtro de linha

                             Figura 12.11 Circuito típico com filtro de linha.


12.8 Referências Bibliográficas:

[12.1] “CISPR specification for radio interference measuring apparatus and measurement
       methods”. International Electrotechnical Comission, International Special Committee
       on Radio Interference, CISPR 16, second edition, 1987.

[12.2] “Limits ans methods of measurement of electromagnetic disturbance characteristics
       of industrial, scientific and medical (ISM) radio-freqüency equipment”. International
       Electrotechnical Comission, International Special Committee on Radio Interference,
       CISPR 11, second edition, 1990.

[12.3] “Limits and methods of measurement of radio disturbance characteristics of electrical
       lighting and similar equipment”. International Electrotechnical Comission,
       International Special Committee on Radio Interference, CISPR 15, fourth edition,
       1992.

[12.4] “Limits and methods of measurement of radio disturbance characteristics of electrical
       motor-operated and thermal appliances for household and similar purposes, electric
       tools and electrical apparatus”. International Electrotechnical Comission,
       International Special Committee on Radio Interference, CISPR 14, third edition,
       1993.

[12.5] Barbi, Ivo: “Curso de fontes chaveadas”, Florianópolis, 1987.

[12.6] Nave, Mark J.: “Power Line Filter Design for Switched-Mode Power Supplies”. Van
       Nostrand Reinhold, New York, 1991.


http://www.dsce.fee.unicamp.br/~antenor                                                              12-9

Fontes chaveadas

  • 1.
    Fontes Chaveadas -Cap. 1 COMPONENTES SEMICONDUTORES RÁPIDOS DE POTÊNCIA J. A. Pomilio 1. COMPONENTES SEMICONDUTORES RÁPIDOS DE POTÊNCIA 1.1 Diodos de Potência Um diodo semicondutor é uma estrutura P-N que, dentro de seus limites de tensão e de corrente, permite a passagem de corrente em um único sentido. Detalhes de funcionamento, em geral desprezados para diodos de sinal, podem ser significativos para componentes de maior potência, caracterizados por uma maior área (para permitir maiores correntes) e maior comprimento (a fim de suportar tensões mais elevadas). A figura 1.1 mostra, simplificadamente, a estrutura interna de um diodo. Junção metalúrgica P+ + + + + + + _ _ + + _ _ _ _ _ _ _ N ++++++++ _ _ + + _ _ _ _ _ _ _ ++++++++ _ _ _ _ _ _ _ _ _ Anodo Catodo + + ++++++++ _ _ + + _ _ _ _ _ _ _ ++++++++ _ _ + + _ _ _ _ _ _ _ + Difusão _ Potencial 0 1u Figura 1.1. Estrutura básica de um diodo semicondutor Aplicando-se uma tensão entre as regiões P e N, a diferença de potencial aparecerá na região de transição, uma vez que a resistência desta parte do semicondutor é muito maior que a do restante do componente (devido à concentração de portadores). Quando se polariza reversamente um diodo, ou seja, se aplica uma tensão negativa no anodo (região P) e positiva no catodo (região N), mais portadores positivos (lacunas) migram para o lado N, e vice-versa, de modo que a largura da região de transição aumenta, elevando a barreira de potencial. Por difusão ou efeito térmico, uma certa quantidade de portadores minoritários penetra na região de transição. São, então, acelerados pelo campo elétrico, indo até a outra região neutra do dispositivo. Esta corrente reversa independe da tensão reversa aplicada, variando, basicamente, com a temperatura. http://www.dsce.fee.unicamp.br/~antenor 1-1
  • 2.
    Fontes Chaveadas -Cap. 1 COMPONENTES SEMICONDUTORES RÁPIDOS DE POTÊNCIA J. A. Pomilio Se o campo elétrico na região de transição for muito intenso, os portadores e m trânsito obterão grande velocidade e, ao se chocarem com átomos da estrutura, produzirão novos portadores, os quais, também acelerados, produzirão um efeito de avalanche. Dado o aumento na corrente, sem redução significativa na tensão na junção, produz-se um pico de potência que destrói o componente. Uma polarização direta leva ao estreitamento da região de transição e à redução da barreira de potencial. Quando a tensão aplicada superar o valor natural da barreira, cerca de 0,7V para diodos de Si, os portadores negativos do lado N serão atraídos pelo potencial positivo do anodo e vice-versa, levando o componente à condução. Na verdade, a estrutura interna de um diodo de potência é um pouco diferente desta apresentada. Existe uma região N intermediária, com baixa dopagem. O papel desta região é permitir ao componente suportar tensões mais elevadas, pois tornará menor o campo elétrico na região de transição (que será mais larga, para manter o equilíbrio de carga). Esta região de pequena densidade de dopante dará ao diodo uma significativa característica resistiva quando em condução, a qual se torna mais significativa quanto maior for a tensão suportável pelo componente. As camadas que fazem os contatos externos são altamente dopadas, a fim de fazer com que se obtenha um contato com característica ôhmica e não semi-condutor (como se verá adiante nos diodos Schottky). O contorno arredondado entre as regiões de anodo e catodo tem como função criar campos elétricos mais suaves (evitando o efeito de pontas). No estado bloqueado, pode-se analisar a região de transição como um capacitor, cuja carga é aquela presente na própria região de transição. Na condução não existe tal carga, no entanto, devido à alta dopagem da camada P+, por difusão, existe uma penetração de lacunas na região N-. Além disso, à medida que cresce a corrente, mais lacunas são injetadas na região N-, fazendo com que elétrons venham da região N+ para manter a neutralidade de carga. Desta forma, cria-se uma carga espacial no catodo, a qual terá que ser removida (ou se recombinar) para permitir a passagem para o estado bloqueado do diodo. O comportamento dinâmico de um diodo de potência é, na verdade, muito diferente do de uma chave ideal, como se pode observar na figura 1.2. Suponha-se que se aplica uma tensão vi ao diodo, alimentando uma carga resistiva (cargas diferentes poderão alterar alguns aspectos da forma de onda). Durante t1, remove-se a carga acumulada na região de transição. Como ainda não houve significativa injeção de portadores, a resistência da região N- é elevada, produzindo um pico de tensão. Indutâncias parasitas do componente e das conexões também colaboram com a sobre-tensão. Durante t2 tem-se a chegada dos portadores e a redução da tensão para cerca de 1V. Estes tempos são, tipicamente, da ordem de centenas de ns. No desligamento, a carga espacial presente na região N- deve ser removida antes que se possa reiniciar a formação da barreira de potencial na junção. Enquanto houver portadores transitando, o diodo se mantém em condução. A redução em V on se deve à diminuição da queda ôhmica. Quando a corrente atinge seu pico negativo é que foi retirado o excesso de portadores, iniciando-se, então, o bloqueio do diodo. A taxa de variação da corrente, associada às indutâncias do circuito, provoca uma sobre-tensão negativa. Diodos rápidos possuem trr da ordem de, no máximo, poucos micro-segundos, enquanto nos diodos normais é de dezenas ou centenas de micro-segundos. http://www.dsce.fee.unicamp.br/~antenor 1-2
  • 3.
    Fontes Chaveadas -Cap. 1 COMPONENTES SEMICONDUTORES RÁPIDOS DE POTÊNCIA J. A. Pomilio O retorno da corrente a zero, após o bloqueio, devido à sua elevada derivada e ao fato de, neste momento, o diodo já estar desligado, é uma fonte importante de sobretensões produzidas por indutâncias parasitas associadas aos componentes por onde circula tal corrente. A fim de minimizar este fenômeno foram desenvolvidos os diodos “soft-recovery”, nos quais esta variação de corrente é suavizada, reduzindo os picos de tensão gerados. trr t1 dir/dt t3 dif/dt Qrr i=Vr/R iD Anodo P+ 10e19 cm-3 10 u Vfp Von t4 t5 vD Vrp _ -Vr t2 N 10e14 cm-3 Depende da tensão +Vr vi vD -Vr 250 u N+ 10e19cm-3 substrato iD vi R Catodo Figura 1.2. Estrutura típica de diodo de potência.e Formas de onda típicas de comutação de diodo de potência. 1.2 Diodos Schottky Quando é feita uma junção entre um terminal metálico e um material semicondutor, o contato tem, tipicamente, um comportamento ôhmico, ou seja, a resistência do contato governa o fluxo da corrente. Quando este contato é feito entre um metal e uma região semicondutora com densidade de dopante relativamente baixa, o efeito dominante deixa de ser o resistivo, passando a haver também um efeito retificador. Um diodo Schottky é formado colocando-se um filme metálico em contato direto com um semicondutor, como indicado na figura 1.3. O metal é usualmente depositado sobre um material tipo N, por causa da maior mobilidade dos portadores neste tipo de material. A parte metálica será o anodo e o semicondutor, o catodo. Numa deposição de Al (3 elétrons na última camada), os elétrons do semicondutor tipo N migrarão para o metal, criando uma região de transição na junção. Note-se que apenas elétrons (portadores majoritários em ambos materiais) estão e m trânsito. O seu chaveamento é muito mais rápido do que o dos diodos biplares, uma vez que não existe carga espacial armazenada no material tipo N, sendo necessário apenas refazer a http://www.dsce.fee.unicamp.br/~antenor 1-3
  • 4.
    Fontes Chaveadas -Cap. 1 COMPONENTES SEMICONDUTORES RÁPIDOS DE POTÊNCIA J. A. Pomilio barreira de potencial (tipicamente de 0,3V). A região N tem uma dopagem relativamente alta, a fim de reduzir as perda de condução, com isso, a máxima tensão suportável por estes diodos é de cerca de 100V. A aplicação deste tipo de diodos ocorre principalmente em fontes de baixa tensão, nas quais as quedas sobre os retificadores são significativas. contato contato Al Al retificador ôhmico SiO2 N+ Tipo N Substrato tipo P Figura 1.3 Diodo Schottky construído através de técnica de CIs. 1.3 Transistor Bipolar de Potência (TBP) 1.3.1 Princípio de funcionamento A figura 1.4 mostra a estrutura básica de um transistor bipolar. Rc Vcc J2 J1 N+ N- P N+ C - - E - - Vb B Rb Figura 1.4. Estrutura básica de transistor bipolar A operação normal de um transistor é feita com a junção J1 (B-E) diretamente polarizada, e com J2 (B-C) reversamente polarizada. http://www.dsce.fee.unicamp.br/~antenor 1-4
  • 5.
    Fontes Chaveadas -Cap. 1 COMPONENTES SEMICONDUTORES RÁPIDOS DE POTÊNCIA J. A. Pomilio No caso NPN, os elétrons são atraídos do emissor pelo potencial positivo da base. Esta camada central é suficientemente fina para que a maior parte dos portadores tenha energia cinética suficiente para atravessá-la, chegando à região de transição de J2, sendo, então, atraídos pelo potencial positivo do coletor. O controle de Vbe determina a corrente de base, Ib, que, por sua vez, se relaciona com Ic pelo ganho de corrente do dispositivo. Na realidade, a estrutura interna dos TBPs é diferente. Para suportar tensões elevadas, existe uma camada intermediária do coletor, com baixa dopagem, a qual define a tensão de bloqueio do componente. A figura 1.5. mostra uma estrutura típica de um transistor bipolar de potência. As bordas arredondadas da região de emissor permitem uma homogenização do campo elétrico, necessária à manutenção de ligeiras polarizações reversas entre base e emissor. O TBP não sustenta tensão no sentido oposto porque a alta dopagem do emissor provoca a ruptura de J1 em baixas tensões (5 a 20V). B E N+ 10e19 cm-3 10 u P 10e16 cm-3 5 a 20 u C 10e14 cm-3 50 a 200 u N- B E N+ 10e19 cm-3 250 u (substrato) C Figura 1.5. Estrutura interna de TPB e seu símbolo O uso preferencial de TBP tipo NPN se deve às menores perdas em relação aos PNP, o que ocorre por causa da maior mobilidade dos elétrons em relação às lacunas, reduzindo, principalmente, os tempos de comutação do componente. 1.3.2 Limites de tensão A tensão aplicada ao transistor encontra-se praticamente toda sobre a junção J2 a qual, tipicamente, está reversamente polarizada. Existem limites suportáveis por esta junção, os quais dependem principalmente da forma como o comando de base está operando, conforme se vê nas figuras 1.6 e 1.7. Com o transistor conduzindo (Ib>0) e operando na região ativa, o limite de tensão Vce é Vces o qual, se atingido, leva o dispositivo a um fenômeno chamado de primeira ruptura. http://www.dsce.fee.unicamp.br/~antenor 1-5
  • 6.
    Fontes Chaveadas -Cap. 1 COMPONENTES SEMICONDUTORES RÁPIDOS DE POTÊNCIA J. A. Pomilio O processo de primeira ruptura ocorre quando, ao se elevar a tensão Vce, provoca-se um fenômeno de avalanche em J2. Este acontecimento não danifica, necessariamente, o dispositivo. Se, no entanto, a corrente Ic se concentrar em pequenas áreas, o sobre- aquecimento produzirá ainda mais portadores e destruirá o componente (segunda ruptura). Com o transistor desligado (Ib=0) a tensão que provoca a ruptura da junção J2 é maior, elevando-se ainda mais quando a corrente de base for negativa. Isto é uma indicação interessante que, para transistores submetidos a valores elevados de tensão, o estado desligado deve ser acompanhado de uma polarização negativa da base. Ic Ic Vcbo Ic Ib>0 Ib=0 Vces Vceo Ib<0 Figura 1.6. Tipos de conexão do circuito de base e máximas tensões Vce. Ic segunda ruptura primeira ruptura Ib4 Ib3 Ib2 Ib<0 Ib1 Ib=0 Vce Vces Vceo Vcbo Ib4>Ib3>Ib2>Ib1>0 Figura 1.7 Característica estática de transistor bipolar. 1.3.3 Área de Operação Segura (AOS) A AOS representa a região do plano Vce x Ic dentro da qual o TBP pode operar sem se danificar. A figura 1.8 mostra uma forma típica de AOS. http://www.dsce.fee.unicamp.br/~antenor 1-6
  • 7.
    Fontes Chaveadas -Cap. 1 COMPONENTES SEMICONDUTORES RÁPIDOS DE POTÊNCIA J. A. Pomilio log Ic Ic max 1 us 10 us 100 us A Ic DC B C D log Vce Figura 1.8. Aspecto típico de AOS de TBP A: Máxima corrente contínua de coletor B: Máxima potência dissipável (relacionada à temperatura na junção) C: Limite de segunda ruptura D: Máxima tensão Vce À medida que a corrente se apresenta em pulsos (não-repetitivos) a área se expande. Para pulsos repetitivos deve-se analisar o comportamento térmico do componente para se saber se é possível utilizá-lo numa dada aplicação, uma vez que a AOS, por ser definida para um único pulso, é uma restrição mais branda. Esta análise térmica é feita com base no ciclo de trabalho a que o dispositivo está sujeito, aos valores de tensão e corrente e à impedância térmica do transistor, a qual é fornecida pelo fabricante. 1.3.4 Região de quase-saturação Consideremos o circuito mostrado na figura 1.9, e as curvas estáticas do TBP alí indicadas. Quando Ic cresce, Vce diminui, dada a maior queda de tensão sobre R. À medida que Vce se reduz, caminha-se no sentido da saturação. Os TBP apresentam uma região chamada de quase-saturação gerada, principalmente, pela presença da camada N- do coletor. À semelhança da carga espacial armazenada nos diodos, nos transistores bipolares também ocorre estocagem de carga. A figura 1.10 mostra a distribuição de carga estática no interior do transistor para as diferentes regiões de operação. Na região ativa, J2 está reversamente polarizada e ocorre uma acumulação de elétrons na região da base. Quando se aproxima da saturação, J2 fica diretamente polarizada, atraindo lacunas da base para o coletor. Tais lacunas associam-se a elétrons vindos do emissor e que estão migrando pelo componente, criando uma carga espacial que penetra a região N-. Isto representa um "alargamento" da região da base, implicando na redução do ganho do transistor. Tal situação caracteriza a chamada quase-saturação. Quando esta distribuição de carga espacial ocupa toda a região N- chega-se, efetivamente, à saturação. http://www.dsce.fee.unicamp.br/~antenor 1-7
  • 8.
    Fontes Chaveadas -Cap. 1 COMPONENTES SEMICONDUTORES RÁPIDOS DE POTÊNCIA J. A. Pomilio saturação quase-saturação Ic R Vcc/R Ib região ativa Vcc Vce corte Vcc Vce Figura 1.9 Região de quase-saturação do TBP. É claro que no desligamento toda esta carga terá que ser removida antes do efetivo bloqueio do TBP, o que sinaliza a importância do ótimo circuito de acionamento de base para que o TBP possa operar numa situação que minimize a tempo de desligamento e a dissipação de potência (associada ao valor de Vce). Coletor Base Emissor N+ N- P N+ quase- e- saturação região ativa saturação base virtual Figura 1.10 Distribuição da carga estática acumulada no TBP 1.3.5 Ganho de corrente O ganho de corrente dos TBP varia com diversos parâmetros (Vce, Ic, temperatura), sendo necessário, no projeto, definir adequadamente o ponto de operação. Em baixas correntes, a recombinação dos portadores em trânsito leva a uma redução no ganho, enquanto para altas correntes tem-se o fenômeno da quase-saturação reduzindo o ganho, como explicado anteriormente. http://www.dsce.fee.unicamp.br/~antenor 1-8
  • 9.
    Fontes Chaveadas -Cap. 1 COMPONENTES SEMICONDUTORES RÁPIDOS DE POTÊNCIA J. A. Pomilio Para uma tensão Vce elevada, a largura da região de transição de J2 que penetra na camada de base é maior, de modo a reduzir a espessura efetiva da base, o que leva a um aumento do ganho. ganho de corrente Vce = 2V (125 C) Vce = 400 V (25 C) Vce = 2 V (25 C) log Ic Figura 1.11 Comportamento típico do ganho de corrente em função da tensão Vce, da temperatura e da corrente de coletor. 1.3.6 Características de chaveamento As características de chaveamento são importantes pois definem a velocidade de mudança de estado e ainda determinam as perdas no dispositivo relativas às comutações, que são dominantes nos conversores de alta freqüência. Definem-se diversos intervalos considerando operação com carga resistiva ou indutiva. O sinal de base, para o desligamento é, geralmente, negativo, a fim de acelerar o bloqueio do TBP. a) Carga resistiva A figura 1.12 mostra formas de onda típicas para este tipo de carga. O índice "r' se refere a tempos de subida (de 10% a 90% dos valores máximos), enquanto "f" relaciona-se aos tempos de descida. O índice "s" refere-se ao tempo de armazenamento e "d" ao tempo de atraso. td: tempo de atraso Corresponde a tempo de descarregamento da capacitância da junção b-e. Pode ser reduzido pelo uso de uma maior corrente de base com elevado dib/dt. tri: tempo de crescimento da corrente de coletor Este intervalo se relaciona com a velocidade de aumento da carga estocada e depende da corrente de base. Como a carga é resistiva, uma variação de Ic provoca uma mudança em Vce. http://www.dsce.fee.unicamp.br/~antenor 1-9
  • 10.
    Fontes Chaveadas -Cap. 1 COMPONENTES SEMICONDUTORES RÁPIDOS DE POTÊNCIA J. A. Pomilio 100% 90% Sinal de base 10% ton=ton(i) toff=toffi td=tdi ts=tsi tfi tri 90% Corrente de coletor 10% ton(v) toff(v) tdv tsv tfv trv +Vcc 90% Tensão Vce Vce(sat) 10% CARGA RESISTIVA Figura 1.12 Característica típica de chaveamento de carga resistiva ts: tempo de armazenamento Intervalo necessário para retirar (Ib<0) e/ou neutralizar os portadores estocados no coletor e na base tfi: tempo de queda da corrente de coletor Corresponde ao processo de bloqueio do TBP, com a travessia da região ativa, da saturação para o corte. A redução de Ic depende de fatores internos ao componente, como o tempo de recombinação, e de fatores externos, como o valor de Ib (negativo). Para obter um desligamento rápido deve-se evitar operar com o componente além da quase-saturação, de modo a tornar breve o tempo de armazenamento. b) Carga indutiva Seja Io>0 e constante durante a comutação. A figura 1.13 mostra formas de onda típicas com este tipo de carga. b.1) Entrada em condução Com o TBP cortado, Io circula pelo diodo (=> Vce=Vcc). Após td, Ic começa a crescer, reduzindo Id (pois Io é constante). Quando Ic=Io, o diodo desliga e Vce começa a diminuir. Além disso, pelo transistor circula a corrente reversa do diodo. http://www.dsce.fee.unicamp.br/~antenor 1-10
  • 11.
    Fontes Chaveadas -Cap. 1 COMPONENTES SEMICONDUTORES RÁPIDOS DE POTÊNCIA J. A. Pomilio b.2) Bloqueio Com a inversão da tensão Vbe (e de Ib), inicia-se o processo de desligamento do TBP. Após tsv começa a crescer Vce. Para que o diodo conduza é preciso que Vce>Vcc. Enquanto isto não ocorre, Ic=Io. Com a entrada em condução do diodo, Ic diminui, à medida que Id cresce (tfi). Além destes tempos definem-se outros para carga indutiva: tti: (tail time): Queda de Ic de 10% a 2% tc ou txo: intervalo entre 10% de Vce e 10% de Ic Vb Io Lcarga Df td Ic Io R carga Vcc tti Vce tsv Ic Vcc Vce Figura 1.13. Formas de onda com carga indutiva 1.3.7 Circuitos amaciadores (ou de ajuda à comutação) - "snubber" O papel dos circuitos amaciadores é garantir a operação do TBP dentro da AOS, especialmente durante o chaveamento de cargas indutivas. a) Desligamento - Objetivo: atrasar o crescimento de Vce (figura 1.14) Quando Vce começa a crescer, o capacitor Cs começa a se carregar (via Ds), desviando parcialmente a corrente, reduzindo Ic. Df só conduzirá quando Vce>Vcc. Quando o transistor ligar o capacitor se descarregará por ele, com a corrente limitada por Rs. A energia acumulada em Cs será, então, dissipada sobre Rs. Sejam as formas de onda mostradas na figura 1.15. Considerando que Ic caia linearmente e que IL é constante, a corrente por Cs cresce linearmente. Fazendo-se com que Cs complete sua carga quando Ic=0, o pico de potência se reduzirá a menos de 1/4 do seu valor sem circuito amaciador (supondo trv=0) http://www.dsce.fee.unicamp.br/~antenor 1-11
  • 12.
    Fontes Chaveadas -Cap. 1 COMPONENTES SEMICONDUTORES RÁPIDOS DE POTÊNCIA J. A. Pomilio Io log Ic Lcarga Df sem amaciador Io Cs R carga Vcc Ic Cs Vcs Vcc log Vce Vce Ds Rs Figura 1.14. Circuito amaciador de desligamento e trajetórias na AOS Vcc Ic Ic Vcc Io Vce Vce Io.Vcc P P trv Figura 1.15. Formas de onda no desligamente sem e com o circuito amaciador. O valor de Rs deve ser tal que permita toda a descarga de Cs durante o mínimo tempo ligado do TBP e, por outro lado, limite o pico de corrente em um valor inferior à máxima corrente de pico repetitiva do componente. Deve-se usar o maior Rs possível. b) Entrada em condução: Objetivo: reduzir Vce e atrasar o aumento de Ic (figura 1.16) No circuito sem amaciador, após o disparo do TBP, Ic cresce, mas Vce só se reduz quando Df deixar de conduzir. A colocação de Ls provoca uma redução de Vce, além de reduzir a taxa de crescimento de Ic. http://www.dsce.fee.unicamp.br/~antenor 1-12
  • 13.
    Fontes Chaveadas -Cap. 1 COMPONENTES SEMICONDUTORES RÁPIDOS DE POTÊNCIA J. A. Pomilio Normalmente não se utiliza este tipo de circuito, considerando que os tempos associados à entrada em condução são bem menores do que aqueles de desligamento. A própria indutância parasita do circuito realiza, parcialmente, o papel de retardar o crescimento da corrente e diminuir a tensão Vce. Inevitavelmente, tal indutância irá produzir alguma sobretensão no momento do desligamento, além de ressoar com as capacitâncias do circuito. Vcc carga Df Ds Ls Rs Figura 1.16. Circuito amaciador para entrada em condução. 1.3.8 Conexão Darlington Como o ganho dos TBP é relativamente baixo, usulmente são utilizadas conexões Darlington (figura 1.17), que apresentam como principais características: - ganho de corrente β= β1(β2+1)+β2 - T2 não satura, pois sua junção B-C está sempre reversamente polarizada - tanto o disparo quanto o desligamento são sequenciais. No disparo, T1 liga primeiro, fornecendo corrente de base para T2. No desligamento, T1 deve comutar antes, interrompendo a corrente de base de T2. T1 T2 Figura 1.17. Conexão Darlington. Os tempos totais dependem, assim, de ambos transistores, elevando, em princípio, as perdas de chaveamento. http://www.dsce.fee.unicamp.br/~antenor 1-13
  • 14.
    Fontes Chaveadas -Cap. 1 COMPONENTES SEMICONDUTORES RÁPIDOS DE POTÊNCIA J. A. Pomilio Considerando o caso de uma topologia em ponte (ou meia ponte), como mostrado na figura 1.18, quando o conjunto superior conduz, o inferior deve estar desligado. Deve-se lembrar aqui que existem capacitâncias associadas às junções dos transistores. Quando o potencial do ponto A se eleva (pela condução de T2) a junção B-C terá aumentada sua largura, produzindo uma corrente a qual, se a base de T3 estiver aberta, circulará pelo emissor, transformando-se em corrente de base de T4, o qual poderá conduzir, provocando um curto-circuito (momentâneo) na fonte. A solução adotada é criar caminhos alternativos para esta corrente, por meio de resistores, de modo que T4 não conduza. Além destes resistores, é usual a inclusão de um diodo reverso, de emissor para coletor, para facilitar o escoamento das cargas no processo de desligamento. Além disso, tal diodo tem fundamental imporância no acionamento de cargas indutivas, uma vez que faz a função do diodo de circulação. T1 T2 A capacitâncias parasitas i i carga T3 T4 Figura 1.18 Conexão Darlington num circuito em ponte. Usualmente associam-se aos transistores em conexão Darlington, outros componentes, cujo papel é garantir seu bom desempenho em condições adversas, como se vê na figura 1.18. Figura 1.19. Conexão Darlington com componentes auxiliares. http://www.dsce.fee.unicamp.br/~antenor 1-14
  • 15.
    Fontes Chaveadas -Cap. 1 COMPONENTES SEMICONDUTORES RÁPIDOS DE POTÊNCIA J. A. Pomilio 1.3.9 Métodos de redução dos tempos de chaveamento Um ponto básico é utilizar uma corrente de base adequada: Ib1 Ib2 dib/dt dib/dt Ibr Figura 1.20 Forma de onda de corrente de base recomendada para acionamento de TBP. As transições devem ser rápidas, para reduzir os tempo de atraso. Um valor elevado Ib1 permite uma redução de tri. Quando em condução, Ib2 deve ter tal valor que faça o TBP operar na região de quase-saturação. No desligamento, deve-se prover uma corrente negativa, acelerando assim a retirada dos portadores armazenados. Para o acionamento de um transistor único, pode-se utilizar um arranjo de diodos para evitar a saturação, como mostrado na figura 1.21. Neste arranjo, a tensão mínima na junção B-C é zero. Excesso na corrente Ib é desviado por D1. D3 permite a circulação de corrente negativa na base. D1 D2 D3 Figura 1.21. Arranjo de diodos para evitar saturação. 1.4 MOSFET 1.4.1 Princípio de funcionamento (canal N) O terminal de gate é isolado do semicondutor por SiO2. A junção PN- define um diodo entre Source e Drain, o qual conduz quando Vds<0. A operação como transistor ocorre quando Vds>0. A figura 1.22 mostra a estrutura básica do transistor. Quando uma tensão Vgs>0 é aplicada, o potencial positivo no gate repele as lacunas na região P, deixando uma carga negativa, mas sem portadores livres. Quando esta tensão atinge um certo limiar (Vth), elétrons livres (gerados principalmente por efeito térmico) presentes na região P são atraídos e formam um canal N dentro da região P, pelo qual torna-se possível a passagem de corrente entre D e S. Elevando Vgs, mais portadores são atraídos, http://www.dsce.fee.unicamp.br/~antenor 1-15
  • 16.
    Fontes Chaveadas -Cap. 1 COMPONENTES SEMICONDUTORES RÁPIDOS DE POTÊNCIA J. A. Pomilio ampliando o canal, reduzindo sua resistência (Rds), permitindo o aumento de Id. Este comportamento caracteriza a chamada "região resistiva". Vdd Vgs G S +++++++++++++++ - - - - - - - - - - - - - - - -- - - - - - - - - - - - - - - - - - - - - - -- - - - - - N+ -Id ---------------- - - - - - - - -- - - -- -Id D P N- G N+ S Símbolo D SiO2 metal Figura 1.22. Estrutura básica de transistor MOSFET. A passagem de Id pelo canal produz uma queda de tensão que leva ao seu afunilamento, ou seja, o canal é mais largo na fronteira com a região N+ do que quando se liga à região N-. Um aumento de Id leva a uma maior queda de tensão no canal e a um maior afunilamento, o que conduziria ao seu colapso e à extinÁão da corrente! Obviamente o fenômeno tende a um ponto de equilíbrio, no qual a corrente Id se mantém constante para qualquer Vds, caracterizando a região ativa do MOSFET. A figura 1.23 mostra a característica estática do MOSFET, Uma pequena corrente de gate é necessária apenas para carregar e descarregar a s capacitâncias de entrada do transistor. A resistência de entrada é da ordem de 1012 ohms. Estes transistores, em geral, são de canal N por apresentarem menores perdas e maior velocidade de comutação, devido à maior mobilidade dos elétrons em relação às lacunas. A máxima tensão Vds é determinada pela ruptura do diodo reverso. Os MOSFETs não apresentam segunda ruptura uma vez que a resistência do canal aumenta com o crescimento de Id. Este fato facilita a associação em paralelo destes componentes. A tensão Vgs é limitada a algumas dezenas de volts, por causa da capacidade de isolação da camada de SiO2. http://www.dsce.fee.unicamp.br/~antenor 1-16
  • 17.
    Fontes Chaveadas -Cap. 1 COMPONENTES SEMICONDUTORES RÁPIDOS DE POTÊNCIA J. A. Pomilio Id região resistiva Vgs3 região ativa Vgs2 Vgs1 Vdso Vds vgs3>Vgs2>Vgs1 Figura 1.23. Característica estática do MOSFET. 1.4.2 Área de Operação Segura A figura 1.24 mostra a AOS dos MOSFET. Para tensões elevadas ela é mais ampla que para um TBP equivalente, uma vez que não existe o fenômeno de segunda ruptura. Para baixas tensões, entretanto, tem-se a limitação da resistência de condução. A: Máxima corrente de dreno contínua B: Limite da região de resistência constante C: Máxima potência (relacionada à máxima temperatura de junção) D: Máxima tensão Vds log Id Id pico Id cont A B C D Vdso log Vds Figura 1.24. AOS para MOSFET. 1.4.3 Característica de chaveamento - carga indutiva a) Entrada em condução (figura 1.25) Ao ser aplicada a tensão de acionamento (Vgg), a capacitância de entrada começa a se carregar, com a corrente limitada por Rg. Quando se atinge a tensão limiar de condução (Vth), após td, começa a crescer a corrente de dreno. Enquanto Id<Io, Df se mantém e m http://www.dsce.fee.unicamp.br/~antenor 1-17
  • 18.
    Fontes Chaveadas -Cap. 1 COMPONENTES SEMICONDUTORES RÁPIDOS DE POTÊNCIA J. A. Pomilio condução e Vds=Vdd. Quando Id=Io, Df desliga e Vds cai. Durante a redução de Vds ocorre um aparente aumento da capacitância de entrada (Ciss) do transistor (efeito Miller), fazendo com que a variação de Vgs se torne muito mais lenta (em virtude do "aumento" da capacitância). Isto se mantém até que Vds caia, quando, então, a tensão Vgs volta a aumentar, até atingir Vgg. Na verdade, o que ocorre é que, enquanto Vds se mantém elevado, a capacitância que drena corrente do circuito de acionamento é apenas Cgs. Quando Vds diminui, a capacitância dentre dreno e source se descarrega, o mesmo ocorrendo com a capacitância entre gate e dreno. A descarga desta última capacitância se dá desviando a corrente do circuito de acionamento, reduzindo a velocidade do processo de carga de Cgs, o que ocorre até que Cgd esteja descarregado. Vgg V+ Io Vgs Df V+ Vth Cgd Id Id=Io Vdd Vds Cds Rg Vds Vds on Vgs Vgg Cgs Id td CARGA INDUTIVA Figura 1.25 Formas de onda na entrada em condução de MOSFET com carga indutiva. Os manuais fornecem informações sobre as capacitâncias operacionais do transistor (Ciss, Coss e Crss), mostradas na figura 1.26, as quais se relacionam com as capacitâncias do componente por: Ciss = Cgs + Cgd , com Cds curto-circuitada Crs = Cgd Coss ~ Cds + Cgd http://www.dsce.fee.unicamp.br/~antenor 1-18
  • 19.
    Fontes Chaveadas -Cap. 1 COMPONENTES SEMICONDUTORES RÁPIDOS DE POTÊNCIA J. A. Pomilio C (nF) C (nF) 4 Ciss 4 Cgs 3 3 Coss Cds 2 2 1 Crss 1 Cgd 0 0 0 10 20 30 40 Vds (V) 0 10 20 30 40 Vds (V) Figura 1.26. Capacitâncias de transistor MOSFET b) Desligamento O processo de desligamento é semelhante ao apresentado, mas na ordem inversa. O uso de uma tensão Vgg negativa apressa o desligamento, pois acelera a descarga da capacitância de entrada. Como os MOSFETs não apresentam cargas estocadas, não existe o tempo de armazenamento, por isso são muito mais rápidos que os TBP. 1.5 IGBT (Insulated Gate Bipolar Transistor) O IGBT alia a facilidade de acionamento dos MOSFET com as pequenas perdas e m condução dos TBP. Sua velocidade de chaveamento é semelhante à dos transistores bipolares. 1.5.1 Princípio de funcionamento A estrutura do IGBT é similar à do MOSFET, mas com a inclusão de uma camada P+ que forma o coletor do IGBT, como se vê na figura 1.27. Em termos simplificados pode-se analisar o IGBT como um MOSFET no qual a região N- tem sua condutividade modulada pela injeção de portadores minoritários (lacunas), a partir da região P+, uma vez que J1 está diretamente polarizada. Esta maior condutividade produz uma menor queda de tensão em comparação a um MOSFET similar. O controle de componente é análogo ao do MOSFET, ou seja, pela aplicação de uma polarização entre gate e emissor. Também para o IGBT o acionamento é feito por tensão. A máxima tensão suportável é determinada pela junção J2 (polarização direta) e por J1 (polarização reversa). Como J1 divide 2 regiões muito dopadas, conclui-se que um IGBT não suporta tensões elevadas quando polarizado reversamente. Os IGBTs apresentam um tiristor parasita. A construção do dispositivo deve ser tal que evite o acionamento deste tiristor, especialmente devido às capacitâncias associadas à região P, a qual relaciona-se à região do gate do tiristor parasita. Os modernos componentes não apresentam problemas relativos a este elemento indesejado. http://www.dsce.fee.unicamp.br/~antenor 1-19
  • 20.
    Fontes Chaveadas -Cap. 1 COMPONENTES SEMICONDUTORES RÁPIDOS DE POTÊNCIA J. A. Pomilio Gate (porta) Emissor N+ N+ J3 C P B J2 N- E N+ J1 P+ Coletor SiO2 metal Figura 1.27. Estrutura básica de IGBT. 1.5.2 Características de chaveamento A entrada em condução é similar ao MOSFET, sendo um pouco mais lenta a queda da tensão Vce, uma vez que isto depende da chegada dos portadores vindos da região P+. Para o desligamento, no entanto, tais portadores devem ser retirados. Nos TBPs isto se dá pela drenagem dos portadores via base, o que não é possível nos IGBTs, devido ao acionamento isolado. A solução encontrada foi a inclusão de uma camada N+, na qual a taxa de recombinação é bastante mais elevada do que na região N-. Desta forma, as lacunas presentes em N+ recombinam-se com muita rapidez, fazendo com que, por difusão, as lacunas existentes na região N- refluam, apressando a extinção da carga acumulada na região N-, possibllitando o restabelecimento da barreira de potencial e o bloqueio do componente. 1.6 Alguns Critérios de Seleção Um primeiro critério é o dos limites de tensão e de corrente. Os MOSFET possuem uma faixa mais reduzida de valores, ficando, tipicamente entre: 100V/200A e 1000V/20A. Já os TBP e IGBT atingem potências mais elevadas, indo até 1200V/500A. Como o acionamento do IGBT é muito mais fácil do que o do TBP, seu uso tem sido crescente, em detrimento dos TBP. http://www.dsce.fee.unicamp.br/~antenor 1-20
  • 21.
    Fontes Chaveadas -Cap. 1 COMPONENTES SEMICONDUTORES RÁPIDOS DE POTÊNCIA J. A. Pomilio Outro importante critério para a seleção refere-se às perdas de potência no componente. Assim, aplicações em alta freqüência (acima de 50kHz) devem ser utilizados MOSFETs. Em freqüências mais baixas, qualquer dos 3 componentes podem responder satisfatoriamente. No entanto, as perdas em condução dos TBPs e dos IGBTs são sensivelmente menores que as dos MOSFET. Como regra básica: em alta freqüência: MOSFET em baixa freqüência: IGBT http://www.dsce.fee.unicamp.br/~antenor 1-21
  • 22.
    Fontes Cahveadas -Cap. 2 TÉCNICAS DE MODULAÇÃO EM FONTES CHAVEADAS J. A. Pomilio 2. TÉCNICAS DE MODULAÇÃO EM FONTES CHAVEADAS Via de regra, as fontes chaveadas operam a partir de uma fonte de tensão CC de valor fixo, enquanto na saída tem-se também uma tensão CC, mas de valor distinto (fixo ou não). As chaves semicondutoras estão ou no estado bloqueado ou em plena condução. A tensão média de saída depende da relação entre o intervalo em que a chave permanece fechada e o período de chaveamento. Define-se ciclo de trabalho (largura de pulso ou razão cíclica) como a relação entre o intervalo de condução da chave e o período de chaveamento. Tomemos como exemplo a figura 2.1 na qual se mostra uma estrutura chamada abaixadora de tensão (ou “buck”). T L E D vo C R Vo vo E Vo τ t t T Figura 2.1 Conversor abaixador de tensão e forma de onda da tensão aplicada ao filtro de saída. 2.1 Modulação por Largura de Pulso - MLP (PWM) Em MLP opera-se com freqüência constante, variando-se o tempo em que a chave permanece ligada. O sinal de comando é obtido, geralmente, pela comparação de um sinal de controle (modulante) com uma onda periódica (portadora) como, por exemplo, uma "dente-de- serra". A figura 2.2 ilustra estas formas de onda. Para que a relação entre o sinal de controle e a tensão média de saída seja linear, como desejado, a freqüência da portadora deve ser, pelo menos 10 vezes maior do que a modulante, de modo que seja relativamente fácil filtrar o valor médio do sinal modulado (MLP), recuperando o sinal de controle. 2-1
  • 23.
    Fontes Cahveadas -Cap. 2 TÉCNICAS DE MODULAÇÃO EM FONTES CHAVEADAS J. A. Pomilio vp vc vp - vo vo vc + Vo Figura 2.2 Modulação por Largura de Pulso. 2.1.1 Espectro Harmônico de Sinal MLP A figura 2.3 mostra a modulação de um nível contínuo, produzindo na uma tensão com 2 níveis, na frequência da onda triangular. Na figura 2.4 tem-se o espectro desta onda MLP, onde observa-se a presença de uma componente contínua que reproduz o sinal modulante. As demais componentes aparecem nos múltiplos da frequência da portadora sendo, em princípio, relativamente fáceis de filtrar dada sua alta frequência. 10V 0V 10V 0V 0s 0.2ms 0.4ms 0.6ms 0.8ms 1.0ms Figura 2.3 Modulação MLP de nível cc. 8.0V 6.0V 4.0V 2.0V 0V 0Hz 50KHz 100KHz 150KHz 200KHz Figura 2.4 Espectro de sinal MLP 2-2
  • 24.
    Fontes Cahveadas -Cap. 2 TÉCNICAS DE MODULAÇÃO EM FONTES CHAVEADAS J. A. Pomilio 2.2 Modulação em freqüência - MF Neste caso opera-se a partir de um pulso de largura fixa, cuja taxa de repetição é variável. A relação entre o sinal de controle e a tensão de saída é, em geral, não-linear. Este tipo de modulação é utilizada, principalmente em conversores ressonantes. A figura 2.5 mostra um pulso de largura fixa modulado em freqüência. Um pulso modulado em freqüência pode ser obtido, por exemplo, pelo uso de um monoestável acionado por meio de um VCO, cuja freqüência seja determinada pelo sinal de controle. σ vo E Vo 0 t1 t2 t3 Figura 2.5 Pulso de largura σ modulado em freqüência. 2.3 Modulação MLP com frequência de portadora variável Uma alternativa que apresenta como vantagem o espalhamento do espectro é o uso de uma frequência de chaveamento não fixa, mas que varie, dentro de limites aceitáveis, de uma forma, idealmente, aleatória. Ista faz com que as componentes de alta frequência do espectro não estejam concentradas, mas apareçam em torno da frequência base, como s e observa na figura 2.6. Note-se que o nível contínuo não sofre alteração, uma vez que ele independe da frequência de chaveamento. 8.0V 6.0V 4.0V 2.0V 0V 0Hz 50KHz 100KHz 150KHz 200KHz Figura 2.6. Espectro de sinal MLP com portadora de frequência variável. 2-3
  • 25.
    Fontes Cahveadas -Cap. 2 TÉCNICAS DE MODULAÇÃO EM FONTES CHAVEADAS J. A. Pomilio 2.4 Modulação por limites de corrente - MLC (Histerese) Neste caso, são estabelecidos os limites máximo e/ou mínimo da corrente, fazendo- se o chaveamento em função de serem atingidos tais valores extremos. O valor instantâneo da corrente, em regime, é mantido sempre dentro dos limites estabelecidos e o conversor comporta-se como uma fonte de corrente. Tanto a freqüência como o ciclo de trabalho são variáveis, dependendo dos parâmetros do circuito e dos limites impostos. A figura 2.7 mostra as formas de onda para este tipo de controlador. MLC só é possível em malha fechada, pois é necessário medir instantaneamente a variável de saída. Por esta razão, a relação entre o sinal de controle e a tensão média de saída é direta. Este tipo de modulação é usado, principalmente, em fontes com controle de corrente e que tenha um elemento de filtro indutivo na saída. mudança na carga io Imax Io Imin t vo E 0 t Figura 2.7. Formas de onda de corrente e da tensão instantânea de saída com controlador MLC. A obtenção de um sinal MLC pode ser conseguida com o uso de um comparador com histerese, atuando a partir da realimentação do valor instantâneo da corrente. A referência de corrente é dada pelo erro da tensão de saída (através de um controlador integral). A figura 2.8 ilustra este sistema de controle. É possível ainda obter um sinal MLC com freqüência fixa caso se adicione ao sinal de entrada do comparador uma onda triangular cujas derivadas sejam maiores do que as do sinal de corrente. Assim os limites reais da variação da corrente serão inferiores ao estabelecido pelo comparador. Em princípio o controle por histerese poderia ser aplicado diretamente à tensão de saída. No entanto isto poderia causar sobrecorrentes excessivas em situações transitórias. 2-4
  • 26.
    Fontes Cahveadas -Cap. 2 TÉCNICAS DE MODULAÇÃO EM FONTES CHAVEADAS J. A. Pomilio + Vo sensor de io corrente sinal sincronizador vo i* I v* referência de tensão comparador com histerese integrador Figura 2.8 Controlador com histerese. 2.5 Outras técnicas de modulação Outras formas de controle tem sido pesquisadas com o intuito de melhorar a resposta dinâmica do sistema, aumentar a margem de estabilidade, rejeitar mais eficientemente perturbações, etc. Estas novas técnicas utilizam, via de regra, métodos não- lineares e procuram aproveitar ao máximo as características também não-lineares dos conversores. 2.5.1 Controle “One-cycle” O controle “one-cycle” [2.1, 2.2]permite o controle da tensão de um conversor com saída CC-CC ciclo a ciclo, de modo que o sistema se torna praticamente imune a variações na alimentação e na carga. Opera com frequência constante o modulação da largura de pulso, mas o instante de comutação é determinado por uma integração da tensão que é aplicada ao estágio de saída do conversor. A figura 2.9 mostra a estrutura básica para um conversor abaixador de tensão. Uma vez que, em regime, a tensão média numa indutância é nula, a tensão de saída, Vo, é igual à tensão média sobre o diodo. A tensão sobre o diodo, no entanto, variará entre praticamente zero (quando o componente conduz) e a tensão de alimentação, E. Seu valor médio a cada ciclo deve ser igual a Vo. Tal valor médio a cada ciclo é que é obtido pela integração de tal tensão. O sinal integrado é comparado com a referência. Enquanto não atingi-la, a chave permanece ligada (tensão E aplicada sobre o diodo). Quando a tensão de referência é igualada o capacitor do integrador é descarregado e o comparador muda de estado, desligando o transistor, até o início do ciclo seguinte, determinado pelo clock. 2-5
  • 27.
    Fontes Cahveadas -Cap. 2 TÉCNICAS DE MODULAÇÃO EM FONTES CHAVEADAS J. A. Pomilio Observe que qualquer variação na referência, na tensão de entrada ou na carga afeta o intervalo de tempo que o transistor permanece conduzindo, mas sempre de maneira a manter a tensão média sobre o diodo igual ao valor determinado pela referência. clock + vo E Vo vo E integrador vi v* Q Q comparador Ci S R vi Rf + fc + v* clock referência Figura 2.9. Controle “one-cycle”aplicado a conversor abaixador de tensão. 2.5.2 Controle de carga O controle de carga [2.3] é muito semelhante ao controle “one-cycle”, sendo que o sinal integrado é a corrente de entrada do conversor. As formas de onda e o circuito são análogos aos da figura 2.9. Por realizar uma medida da carga injetada no circuito num certo intervalo de tempo, este tipo de controle equivale a um controlador de corrente apresentando alguma vantagens adicionais, tais como: uma grande imunidade a ruído (uma vez que o sinal de corrente é integrado, e não tomado em seu valor instantâneo); não necessita de uma rampa externa para realizar a comparação (que é feita diretamente com a referência); comportamento antecipativo em relação a variações na tensão de entrada e na carga. A frequência é mantida contante pelo “clock”. 2.5.3 Modulação Delta O sinal de referência é comparado diretamente com com a saída modulada (e não a filtrada). O sinal de erro é integrado e a saída do integrador é comparada com zero. A saída do comparador é amostrada a uma dada freqüência, fc, e o sinal de saída do amostrador/segurador comanda a chave. A figura 2.10 mostra o sistema. O estado da chave em cada intervalo entre 2 amostragens é determinado pelo sinal da integral do erro de tensão (no instante da amostragem). Deste modo os mínimos tempos de abertura e de fechamento são iguais ao período de amostragem. A robustez do controlador é seu ponto forte. O problema é que esta técnica de controle é intrinsicamente assíncrona, dificultando o projeto dos filtros. 2-6
  • 28.
    Fontes Cahveadas -Cap. 2 TÉCNICAS DE MODULAÇÃO EM FONTES CHAVEADAS J. A. Pomilio clock + vo E Vo vo E v* clock integrador fc comparador vo + I v* + S&H referência Figura 2.10. Controlador Delta. 2.6 Referências [2.1] K. M. Smedley and S. Cuk: “One-Cycle Control of Switching Converters”. Proc. of PESC ‘91, pp. 888-896. [2.2] E. Santi and S. Cuk: “Modeling of One-Cycle Controlled Switching Converters”. Proc. of INTELEC ‘92, Washington, D.C., USA, Oct. 1992. [2.3] W. Tang and F. C. Lee: “Charge Control: Modeling, Analysis and Design”. Proc. of VPEC Seminar, 1992, Blacksbourg, USA. 2-7
  • 29.
    Fontes Chaveadas -Cap. 3 TOPOLOGIAS BÁSICAS DE FONTES CHAVEADAS J. A. Pomilio 3. TOPOLOGIAS BÁSICAS DE FONTES CHAVEADAS Apresentam-se a seguir as estruturas circuitais básicas que realizam a função de, a partir de uma fonte de tensão fixa na entrada, fornecer uma tensão de valor variável na saída. Neste caso, diferentemente do que se viu para os conversores para acionamento de máquinas de corrente contínua, existe um filtro capacitivo na saída, de modo a manter, sobre ele, a tensão estabilizada. 3.1 Conversor abaixador de tensão (step-down ou buck): Vo<E A tensão de entrada (E) é recortada pela chave T. Considere-se Vo praticamente constante, por uma ação de filtragem suficientemente eficaz do capacitor de saída. Assim, a corrente pela carga (Ro) tem ondulação desprezível, possuindo apenas um nível contínuo. A figura 3.1 mostra a topologia. Com o transistor conduzindo (diodo cortado), transfere-se energia da fonte para o indutor (cresce io) e para o capacitor (quando io >Vo/R). Quando T desliga, o diodo conduz, dando continuidade à corrente do indutor. A energia armazenada em L é entregue ao capacitor e à carga. Enquanto o valor instantâneo da corrente pelo indutor for maior do que a corrente da carga, a diferença carrega o capacitor. Quando a corrente for menor, o capacitor se descarrega, suprindo a diferença a fim de manter constante a corrente da carga (já que estamos supondo constante a tensão Vo). A tensão a ser suportada, tanto pelo transistor quanto pelo diodo é igual à tensão de entrada, E. iT io L + iD Ro T E D Vo Io Figura 3.1 Conversor abaixador de tensão Se a corrente pelo indutor não vai a zero durante a condução do diodo, diz-se que o circuito opera no modo contínuo. Caso contrário tem-se o modo descontínuo. Via de regra prefere-se operar no modo contínuo devido a haver, neste caso, uma relação bem determinada entre a largura de pulso e a tensão média de saída. A figura 3.2 mostra a s formas de onda típicas de ambos os modos de operação. 3.1.1 Modo contínuo A obtenção da relação entrada/saída pode ser feita a partir do comportamento do elemento que transfere energia da entrada para a saída. Sabe-se que a tensão média sobre uma indutância ideal, em regime, é nula,como mostrado na figura 3.3. A1 = A 2 (3.1) V1 ⋅ t 1 = V2 ⋅(τ − t 1) http://www.dsce.fee.unicamp.br/~antenor 3-1
  • 30.
    Fontes Chaveadas -Cap. 3 TOPOLOGIAS BÁSICAS DE FONTES CHAVEADAS J. A. Pomilio Condução contínua Condução descontínua tT tT t2 tx ∆ I Io i o Io iD i T E E Vo v D Vo 0 τ 0 τ Figura 3.2 Formas de onda típicas nos modos de condução contínua e descontínua vL V1 A1 t1 τ A2 V2 Figura 3.3 Tensão sobre uma indutância em regime. No caso do conversor abaixador, quanto T conduz, vL =E-Vo, e quando D conduz, vL =-Vo (E − Vo)⋅ t T = Vo ⋅(τ − t T ) Vo t T (3.2) = ≡δ E τ 3.1.2 Modo descontínuo A corrente do indutor será descontínua quando seu valor médio for inferior à metade de seu valor de pico (Io<∆I o/2). A condição limite é dada por: ∆i o (E − Vo)⋅ t T (E − Vo)⋅δ ⋅ τ Io = = = (3.3) 2 2⋅ L 2⋅ L Com a corrente sendo nula durante o intervalo tx, tem-se: http://www.dsce.fee.unicamp.br/~antenor 3-2
  • 31.
    Fontes Chaveadas -Cap. 3 TOPOLOGIAS BÁSICAS DE FONTES CHAVEADAS J. A. Pomilio (E − Vo)⋅ t T = Vo ⋅(τ − t T − t x ) (3.4) Vo δ = (3.5) E 1− t x τ Escrevendo em termos de variáveis conhecidas, tem-se: i omax ⋅ δ Ii = (corrente média de entrada) (3.6) 2 (E − Vo)⋅ t T i omax = (3.7) L Supondo a potência de entrada igual à potência de saída, chega-se a: Vo Ii i o max ⋅ δ ( E − Vo) ⋅ δ 2 ⋅ τ = = = E Io 2 ⋅ Io 2 ⋅ Io ⋅ L Vo 2⋅ L ⋅ I i = 1− (3.8) E E ⋅ τ ⋅ δ2 E Vo E ⋅ τ ⋅ δ2 Vo = ==> = (3.9) 2 ⋅ L ⋅ Io E 2 ⋅ L ⋅ Io + E ⋅ τ ⋅ δ 2 1+ E⋅ τ ⋅ δ2 Definindo o parâmetro K, que se relaciona com a descontinuidade, como sendo: L ⋅ Io K= (3.10) E⋅ τ A relação saída/entrada pode ser reescrita como: Vo δ2 = 2 (3.11) E δ + 2⋅ K O ciclo de trabalho crítico, no qual há a passagem do modo de condução contínuo para o descontínuo é dado por: 1± 1− 8 ⋅ K δ crit = (3.12) 2 A figura 3.4 mostra a característica estática do conversor para diferentes valores de K. Na figura 3.5 tem-se a variação da tensão de saída com a corrente de carga. Note-se que a condução descontínua tende a ocorrer para pequenos valores de Io, levando à exigência da garantia de um consumo mínimo. Existe um limite para Io acima do qual a condução é http://www.dsce.fee.unicamp.br/~antenor 3-3
  • 32.
    Fontes Chaveadas -Cap. 3 TOPOLOGIAS BÁSICAS DE FONTES CHAVEADAS J. A. Pomilio sempre contínua e a tensão de saída não é alterada pela corrente, ou seja, tem-se uma boa regulação, mesmo em malha aberta. 1 Cond. descontínua 0.75 K=.1 Vo/E K=.01 K=.05 0.5 0.25 Cond. contínua 0 0 0.2 0.4 0.6 0.8 1 δ Figura 3.4 Característica de controle do conversor abaixador de tensão nos modos contínuo e descontínuo. 1 Cond. contínua δ=0,8 0.8 δ=0,6 0.6 Vo/E δ=0,4 Cond. descontínua 0.4 δ=0,2 0.2 0 0 E.τ Io 8L Figura 3.5 Característica de saída do conversor abaixador de tensão nos modos contínuo e descontínuo. 3.1.3 Dimensionamento de L e de C Da condição limite entre o modo contínuo e o descontínuo (∆I=2.Iomin) , tem-se: ( E − Vo) ⋅ τ ⋅ δ I omin = (3.14) 2⋅ L Se se deseja operar sempre no modo contínuo deve-se ter: E ⋅ (1 − δ ) ⋅ δ ⋅ τ L min = (3.15) 2 ⋅ Iomin Quanto ao capacitor de s aída, ele pode ser definido a partir da variação da tensão admitida, lembrando-se que enquanto a corrente pelo indutor for maior que Io (corrente na carga, suposta constante) o capacitor se carrega e, quando for menor, o capacitor s e descarrega, levando a uma variação de tensão ∆Vo. 1  t T τ − t T  ∆I τ ⋅ ∆I ∆Q = ⋅ + ⋅ = (3.16) 2 2  2  2  8 http://www.dsce.fee.unicamp.br/~antenor 3-4
  • 33.
    Fontes Chaveadas -Cap. 3 TOPOLOGIAS BÁSICAS DE FONTES CHAVEADAS J. A. Pomilio A variação da corrente é: (E − Vo)⋅ t T E ⋅ δ ⋅ τ ⋅(1 − δ) ∆Io = = (3.17) L L Observe que ∆Vo não depende da corrente. Substituindo (3.13) em (3.12) tem-se: ∆Q τ 2 ⋅ E ⋅ δ ⋅(1 − δ) ∆Vo = = (3.18) Co 8 ⋅ L ⋅ Co Logo, Vo ⋅(1 − δ)⋅ τ 2 Co = (3.19) 8 ⋅ L ⋅ ∆Vo 3.2 Conversor elevador de tensão (step-up ou boost): Vo>E Quando T é ligado, a tensão E é aplicada ao indutor. O diodo fica reversamente polarizado (pois Vo>E). Acumula-se energia em L, a qual será enviada ao capacitor e à carga quando T desligar. A figura 3.6 mostra esta topologia. A corrente de saída, Io, é sempre descontínua, enquanto Ii (corrente de entrada) pode ser contínua ou descontínua. Tanto o diodo como o transistor devem suportar uma tensão igula à tensão de saída, Vo. Também neste caso tem-se a operação no modo contínuo ou no descontínuo, considerando a corrente pelo indutor. As formas de onda são mostradas na figura 3.7. L io D ii iT + Ro E T vT Co Vo Figura 3.6 Conversor elevador de tensão 3.2.1 Modo contínuo Quando T conduz: vL =E (durante tT) Quando D conduz: vL =-(Vo-E) (durante τ-tT) E ⋅ t T (Vo − E)⋅(τ − t T ) ∆Ii = = (3.20) L L E Vo = (3.21) 1− δ http://www.dsce.fee.unicamp.br/~antenor 3-5
  • 34.
    Fontes Chaveadas -Cap. 3 TOPOLOGIAS BÁSICAS DE FONTES CHAVEADAS J. A. Pomilio Embora, teoricamente, quando o ciclo de trabalho tende à unidade a tensão de saída tenda para infinito, na prática, os elementos parasitas e não ideais do circuito (como a s resistências do indutor e da fonte) impedem o crescimento da tensão acima de um certo limite, no qual as perdas nestes elementos resistivos se tornam maiores do que a energia transferida pelo indutor para a saída. Condução contínua Condução desconttínua tT tT t2 tx ∆I Ii ii Ii Io i D Io iT Vo Vo vT E E 0 τ 0 τ Figura 3.7 Formas de onda típicas de conversor boost com entrada CC 3.2.2 Modo descontínuo Quando T conduz: vL = E, (durante tT) Quando D conduz: vL = -(Vo-E), durante (τ-tT-tx) 1 − tx τ Vo = E ⋅ (3.22) 1 − δ − tx τ Escrevendo em termos de variáveis conhecidas, tem-se: E2 ⋅ τ ⋅ δ 2 Vo = E + (3.23) 2 ⋅ L ⋅ Io A relação saída/entrada pode ser reescrita como: Vo δ2 = 1+ (3.24) E 2⋅ K http://www.dsce.fee.unicamp.br/~antenor 3-6
  • 35.
    Fontes Chaveadas -Cap. 3 TOPOLOGIAS BÁSICAS DE FONTES CHAVEADAS J. A. Pomilio O ciclo de trabalho crítico, no qual há a passagem do modo de condução contínuo para o descontínuo é dado por: 1± 1− 8 ⋅ K δ crit = (3.25) 2 A figura 3.8 mostra a característica estática do conversor para diferentes valores de K. Na figura 3.9 tem-se a variação da tensão de saída com a corrente de carga. Note-se que a condução descontínua tende a ocorrer para pequenos valores de Io, levando à exigência da garantia de um consumo mínimo. Existe um limite para Io acima do qual a condução é sempre contínua e a tensão de saída não é alterada pela corrente. 50 K=.01 40 30 Vo/E cond. descontínua K=.02 20 10 K=.05 0 0 0.2 0.4 0.6 0.8 δ Figura 3.8 Característica estática do conversor elevador de tensão nos modos de condução contínua e descontínua, para diferentes valores de K. 10 8 cond. contínua 6 δ=.8 Vo/E cond. 4 descontínua δ=.6 2 δ=.4 δ=.2 0 0 0.04 0.08 0.12 0.16 0.2 Io E.τ 8.L Figura 3.9 Característica de saída do conversor elevador de tensão, normalizada em relação a (Eτ/L) 3.2.3 Dimensionamento de L e de C O limiar para a condução descontínua é dado por: ∆Ii E ⋅ t T Vo ⋅(1 − δ)⋅δ ⋅ τ Ii = = = (3.26) 2 2⋅ L 2⋅ L http://www.dsce.fee.unicamp.br/~antenor 3-7
  • 36.
    Fontes Chaveadas -Cap. 3 TOPOLOGIAS BÁSICAS DE FONTES CHAVEADAS J. A. Pomilio ∆Ii ⋅(τ − t T ) E ⋅ δ ⋅(1 − δ)⋅ τ Io = = (3.27) 2⋅ τ 2⋅ L E ⋅ δ ⋅(1 − δ)⋅ τ L min = (3.28) 2 ⋅ Io(min) Para o cálculo do capacitor deve-se considerar a forma de onda da corrente de saída. Admitindo-se a hipótese que o valor mínimo instantâneo atingido por esta corrente é maior que a corrente média de saída, Io, o capacitor se carrega durante a condução do diodo e fornece toda a corrente de saída durante a condução do transistor. Io(max) ⋅δ ⋅ τ Co = (3.29) ∆Vo 3.3 Conversor abaixador-elevador (buck-boost) Neste conversor, a tensão de saída tem polaridade oposta à da tensão de entrada. A figura 3.10 mostra o circuito. Quando T é ligado, transfere-se energia da fonte para o indutor. O diodo não conduz e o capacitor alimenta a carga. Quando T desliga, a continuidade da corrente do indutor se faz pela condução do diodo. A energia armazenada em L é entregue ao capacitor e à carga. Tanto a corrente de entrada quanto a de s aída são descontínuas. A tensão a ser suportada pelo diodo e pelo transistor é a soma das tensões de entrada e de saída, Vo+E. A figura 3.11. mostra as formas de onda nos modos de condução contínua e descontínua (no indutor). vT D iT iD T E L Co Ro Vo iL + Figura 3.10 Conversor abaixador-elevador de tensão 3.3.1 Modo contínuo (no indutor) Quando T conduz: vL =E, (durante tT) Quando D conduz: vL =-Vo, (durante τ-tT) E ⋅ t T Vo ⋅ (τ − t T ) = (3.30) L L E⋅δ Vo = (3.31) 1− δ http://www.dsce.fee.unicamp.br/~antenor 3-8
  • 37.
    Fontes Chaveadas -Cap. 3 TOPOLOGIAS BÁSICAS DE FONTES CHAVEADAS J. A. Pomilio Condução contínua Condução descontínua tT tT t2 tx ∆I i L Io i D Io iT E+Vo E+Vo vT E E 0 τ 0 τ (a) (b) Figura 3.11 Formas de onda do conversor abaixador-elevador de tensão operando em condução contínua (a) e descontínua (b). 3.3.2 Modo descontínuo Quando T conduz: vL = E, (durante tT) Quando D conduz: vL = -Vo, durante (τ-tT-tx) E⋅ δ Vo = (3.32) 1− δ − tx τ Escrevendo em termos de variáveis conhecidas, tem-se: A corrente máxima de entrada ocorre ao final do intervalo de condução do transistor: E⋅ tT Ii max = (3.33) L Seu valor médio é: Ii max ⋅ t T Ii = (3.34) 2⋅ τ Do balanço de potência tem-se: Io ⋅ Vo Ii = (3.35) E O que permite escrever: http://www.dsce.fee.unicamp.br/~antenor 3-9
  • 38.
    Fontes Chaveadas -Cap. 3 TOPOLOGIAS BÁSICAS DE FONTES CHAVEADAS J. A. Pomilio E2 ⋅ τ ⋅ δ 2 Vo = (3.36) 2 ⋅ L ⋅ Io Uma interessante característica do conversor abaixador-elevador quando operando no modo descontínuo é que ele funciona como uma fonte de potência constante. E2 ⋅ τ ⋅ δ 2 Po = (3.37) 2⋅ L A relação saída/entrada pode ser reescrita como: Vo δ2 = (3.38) E 2⋅ K O ciclo de trabalho crítico, no qual há a passagem do modo de condução contínuo para o descontínuo é dado por: 1± 1− 8 ⋅ K δ crit = (3.39) 2 A figura 3.12 mostra a característica estática do conversor para diferentes valores de K. 50 40 K=.01 cond. descontínua 30 Vo/E 20 K=.02 10 K=.05 0 0 0.2 0.4 0.6 0.8 δ Figura 3.12 Característica estática do conversor abaixador-elevador de tensão nos modos de condução contínua e descontínua, para diferentes valores de K. Na figura 3.13 tem-se a variação da tensão de saída com a corrente de carga. Note- se que a condução descontínua tende a ocorrer para pequenos valores de Io, levando à exigência da garantia de um consumo mínimo. Existe um limite para Io acima do qual a condução é sempre contínua e a tensão de saída não é alterada pela corrente. http://www.dsce.fee.unicamp.br/~antenor 3-10
  • 39.
    Fontes Chaveadas -Cap. 3 TOPOLOGIAS BÁSICAS DE FONTES CHAVEADAS J. A. Pomilio 10 8 6 Vo/E cond. contínua 4 δ=.8 cond. 2 descontínua δ=.6 δ=.4 0 δ=.2 0 0.04 0.08 0.12 0.16 0.2 Io E.τ 8.L Figura 3.13 Característica de saída do conversor abaixador-elevador de tensão, normalizada em relação a (E.τ/L). 3.3.3 Cálculo de L e de C O limiar entre as situações de condução contínua e descontínua é dado por: ∆I L ⋅ (τ − t T ) Vo ⋅ (τ − t T ) ⋅ (1 − δ) Vo ⋅ τ ⋅ (1− δ) 2 Io = = = (3.40) 2⋅ τ 2⋅ L 2⋅ L E ⋅ τ ⋅ δ ⋅(1 − δ) L min = (3.41) 2 ⋅ Io(min) Quanto ao capacitor, como a forma de onda da corrente de saída é a mesma do conversor elevador de tensão, o cálculo segue a mesma expressão. Io(max) ⋅ τ ⋅ δ Co = (3.42) ∆Vo 3.4 Conversor Cuk Diferentemente dos conversores anteriores, no conversor Cuk, cuja topologia é mostrada na figura 3.14, a transferência de energia da fonte para a carga é feita por meio de um capacitor, o que torna necessário o uso de um componente que suporte correntes relativamente elevadas. Como vantagem, existe o fato de que tanto a corrente de entrada quanto a de saída podem ser contínuas, devido à presença dos indutores. Além disso, ambos indutores estão sujeitos ao mesmo valor instantâneo de tensão, de modo que é possível construí-los num mesmo núcleo. Este eventual acoplamento magnético permite, com projeto adequado, eliminar a ondulação de corrente em um dos enrolamentos. Os interruptores devem suportar a soma das tensões de entrada e saída. A tensão de saída apresenta-se com polaridade invertida em relação à tensão de entrada. http://www.dsce.fee.unicamp.br/~antenor 3-11
  • 40.
    Fontes Chaveadas -Cap. 3 TOPOLOGIAS BÁSICAS DE FONTES CHAVEADAS J. A. Pomilio I L1 V I L2 + C1 - L1 C1 L2 Ro E Co S D Vo + Figura 3.14 Conversor Cuk Em regime, como as tensões médias sobre os indutores são nulas, tem-se: V C1=E+Vo. Esta é a tensão a ser suportada pelo diodo e pelo transistor. Com o transistor desligado, iL1 e iL2 fluem pelo diodo. C1 se carrega, recebendo energia de L1. A energia armazenada em L2 alimenta a carga. Quando o transistor é ligado, D desliga e iL1 e iL2 fluem por T. Como V C1>Vo, C1 se descarrega, transferindo energia para L2 e para a saída. L1 acumula energia retirada da fonte. A figura 3.15 mostra as formas de onda de corrente nos modos de condução contínua e descontínua. Note-se que no modo descontínuo a corrente pelos indutores não se anula, mas sim ocorre uma inversão em uma das correntes, que irá se igualar à outra. Na verdade, a descontinuidade é caracterizada pelo anulamento da corrente pelo diodo, fato que ocorre também nas outras topologias já estudadas. i Condução contínua Condução descontínua L1 i L1 I1 Ix i L2 i L2 I2 vC1 -Ix V1 tT t2 tx τ tT τ Figura 3.15. Formas de onda do conversor Cuk em condução contínua e descontínua Assumindo que iL1 e iL2 são constantes, e como a corrente média por um capacitor é nula (em regime), tem-se: http://www.dsce.fee.unicamp.br/~antenor 3-12
  • 41.
    Fontes Chaveadas -Cap. 3 TOPOLOGIAS BÁSICAS DE FONTES CHAVEADAS J. A. Pomilio I L 2 ⋅ t T = I L1 ⋅(τ − t T ) (3.43) I L1 ⋅ E = I L 2 ⋅ Vo (3.44) E⋅ δ Vo = (3.45) 1− δ Uma vez que a característica estática do conversor Cuk é idêntica à do conversor abaixador-elevador de tensão, as mesmas curvas características apresentadas anteriormente são válidas também para esta topologia. A única alteração é que a indutância presente na expressão do parâmetro de descontinuidade K é dada pela associação em paralelo dos indutores L1 e L2. 3.4.1 Dimensionamento de C1 C1 deve ser tal que não se descarregue totalmente durante a condução de T. Considerando iL1 e iL2 constantes, a variação da tensão é linear. A figura 3.16 mostra a tensão no capacitor numa situação crítica. v C1 2VC1 V C1 tT τ t Figura 3.16. Tensão no capacitor intermediário numa situação crítica. VC1 = E + Vo (3.46) No condição limite: 2 ⋅(E + Vo) Io = I L 2 = C1 ⋅ (3.47) tT Io(max) ⋅δ ⋅(1 − δ)⋅τ C1min = (3.48) 2⋅ E 3.4.2 Dimensionamento de L1 Considerando C1 grande o suficiente para que sua variação de tensão seja desprezível, L1 deve ser tal que não permita que iL1 se anule. A figura 3.17 mostra a corrente por L1 numa situação crítica. L 1⋅ I L1max E= (3.49) tT I L1max Ii = I L1 = (3.50) 2 http://www.dsce.fee.unicamp.br/~antenor 3-13
  • 42.
    Fontes Chaveadas -Cap. 3 TOPOLOGIAS BÁSICAS DE FONTES CHAVEADAS J. A. Pomilio E+Vo + i L1 L1 I E L1max t τ T Figura 3.17 Corrente por L1 em situação crítica. Quando T conduz: E⋅ tT L1 = (3.51) 2 ⋅ Ii E ⋅ τ ⋅ (1 − δ) L1min = (3.52) 2 ⋅ Io(min) 3.4.3 Cálculo de L2 Analogamente à análise anterior, obtém-se para L2: E⋅δ ⋅ τ L 2 min = (3.53) 2 ⋅ Io(min) 3.4.4 Cálculo de C (capacitor de saída) Para uma corrente de s aída contínua, o dimensionamento de C é idêntico ao realizado para o conversor abaixador de tensão E⋅ δ ⋅ τ2 Co = (3.54) 8 ⋅ L 2 ⋅ ∆Vo 3.5 Conversor SEPIC O conversor SEPIC (Single Ended Primary Inductance Converter) é mostrado na figura 3.18. Possui uma característica de transferência tipo abaixadora-elevadora de tensão. Diferentemente do conversor Cuk, a corrente de saída é pulsada. Os interruptores ficam sujeitos a uma tensão que é a soma das tensões de entrada e de saída e a transferência de energia da entrada para a saída se faz via capacitor. Sua principal vantagem é no circuito isolado, quando a indutância L2 pode ser a própria indutância de magnetização do trafo. O funcionamento no modo descontínuo também é igual ao do conversor Cuk, ou seja, a corrente pelo diodo de saída se anula, de modo que as correntes pelas indutâncias se tornam iguais. A tensão a ser suportada pelo transistor e pelo diodo é igual a Vo+E. http://www.dsce.fee.unicamp.br/~antenor 3-14
  • 43.
    Fontes Chaveadas -Cap. 3 TOPOLOGIAS BÁSICAS DE FONTES CHAVEADAS J. A. Pomilio + E - + E - + + L1 C1 D L1 D i L1 i L2 C1 Vo Vo E L2 Co L2 Co T E T Ro Ro (a) (b) Figura 3.18 Topologia do conversor SEPIC não-isolado (a) e isolado (b). 3.6 Conversor Zeta O conversor Zeta, cuja topologia está mostrada na figura 3.19, também possui uma característica abaixadora-elevadora de tensão. Na verdade, a diferença entre este conversor, o Cuk e o SEPIC é apenas a posição relativa dos componentes. Aqui a corrente de entrada é descontínua e a de saída é continua. A transferência de energia se faz via capacitor. A indutância L1 pode ser a própria indutância de magnetização do transformador, na versão isolada. A operação no modo descontínuo também se caracteriza pela inversão do sentido da corrente por uma das indutâncias. A posição do interruptor permite uma natural proteção contra sobrecorrentes. A tensão a ser suportada pelo transistor e pelo diodo é igual a Vo+E. - Vo + i L2 - Vo + T C1 L2 T C1 L2 + L1 D Co Vo L1 D Co E E Vo i L1 Ro Ro (a) (b) Figura 3.19 Topologia do conversor Zeta não-isolado (a) e isolado (b). 3.7 Conversores com isolação Em muitas aplicações é necessário que a saída esteja eletricamente isolada da entrada, fazendo-se uso de transformadores. Em alguns casos o uso desta isolação implica na alteração do circuito para permitir um adequado funcionamento do transformador, ou seja, para evitar a saturação do núcleo magnético. Relembre-se que não é possível interromper o fluxo magnético produzido pela forÁa magneto motriz aplicada aos enrolamentos. 3.7.1 Conversor Cuk Neste circuito a isolação se faz pela introdução de um transformador no circuito. Utilizam-se 2 capacitores para a transferência da energia da entrada para a saída. A figura 3.20 mostra o circuito. A tensão sobre o capacitor C1 é a própria tensão de entrada, enquanto sobre C2 tem-se a tensão de saída. http://www.dsce.fee.unicamp.br/~antenor 3-15
  • 44.
    Fontes Chaveadas -Cap. 3 TOPOLOGIAS BÁSICAS DE FONTES CHAVEADAS J. A. Pomilio N1 N2 L1 L2 C1 C2 E T Co V1 V2 D Vo Figura 3.20. Conversor Cuk com isolação A tensão de saída, no modo contínuo de condução, é dada por: N2 E⋅ δ Vo = ⋅ (3.55) N1 (1 − δ) O balanço de carga deve se verificar para C1 e C2. Com N1=N2, C1=C2, tendo o dobro do valor obtido pelo método de cálculo indicado anteriormente no circuito sem isolação. Para outras relações de transformação deve-se obedecer a N1.C1=N2.C2, ou V1.C1=V2.C2. Note que quando T conduz a tensão em N1 é V C1=E (em N2 tem-se V C1.N2/N1). Quando D conduz, a tensão em N2 é V C2=Vo (em N1 tem-se V C2.N1/N2). A corrente pelos enrolamentos não possui nível contínuo e o dispositivo comporta-se, efetivamente, como um transformador. 3.7.2 Conversor fly-back (derivado do abaixador-elevador) O elemento magnético comporta-se como um indutor bifilar e não como um transformador. Quando T conduz, armazena-se energia na indutância do "primário" (no campo magnético) e o diodo fica reversamente polarizado. Quando T desliga, para menter a continuidade do fluxo, o diodo entra em condução, e a energia acumulada no campo magnético é enviada à saída. A figura 3.21 mostra o circuito. Note-se que as correntes médias nos enrolamentos não são nulas, levando à necessidade de colocação de entreferro no "transformador". D T E Co Vo L1 N1 N2 Figura 3.21 Conversor fly-back A tensão de saída, no modo contínuo de condução, é dada por: N2 E⋅ δ Vo = ⋅ (3.56) N1 (1 − δ) http://www.dsce.fee.unicamp.br/~antenor 3-16
  • 45.
    Fontes Chaveadas -Cap. 3 TOPOLOGIAS BÁSICAS DE FONTES CHAVEADAS J. A. Pomilio 3.7.3 Conversor forward (derivado do abaixador de tensão) Quando T conduz, aplica-se E em N1. D1 fica diretamente polarizado e cresce a corrente por L. Quando T desliga, a corrente do indutor de saída tem continuidade via D3. Quanto ao transformador, é necessário um caminho que permita a circulação de uma corrente que dê continuidade ao fluxo magnético, de modo a absorver a energia acumulada no campo, relativa à indutância de magnetização. Isto se dá pela condução de D2. Durante este intervalo (condução de D2) aplica-se uma tensão negativa em N2 e ocorre um retorno de energia para a fonte. A figura 3.22 mostra o circuito. D1 L D2 T . . + E D3 Co Vo . N1 N2 N3 Figura 3.22 Conversor forward Para garantir a desmagnetização do núcleo a cada ciclo, o conversor opera sempre no modo descontínuo. Existe um máximo ciclo de trabalho que garante a desmagnetização do transformador (tensão média nula), o qual depende da relação de espiras existente. A figura 3.23 mostra o circuito equivalente no intervalo de desmagnetização. As tensões no enrolamento N1, respectivamente quando o transistor e o diodo D2 conduzem, são: E ⋅ N2 VN1 = E 0 ≤ t ≤ tT e VN1 = t T ≤ t ≤ t2 (3.57) N1 E T . VN1 N1 E . A1 t2 tT τ t N2 A2 D2 E.N2/N1 A1=A2 Figura 3.23. Forma de onda no enrolamento de N1. Outra possibilidade, que prescinde do enrolamento de desmagnetização, é a intrudução de um diodo zener no secundário, pelo qual circula a corrente no momento do desligamento de T. Esta solução, mostrada na figura 3.24, no entanto, provoca uma perda de energia sobre o zener, além de limitar o ciclo de trabalho em função da tensão. http://www.dsce.fee.unicamp.br/~antenor 3-17
  • 46.
    Fontes Chaveadas -Cap. 3 TOPOLOGIAS BÁSICAS DE FONTES CHAVEADAS J. A. Pomilio .. E Figura 3.24 Conversor forward com desmagnetização por diodo zener. 3.7.4 Conversor push-pull O conversor push-pull é, na verdade, um arranjo de 2 conversores forward, trabalhando em contra-fase, conforme mostrado na figura 3.25. Quando T1 conduz (considerando as polaridades dos enrolamentos), nos secundários aparecem tensões como as indicadas na figura 3.26. D2 conduz simultaneamente, mantendo nulo o fluxo no transformador (desconsiderando a magnetização). Note que no intervalo entre as conduções dos transistores, os diodos D1 e D2 conduzem simultaneamente (no instante em que T1 é desligado, o fluxo nulo é garantido pela condução de ambos diodos, cada um conduzindo metade da corrente), atuando como diodos de livre-circulação e curto-circuitando o secundário do transformador. A tensão de saída é dada por: 2⋅δ ⋅ E Vo = (3.58) n Vce1 T1 I c1 .. I D1 D1 . L . + Co Ro V1=E E/n . .. .. . E E/n T2 I c2 I D2 D2 Figura 3.25. Conversor push-pull. O ciclo de trabalho deve ser menor que 0,5 de modo a evitar a condução simultânea dos transistores. n é a relação de espiras do transformador. Os transistores devem suportar uma tensão com o dobro do valor da tensão de entrada. Outro problema deste circuito refere-se à possibilidade de saturação do transformador caso a condução dos transistores não seja idêntica (o que garante uma tensão média nula aplicada ao primário). A figura 3.26 mostra algumas formas de onda do conversor. http://www.dsce.fee.unicamp.br/~antenor 3-18
  • 47.
    Fontes Chaveadas -Cap. 3 TOPOLOGIAS BÁSICAS DE FONTES CHAVEADAS J. A. Pomilio V1 T1/D2 D1 T2/D1 D1 D2 D2 E Ic1 Vce1 2E io Io δ1 Figura 3.26 Formas de onda do conversor push-pull. 3.7.4.1 Conversor em meia-ponte Uma alteração no circuito que permite contornar ambos inconvenientes do conversor push-pull leva ao conversor com topologia em meia ponte, mostrado na figura 3.27. Neste caso cria-se um ponto médio na alimentação, por meio de um divisor capacitivo, o que faz com que os transistores tenham que suportar 50% da tensão do caso anterior, embora a corrente seja o dobro. O uso de um capacitor de desacoplamento garante uma tensão média nula no primário do transformador. Este capacitor deve ser escolhido de modo a evitar ressonância com o indutor de saída e, ainda, para que sobre ele não recaia uma tensão maior que alguns porcento da tensão de alimentação (durante a condução de cada transistor). . . . L . . E/2 T1 . . + . . Co Vo E/2 .. . T2 . Figura 3.27 Conversor em meia-ponte 3.7.4.2 Conversor em ponte completa Pode-se obter o mesmo desempenho do conversor em meia ponte, sem o problema da maior corrente pelo transistor, com o conversor em ponte completa. O preço é o uso de 4 transistores, como mostrado na figura 3.28. http://www.dsce.fee.unicamp.br/~antenor 3-19
  • 48.
    Fontes Chaveadas -Cap. 3 TOPOLOGIAS BÁSICAS DE FONTES CHAVEADAS J. A. Pomilio . . . . . L . T1 . T2 . . + . Co Vo E .. . . . . T3 . T4 . . Figura 3.28 Conversor em ponte completa. 3.8 Consideração sobre a máxima tensão de saída no conversor elevador de tensão Pelas funções indicadas anteriormente, tanto para o conversor elevador de tensão quanto para o abaixador-elevador (e para o Cuk, SEPIC e Zeta), quando o ciclo de trabalho tende à unidade, a tensão de saída tende a infinito. Nos circuitos reais, no entanto, isto não ocorre, uma vez que as componentes resistivas presentes nos componentes, especialmente nas chaves, na fonte de entrada e nos indutores, produzem perdas. Tais perdas, à medida que aumenta a tensão de saída e, consequentemente, a corrente, tornam- se mais elevadas, reduzindo a eficiência do conversor. As curvas de Vo x δ se alteram e passam a apresentar um ponto de máximo, o qual depende das perdas do circuito. A figura 3.29 mostra a curva da tensão de saída normalizada em função da largura do pulso para o conversor elevador de tensão. Se considerarmos as perdas relativas ao indutor e à fonte de entrada, podemos redesenhar o circuito como mostrado na figura 3.30. Para tal circuito, a tensão disponível para alimentação do conversor se torna (E- V r), podendo-se prosseguir a análise a partir desta nova tensão de entrada. A hipótese é que a ondulação da corrente pelo indutor é desprezível, de modo a se poder supor V r constante. O objetivo é obter uma nova expressão para Vo, em função apenas do ciclo de trabalho e das resistências de carga e de entrada. O resultado está mostrado na figura 3.31. E − Vr Vo = (3.59) 1− δ Vr = R L ⋅ Ii (3.60) Vo = Ro ⋅ Io Io = Ii ⋅(1 − δ) (3.61) http://www.dsce.fee.unicamp.br/~antenor 3-20
  • 49.
    Fontes Chaveadas -Cap. 3 TOPOLOGIAS BÁSICAS DE FONTES CHAVEADAS J. A. Pomilio R L ⋅ Io R L ⋅ Vo Vr = = (3.62) 1− δ (1 − δ)⋅ Ro R L ⋅ Vo E− (1 − δ)⋅Ro E R L ⋅ Vo Vo = = − (3.63) 1− δ 1 − δ Ro ⋅(1 − δ) 2 Vo 1− δ = (3.64) E R (1 − δ) + L 2 Ro 40 Vo( d ) 20 0 0.2 0.4 0.6 0.8 d Figura 3.29 Característica estática de conversor elevador de tensão no modo contínuo. Vr Ii RL L Io + E E-Vr Co Ro Vo Figura 3.30. Conversor elevador de tensão considerando a resistência do indutor. 4 Vo( d ) 2 0 0 0.2 0.4 0.6 0.8 1 d Figura 3.31. Característica estática de conversor elevador de tensão, no modo contínuo, considerando as perdas devido ao indutor. http://www.dsce.fee.unicamp.br/~antenor 3-21
  • 50.
    Fontes Chaveadas -Cap. 4 CONVERSORES RESSONANTES J. A. Pomilio 4. CONVERSORES RESSONANTES Nas topologias em que as chaves semicondutoras comutam a corrente total da carga a cada ciclo, elas ficam sujeitas a picos de potência que colaboram para o "stress" do componente, reduzindo sua vida útil. Além disso, elevados valores de di/dt e dv/dt são potenciais causadores de interferência eletromagnética (IEM). Quando se aumenta a freqüência de chaveamento, buscando reduzir o tamanho dos elementos de filtragem e dos transformadores, as perdas de comutação se tornam mais significativas sendo, em última análise, as responsáveis pela freqüência máxima de operação dos conversores. Dificilmente esta freqüência ultrapassa 50kHz para uma potência superior a 100W. Por outro lado, caso a mudança de estado das chaves ocorra quando tensão e/ou corrente por elas for nula, o chaveamento se faz sem dissipação de potência. Analisaremos a seguir algumas topologias básicas que possibilitam tal comutação não-dissipativa. A carga “vista” pelo conversor é formada por um circuito ressonante e uma fonte (de tensão ou de corrente). O dimensionamento adequado do par L/C faz com que a corrente e/ou a tensão se invertam, permitindo o chaveamento dos interruptores e m situação de corrente e/ou tensão nulas, eliminando as perdas de comutação. 4.1 Conversor ressonante com carga em série (SLR) A topologia básica deste conversor é mostrada na figura 4.1. Io i L S1 D1 E/2 + vc - + B' A Vo B Lr Cr B Co S2 D2 E/2 Ro Figura 4.1. Conversor ressonante com carga em série Lr e Cr formam o circuito ressonante. A corrente iL é retificada e alimenta a carga, a qual conecta-se em série com o circuito ressonante. Co é usualmente grande o suficiente para se poder considerar Vo sem ondulação. As perdas resistivas no circuito podem ser desprezadas, simplificando a análise. Vo se reflete na entrada do retificador entre B e B', de modo que: vB’ B = Vo s iL >0 e vB’ B = -Vo s iL <0 e (4.1) Quando iL >0, conduz S1 ou D2. Quando S1 conduz, tem-se: vAB = E/2 vAB' = (E/2-Vo) (4.2) http://www.dsce.fee.unicamp.br/~antenor 4-1
  • 51.
    Fontes Chaveadas -Cap. 4 CONVERSORES RESSONANTES J. A. Pomilio Se D2 conduzir: vAB = -E/2 vAB' = -(E/2+Vo) (4.3) Quando iL <0, conduz S2 ou D1. Quando S2 conduz tem-se: vAB = -E/2 vAB' = -(E/2-Vo) (4.4) Se D1 conduz: vAB = E/2 vAB' = E/2+Vo (4.5) Usualmente o controle de S1 e S2 é simétrico, e a condução dos diodos D1 e D2 também o é. A análise de meio ciclo permite analisar todo o comportamento do circuito. O controle da tensão de saída é feito por modulação em freqüência. O uso de um transformador entre B e B' permite alterar a tensão na carga, sem afetar o funcionamento da topologia. Este conversor tem como característica uma proteção intrínseca contra sobrecarga, uma vez que opera como uma fonte de corrente, no entanto, exige uma carga mínima para funcionar. A freqüência de ressonância é dada por: 1 ωo = (4.6) L r ⋅ Cr O circuito ressonante mostrado na figura 4.2. tem as seguintes equações: iL + vc - A B' Lr Cr + + + Vo + E/2 - - B Figura 4.2. Circuito ressonante equivalente V − VCo i L ( t ) = I Lo ⋅ cos[ωo ⋅ ( t − to)] + ⋅ sin[ ωo ⋅ ( t − to)] (4.7) Zo v Co ( t ) = V − ( V − VCo ) ⋅ cos[ωo ⋅ ( t − to)] + Zo ⋅ I Lo ⋅ sin[ ωo ⋅ ( t − to)] (4.8) http://www.dsce.fee.unicamp.br/~antenor 4-2
  • 52.
    Fontes Chaveadas -Cap. 4 CONVERSORES RESSONANTES J. A. Pomilio I Lo e V Co são as condições iniciais de corrente no indutor e tensão no capacitor, respectivamente. A tensão V é a tensão CC resultante na malha, ou seja, a soma (ou subtração) da tensão de entrada com a de saída (V=VAB'). Lr Zo = (4.9) Cr 4.1.1 Modo de operação descontínuo, ωs<ωο/2 A figura 4.3. mostra as formas de onda referentes a este modo de funcionamento. A figura 4.4. mostra os circuitos equivalentes em cada intervalo de funcionamento. Em ωo.to, S1 é ligado e iL começa a crescer. A tensão sobre o capacitor cresce desde seu valor inicial (-2Vo). Em ωo.t1, ou seja, 180° após ωoto, iL se inverte e deve fluir por D1 (pois S2 não foi acionado). A retirada do sinal de base/gate de S1 deve ocorrer durante a condução de D1, ou seja, S1 desliga com corrente e tensão nulas. Após mais 180°, a corrente se anula e assim permanece, pois não há outra chave conduzindo. A tensão sobre Cr permanece +2Vo, até o início do próximo semi-ciclo, quanto S2 entra e m condução em ωot3. Por causa desta descontinuidade da corrente, meio-ciclo da freqüência de chaveamento excede 360° da freqüência de ressonância. Durante o intervalo t2 a t3, não existe corrente pelo circuito, de modo que a tensão sobre o capacitor não se altera. Variando-se a duração deste intervalo ajusta-se a tensão de saída. E vC 2Vo S2 iL D2 t5 T -2Vo S1 D1 t4 to t1 t2 t3 1/ωο 1/ωs Figura 4.3. Formas de onda do conversor no modo de operação descontínuo A B' A B' A B' A B' Lr Cr Lr Cr Lr Cr Lr Cr iL Vo iL Vo iL Vo iL Vo E/2 E/2 E/2 E/2 B B B B to a t1 t1 a t2 t3 a t4 t4 a t5 Figura 4.4. Circuitos equivalentes em cada intervalo do modo de operação http://www.dsce.fee.unicamp.br/~antenor 4-3
  • 53.
    Fontes Chaveadas -Cap. 4 CONVERSORES RESSONANTES J. A. Pomilio Note que a entrada e a saída de condução dos transístores e diodos ocorre quando a corrente é nula. Assim, não existe perda de chaveamento nos semicondutores. Por outro lado, o pico de corrente pelos dispositivos implica num aumento das perdas de condução. 4.1.2 Modos de operação contínuo para ωo/2<ωs<ωo ω ω Atuando-se com freqüência de chaveamento na faixa ωo/2<ωs<ωo teremos uma situação em que não ocorre descontinuidade da corrente, de modo que uma das comutações é dissipativa. A figura 4.5. mostra as formas de onda de corrente pelo indutor e tensão no capacitor neste modo de operação. Na figura 4.6. tem-se os circuitos equivalentes em cada intervalo. vC iL S1 D1 S2 D2 to t1 t2 t3 t4 Figura 4.5. Formas de onda quando ωo/2<ωs<ωo A B' A B' A B' A B' Lr Cr Lr Cr Lr Cr Lr Cr iL Vo iL Vo iL Vo iL Vo E/2 E/2 E/2 E/2 B B B B to a t1 t1 a t2 t2 a t3 t3 a t4 Figura 4.6. Circuitos equivalentes em cada intervalo do modo de operação S1 entra em condução em ωoto, sob tensão e corrente diferentes de zero (dissipando potência). Em ωot1 (menos que 180°) a corrente se inverte, passando por D1 (S1 desliga com corrente nula). Em ωot2 S2 entra em condução, desligando D1 e iniciando o semiciclo seguinte. Neste caso não existe o intervalo de corrente nula pelo circuito. 4.1.3 Modo de operação contínuo para ωs>ωo ω S1 começa a conduzir em ωoto com corrente nula (o sinal de condução deve ter sido aplicado durante a condução de D1). Em ωot1 S1 é desligado e a corrente tem continuidade via D2. O desligamento de S1 é dissipativo. Durante a condução de D2 envia-se o sinal de condução para S2, o qual entrará em condução assim que a corrente se inverter (D2 desligar). http://www.dsce.fee.unicamp.br/~antenor 4-4
  • 54.
    Fontes Chaveadas -Cap. 4 CONVERSORES RESSONANTES J. A. Pomilio A figura 4.7. mostra as formas de onda e os circuitos equivalentes neste modo de operação. iL vC D1 S1 D2 S2 D1 to t1 t2 t3 t4 A B' A B' A B' A B' Lr Cr Lr Cr Lr Cr Lr Cr iL Vo iL Vo iL Vo iL Vo E/2 E/2 E/2 E/2 B B B B to a t1 t1 a t2 t2 a t3 t3 a t4 Figura 4.7. Formas de onda para ωs>ωo e circuitos equivalentes em cada intervalo do modo de operação. Neste modo de operação é possível, adicionando-se capacitores entre os terminais principais das chaves, obter-se comutação sob tensão nula, como mostra a figura 4.8. Durante a condução do interruptor (por exemplo, S1), o capacitor colocado e m paralelo a ele está, obviamente, descarregado. Quando a chave é aberta, o capacitor s e carrega com a corrente da carga, até levar o diodo do ramo complementar (p.ex. D2) à condução. No semi-ciclo seguinte, ao ser desligado o interruptor (S2), o diodo (D1) deve entrar em condução, o que acontecerá após a carga do capacitor conectado ao interruptor que estava em condução. Como a tensão de entrada é constante, a carga de um capacitor implica na descarga do outro. Assim, a energia armazenada nos capacitores não é dissipada, mas fica fluindo (idealmente) de um para outro. A figura 4.9. mostra a característica estática do conversor. Os valores são normalizados em relação aos seguintes valores base: E Vbase = 2 E I base = (4.10) 2 ⋅ Zo ω base = ωo http://www.dsce.fee.unicamp.br/~antenor 4-5
  • 55.
    Fontes Chaveadas -Cap. 4 CONVERSORES RESSONANTES J. A. Pomilio Io i L S1 D1 C1 E/2 + vc - + B' A Vo B Lr Cr B Co S2 D2 C2 E/2 Ro i S1 i D2 vS1 E vS2 E Figura 4.8. Inclusão de capacitores para obter comutações sob tensão nula. Io 10 Vo=0.4 Vo=0.4 5 Vo=0.9 0 ωs 0 0.5 1 1.5 ωo Figura 4.9. Característica estática de conversor ressonante com carga em série São mostradas curvas para 2 valores de tensão de saída. Note-se que no modo descontínuo (ωs<0,5) o conversor se comporta como uma fonte de corrente, cujo valor é ajustado pela variação da frequência. A variação da carga (portanto de Vo) não altera o valor da corrente. Isto justifica a afirmação anterior quanto à característica do conversor possuir uma inerente proteção contra sobre-corrente. http://www.dsce.fee.unicamp.br/~antenor 4-6
  • 56.
    Fontes Chaveadas -Cap. 4 CONVERSORES RESSONANTES J. A. Pomilio 4.2 Conversor ressonante com carga em paralelo (PLR) A topologia deste conversor está mostrada na figura 4.10. io Io i L S1 D1 Lo E/2 + B' A Vo B Lr Cr B Co S2 D2 E/2 Ro Figura 4.10. Conversor ressonante com carga conectada em paralelo com o capacitor Nesta topologia a carga é conectada em paralelo com o capacitor do circuito ressonante. A tensão sobre o capacitor é retificada, filtrada e fornecida à carga. É possível usar transformador para isolar e escalonar a tensão de saída. Para obter um modelo para o circuito, pode-se considerar que a corrente de saída seja sem ondulação, o que é razoável, considerando a elevada freqüência de chaveamento. A tensão sobre o circuito ressonante, vAB será igual a +E/2 caso conduzam S1 ou D1. Quando conduzirem S2 e D2, a tensão será -E/2. Este conversor opera como uma fonte de tensão, podendo operar sem carga e suportando uma larga variação na corrente de saída, mas não possui proteção contra curto-circuito. O circuito ressonante equivalente está mostrado na figura 4.11. e tem as seguintes equações (válidas no intervalo entre t1 e t3): E − VCo 2 i L ( t ) = Io + (I Lo − Io) ⋅ cos[ωo ⋅ ( t − t1)] + ⋅ sin[ ωo ⋅ ( t − t1)] (4.11) Zo E E  v C (t) = −  − VCo  ⋅ cos[ωo ⋅ ( t − t1)] + Zo ⋅ (I Lo − Io) ⋅ sin[ ωo ⋅ ( t − t1)] (4.12) 2 2  Onde ILo e VCo são as condições iniciais de corrente no indutor e tensão no capacitor. iL A B' Lr + + + Io + E/2 vC - Cr - B Figura 4.14. Circuito ressonante equivalente para conversor com carga em paralelo ao capacitor. Nos intervalos (to a t1) e (t3 a t4) as formas de onda tem uma evolução linear. http://www.dsce.fee.unicamp.br/~antenor 4-7
  • 57.
    Fontes Chaveadas -Cap. 4 CONVERSORES RESSONANTES J. A. Pomilio 4.2.1 Modo de operação descontínuo, ωs<ωo/2 ω Neste modo de operação [4.1], tanto iL quanto vC permanecem nulos por algum tempo. Em ωoto, S1 entra em condução. Enquanto |iL |<Io, a corrente de saída circula pelos diodos da ponte retificadora, mantendo vC=0. Em ωot1, |iL |>Io e a diferença (iL -Io) circula pelo capacitor Cr, aumentando vC. Dada a ressonância entre L r e Cr, a corrente tende a oscilar. As formas de onda da corrente no indutor e da tensão no capacitor estão mostradas na figura 4.12. Na figura 4.13. tem-se os circuitos relativos a cada intervalo de funcionamento. Quando |iL | se torna novamente menor que Io, o capacitor passa a se descarregar, fornecendo o complemento da corrente de saída. Em ωot2, a corrente se inverte e circula por D1. S1 deve ser desligado antes de ωot3, comutando sob tensão e corrente nulas. Em ωot3 D1 deixa de conduzir e a corrente se anula. O capacitor passa a fornecer sozinho a corrente de saída, decaindo linearmente sua tensão. Quando vC se anula, os diodos da ponte retificadora conduzem, num intervalo de livre-circulação. Em ωot5, S2 entra em condução, iniciando o semi-ciclo negativo. Tanto os transístores, quanto os diodos não produzem perdas nas mudanças de estado. Para que seja possível comutação suave é necessário que a corrente, no limite toque o zero em seu segundo semi-ciclo. Isto significa que existe uma máxima corrente de carga que pode ser comutada, a qual é dada por: E Io < (4.13) 2Zo E vC E/2 i L Linear Linear Io S1 D1 to t1 t2 t3 t4 t5 Figura 4.12. Formas de onda de corrente e tensão nos elementos ressonantes no modo de operação descontínuo. iL iL A B' A B' B' B' Io Io Io Io + + + + E/2 v E/2 v E/2 v E/2 v C C C C B B B B to a t1 t1 a t3 t3 a t4 t4 a t5 Figura 4.13. Circuitos equivalentes a cada intervalo de funcionamento http://www.dsce.fee.unicamp.br/~antenor 4-8
  • 58.
    Fontes Chaveadas -Cap. 4 CONVERSORES RESSONANTES J. A. Pomilio 4.2.2 Modo de operação contínuo para ωo/2<ωs<ωo ω ω Atuando-se com freqüência de chaveamento [4.2] na faixa ωo/2<ωs<ωo teremos uma situação em que não ocorre descontinuidade da corrente, de modo que uma das comutações é dissipativa. A figura 4.14. mostra as formas de onda do circuito ressonante e a figura 4.15. mostra os circuitos equivalentes de cada intervalo de funcionamento. S1 entra em condução quando a corrente é positiva, dissipando potência. A corrente oscila e quando se inverte passa por D1, até que S2 seja disparado. S1 tem seu sinal de acionamento retirado durante a condução de D1, logo, sob corrente e tensão nulas. Após a entrada em condução de S2 inicia-se o semi-ciclo seguinte. vC iL 0 D2 S1 D1 S2 D2 to t1 t2 t3 t4 t5 Figura 4.14. Formas de onda de corrente pelo indutor e tensão no capacitor para ωo/2<ωs<ωo iL iL iL iL A B' A B' B' B' Io Io Io Io + + + + E/2 v E/2 v E/2 v E/2 v C C C C B B B B to a t1 t1 a t2 t2 a t3 t3 a t4 Figura 4.15. Circuitos equivalentes para cada intervalo de funcionamento 4.2.3 Modos de operação contínuo para ωs>ωο S1 começa a conduzir com corrente nula (o sinal de condução deve ter sido aplicado durante a condução de D1). Quando S1 é desligado, a corrente tem continuidade via D2. O desligamento de S1 é dissipativo. Durante a condução de D2 envia-se o sinal de condução para S2, o qual entrará em condução assim que a corrente se inverter (D2 desligar). Neste modo de operação é possível, adicionando-se capacitores entre os terminais principais das chaves, obter-se comutação sob tensão nula, como já foi descrito anteriormente. A figura 4.16. mostra as formas de onda de tensão e de corrente e a figura 4.17. mostra os circuitos equivalentes em cada intervalo de funcionamento. http://www.dsce.fee.unicamp.br/~antenor 4-9
  • 59.
    Fontes Chaveadas -Cap. 4 CONVERSORES RESSONANTES J. A. Pomilio iL vC D1 S1 D2 S2 to t1 t2 t3 t4 Figura 4.16. Formas de onda de tensão no capacitor e corrente no indutor para ωs>ωο iL iL iL iL A B' A B' B' B' Io Io Io Io + + + + E/2 v E/2 v E/2 v E/2 v C C C C B B B B to a t1 t1 a t2 t2 a t3 t3 a t4 Figura 4.17. Circuitos equivalentes a cada intervalo de funcionamento A figura 4.18. mostra a característica de transferência estática deste conversor, para diferentes valores da corrente de saída. A normalização utilizada é a mesma do conversor com carga em série. Nota-se que no modo descontínuo, o conversor apresenta uma boa característica de fonte de tensão, uma vez que Vo independe de Io. O ajuste da tensão é linear com a frequência de chaveamento. Isto é especialmente útil para o projeto de conversores com múltiplas saídas. Para ωs>ωo, uma variação menor que 50% na frequência de chaveamento permite uma excursão bastante ampla na tensão de saída. O conversor pode operar como abaixador ou elevador de tensão. 4.3 Conversor ressonante com carga em paralelo, com saída capacitiva No ítem 4.2. foi visto um conversor cuja carga, conectada em paralelo ao capacitor de ressonância, era alimentada através de um filtro LC, ou seja, do ponto de vista do conversor, a carga se comporta como uma fonte de corrente. Outra possibilidade é ter-se uma carga que se reflita sobre o capacitor ressonante como uma fonte de tensão [4.3], ou seja, que o estágio de saída não possua a indutância de filtragem, como se vê na figura 4.19. http://www.dsce.fee.unicamp.br/~antenor 4-10
  • 60.
    Fontes Chaveadas -Cap. 4 CONVERSORES RESSONANTES J. A. Pomilio Vo Io=0.4 4 Io=0.4 2 Io=0.8 0 ωs 0 0.2 0.4 0.6 0.8 1 1.2 1.4 ωo Figura 4.18. Característica estática do conversor com carga conectada em paralelo com o capacitor ressonante. Io iL S1 D1 E/2 + B' A Vo B Lr Cr B Co S2 D2 E/2 Ro Figura 4.19. Conversor ressonante com carga em paralelo, do tipo capacitiva A ressonância se comporta de modo semelhante ao conversor com saída de corrente, mas a corrente de saída existe apenas quando a tensão sobre Cr atinge o valor Vo. Consideremos as formas de onda da figura 4.20. Entre to e t1, a corrente é negativa, circulando por D1. Durante este intervalo é dado o comando para condução de S1, o qual entra efetivamente em condução em t1, sob corrente nula. Entre to e t2 a tensão sobre Cr cresce de modo ressonante, até atingir o valor da tensão de saída. Neste instante, supondo Co>>Cr, a tensão entre B’ e B se mantém constante, num valor igual a Vo. A corrente pelo indutor Lr passa a ter uma variação linear. Se a tensão de saída for menor do que a de entrada, a corrente aumenta, e vice-versa. Em regime, no entanto, Vo>E/2. Quando se desliga S1, em t3, a corrente passa a circular por D2 e S2 recebe sinal para ligar, conduzindo efetivamente quando a corrente se inverter . A tensão sobre Cr varia de modo ressonante, invertendo-se, até ser atingida novamente a tensão de saída (agora negativa), repetindo-se o funcionamento descrito. Dependendo dos parâmetros do circuito e da freqüência de operação, a variação linear da corrente pode levá-la a zero, de modo que não ocorrem as conduções dos diodos. Com a adição de capacitores em paralelo com os interruptores é possível obter um desligamento sob tensão nula, da mesma forma como já foi explanado anteriormente. Assim, todas as comutaçãos dos transistores e diodos são suaves. http://www.dsce.fee.unicamp.br/~antenor 4-11
  • 61.
    Fontes Chaveadas -Cap. 4 CONVERSORES RESSONANTES J. A. Pomilio Como vantagem deste conversor tem-se a não necessidade do indutor de saída o qual, especialmente em aplicações de alta tensão, são elementos problemáticos. Por outro lado, como a condução dos diodos do retificador se dá apenas durante parte do período de chaveamento, para uma mesma potência de saída, eles devem conduzir uma corrente de pico de maior valor. Além disso, suas comutação serão mais dissipativas, dado que a s correntes comutadas são de maior intensidade. Isto se torna mais crítico à medida que crescem a potência e a freqüência de chaveamento. ressonante linear Vo vC iL linear -Vo to t1 t2 t3 D1 S1 S1 D2 S2 Figura 4.20. Formas de onda do conversor com carga em paralelo do tipo capacitiva 4.4 Alterações nas topologias dos conversores ressonantes O controle da tensão de saída, conforme foi visto, se faz pela variação da freqüência de chaveamento. Isto significa que, para os casos em que se deseja uma larga faixa de variação da tensão, o espectro de freqüência pode ser grande. A dificuldade oriunda deste fato é que o dimensionamento dos elementos de filtragem deve ser feito para a menor freqüência possível, levando, assim, a um super-dimensionamento para a s freqüências mais altas. Além disso, a relação entre o sinal de controle e a tensão de saída é, em geral, não-linear, levando a uma maior dificuldade no projeto da malha de controle. Outro fator significativo nestes conversores é o de que a corrente e a tensão RMS pelas chaves semicondutoras é maior do que a necessária para a transferência de potência para a saída. Isto ocorre por conta da energia envolvida no processo de ressonância próprio do circuito, implicando no aumento dos reativos do circuito, sem relação com a potência ativa da saída. Visando basicamente, contornar estes inconvenientes, quais sejam, os maiores valores RMS e o controle por variação da freqüência, têm sido feitas inúmeras propostas de alterações nestas topologias, das quais, a título de exemplo, indicaremos o caso do conversor SLR. 4.4.1 Limitação da sobre-tensão A figura 4.21. mostra um circuito que limita a tensão sobre o capacitor do circuito ressonante à tensão de alimentação [4.5]. A colocação dos diodos evita a presença de valores de tensão mais elevados sobre os componentes. A não existência de um retorno de energia para a fonte faz com que a energia retirada da alimentação vá toda para a carga http://www.dsce.fee.unicamp.br/~antenor 4-12
  • 62.
    Fontes Chaveadas -Cap. 4 CONVERSORES RESSONANTES J. A. Pomilio (desconsiderando-se as perdas). Neste circuito, o controle da tensão de saída continua sendo feito pela variação da freqüência de chaveamento [4.6]. Em t1 o interruptor entra em condução, partindo de uma corrente inicial nula. A tensão sobre o capacitor que estava limitada em -E/2, cresce, variando de modo ressonante, até que em t2, atinge +E/2 e fica limitada. A corrente passa a variar linearmente, decaindo até zero em t3. Em t4 S2 é ligado e inicia-se o ciclo negativo. O aumento da frequência pode fazer com que a corrente não caia a zero durante a condução dos interruptores. Caso isto aconteça, quando os interruptores são desligados, a continuidade da corrente se dá pela condução dos diodos D1 ou D2. A inclusão de capacitores junto aos interruptores permite, assim, um desligamento suave. A figura 4.22. mostra as formas de onda obtidas. Da1 S1 D1 E/2 + + vc - Vo Lr Co Cr S2 D2 Ro E/2 Da2 Figura 4.21. Circuito ressonante com carga em série, com limitação de tensão inclinação depende de Vo i L vC E/2 -E/2 S1 S1 Da1 to t1 t2 t3 t4 Figura 4.22. Formas de onda com limitação da tensão sobre o capacitor ressonante 4.4.2 Controle por MLP Torna-se possível realizar um controle por Modulação de Largura de Pulso por meio da interrupção do processo ressonante que envolve o capacitor no momento em que sua tensão passa pelo zero. Isto é feito pelo uso de chaves colocadas em paralelo com o capacitor, as quais são fechadas no momento adequado, abrindo-se quando se deseja concluir o processo ressonante. O circuito é mostrado na figura 4.23. A chave colocada junto ao capacitor deve ser bidirecional em tensão e corrente. Seu acionamento ocorre quando a tensão atinge o zero, de modo que o circuito de controle precisa monitorar esta tensão para saber o momento de ligar a chave auxiliar. http://www.dsce.fee.unicamp.br/~antenor 4-13
  • 63.
    Fontes Chaveadas -Cap. 4 CONVERSORES RESSONANTES J. A. Pomilio Na verdade, o controle não é MLP puro, uma vez que a tensão de saída depende também da duração do período de ressonância. Fazendo-se com que este período seja muito menor do que o período no qual se faz o controle MLP, obtém-se uma relação razoavelmente linear entre o sinal de controle e a tensão de saída. A figura 4.24. mostra as formas de onda do circuito. Da1 Saux S1 D1 + E/2 Vo Lr Co Cr S2 D2 Ro E/2 Da2 Figura 4.23. Conversor com controle MLP Saux S2 S1 E/2 vC iL 0 -E/2 t2' to t1 t2 t3 t4 t5 S1 S1 S1 e Da1 Saux Figura 4.24. Sinais de comando dos interruptores (traços superiores); corrente no indutor e tensão no capacitor ressonante. Em to o interruptor S1 é ligado. Inicia-se a ressonância entre Lr e Cr. O capacitor, que estava carregado com uma tensão negativa -E/2, vai invertendo sua tensão. Quando esta chega a zero, em t1, o interruptor auxiliar, Saux, entra em condução, mantendo a tensão sobre Cr em zero. A corrente por Lr cresce linearmente até que em t2 a chave auxiliar é aberta. A ressonância entre Lr e Cr é retomada, e a tensão cresce até o valor E/2, no qual é limitada. Quando o diodo de limitação da tensão entra em condução encerra-se a ressonância e a corrente pelo indutor começa a cair linearmente, atingindo zero em t3. S1 é desligado sob corrente zero em t4. O semi-ciclo negativo se inicia com a entra em condução de S2, em t5. http://www.dsce.fee.unicamp.br/~antenor 4-14
  • 64.
    Fontes Chaveadas -Cap. 4 CONVERSORES RESSONANTES J. A. Pomilio 4.5 Fonte Ressonante de Tensão em Regime Pulsado Considere-se uma topologia de um conversor série ressonante, com carga capacitiva conectada em paralelo com o capacitor de ressonância. [4.8]. Anteriormente foram analisados circuitos similares, mas em condição de regime permanente. Quando s e trata de uma carga pulsada, o circuito se encontra sempre em regime transitório [4.9]. 4.5.1 Topologia O estágio inicial é constituído por um inversor fonte de tensão (VSI) alimentando um circuito ressonante série, com carga em paralelo com o capacitor, como mostrado na figura 4.25. O comando dos interruptores da ponte inversora é feito de modo a produzir em sua saída uma onda quadrada na freqüência de ressonância determinada pelo par L r, Cr. Esta freqüência é limitada a valores compatíveis com a resposta dos diodos (por exemplo, diodos de alta tensão são lentos). Na saída do retificador tem-se o capacitor no qual será acumulada a energia necessária à alimentação da carga. Ao ser atingida a tensão desejada o inversor deixa de operar, mantendo a tensão de saída fixa até o instante em que se aciona a chave Ch, descarregando Co sobre a carga. .. .. E .. . .. Lr . . . . Ch + .. .. . ir Cr vr . vo Co .. .. . . . - Carga Figura 4.25. Topologia do conversor. 4.5.2 Análise do circuito ressonante O circuito pode ser modelado como um RLC série no qual a capacitância e a tensão da fonte CC são variáveis, dependendo da configuração do inversor e da ponte retificadora. Dado o comportamento chaveado do conversor e considerando que os parâmetros variam ciclicamente e ainda que as perdas são muito pequenas, pode-se considerar que o regime estacionário nunca é atingido. Existe, no entanto, uma condição na qual os estágios relativos à operação do circuito ocorrem de forma repetitiva. Tal comportamento, denominado de fase quase-estacionária, passa a existir após os primeiros semi-ciclos de funcionamento do circuito. A figura 4.26 mostra os quatro circuitos equivalentes aos estágios de operação da topologia. Note-se que se alteram a polaridade da tensão de excitação do circuito (devido ao inversor) e o valor da capacitância (devido ao retificador). A situação quase-estacionária caracteriza-se pelo fato de que, durante o intervalo no qual apenas o capacitor Cr está conectado ao circuito, não ocorre inversão na polaridade da tensão de excitação. http://www.dsce.fee.unicamp.br/~antenor 4-15
  • 65.
    Fontes Chaveadas -Cap. 4 CONVERSORES RESSONANTES J. A. Pomilio Para cada estágio, o circuito evolui como um RLC com as condições iniciais dadas pela tabela 4.I, até o momento em que se estabelece a condição de comutação. Durante cada estágio, a carga nos capacitores e a corrente pelo indutor são dadas por: ) [ ] Qk ( t ) = Qk ⋅ e− α ⋅( t − t k ) ⋅ sin ω ⋅ (t − t k ) + φ + Con ⋅ Vi (4.14) ) [ I k ( t ) = I k ⋅ e− α ⋅( t − t k ) ⋅ sin ω ⋅ (t − t k ) + β ] (4.15) onde: ω2 = ω2 − α2 o (4.16) 1 ω2 = o (4.17) L r ⋅ Con Rr Lr Rr Lr E (a) Cr . Co E (b) Cr Rr Lr . Rr Lr E (c) Cr . Co E (d) Cr Figura 4.26. Circuitos equivalentes do conversor. Rr α= (4.18) 2⋅ L r ∆Qk = Qk ( t k ) − Con ⋅ Vi (4.19) ) 2  ∆Q k ⋅ α + I k ( t k )  2 Qk =   + ∆Q k 2 (4.20)  ω  2 ) 2  ∆Qk ⋅ ω 2 + I k ( t k ) ⋅ α   + [I k ( t k )] 2 Ik =  o  ω  (4.21) )2 )2 I k = ω o ⋅ Qk 2 ∆Q k ⋅ ω tg(φ) = (4.22) ∆Qk ⋅ α + I k ( t k ) http://www.dsce.fee.unicamp.br/~antenor 4-16
  • 66.
    Fontes Chaveadas -Cap. 4 CONVERSORES RESSONANTES J. A. Pomilio −ω ⋅ I k ( t k ) tg(β) = (4.23) ∆Q k ⋅ ω o + I k ( t k ) ⋅ α 2 As curvas mostradas na figura 4.27 foram obtidas por simulação em PSpice e são coincidentes com aquelas obtidas pela solução numérica do modelo analítico apresentado. Mostram-se os intervalos de operação, separando-os nas fases não-repetitivas, que ocorrem no início da operação do circuito e a fase repetitiva, a qual, após os ciclos de chaveamento iniciais, repete-se ciclicamente. A tabela 4.I mostra a seqüência de estágios (de 6 a 11) que caracterizam um regime quase-estacionário. Os dados ali colocados indicam os parâmetros que permitem a solução numérica das equações que descrevem o circuito. As situações que levam a alterações topológicas são 3: • inversão na tensão de entrada (Vi ); • igualdade entre as tensões dos capacitores Cr (oscilatória) e Co (contínua), o que leva a ponte retificadora a começar a conduzir; • corrente nula, fazendo com que o retificador deixe de conduzir. Quando o retificador está em funcionamento, a capacitância equivalente (Con) é a soma de Cr e Co. Sem o retificador, tem-se apenas Cr. No caso geral, dependendo dos parâmetros do circuito, podem não existir os estados não repetitivos que antecedem a fase quase-estacionária. 1 2 345 6 7 8 9 10 11 6 ESTADOS i Co vi 0 vr 0s 0.2ms 0.4ms 0.6ms 0.8ms 1.0ms 1.2ms 1.4ms Figura 4.27. Resposta do circuito. 4.5.2.1 Análise do circuito alimentando o retificador A topologia proposta, a qual tem conectada ao capacitor ressonante um retificador de onda completa e um capacitor, implica em alterações importantes em termos da tensão sobre Cr, mais especificamente quanto à amplitude desta tensão. A capacitância de saída, Co, apresentar-se-à em paralelo com Cr sempre que a tensão de saída for menor que a tensão vr. Isto significa que a energia presente na indutância neste instante, ao invés de transferir-se totalmente para Cr, será dividida com Co, de modo que o pico da tensão será menor do que aquele indicado por (17). A característica linear da envoltória, no entanto, mantém-se válida, como se observa na figura 4.29. http://www.dsce.fee.unicamp.br/~antenor 4-17
  • 67.
    Fontes Chaveadas -Cap. 4 CONVERSORES RESSONANTES J. A. Pomilio Consideremos as formas de onda mostradas na figura 4.30. Antes do instante t0 a carga vista pelo inversor de tensão é formada por L r e Cr. Em t0, quando as tensões vr e vo se igualam, o retificador entra em condução conectando Co em paralelo com Cr. Esta situação se mantém até o instante t1, quando, ao anular-se a corrente, o retificador deixa de conduzir. O circuito volta a operar na ressonância, invertendo a tensão , até que em t2 atinge-se novamente a igualdade entre as tensões vr e vo, repetindo-se o comportamento descrito. Observe-se que quando vr é zero a corrente está em seu valor máximo, e vice- versa. A inclusão de Co ao circuito produz uma redução no pico da tensão, em relação ao valor que haveria apenas com Cr. TABELA 4..I. PARÂMETROS E ESTÁGIOS DE FUNCIONAMENTO DO CIRCUITO EQUIVALENTE Estado Carga Inicial Corrente Con Vi Topologia Condição de Comutação (k) Qk(tk) inicial Ik(tk) equivalente Fase não-repetitiva 1 Q1(t1)=0 I 1(t1)=0 Cr+Co +E a Inversão da tensão de entrada em (t2) 2 Q2(t2)=Q1(t2) I 2(t2)=I1(t2) Cr+Co -E c Comutação do retificador I 2(t3)=0 3 Q2 ( t 3 ) ⋅ Ce I 3(t3)=0 Cr -E d Inversão da tensão de entrada em (t4) 4 Q4(t4)=Q3(t4) I 4(t4)=I3(t4) Cr +E b Comutação do retificador Q4(t5)=-Q3(t3) 5 Q5(t5)=-Q3(t3) I 5(t5)=I4(t5) Cr+Co +E a Comutação do retificador I 5(t6)=0 Fase quase-estacionária 6 Qk −1( t k ) ⋅ Ce 0 Cr +E b Comutação do retificador Qk(tk+1)=-Qk-1(tk) 7 Qk-1(tk) I k-1(tk) Cr+Co +E a Inversão da tensão de entrada em (tk+1) 8 Qk-1(tk) I k-1(tk) Cr+Co -E c Comutação do retificador Ik(tk+1)=0 9 Qk −1( t k ) ⋅ Ce 0 Cr -E d Comutação do retificador Qk(tk+1)=-Qk-1(tk) 10 Qk-1(tk) I k-1(tk) Cr+Co -E c Inversão da tensão de entrada em (tk+1) 11 Qk-1(tk) I k-1(tk) Cr+Co +E a Comutação do retificador Ik(tk+1)=0 Cr Onde Ce = Cr + Co http://www.dsce.fee.unicamp.br/~antenor 4-18
  • 68.
    Fontes Chaveadas -Cap. 4 CONVERSORES RESSONANTES J. A. Pomilio Vo 0V Vr 0s 5ms 10ms 15ms 20ms Figura 4.29. Tensão de saída (vo) e tensão sobre o capacitor ressonante (vr). vo 0 ir vr t0 t1 t2 Figura 4.30. Detalhe das formas de onda presentes no circuito. 4.5.3 Comutação suave do inversor A inclusão de Co no circuito produz também um efeito de tornar mais lenta a evolução da tensão vr, ou seja, torna menor a freqüência desta tensão em relação ao que ocorreria apenas com Cr. Uma vez que a freqüência do inversor é ajustada para ωo, do ponto de vista do inversor, tem-se uma operação acima da freqüência típica da carga. Tal comportamento faz com que a corrente esteja atrasada em relação à tensão imposta na saída do inversor, de modo que a entrada em condução dos transistores ocorra sob tensão e corrente nulas. Os capacitores em paralelo com os interruptores produzem um desligamento sob tensão nula. 4.5.4 Resultados Experimentais Um protótipo foi construído com os seguinte parâmetros: E=100 V; Po=250 W; ωo=20,1 krd/s (3,2 kHz); f=40 Hz; Vo=1000 V; T=25 ms; η=90%. Os componentes calculados são: Co=12,5 µF, Cr=450 nF, Lr=5,5 mH. A figura 4.31 mostra a tensão de saída e sua variação quase linear. As perdas do circuito são as responsáveis pela leve característica exponencial da evolução desta tensão. Quando é atingida a tensão desejada o inversor é inibido, até que o capacitor seja descarregado, iniciando-se a seguir um novo ciclo. A figura 4.32 mostra um detalhe da corrente e da tensão no circuito ressonante. Nos ciclos iniciais, como previsto no modelo analítico e na simulação em PSpice, a s formas de onda são significativamente diferentes de senóides, uma vez que a tensão aplicada ao circuito ressonante é uma onda quadrada provida pelo inversor, e não uma senóide como estudado na análise simplificada. Entretanto, após poucos ciclos as ondas assumem uma forma praticamente senoidal e uma defasagem de 90o, conforme o esperado. http://www.dsce.fee.unicamp.br/~antenor 4-19
  • 69.
    Fontes Chaveadas -Cap. 4 CONVERSORES RESSONANTES J. A. Pomilio A figura 4.33 mostra detalhe da comutação ZVS que ocorre sobre os transistores do inversor. Embora o conversor opere em ZVS, a eficiência global medida foi de 83%. As perdas devem-se, basicamente, ao indutor (núcleo de ar e elevado número de espiras) e aos componentes do lado de alta tensão, quais sejam, os diodos retificadores e o SCR que descarrega os capacitores sobre a carga. 0V Figura 4.31. Tensão de saída (200V/div). Figura 4.32. Detalhe da corrente ressonante Horiz.: 10 ms/div. (traço superior - 1A/div) e tensão sobre Cr (traço inferior - 100V/div). Horiz.: 0,5ms/div. 1 2 Figura 4.33. Tensão (50 V/div.) e corrente (5A/div.) em interruptor do inversor, mostrando as comutações suaves. Horiz.: 20 µs/div. 4.6 Referências Bibliográficas [4.1] H. L. Hey; P. D. Garcia and I. Barbi: “Analysis of Parallel Resonant Converter (PRC) Operating at Switching Frequency Less than Resonant Frequency”. Proc. Of 1st. Power Electronics Seminar, Florianópolis - SC, Dez. 1989. [4.2] Y. Kang and A. K. Upadhyay: “Analysis and Design of a Half-Bridge Parallel Resonant Converter”. Proc. Of IEEE PESC Record, 1987, pp. 231-243. [4.3] R. Steigerwald: “Analysis of a Resonant Transistor DC-DC Converter with Capacitive Output Filter”. IEEE Trans. On Industrial Electronics, vol. IE-32, no. 4, Nov. 1985, pp. 439-444. [4.4] S. D. Johnson, A. F. Witulski and R. W. Erickson: “Comparison of Resonant Topologies in High-Voltage Applications”. IEEE Trans. On Aerospace and Electronic Systems, vol. 24, no. 3, May 1988, pp. 263-273. http://www.dsce.fee.unicamp.br/~antenor 4-20
  • 70.
    Fontes Chaveadas -Cap. 4 CONVERSORES RESSONANTES J. A. Pomilio [4.5] F. Tsai and F. C. Lee: “A Complete DC Characterization of a Constant-Frequency, Clamped-Mode, SDeries-Resonant Converter”. Proc. Of IEEE PESC Record, April 1988, pp. 987-996. [4.6] Vieira, J.L.F.; Melo, F.E.V.; Barbi, I.: ”Conversor Série Ressonante com Grampeamento de Tensão no Capacitor”.Revista Controle e Automação, SBA, vol. 3, nº 3, Ago/Set 1992 [4.7] Vieira, J.L.F.; Barbi, I.:“Constant Frequency PWM Capacitor Voltage Damped Series Resonant Power Supply”.IEEE - APEC '92, Dallas, USA, 1991 [4.8] J. A. Pomilio e C. J. B. Pagan: "Fonte Ressonante de Alta Tensão para Laser Pulsado". Anais do 11o Congresso Brasileiro de Automática. São Paulo, 2 a 6 de Setembro de 1996. [4.9] F. S. Rafael, J. A. Pomilio, A. C. Lira and J. Apfelbaum: “A High-Voltage Resonant Converter for Pulsed Magnets”. Proc. of European Particle Accelerator Conference, Berlin, March 1992, pp. 1429-1431. http://www.dsce.fee.unicamp.br/~antenor 4-21
  • 71.
    Fontes Chaveadas -Cap. 5 CONVERSORES QUASE-RESSONANTES J. A. Pomilio 5. CONVERSORES QUASE-RESSONANTES Os conversores quase-ressonantes procuram associar as técnicas de comutação suave presentes nos conversores ressonantes às topologias usualmente empregadas e m fontes (buck, boost, Cuk, etc.). Os conversores quase-ressonantes associam às chaves semicondutoras um circuito ressonante (composto por um indutor e um capacitor) de modo que as mudanças de estado das chaves ocorram sempre sem dissipação de potência, seja pela anulação da corrente (ZCS: zero current switch), seja pela anulação da tensão (ZVS: zero voltage switch). A figura 5.1. mostra as estruturas das chaves ressonantes, as quais, substituindo os interruptores nas topologias básicas, permitem operá-los sempre com comutação suave. S Lr S Lr Cr Cr a) S Lr S Lr Cr Cr b) Figura 5.1. a) Interruptores ressonantes a corrente zero (ZCS) b) Interruptores ressonantes a tensão zero (ZVS) Se o interruptor ZCS é implementado de modo a que seja possível a passagem de corrente apenas num sentido, ele é dito de meia-onda. Se a corrente puder circular com ambas polaridades, tem-se o interruptor de onda completa, como se vê na figura 5.2. Lr Lr Cr Cr a) Lr Lr Cr Cr b) Figura 5.2. Interruptores ZCS com: a) Configuração de meia-onda e b) configuração de onda completa Da mesma forma que para os interruptores ZCS, os ZVS tem as configurações de meia-onda (nas quais a tensão sobre o interruptor só pode assumir uma polaridade) e de onda completa (quando ambas polaridades são possíveis de serem suportadas pelo interruptor), como se vê na figura 5.3. http://www.dsce.fee.unicamp.br/~antenor 5-1
  • 72.
    Fontes Chaveadas -Cap. 5 CONVERSORES QUASE-RESSONANTES J. A. Pomilio Lr Lr Cr Cr a) Lr Lr Cr Cr b) Figura 5.3. Interruptores ZVS com: a) Configuração em meia-onda e b) em onda completa A figura 5.4. mostra algumas das topologias básicas quando convertidas para operar com ZCS e ZVS. Note-se que a única alteração é a substituição do interruptor simples pelos interruptores descritos anteriormente. Lr Lr Cr Cr Buck Buck - ZCS Buck - ZVS Cr Lr Lr Boost Cr Boost - ZCS Boost - ZVS Figura 5.4. Conversores Buck e Boost nas configurações básica, ZCS e ZVS 5.1 Conversores operando com ZCS Neste tipo de conversor, a corrente produzida em uma malha ressonante flui através da chave, fazendo-a entrar e sair de condução sob corrente nula. Considerando um conversor abaixador de tensão (figura 5.5), a chave simples é substituída por uma outra que é associada ao capacitor Cr e ao indutor Lr. O indutor de filtro é suficientemente grande para considerar-se Io constante. Io + Lr Lf iL E vC Cr Cf Vo Figura 5.5. Conversor buck - ZCS http://www.dsce.fee.unicamp.br/~antenor 5-2
  • 73.
    Fontes Chaveadas -Cap. 5 CONVERSORES QUASE-RESSONANTES J. A. Pomilio 5.1.1 Conversor de meia-onda A figura 5.6. mostra as formas de onda para o conversor operando com um interruptor de meia-onda. iT 2E vC E/Zo E Io to t1 t1' t1" t2 t3 T Figura 5.6. Formas de onda para conversor buck, ZCS, meia onda Com a chave aberta, Io flui pelo diodo e vC e iL são nulas. Em t0 a chave é ligada e iT cresce linearmente. Enquanto iT<Io o diodo continua a conduzir. Em t1, iT=Io, o diodo desliga e se inicia a ressonância entre Lr e Cr. O excesso de iT em relação a Io circula por Cr, carregando-o. Em t1' tem-se o pico de iT e vC=E. Em t1'' iT se torna menor que Io e vC=2E. A corrente iT continua a cair e a diferença para Io é suprida pela descarga de Cr. Em t2 iT vai a zero e a chave desliga naturalmente, já que não há caminho para a inversão da corrente. A partir deste momento deve ser removido o sinal de acionamento do transístor. Entre t2 e t3 Cr se descarrega a corrente constante. Quando sua tensão se anula o diodo torna a entrar em condução. As equações pertinentes ao circuito são: 1 ωo = (5.1) Lr ⋅ Cr Lr Zo = (5.2) Cr O intervalo no qual o indutor se carrega linearmente é: Lr ⋅ Io t1 = (5.3) E A evolução da corrente durante o intervalo ressonante é: E i L = Io + ⋅ sin[ ωo ⋅ ( t − t1)], para t1 < t < t2 (5.4) Zo A corrente pelo interruptor se anula em: http://www.dsce.fee.unicamp.br/~antenor 5-3
  • 74.
    Fontes Chaveadas -Cap. 5 CONVERSORES QUASE-RESSONANTES J. A. Pomilio  − Zo ⋅ Io  asin  E   t2 = + t1 (5.5) ωo A tensão presente no capacitor ressonante neste instante é: v C ( t 2) = E{1 − cos[ωo ⋅ ( t 2 − t1)] } (5.6) A descarga linear do capacitor obedece à seguinte equação: Io v C = v C ( t 2) − ⋅ ( t − t 2) , para t2 < t < t3 (5.7) Cr A tensão se anula em: v C ( t 2) ⋅ Cr t3 = t2 + (5.8) Io Note que Vo é a tensão média sobre o capacitor Cr (pois a tensão média sobre Lf é nula). Como a forma de vC depende a corrente Io, a regulação deste circuito (em malha aberta) não é boa. Registre-se ainda que o capacitor fica sujeito a uma tensão com o dobro da tensão de entrada, enquanto a corrente de pico pela chave é maior do que o dobro da corrente de saída. A tensão de saída é dada por: 1 t 2   t3   Vo =  ∫ E ⋅ {1 − cos[ωo ⋅ ( t − t1)] } ⋅ dt + ∫  v C ( t 2) − Io ( t − t 2)  ⋅ dt  (5.9) T   Cr    t1 t2 Nota-se a dependência da tensão de saída com a corrente de carga (que é a que descarrega o capacitor Cr entre t2 e t3). A figura 5.7. mostra a variação de Vo (normalizada em relação à tensão de entrada) com a corrente (normalizada em relação à corrente de pico do circuito ressonante). Assim, é necessária a presença de uma carga mínima de modo que se proceda à descarga de Cr dentro do período de chaveamento. Tensão de saída normalizada (Vo/E) 0.8 0.6 0.4 0.2 2fs fs 0 0 0.2 0.4 0.6 0.8 1 Z Corrente de carga normalizada Io . E Figura 5.7. Variação da tensão de saída com a corrente da carga http://www.dsce.fee.unicamp.br/~antenor 5-4
  • 75.
    Fontes Chaveadas -Cap. 5 CONVERSORES QUASE-RESSONANTES J. A. Pomilio O funcionamento da topologia se dá com um tempo fixo de condução de transístor (entre t0 e t2). A variação da tensão de saída é feita variando-se a taxa de repetição da condução do transístor, ou seja, por modulação em freqüência. A figura 5.8. mostra a variação da tensão de saída (normalizada) com a variação da freqüência de chaveamento (normalizada em relação à freqüência de ressonância), para diferentes valores de corrente de carga (normalizada em relação a E/Zo). Tensão de saída normalizada (Vo/E) 1 0.5 0.8 0.7 0.6 0.9 0.4 0.2 0 0 0.2 0.4 0.6 0.8 1 fs f Figura 5.8. Variação da tensão de saída com a freqüência de chaveamento, para diferentes correntes de carga. Para que seja possível a ocorrência de comutação não-dissipativa, é necessário que o valor de pico da senóide de corrente, E/Zo, (que se inicia em t1) seja maior que Io, uma vez que isto garante que a evolução de iT se fará de modo a inverter sua polaridade (veja eq. 5.4). Uma outra possibilidade de se obter um circuito ZCS é mostrada na figura 5.9., alterando-se a posição do capacitor. Neste caso a máxima tensão sobre o capacitor fica limitada a +/-E. A figura 5.10. mostra as formas de onda pertinentes. Cr Lr Lf E Cf Figura 5.9. Conversor buck-ZCS 5.1.2 Conversor de onda completa Uma alteração neste circuito e que melhora sua regulação, tornando a tensão de saída menos dependente da corrente Io, consiste na inclusão de um diodo em anti-paralelo com o transístor, de modo que seja possível a inversão da corrente iT, prosseguindo o comportamento ressonante por quase todo o ciclo. A descarga linear de Cr só ocorrerá http://www.dsce.fee.unicamp.br/~antenor 5-5
  • 76.
    Fontes Chaveadas -Cap. 5 CONVERSORES QUASE-RESSONANTES J. A. Pomilio quando se anular iT, o que ocorrerá para um valor muito menor de vC, em relação ao caso anterior. vC iL +E Io T -E to t1 t1" t2 t3 Figura 5.10. Formas de onda do conversor buck-ZCS modificado. As equações são as mesmas descritas anteriormente, apenas o instante t2 é obtido para um ângulo maior que 270o (no caso de meia-onda o ângulo é menor do que 270o). A figura 5.11. mostra as formas de onda. Nota-se a redução expressiva do intervalo linear de decaimento da tensão no capacitor, o que contribui decisivamente para a redução da influência da corrente de saída sobre a tensão. iL 2E vC E Io to t1 t1' t1" t2 t3 Figura 5.11. Formas de onda da corrente e da tensão nos componentes do circuito ressonante A figura 5.12. mostra a variação da tensão de saída (normalizada em relação à tensão de alimentação) com a corrente de carga (normalizada em relação à corrente de pico do circuito ressonante), para dois valores de frequência de chaveamento. Obviamente o comportamento é muito mais independente da corrente do que o caso do conversor de meia-onda. http://www.dsce.fee.unicamp.br/~antenor 5-6
  • 77.
    Fontes Chaveadas -Cap. 5 CONVERSORES QUASE-RESSONANTES J. A. Pomilio Tensão de saída normalizada (Vo/E) 0.4 2fs 0.3 0.2 fs 0.1 0 0.2 0.4 0.6 Io Z 0.8 1 Corrente de saída normalizada . E Figura 5.12 Variação da tensão de saída com a corrente de carga. 5.2 Conversor operando com ZVS Nestes conversores o capacitor ressonante produz uma tensão nula sobre a chave, devendo ocorrer o chaveamento sob esta situação. O circuito mostrado é de uma topologia abaixadora de tensão. O funcionamento é de meia-onda, uma vez que o diodo não permite a inversão da tensão no capacitor. A corrente de saída pode ser considerada constante (Lf grande o suficiente) durante o intervalo em que ocorre a ressonância entre Lr e Cr. Io Lr iL Lf Dr + E Cf Vo Cr + vC Figura 5.13. Conversor buck-ZVS A figura 5.14. mostra as formas de onda do circuito ressonante. Inicialmente, pela chave circula Io, mantendo vC=0. Em to a chave é aberta sob tensão nula. A tensão vC cresce linearmente (com o capacitor sendo carregado por Io) até atingir a tensão de alimentação E (t=t1). Neste instante o diodo de circulação, D, fica diretamente polarizado e passa a conduzir. Cr e Lr então iniciam sua ressonância. A corrente iL diminui, enquanto a corrente que circula por D vai crescendo complementarmente, a fim de perfazer Io. Em t1', iL =0 e vC atinge seu pico, vC=E+Zo.Io. Em t1'' vC=E e iL =-Io. Em t2, vC=0 e não se inverte por causa do diodo Dr, que entra em condução, permanecendo assim enquanto a corrente iL for negativa (até t2'). Entre t2 e t2', iL varia linearmente. O sinal de comando para a entrada em condução do transístor deve ser aplicado durante a condução do diodo, de modo que, apenas a corrente pelo indutor ressonante s e inverta, em t2, o transistor entre em condução. A corrente continua crescendo de forma linear, até atingir Io, em t3, desligando o diodo de livre-circulação. http://www.dsce.fee.unicamp.br/~antenor 5-7
  • 78.
    Fontes Chaveadas -Cap. 5 CONVERSORES QUASE-RESSONANTES J. A. Pomilio vC iL Io Zo.Io E to t1 t1' t1" t2 t2' t3 T Figura 5.14. Formas de onda do conversor buck-ZVS O instante t1 é dado por: E ⋅ Cr t1 = (5.10) Io A ressonância ocorre entre os instantes t1 e t5. A tensão no capacitor obedece à seguinte equação: v C = E + Zo ⋅ Io ⋅ sin[ ωo ⋅ ( t − t1)] (5.11) O instante t2, no qual a tensão sobre o capacitor Cr se anula é: 1  −E  t 2 = t1 + ⋅ a sin  (5.12) ωo  Zo ⋅ Io  No intervalo ressonante a corrente por Lr segue a seguinte equação: i L = Io ⋅ cos[ωo ⋅ ( t − t1)] , para t1 ≤ t ≤ t2 (5.13) Após t2 e até t3 a corrente varia linearmente: E i L = i L ( t 2) + ⋅ ( t − t 2) , para t2 ≤ t ≤ t3 (5.14) Lr O instante t3 é dado por: Lr ⋅ [ Io − i L ( t 2)] t3 = t2 + (5.15) E Como as tensões médias sobre as indutâncias são nulas, a tensão de saída é a diferença entre a tensão de entrada e a tensão média sobre o capacitor ressonante. Vo = E − v C (5.16) http://www.dsce.fee.unicamp.br/~antenor 5-8
  • 79.
    Fontes Chaveadas -Cap. 5 CONVERSORES QUASE-RESSONANTES J. A. Pomilio 1  Io ⋅ t  t1 t2 Vo = E − ⋅ ∫ ⋅ dt + ∫ [ E + Zo ⋅ Io ⋅ sin[ ωo ( t − t1)] ⋅ dt  (5.17) T  0 Cr t1  A grandeza Zo.Io deve ser maior que E, caso contrário vC não irá se anular, e Dr não conduzirá, fazendo com que a entrada em condução do transístor se dê sob tensão não nula. Neste circuito, o tempo desligado da chave é constante, podendo-se variar a tensão de saída pelo ajuste da freqüência. Novamente aqui o capacitor e a chave semicondutora devem suportar uma tensão de pico com valor maior do que o dobro da tensão de entrada e que aumenta com o aumento da corrente de saída. A figura 5.15. mostra a variação da tensão de saída (normalizada em relação à tensão de alimentação) com a freqüência de chaveamento (normalizada em relação à freqüência de ressonância), para diferentes correntes de carga (normalizadas em relação a E/Zo). Nota-se que quanto maior a corrente, menor a tensão de saída. Isto se explica facilmente, uma vez que para correntes maiores o pico da tensão sobre Cr aumenta e, portanto, a tensão média sobre este capacitor, reduzindo assim a tensão de saída. Existe um limite tanto para a máxima corrente, quanto para a máxima freqüência, acima do qual a tensão média sobre o capacitor se iguala à tensão de entrada. O aumento da freqüência de chaveamento ou da corrente levaria, em princípio, a tensões negativas de saída, o que não é possível devido à existência do diodo de livre-circulação. 1 0.8 0.6 Vo/E 0.4 Io=1 0.2 Io=2.5 0 Io=5 0.2 0 0.05 0.1 0.15 0.2 0.25 fs/fo Figura 5.15. Variação da tensão de saída com a freqüência de chaveamento, para diferentes correntes de carga. 5.2.1 Conversor ZVS com limitação da sobre-tensão É possível um circuito operar em ZVS sem sobre-tensão, às custas de uma maior complexidade. Neste caso, a tensão sobre a chave não ultrapassa a tensão de alimentação. Quando a tensão sobre algum dos capacitores tende a ultrapassar E, o diodo do ramo complementar entra em condução, grampeando a tensão. A figura 5.16. mostra o circuito, enquanto na figura 5.17. tem-se as formas de onda nos componentes do circuito ressonante. http://www.dsce.fee.unicamp.br/~antenor 5-9
  • 80.
    Fontes Chaveadas -Cap. 5 CONVERSORES QUASE-RESSONANTES J. A. Pomilio i L Io S1 D1 C1 E Lf + Vo Cf S2 D2 C2 Figura 5.16. Conversor buck-ZVS com limitação da sobre-tensão v C2 E iL Io=i L S1 D2 S1 S2 C1 D1 C1 C2 C2 to t1 t2 t3 t4 t5 T Figura 5.17. Formas de onda do conversor buck-ZVS com limitação da sobre-tensão O circuito opera como um abaixador de tensão. Quando S1 ou D1 estão conduzindo, a corrente pela indutância cresce, uma vez que E>Vo. A tensão de saída é igual à tensão média sobre o capacitor C2. Consideremos, para efeito de análise do funcionamento do circuito, que vC2 seja igual à tensão de entrada, E, e que S1 esteja conduzindo. A tensão sobre o capacitor C1 é, obviamente, zero. No instante to S1 é desligado e a sua tensão terminal cresce de acordo com o processo de carga de C1. A continuidade da corrente de indutância se dá através dos capacitores: C2 vai s e descarregando e C1 vai se carregando, de modo que a soma de suas tensões seja sempre igual à tensão de alimentação. Como a corrente da indutância varia pouco, a forma observada da tensão sobre os capacitores é praticamente linear. Quando vC2 se anula (em t1) o diodo D2 entra em condução. Sobre a indutância é aplicada a tensão de saída e a corrente decai linearmente. Durante a condução de D2 é enviado sinal de acionamento para S2, o qual entra em condução apenas a corrente iL s e torne negativa (em t2). No instante t3, S2 é desligado e sua tensão terminal cresce a partir do zero, com uma inclinação que depende do valor da corrente (negativo e aproximadamente constante) pela indutância. A tensão vC2 cresce, enquanto vC1 diminui. Quando a tensão sobre C2 atinge o valor da tensão de entrada (em t4), D1 entra em condução, e a corrente de saída cresce linearmente, com uma inclinação que depende da diferença entre as tesões de entrada e de saída. Durante a condução de D1 é enviado sinal de acionamento para S1, o qual entra em condução quando a corrente se torna positiva (em t5), completando o ciclo. Este tipo de arranjo pode ser utilizado nos conversores ressonantes apresentados no capítulo anterior, quando operando em freqüência acima da freqüência de ressonância, possibilitando obter ambas comutações não-dissipativas. http://www.dsce.fee.unicamp.br/~antenor 5-10
  • 81.
    Fontes Chaveadas -Cap. 5 CONVERSORES QUASE-RESSONANTES J. A. Pomilio 5.3 Comparação entre ZCS e ZVS Ambas técnicas operam com modulação em freqüência para ajustar a tensão de saída. Em ZCS, o interruptor deve conduzir uma corrente de pico maior do que o dobro da corrente da carga. Para que seja possível o desligamento da chave com corrente nula, a corrente de saída não pode exceder o valor E/Zo, ou seja, existe uma mínima resistência de carga admissível. Por outro lado, como o capacitor ressonante se descarrega com a corrente da carga, é necessária uma mínima corrente, ou seja, uma resistência máxima deve ser especificada. A operação em onda completa praticamente elimina a dependência da tensão de saída com a carga. Em ZVS, o interruptor deve suportar uma tensão direta que é maior do que o dobro da tensão de alimentação do circuito. O pico de tensão é dado por E+Zo.Io, ou seja, quanto maior a corrente de saída, maior a tensão aplicada ao interruptor. Para que ocorra uma entrada em condução suave, existe uma corrente de saída mínima (ou seja, uma máxima resistência de carga).Caso Io cresça, a tensão sobre o interruptor também crescerá proporcionalmente. Por esta razão, esta técnica é adotada essencialmente para aplicações de carga constante. Em geral, ZVS é preferível ao ZCS para altas freqüências. A razão relaciona-se com as capacitâncias intrínsicas do interruptor. Quando a chave é ligada sob corrente nula, mas com uma tensão em seus terminais, a carga armazenada nas capacitâncias internas é dissipada sobre o componente. Este fenômeno se torna mais significativo em freqüências muito elevadas. Por outro lado, nenhuma perda ocorre em ZVS. Tipicamente, conversores ZCS são operados até freqüências de 1 a 2 Mhz, enquanto os ZVS podem atingir 10 MHz. 5.4 Introdução de controle por MLP De forma similar ao apontado para os conversores ressonantes, os conversores quase-ressonantes podem operar de modo semelhante ao MLP pela interrupção do ciclo ressonante. Para tanto é necessária a inclusão de um interruptor adicional, o qual é comandado de maneira independente do interruptor principal. 5.4.1 Conversor ZCS-MLP Considerando o caso ZCS, a introdução de uma chave em série com o capacitor possibilita interromper o processo de descarga, mantendo a tensão do capacitor no valor de pico. A figura 5.18. mostra um conversor buck-ZCS, com um interruptor auxiliar que interrompe o ciclo ressonante. O início da ressonância não é afetado, uma vez que a corrente circula pelo diodo desta chave auxiliar (Da). Quando a tensão atinge o pico e a corrente tende a se inverter, não existe caminho, uma vez que o transistor (Sa) não se encontra acionado. A figura 5.19. mostra as formas de onda da corrente por Lr, da tensão sobre Cr e da tensão sobre o diodo de saída. Recorde-se que a tensão de saída é igual à tensão média sobre o diodo, vd. Quando é interrompido o processo ressonante, a corrente da carga (praticamente contínua) continua a ser suprida pelo interruptor principal, Sp, de modo que a tensão aplicada ao diodo de saída é praticamente a tensão de alimentação. Assim, interrompendo o intervalo ressonante por um tempo cuja duração é variável, com o controle operando a freqüência fixa, tem-se o ajuste da tensão de saída por MLP. http://www.dsce.fee.unicamp.br/~antenor 5-11
  • 82.
    Fontes Chaveadas -Cap. 5 CONVERSORES QUASE-RESSONANTES J. A. Pomilio Dp iL Io + Sp Lr Lf Da Sa E Df Cf Vo vd vc Cr Figura 5.18. Conversor buck-ZCS-MLP 2E δ* vd E 2E vC iL T Figura 5.19. Formas de onda no diodo de saída e no circuito ressonante Persiste ainda a influência do intervalo de ressonância sobre a tensão de saída, que se caracteriza por um acréscimo nesta tensão em relação ao que seria a saída MLP normal, considerada um ciclo de trabalho de valor δ* . No entanto, utilizando valores elevados da freqüência de ressonância (em relação à freqüência de chaveamento), o efeito global é praticamente o de um circuito controlado em MLP, como se vê na figura 5.20. Note-se que a tensão média dentro dos intervalos ressonantes é igual à tensão de entrada, E, de modo que, do ponto de vista da tensão de saída, é como se o ciclo de trabalho fosse aumentado de uma porção equivalente a 1 ciclo ressonante.A equação 5.18. dá a expressão para o valor da tensão de saída em função de intervalo de bloqueio da ressonância (δ*) e da relação entre a freqüência de chaveamento, fs, e a freqüência de ressonância, fo.  fs  Vo = E ⋅ δ * +  (5.18)  fo  1 Vo/E 0.5 0 0.1 0.2 0.3 0.4 0.5 0.6 0.7 0.8 0.9 1 fs/fo = 0.1 δ* fs/fo = 0.001 Figura 5.20. Variação da tensão de saída com o intervalo de interrupção do ciclo ressonante, para diferentes freqüências de chaveamento http://www.dsce.fee.unicamp.br/~antenor 5-12
  • 83.
    Fontes Chaveadas -Cap. 5 CONVERSORES QUASE-RESSONANTES J. A. Pomilio 5.4.2 Conversor ZVS-MLP De forma análoga ao que foi apresentado para o conversor ZCS, é possível também alterar o conversor ZVS de modo a ter um comportamento tipicamente MLP, ou seja, que tenha a tensão de saída ajustável não pela variação da freqüência, mas pelo controle do intervalo de condução dos interruptores. A figura 5.21. mostra uma topologia de conversor abaixador de tensão para operação em MLP. A condução da chave auxiliar produz um intervalo em que se inibe a realização da ressonância entre Lr e Cr, como se pode analisar pelas formas de onda da figura 5.25. Consideremos que a chave Sp esteja conduzindo e que por ela passe a corrente de carga, Io, suposta constante. A tensão aplicada ao filtro de saída é a própria tensão de entrada (uma vez que não há queda sobre Lr). vcr Sa Cr Io Sp Lr Lf iL + + Dp E v Df Cf Ro Vo D Figura 5.21. Conversor ZVS operando em MLP A chave auxiliar, Sa, entra em condução ainda durante a condução de Sp, mas não ocorre nenhuma alteração nas formas de onda do circuito. No instante to a chave principal é aberta sob tensão nula (o capacitor Cr está descarregado). Este capacitor se carrega linearmente com a corrente de saída, fazendo com que a tensão vD se reduza da mesma forma, até que, em t1, o diodo de livre-circulação entra em condução e a corrente da saída circula por ele. Como a chave auxiliar continua conduzindo, o indutor Lr também entra num intervalo de livre-circulação até que em t2 o interruptor Saux é aberto (sob tensão nula). Sp Sa E V Cr 0 Io IL 0 V E D 0 0 V Lr to t1 t2 t3 t4 t5 T Figura 5.25. Formas de onda do conversor ZVS-MLP http://www.dsce.fee.unicamp.br/~antenor 5-13
  • 84.
    Fontes Chaveadas -Cap. 5 CONVERSORES QUASE-RESSONANTES J. A. Pomilio Inicia-se então a ressonância entre Lr e Cr. A tensão sobre o capacitor cresce ainda mais, por causa da energia presente em Lr, produzindo importante sobre-tensão sobre o interruptor principal. A tensão prossegue o comportamento oscilante até que, em t3, s e anula, levando à condução o diodo em anti-paralelo com a chave principal, por onde passa a circular a corrente presente em Lr. Esta corrente assume uma variação linear. Durante a condução do diodo envia-se o sinal de comando para o interruptor, o qual entra e m condução apenas a corrente se torne positiva (em t4). A corrente de entrada cresce até atingir o nível da corrente de saída, quando o diodo de livre-circulação desliga, completando o ciclo (em t5). Nota-se que a tensão sobre o diodo obedece à tensão de comando de S, a menos de atrasos, que dependem do circuito ressonante e dos parâmetros do circuito (como a tensão de entrada, a corrente de carga, etc.). 5.5 Referências Bibliográficas [5.1] Lee, F.C.: ”High-Frequency Quasi-Resonant Converter Technologies”. Proc. of IEEE, vol. 76, no. 4, April 1988, pp. 377-390 [5.2] D. Maksimovic and S. Cuk: “A General Approach to Synthesis and Analysis of Quasi-Resonant Converters”. IEEE Trans. On Power Electronics, vol.6, no. 1, Jan. 1991, pp. 127-140. [5.3] I. Barbi, J. C. Bolacell, D. C. Martins, F. B. Libanio: “Buck Quasi-Resonant Converter Operating at Constant Frequency: Analysis, Design, and Experimentation”. IEEE PESC’89, pp. 873-880. [5.4] D. Maksimovic and S. Cuk: “Constant-Frequency Control of Quasi-Resonant Converter”. IEEE Trans. On Power Electronics, vol 6. No. 1, Jan. 1991, pp. 141- 150. http://www.dsce.fee.unicamp.br/~antenor 5-14
  • 85.
    Fontes Chaveadas -Cap. 6 OUTRAS TOPOLOGIAS COM COMUTAÇÃO NÃO-DISSIPATIVA J. A. Pomilio 6. OUTRAS TOPOLOGIAS COM COMUTAÇÃO NÃO-DISSIPAT I VA 6.1 Inversor pseudo-ressonante Um inversor pseudo-ressonante [6.1] é composto por um conversor em ponte, possuindo, adicionalmente, um indutor e um capacitor em paralelo com a carga, com objetivo de proporcionar comutação sob tensão nula. A carga é tipicamente do tipo fonte de corrente, ou seja, apresenta uma elevada impedância dinâmica, absorvendo uma corrente constante. T1 e T3 são mantidos em condução até que a corrente iL (que circula por Lr) seja positiva e com valor igual a I p. Durante este intervalo, a tensão sobre o capacitor é +E. Desligando ambos transistores, a corrente do indutor passará a circular por Cr de uma maneira ressonante, invertendo a tensão no capacitor para -E. Quando a tensão atinge este valor os diodos D2 e D4 entram em condução, o que causará a redução de iL de uma forma linear. T2 e T4 devem receber um comando para ligarem durante a condução dos diodos, entrando em condução quando a corrente se inverter, sem dissipar potência, e iniciando o semi-ciclo negativo. T1 D1 D2 T2 Lr iL A Cr B E + - Ia T4 CARGA T3 D4 D3 Figura 6.1. Inversor pseudo-ressonante Como se vê na figura 6.2., a tensão sobre a carga é praticamente quadrada e a freqüência de ressonância é muitas vezes maior que a freqüência de chaveamento. Com um acionamento adequado das chaves este conversor pode operar em MLP, produzindo saídas em baixa freqüência, se desejado. O uso de um retificador como carga leva à implementação de um conversor CC-CC. A substituição da fonte de tensão por uma de corrente permite sintetizar um conversor com operação ZCS. V AB E +Ip iL T2 D1 T4 D3 T1 D2 T3 D4 -Ip -E Ressonante (Cr) Figura 6.2. Formas de onda do inversor pseudo-ressonante http://www.dsce.fee.unicamp.br/~antenor 6-1
  • 86.
    Fontes Chaveadas -Cap. 6 OUTRAS TOPOLOGIAS COM COMUTAÇÃO NÃO-DISSIPATIVA J. A. Pomilio A obtenção de comutação suave exige um valor mínimo para a corrente de pico dado por: Cr Ip ≥ Ia + 2 ⋅ E ⋅ (6.1) Lr 6.2 Conversor ressonante “single-ended” Diferentemente do que foi visto para os conversores ressonantes, estudados anteriormente, estes inversores “single-ended” apresentam apenas um interruptor comandado e a inversão da tensão sobre a carga se dá pela ocorrência da própria ressonância [6.2]. Estes circuito são comumente utilizados em conversores para aquecimento indutivo em alta freqüência, de forma que a carga equivalente é uma resistência, associada às potência consumida no aquecimento A figura 6.3. mostra uma topologia (alimentada em tensão) destes conversores, chamada de regenerativa (por permitir a inversão no sentido da corrente). Lr carga IL Cr + Vc E Figura 6.3. Conversor ressonante “single-ended” A figura 6.4. mostra as formas de onda da corrente pelo indutor e da tensão aplicada à carga. i L vC E D T t1 t2 t3 t4 T Figura 6.4. Formas de onda do conversor ressonante “single-ended” Quando conduz o transistor a tensão de entrada é aplicada à carga (e também ao circuito ressonante). O capacitor se encontra carregado e vC = E. A corrente pelo indutor cresce linearmente. Quando o transistor é desligado, em t1, o faz sob tensão nula. A corrente da indutância circula pela carga e pelo capacitor, de modo ressonante. A tensão http://www.dsce.fee.unicamp.br/~antenor 6-2
  • 87.
    Fontes Chaveadas -Cap. 6 OUTRAS TOPOLOGIAS COM COMUTAÇÃO NÃO-DISSIPATIVA J. A. Pomilio vC se torna negativa, atingindo um pico, em t2, cujo valor é muito superior à tensão de entrada (em função das condições iniciais da corrente do indutor e da tensão do capacitor). A ressonância prossegue e a tensão volta a ser positiva. Quando atinge um valor igual ao da tensão de entrada (em t3) o diodo entra em condução, mantendo vC constante. Durante a condução do diodo é enviado o comando para ligar o transistor, o que ocorre apenas quando a corrente se torna positiva (em t4), reiniciando o ciclo. 6.3 Conversor semi-ressonante Considerando o conversor elevador de tensão convencional, a corrente de entrada Ii é composta por uma fonte de tensão, E, associada em série com um indutor Lr. Sendo Lr suficientemente pequeno para permitir operação no modo descontínuo, no momento da entrada em condução da chave não ocorre dissipação de potência, o que ocorrerá no desligamento. Lr + + Ii Co Vo E Co Vo Figura 6.5. Conversor boost Considere-se um capacitor Cr cujo valor forme um circuito ressonante juntamente com Lr, cuja freqüência seja maior do que a freqüência de operação do conversor. Existem 3 possibilidades de colocação de Cr no circuito de modo a obter comutação ZVS. A chave S deve ser bidirecional em corrente ou em tensão [6.3]. Cr Lr Lr Lr + + Cr + S E S Co Vo E Cr Co Vo E S Vo Co (a) (b) (c) Figura 6.6. Possibilidades de conversor boost semi-ressonante Os conversores semi-ressonantes necessitam de uma quantidade menor de componentes passivos do que os quase-ressonantes equivalentes, e são particularmente adequados às aplicações de baixa potência, podendo operar em freqüências elevadas (na faixa de MHz). http://www.dsce.fee.unicamp.br/~antenor 6-3
  • 88.
    Fontes Chaveadas -Cap. 6 OUTRAS TOPOLOGIAS COM COMUTAÇÃO NÃO-DISSIPATIVA J. A. Pomilio Nas diferentes topologias geradas, um dos elementos ressonantes opera també m como elemento de armazenamento de energia e filtro. O processamento de energia entre duas fontes de corrente leva a um circuito similar, mas operando em ZCS. Consideremos o circuito da figura 6.6.b. Se o interruptor for um transistor MOSFET, a exigência de uma bidirecionalidade de corrente é atendida. Além disso, a capacitância do dispositivo é absorvida pelo capacitor ressonante, de modo que os elementos parasitas do componente afetam positivamente o desempenho do conversor. A figura 6.7. mostra formas de onda no circuito. Consideremos que o transistor está conduzindo e que no instante t1 ele é desligado. Como o capacitor Cr está descarregado, esta comutação é do tipo ZVS. O capacitor se carrega de modo ressonante até que sua tensão atinja a tensão da carga (em t2), quando o diodo de saída entra em condução e energia é transferida para a saída. A tensão sobre Lr se torna constante e a corrente de entrada decai linearmente. No instante t3 esta corrente se inverte, desligando o diodo de saída. Volta a ocorrer ressonância, reduzindo a tensão sobre Cr. Em t4 esta tensão se anula e o diodo em anti-paralelo com o transistor conduz. A corrente passa a crescer linearmente. Durante a condução deste diodo é enviado o sinal de comando para o MOSFET, o qual entra em condução apenas a corrente se torne positiva, em t5, reiniciando o ciclo. A entrada em condução do transistor é ZCS. A inversão da polaridade da corrente de entrada obviamente exige uma fonte receptiva à regeneração de potência. A operação no modo descontínuo faz com que ocorra um “stress” de corrente pelos componentes. No entanto, em aplicações de baixa potência e alta freqüência, é uma topologia interessante. Vo vc iL S Do S Ds Cr t1 t2 t3 t4 t5 T Cr Figura 6.7. Formas de onda de conversor boost semi-ressonante. 6.4 Características desejáveis de topologias com comutação suave Existe uma infinidade de topologias propostas na literatura que permitem obter comutações suaves dos interruptores. Uma questão que se coloca, assim, é como compará-las. São indicados a seguir alguns critérios que podem ser levados e m consideração. • Comutações ZVS são, em príncípio, preferíveis para os componentes com maior capacitâncias (MOSFET); • Comutação ZCS é preferível para componentes com "rabo de corrente" (IGBT); • A quantidade de novos elementos ativos (principalmente transistores) deve ser mínima; http://www.dsce.fee.unicamp.br/~antenor 6-4
  • 89.
    Fontes Chaveadas -Cap. 6 OUTRAS TOPOLOGIAS COM COMUTAÇÃO NÃO-DISSIPATIVA J. A. Pomilio • A quantidade de elementos indutivos adicionais deve ser mínima; • A quantidade total de novos elementos deve ser mínima; • Caso existam transistores adicionais, eles devem, preferivelmente, estar no mesmo potencial de acionamento de um dos transistores da topologia original; • O sinal de comando do(s) transistor(es) adicional(is) deve, de preferência, ser síncrono com o sinal de um dos transistores originais. Se puder ser o mesmo sinal, melhor; • A topologia modificada deve permitir comutação suave para todos os componentes ativos, inclusive os adicionais; • O circuito modificado deve, preferivelmente, continuar operando com o mesmo tipo de modulação do circuito original; • O circuito adicional não deve promover aumento nas exigências de tensão e de corrente dos componentes do circuito original; 6.5 Conversor ZVS Quase-onda-quadrada, MLP (ZVS - QSC - MLP)) De modo semelhante aos conversores semi-ressonantes, esta família de circuitos também faz com que o indutor funcione tanto como elemento armazenador de energia a ser transferida à saída como componente do circuito ressonante. A figura 6.8. mostra um conversor abaixador de tensão, enquanto na figura 6.9. tem-se algumas formas de onda. Note-se que a capacitância do interruptor principal é absorvida pelo capacitor ressonante. A principal diferença com os conversores semi-ressonantes é que o interruptor auxiliar, S1, permite a operação com freqüência fixa, ou seja, MLP. Cr ID IL L Is S Vs + E D1 S1 Vs1 Co Vo Is1 Figura 6.8. Conversor buck ZVS-QSC No instante to o interruptor principal, S, é desligado. A presença de Cr garante um comportamento ZVS. O diodo D1 só entrará em condução quando Vs atingir o valor da tensão de entrada, o que ocorre em t1. No intervalo entre t1 e t2 a tensão aplicada sobre o indutor é negativa, de modo que sua corrente se reduz. O sinal de acionamento para o interruptor auxiliar, S1, é enviado durante este intervalo, de modo que quando a corrente se tornar negativa, possa fluir por ele. Antes do início da próxima condução de S, S1 deve ser desligado, o que produz uma nova ressonância entre L e Cr. A tensão sobre Cc se reduz e, quando atinge zero (instante t3), leva o diodo em anti-paralelo com a chave à condução.Enquanto a corrente for ainda negativa, envia-se o sinal de acionamento para S, o qual entra em condução apenas a corrente se inverta, completando o ciclo. http://www.dsce.fee.unicamp.br/~antenor 6-5
  • 90.
    Fontes Chaveadas -Cap. 6 OUTRAS TOPOLOGIAS COM COMUTAÇÃO NÃO-DISSIPATIVA J. A. Pomilio S S1 V S1 E I L 0 Vs=Vcr E Is+ID 0 S D1 S1 Cr D S to t1 Cr t1' t2 t3 T Figura 6.9. Formas de onda de conversor ZVS-QSC-MLP Como vantagens deste tipo de conversor pode-se citar: • ZVS para ambos interruptores • Não ocorre “stress” de tensão (em relação a um conversor MLP simples) • Fluxo de potência bidirecional. Como desvantagens tem-se: • “Stress” de corrente nos transistores. Como a corrente da carga é a corrente média pelo indutor, e como a corrente pelo indutor deve poder se tornar negativa, o pico de iL é. obviamente, muito maior do que a corrente de saída. • Elevada ondulação das correntes de entrada e de saída. • Sinais de comando distintos • Interruptores com emissor (ou source) em potenciais diferentes. Isto torna necessário circuitos de acionamento com fontes isoladas para cada interruptor. 6.6 Conversores MLP com transição sob tensão nula (ZVT-MLP) A figura 6.10. mostra um conversor elevador de tensão que difere de uma topologia MLP convencional pela adição de uma rede ressonante auxiliar [6.5], composta, além do Lr e Cr, do interuptor S2 e dos diodos D2 e D3. Diferentemente do que ocorre nos conversores que empregam chaves ressonantes (ZVS), aqui se faz a introdução de um circuito auxiliar que se comporta como uma espécie de “snubber” ativo, que reduz a potência a ser dissipada sobre o interruptor e envia essa energia para a carga ou para a fonte. Embora o exemplo utilizado seja de um conversor elevador de tensão, pode-se aplicar este princípio a qualquer das topologias. http://www.dsce.fee.unicamp.br/~antenor 6-6
  • 91.
    Fontes Chaveadas -Cap. 6 OUTRAS TOPOLOGIAS COM COMUTAÇÃO NÃO-DISSIPATIVA J. A. Pomilio VD Li Is Do Ii Lr + Cr I L E Vs Vo Co Ro S2 D3 S1 D 1 D2 Figura 6.10. Conversor boost ZVT-MLP A figura 6.11. mostra algumas formas de onda referentes a este conversor. A figura 6.12. mostra os diferentes circuitos referentes a cada intervalo de funcionamento do circuito. S1 hard S2 I Lr Ii Is 0 Vo VD 0 VS S2 S2 S2 D1 S1 S1 Do Do Lr D1 D3 D3 Cr Lr Cr to t1 t2 t3 t4 t5 t6 T Figura 6.11. Formas de onda de conversor boost ZVT-PWM Consideremos que inicialmente ambos interruptores estejam desligados e que a corrente circula pelo diodo de saída. A indutância de entrada é suposta suficientemente grande para se poder desconsiderar a ondulação de sua corrente. No instante to o interruptor auxiliar, S2, entra em condução. A corrente por Lr cresce linearmente até atingir o nível da corrente que circulava pelo diodo, Ii, desligando-o. Este intervalo é dado por: Ii ⋅ Lr t1− to = (6.2) Vo http://www.dsce.fee.unicamp.br/~antenor 6-7
  • 92.
    Fontes Chaveadas -Cap. 6 OUTRAS TOPOLOGIAS COM COMUTAÇÃO NÃO-DISSIPATIVA J. A. Pomilio Ii Ii Cr Ii Vo Lr Lr Lr to a t1 t1 a t2 t2 a t3 Lr Ii Ii Ii Cr Ii Vo Vo t3 a t4 t4 a t5 t5 a t6 t6 a T Figura 6.12. Circuitos equivalentes a cada intervalo de funcionamento. A corrente I Lr continua a crescer, agora com um comportamento ressonante. Cr, que estava carregado, se descarrega até zerar sua tensão (em t2), quando o diodo D1 entra em condução. π t 2 − t1 = ⋅ Lr ⋅ Cr (6.3) 2 Para obter uma entrada em condução não dissipativa, o sinal de comando de S1 deve ser aplicado durante a condução de D1 (ou seja, após t2). Entre t2 e t3 conduzem S2 e D1, de modo que a tensão sobre Lr é nula e a corrente por ele se mantém constante. Em t3, S2 é desligado, o que força a corrente iLr a circular por D3, fazendo-a decair linearmente. Isto provoca um desligamento dissipativo de S2, uma vez que a tensão sobre este interruptor cresce para o valor da tensão de saída. Entre t3 e t4 a corrente Is se torna positiva, passando a circular por S1. Quando a corrente I Lr se anula, D3 desliga, em t4. Como S1 está conduzindo, energia está sendo armazenada na indutância de entrada, até que, em t5, S1 é desligado. Como Cr está descarregado, esta desligamento é sob tensão nula. Em t6 a tensão Vs atinge o valor da tensão de saída e o diodo Do entra em condução, completando o ciclo. Como vantagens deste tipo de comutação pode-se citar: • Comutação suave (ZVS) tanto para o interruptor principal quanto para o diodo de saída. Isto é especialmente interessante em aplicações com tensão elevada (como e m PFP), uma vez que a capacitância do diodo produz muitos problemas no desligamento. • Mínimo “stress” de tensão e de corrente. Não ocorre aumento nos valores máximos de tensão e de corrente a serem suportados pelos componentes além dos limites de um conversor MLP convencional. • Comutação suave para uma ampla variação de tensão de entrada e de corrente de saída Como é claro das formas de onda, a tensão média de saída (igual à tensão de entrada somada à tensão média sobre o diodo Do) depende da duração dos intervalos (t3-t2) e (t6-t5). O primeiro tem duração constante (eq. 6.2) e o segundo depende da intensidade da corrente de saída. No entanto, a ocorrência de comutação suave não depende da corrente de carga ou da tensão de entrada, fato que ocorre em outros tipos de conversores. • Interruptores referenciados a um mesmo potencial, facilitando o acionamento. http://www.dsce.fee.unicamp.br/~antenor 6-8
  • 93.
    Fontes Chaveadas -Cap. 6 OUTRAS TOPOLOGIAS COM COMUTAÇÃO NÃO-DISSIPATIVA J. A. Pomilio Como desvantagens pode-se citar: • Sinais de comando são distintos. • Desligamento dissipativo do interruptor auxiliar 6.7 Conversores MLP com transição sob corrente nula (ZCT-PWM) Assim como técnicas de comutação a tensão nula tem um interesse adicional e m aplicações que usam MOSFET, uma vez que a energia presente nas capacitâncias do componente são absorvidas, técnicas de comutação, especialmente o desligamento, a corrente nula são mais interessantes para circuitos que operam com IGBT, uma vez que anulam os efeitos das perdas decorrentes do “rabo” de corrente presente na corrente de coletor deste tipo de componente. Ressalte-se, no entanto, que novas gerações de IGBTs tem apresentado importantes reduções neste fenômeno, com processos de desligamento bastante velozes [6.6]. Analogamente ao que foi descrito para a técnica de ZVT, os circuitos que utilizam ZCT utilizam componentes que formam um circuito auxiliar que tem como função desviar a corrente do interruptor principal antes de seu desligamento, de modo a que a comutação se dê sem perdas. Além disso, devem também, idealmente, propiciar uma entrada e m condução não dissipativa. A figura 6.16. mostra um conversor elevador de tensão operando com desligamento do interruptor principal sob corrente nula. Outras topologias podem empregar o mesmo princípio de operação que será descrito a seguir. Note-se a presença de uma chave adicional, além de diodos e do circuito ressonante. Este circuito ressonante é ativado apenas durante alguns instantes de modo a criar as condições para o desligamento a corrente nula da chave principal. Consideremos na análise que a corrente de entrada é constante. A figura 6.14. mostra algumas formas de onda pertinentes ao circuito, enquanto na figura 6.15. temos os circuitos equivalentes em cada fase de operação. Li Is Do Ii Lr + IL + Co E Vc Cr Vs Ro Vo S1 D 1 D3 D2 S2 Figura 6.16. Conversor boost ZCT-PWM. Consideremos que inicialmente a chave principal, S1, está conduzindo e que por ela passa uma corrente constante, Ii, que é a corrente de entrada. Suponhamos que o capacitor ressonante, Cr, está carregado com uma tensão negativa de valor Vp. No instante to o interruptor auxiliar S2 entra em condução, iniciando a ressonância entre Lr e Cr. Esta ressonância força a redução da corrente por S1 de uma forma senoidal. Após 1/4 de período a corrente ressonante atinge seu valor máximo e a tensão sobre Cr se anula. O valor deste pico de corrente deve ser maior do que a corrente de entrada de modo que seja http://www.dsce.fee.unicamp.br/~antenor 6-9
  • 94.
    Fontes Chaveadas -Cap. 6 OUTRAS TOPOLOGIAS COM COMUTAÇÃO NÃO-DISSIPATIVA J. A. Pomilio possível anular a corrente por S1 e fazê-la passar a circular pelo diodo em anti-paralelo, a partir de t1. Durante a condução deste diodo se retira o sinal de comando de S1. Em t2 a corrente IL é igual a Ii (e está diminuindo), de modo que Do entra em condução. td S1 S2 Vs Vo Vp Vc "hard" Is Ii IL S1 Do S1 S1 to t1 t2 t3 D2 t4 T Lr Cr Figura 6.14. Formas de onda de conversor boost ZCT-PWM. S2 Is Do Ii IL S1 Do S2 D1 D3 S2 to t1 t2 t2' t2" Fig. 6.14.a Detalhe durante a condução de S2 Vp IL = (6.4) pico Zo Lr Zo = (6.5) Cr O desligamento de S2 ocorre ainda quando I L >0 e é dissipativo, uma vez que a tensão terminal sobre este componente cresce para o valor da tensão de saída com a entrada em condução de D3. O tempo transcorrido entre o desligamento de S1 e de S2 (td) determina o valor da tensão sobre Cr. Observe que enquanto S2 conduzir Cr vai s e http://www.dsce.fee.unicamp.br/~antenor 6-10
  • 95.
    Fontes Chaveadas -Cap. 6 OUTRAS TOPOLOGIAS COM COMUTAÇÃO NÃO-DISSIPATIVA J. A. Pomilio carregando com uma corrente constante igual a Ii. Quando a corrente ressonante se tornar menor do que a corrente de entrada Do entra em condução. Em regime, a tensão com que o capacitor se carrega, Vp, é menor do que Vo de modo que se pode escrever: Ii ⋅ Zo Vp = (6.6)  t  cos 2 ⋅ π ⋅ d   To To = 2 ⋅ π ⋅ Lr ⋅ Cr (6.7) Entre t2 e t3 conduz apenas o diodo Do, enviando energia para a saída. Em t3, S1 é ligado de modo dissipativo. Por ele passa a corrente de entrada que se soma à corrente da ressonância que se reinicia. A tensão Vc torna a se inverter e em t4 completa-se o meio-ciclo ressonante, com uma tensão igual a -Vp. A corrente por S1 torna-se igual à corrente de entrada e mantém-se assim até o interruptor S2 seja ligado, completando o ciclo. Pelas formas de onda de I L e de Vc, nota-se que a energia presente no circuito ressonante, em regime, é constante, de modo que não existe transferência de energia do circuito ressonante para o restante do circuito. Ii Lr Ii Lr Vo Cr + Cr to a t1 t1 a t2 Ii Lr Ii Vo Ii + Cr t2 a t3 t3 a t4 t4 a T Figura 6.15. Circuitos equivalentes em cada fase de operação. Como vantagens deste circuito pode-se mencionar: • Desligamento sob corrente nula do interruptor principal • Não ocorre “stress” de tensão sobre os componentes • Não existe energia reativa circulando pelo circuito • Corrente RMS pelo interruptor não se altera em relação ao circuito MLP, apesar do pico de corrente na entrada em condução. • Ampla faixa de variação para a carga e a entrada. • Sinais de comando aplicados com um mesmo referencial. Como desvantagens tem-se: • A entrada em condução do interruptor principal e o desligamento do diodo de saída são dissipativos http://www.dsce.fee.unicamp.br/~antenor 6-11
  • 96.
    Fontes Chaveadas -Cap. 6 OUTRAS TOPOLOGIAS COM COMUTAÇÃO NÃO-DISSIPATIVA J. A. Pomilio • Capacitâncias parasitas não são absorvidas pelo circuito • Sinais de comando não simultâneos. 6.8 Exemplos de outros circuitos de auxílio à comutação 6.8.1 Fonte de corrente com alto fator de potência, baseado em conversor Cuk A topologia estudada é essencialmente um conversor Cuk com transformador, tendo na entrada um retificador trifásico. As indutâncias de entrada são colocada em série com cada fase da alimentação, conforme mostrado na figura 6.16. A saída opera como fonte de corrente [6.7]. Ir + Ua - + Ub - Li Ca Cb L va - L S + vb D UD Us Ls vc - - + RL UL N:1 IL + Figura 6.16. Conversor Cuk, isolado, com entrada trifásica e carga indutiva Esta topologia apresenta vários aspectos interessantes: alto fator de potência (desde que se opere em condução descontínua nos indutores de entrada), uma única chave comandada, controle com frequência fixa, isolação em alta frequência. Como pontos negativos tem-se a comutação dissipativa e o "stress" de tensão e de corrente a que fica sujeito o interruptor. O uso deste conversor como fonte de tensão já foi descrito anteriormente [6.7] [6.8]. Devido à isolação em alta frequência, aplicações ficam limitadas a potências relativamente baixas (1 ou 2 kW). Considera-se uma carga indutiva. Nestes casos, o valor da corrente de saída pode ser fixo ou sujeito a ajustes. O equacionamento desenvolvido na sequência é feito a partir das seguintes suposições: condução descontínua nos indutores de entrada (para que as correntes médias de entrada sejam senoidais) ; condução contínua no diodo de saída (durante o tempo e m que o interruptor S está aberto, há sempre corrente por D); tensão constante, com ondulação desprezível nos capacitores; interruptores ideais; operação em regime. O ciclo de trabalho é denominado δ. O período de chaveamento, T. A tensão de alimentação (valor RMS de linha), V. L L é a indutância da carga e RL sua componente resistiva. A ondulação na corrente de saída é suficientemente pequena para se poder considerar I L constante. Demonstra-se que a relação entre a corrente de saída e a largura de pulso é constante, o que é um resultado bastante interessante do ponto de vista da característica estática do conversor. I L = K.δ (6.8) O valor de K é dado por: http://www.dsce.fee.unicamp.br/~antenor 6-12
  • 97.
    Fontes Chaveadas -Cap. 6 OUTRAS TOPOLOGIAS COM COMUTAÇÃO NÃO-DISSIPATIVA J. A. Pomilio 6⋅V  4 ⋅ RL ⋅ T ⋅ N 2  K= ⋅ 1 + 1 +  (6.9) 4 ⋅ N ⋅ RL  3⋅ Li   Demonstra-se também que: Us = K.RL .N (6.10) Este é outro resultado importante, qual seja, a tensão a ser suportada pelo interruptor é constante, diferentemente do que ocorre no caso de fonte de tensão, quando a tensão cresce com a diminuição de δ. a) A comutação O fato de o transistor estar submetido a uma tensão elevada praticamente impõe o uso de um IGBT, uma vez que um MOSFET para tal tensão, tipicamente apresenta uma elevada resistência de condução. O processo de desligamento de um IGBT, por sua vez, apresenta um fenômeno de "tail" de corrente, que pode tornar as perdas de desligamento bastante significativas. Por esta razão, a busca de uma alternativa para se obter comutação suave, especialmente no desligamento, se torna importante [6.9]. No que se refere à entrada e m condução, uma possibilidade de que seja suave, é que se realize a corrente nula [6.10], o que pode ocorrer se se permitir um comportamento de condução descontínua na saída. O uso de comutação suave permite ainda uma relativa redução nos níveis de interferência eletromagnética [6.11]. A necessidade de filtros na entrada do circuito (trifásico), a fim de obter uma corrente praticamente senoidal na rede também auxilia a redução da IEM conduzida. b) O circuito de proteção contra sobre-tensão e seu emprego para obter desligamento a tensão nula A figura 6.18. mostra as principais formas de onda do circuito, enquanto o diagrama do conversor está na figura 6.19., indicando o circuito não-dissipativo empregado para a limitação dos picos de tensão que ocorrem no desligamento da chave S, devido, principalmente, à indutância de dispersão do transformador. É possível, mantendo a capacidade de limitação do pico de tensão, fazer este circuito funcionar de modo a garantir um desligamento da chave S sob tensão nula. Observe-se que o desligamento é a comutação mais crítica, uma vez que ocorre quando a corrente pela chave é máxima, quando ocorrem sobre-tensões e quando existe o fenômeno de rabo da corrente do IGBT. Para a análise da figura 6.18., suponhamos inicialmente que a indutância de dispersão seja nula. Consideremos que ao final do intervalo em que o transistor está desligado a corrente de saída do retificador seja nula, que a tensão Uc seja igual à tensão de saída refletida ao primário e que o diodo de saída esteja em condução. Quando S entra em condução, o capacitor Cc ressoa com Lc. Pelo interruptor circula a soma da corrente do retificador com a componente ressonante e com a corrente de saída refletida (D é bloqueado). No instante T1 a tensão Uc atinge o valor -Ua e o diodo D1 entra em condução. Supondo Ca>>Cc, a tensão sobre Lc se torna praticamente constante (igual a Ua) e sua corrente decai linearmente. Ao final do tempo de condução (T2), o transistor se abre sob tensão nula. O capacitor Cc se carrega com uma corrente praticamente constante. Em T3 a tensão no primário atinge o valor da tensão de saída http://www.dsce.fee.unicamp.br/~antenor 6-13
  • 98.
    Fontes Chaveadas -Cap. 6 OUTRAS TOPOLOGIAS COM COMUTAÇÃO NÃO-DISSIPATIVA J. A. Pomilio (refletida), levando o diodo de saída à condução. No intervalo entre T3 e T6 a corrente do retificador vai a zero. Na verdade, a presença da indutância de dispersão faz com que, no instante T3, ao ocorrer a inversão do sentido da corrente pelos enrolamentos do transformador, surja um pico de tensão, o qual é limitado pela presença do capacitor Cc, e eleva sua tensão acima do valor N.UL . Figura 6.18. Principais formas de onda do conversor com circuito auxiliar. Caso ideal (sem sobre-tensão) ir + Ua - + Ub - va Ca Cb ia Li N:1 D2 D1 LL + vb Lc i l Us D - S - + ic RL UL vc Uc Cc IL + - Figura 6.19. Conversor com circuito para desligamento a tensão nula A condição para que se obtenha sempre desligamento a tensão nula é: Uc > Ua (6.11) Sem considerar a sobre-tensão, esta condição equivale a δ > 0,5. http://www.dsce.fee.unicamp.br/~antenor 6-14
  • 99.
    Fontes Chaveadas -Cap. 6 OUTRAS TOPOLOGIAS COM COMUTAÇÃO NÃO-DISSIPATIVA J. A. Pomilio Esta restrição não é muito severa pois, via de regra, para um melhor aproveitamento do material magnético do transformador, a operação em regime se faz e m torno deste ponto. Já para situações transitórias, em que o ciclo de trabalho é menor do que 50%, o que ocorre é que a tensão com a qual Cc se carrega é inferior àquela necessária para realizar a comutação sem perdas, constituindo-se num fator de redução das perdas de desligamento, mas não sua eliminação. Considerando a presença da sobre-tensão, o máximo ciclo de trabalho que ainda garante uma comutação sob tensão nula será inferior a 50% A amplitude da tensão sobre o capacitor Cc depende do valor de sua capacitância. Com uma dada indutância de dispersão a tensão pode ser expressa em função da impedância do circuito formado por Cc e a referida indutância, chamada aqui de Ld. Ld  I L  Uc = U L ⋅ N + ⋅ + Îr (6.12) Cc  N  Como se nota na figura 6.18., a presença do capacitor Cc retarda ligeiramente a entrada em condução do diodo de saída, o que significa, do ponto de vista da carga, um maior ciclo de trabalho em relação àquele do transistor. c) Resultados experimentais Os resultados experimentais apresentados a seguir foram colhidos em um conversor operando com as seguintes características: Tensão de entrada: 220V (valor RMS de linha) Frequência de chaveamento: 50kHz Corrente nominal de saída: 10A Carga: 4Ω, 4mH (400 W) Ca: 1µF; Cb: 56µF; Cc:20nF Li: 330µH; Ls:50µH ; Lc: 160µH N: 7,4 A figura 6.20. mostra a corrente e a tensão no capacitor do circuito de limitação da sobre-tensão. Nota-se a corrente praticamente constante que circula por ele no intervalo de carga da capacitor. A descarga ocorre de modo ressonante até que a tensão negativa s e iguale à tensão Ua, quando a corrente praticamente cessa de circular por Cc. iC 0 uC 0 Figura 6.20. Corrente e tensão no capacitor Cc (5A/div) e (200V/div) Horiz.: 4µs/div. http://www.dsce.fee.unicamp.br/~antenor 6-15
  • 100.
    Fontes Chaveadas -Cap. 6 OUTRAS TOPOLOGIAS COM COMUTAÇÃO NÃO-DISSIPATIVA J. A. Pomilio A figura 6.21. mostra corrente e tensão sobre o IGBT, vendo-se claramente o desligamento sob tensão nula e o rabo de corrente. Note-se que a corrente inicial não é nula, apresentando um valor igual à corrente de saída refletida ao primário do transformador. A sobre-tensão é de aproximadamente 150V. A eficiência medida do conversor, à potência nominal foi de 90%. O fator de potência medido, à potência nominal foi de 0,98. i s 0 Us 0 Figura 6.21. Corrente (2A/div) e tensão (200V/div) no interruptor. Horiz.: 4µs/div 6.8.2 Fonte de Tensão com comutação suave utilizando conversor com capacitor flutuante A figura 6.22 mostra conversores Cuk e SEPIC modificados, ditos com capacitor flutuante [6.12], operando como fonte de tensão regulada. O circuito possui 2 interruptores os quais controlam, respectivamente, os estágios de entrada e de saída, de maneira independente. A topologia permite uma isolação em alta freqüência e o circuito, com o comando adequado, possibilita comutações suaves sem aumento nos esforços dos componentes e sem a necessidade de circuitos adicionais [6.13]. + Vb - io Li Lo ii Cb To Vi Ti Di Do Vo (a) + Vb - Li Cb Do ii To Vi Ti Di Lo Vo io (b) Figura 6.22 Conversores Cuk (a) e SEPIC (b) com capacitor flutuante. http://www.dsce.fee.unicamp.br/~antenor 6-16
  • 101.
    Fontes Chaveadas -Cap. 6 OUTRAS TOPOLOGIAS COM COMUTAÇÃO NÃO-DISSIPATIVA J. A. Pomilio 6.8.2.1 Conversor Cuk com capacitor flutuante operando em CCM Em CCM, a característica estática do conversor Cuk tradicional (sem To e Do), para um ciclo de trabalho δi aplicado ao interruptor Ti , é: δi Vo = Vi ⋅ (6.13) 1 − δi A presença de To e Do introduz um novo intervalo controlável no qual o capacitor Cb permanece desconectado do circuito. O estágio de entrada realiza uma função elevadora de tensão, tendo a tensão sobre Cb como saída.: Vi Vb = (6.14) 1− δ i O estágio de saída tem uma característica abaixadora de tensão em relação a Vb: Vo = Vb ⋅ δ o (6.15) onde δo é o ciclo de trabalho de To. A relação entre a entrada e a saída mantém uma característica elevadora- abaixadora de tensão, mas com dois comandos separados: Vo δo = (6.16) Vi 1 − δ i Os sinais de acionamento são síncronos. Para a correta operação do conversor é necessário que: δi ≥ δo (6.17) A razão para isto é que o capacitor Cb só se encontra conectado de forma a enviar energia para o estágio de saída durante a condução de Ti . Quando o diodo Di conduz, a tensão de entrada do conversor abaixador será nula. Do balanço de carga obtém-se uma relação entre as correntes médias de entrada e de saída, Ii e Io,, respectivamente: I i ⋅ (1 − δ i ) = I o ⋅ δ o (6.18) A corrente de entrada é controlada por δi, enquanto a de saída é controlada por δo. Durante o intervalo (δo.τ) (τ é o período de chaveamento) To conduz e o capacitor Cb é descarregado pela corrente I o. Quando To desliga (Ti ainda está e m condução) a corrente pelo capacitor é zero e sua tensão permanece constante. Durante o intervalo [(1-δi).τ] ambos transistores estão desligados e a corrente de entrada recarrega Cb. http://www.dsce.fee.unicamp.br/~antenor 6-17
  • 102.
    Fontes Chaveadas -Cap. 6 OUTRAS TOPOLOGIAS COM COMUTAÇÃO NÃO-DISSIPATIVA J. A. Pomilio No circuito mostrado na figura 6.23 o diodo Di é o diodo reverso de To . Quando Ti é desligado, a corrente de entrada flui através deste diodo. Embora com um componente a menos, o inconveniente desta solução é aumentar as perdas de condução, uma vez que a corrente de entrada deve atravessar 2 diodos. 6.8.2.2 Comutação suave e isolação Esta topologia permite obter diversas comutações suaves para os transistores e diodos sem a necessidade de circuitos adicionais. Uma capacitância Cs colocada entre os terminais de dreno e fonte de To, adiciona-se à capacitância própria do transistor e propicia um desligamento do tipo ZVS, o que equivale a uma entrada em condução para Do também ZVS. Este diodo passa a conduzir apenas quando Cs , carregado pela corrente de saída, atingir uma tensão igual a V b (considerando o valor refletido ao primário, caso o circuito tenha transformador). Uma vez que Ti desliga após To, tem-se também sobre este transistor um desligamento ZVS. A corrente de entrada descarrega Cs, levando Di a uma entrada e m condução ZVS. Para permitir a To ligar sob tensão nula, seu sinal de comando deve ser enviado com um pequeno avanço em relação ao sinal que ligará Ti. A entrada em condução do transistor de entrada é dissipativa, assim como o desligamento de Do. De qualquer modo, sem circuitos adicionais 6 das 8 comutações presentes no conversor são suaves, o que é um mérito adicional desta topologia. A figura 6.23 mostra os estágios de operação e na figura 6.24 tem-se resultados de simulação, indicando claramente as comutações ZVS. + Vb - Di i o Li Lo i i Cb To v i Ti Do Vo + Vb - Di i o Li Lo i i Cb To v i Ti Do Vo + + Vb - Di i o Li Lo i i Cb To v i Ti Do Vo + Vb - Di i o Li Lo i i Cb To v i Ti Do Vo + Vb - Di i o Li Lo i i Cb To v i Ti Do Vo Figura 6.23. Estágios de operação do conversor com comutação suave. http://www.dsce.fee.unicamp.br/~antenor 6-18
  • 103.
    Fontes Chaveadas -Cap. 6 OUTRAS TOPOLOGIAS COM COMUTAÇÃO NÃO-DISSIPATIVA J. A. Pomilio Neste caso deve-se operar no modo de condução descontínua, a fim de garantir a desmagnetização do núcleo. Este modo de funcionamento também permite manter reduzida a ondulação em alta freqüência na corrente de entrada. No entanto, a corrente do indutor de saída deve inverter de polaridade, levando à comutação do diodo Do sob corrente nula. A entrada em condução de Ti será, neste caso, também sob corrente nula. Ou seja, todas as comutações se tornam suaves. A operação no modo descontínuo implica em elevados picos de corrente no lado do secundário, aumentando as perdas por condução. Assim, não necessariamente a eficiência global será maior neste caso. Vds Ti 0 0 i Ti Vg Ti (a) Vds To 0 0 i To Vg To (b) Figura 6.24. Tensão, corrente e sinal de comando nos transistores Ti e To. Múltiplas saídas podem ser obtidas, cada uma delas com um pós-regulador próprio. A indutância de dispersão do transformador produz uma sobretensão no momento em que Ti é desligado, provocando uma inversão no sentido da corrente pelo transformador. Um circuito “snubber” ou um limitador de tensão deve ser usado com o objetivo de limitar o pico de tensão que se observa sobre os transistores. 6.8.2.3 Resultados experimentais Conversor não-isolado Um protótipo não-isolado foi construído com as seguintes características: • Tensão de saída: 50V • Potência de saída: 500W • Freqüência de chaveamento:100 kHz O rendimento do circuito é mostrado na figura 6.25 para diversos níveis de potência de entrada. Mesmo operando a 100 kHz obtém-se, para uma larga faixa de potência, uma eficiência superior a 90%. Figura 6.26 mostra as formas de onda de tensão e de corrente sobre To. As comutações ZVS são claras. Quando Ti liga o diodo Do desliga e a corrente por To muda de sentido. A oscilação observada na tensão é devida a ressonância entre Cs e indutâncias parasitas presentes na malha intermediária do conversor. O pico de corrente é devido à corrente de recombinação reversa de Do. http://www.dsce.fee.unicamp.br/~antenor 6-19
  • 104.
    Fontes Chaveadas -Cap. 6 OUTRAS TOPOLOGIAS COM COMUTAÇÃO NÃO-DISSIPATIVA J. A. Pomilio Eficiência (%) 96 94 92 90 88 200 300 400 500 Potência [W] Figura 6.25 .Rendimento medido do conversor. Conversor com saída isolada Para um conversor com saída isolada com as mesmas características do conversor não-isolado (transformador 1:1), operando com potência de entrada de 250 W, a eficiência medida nesta potência foi de 86%. Confirma-se assim que a elevação das perdas de condução devido à operação em DCM são maiores do que o ganho que se obtém por todas as comutações serem suaves. V DS ID Figura 6.26. Tensão (100V/div.) e corrente (5A/div.) em To . Horiz.: 500 ns/div. 6.9 Referências Bibliográficas [6.1] Patterson, O.D. and Divan D.M.: ”Pseudo-Resonant Converter Technologies”. Proc. of IEEE, vol. 76, no. 4, April 1988. [6.2] I. Barbi: “Progress in the Development of High-Frequency Non-Dissipative Commutation Power converter Technologies”. Proc. of I Power Electronics Seminar, LAMEP, Florianópolis, 1988, pp. 01-16. [6.3] Suzuki, S. and Barbi, I.: “Boost Zero-Voltage Switching Semi-Resonant Converter Analysis (ZVS-SRC)”. Proc. of I Power Electronics Seminar, LAMEP, Florianópolis, 1988, pp. 43-49. [6.4] G. Hua and F. C. Lee: “Soft-Switching Techniques in PWM Converters”. Proc. of IECON ‘93, pp. 637-646. http://www.dsce.fee.unicamp.br/~antenor 6-20
  • 105.
    Fontes Chaveadas -Cap. 6 OUTRAS TOPOLOGIAS COM COMUTAÇÃO NÃO-DISSIPATIVA J. A. Pomilio [6.5] G. Hua, C.S. Leu and F. C. Lee: “Novel Zero-Voltage-Transition PWM Converters”. Proc. of PESC ‘92, Toledo, Spain, 1992, pp. 55-61. [6.6] G. Hua, E. X. Yang, Y, Jiang and F. C. Lee: “Novel Zero-Current-Transition PWM Converters”. IEEE Trans. On Power Electronics, vol. 9, no. 6, Nov. 1994, pp. 601-606. [6.7] J. A. Pomilio and G. Spiazzi: "High-Precision Current Source Using Low-Loss, Single-Switch, Three-Phase AC/DC Converter". IEEE Trans. On Power Electronics, July 1996, vol. 11, no. 4, pp. 561-566. [6.8] L. Malesani, L. Rossetto, G. Spiazzi, P. Tenti, I. Toigo, and F. Dal Lago: "Single- Switch Three-Phase AC/DC Converter with High Power Factor and Wide Regulation Capability". Proc. of INTELEC '92, Oct. 1992, Washington, USA, pp. 279-285. [6.9] K. Heumann, Ch. Keller and R. Sommer: "Behavior of IGBT Modules in Zero- Voltage-Switch Applications". Proc. of PESC '92, Jun. 1992, Toledo, Spain, pp. 19-25. [6.10] J.A.Pomilio and G.Spiazzi: "Soft-Commutated Cuk and SEPIC Converters a s Power Factor Preregulators". Proc. of IECON '94, Bologna, Italy, Sept. 1994 [6.11] P. Caldeira, R. Liu, D. Dalal and W.J. Gu: "Comparison of EMI Performance of MLP and Resonant Power Converters". Proc. of PESC '93, Seatle, USA, Jun. 1993, pp. 134-140. [6.12] L. STEFANOVIC AND S. CUK: "Capacitive Idling Converters with Decoupled Input Voltage and Output Load Regulation Loops". PESC '93 Conference Record, Seattle, USA, 1993. [6.13] E. A. Vendrusculo and J. A. Pomilio: "Low-Loss, High-Power Factor Voltage Supply Using a Capacitive Idling Converter". Proc. of IEEE International Symposium on Industrial Electronics, Warsaw, Poland, June 17-20, pp. 767-772. http://www.dsce.fee.unicamp.br/~antenor 6-21
  • 106.
    Fontes Chaveadas -Cap. 7 COMPONENTES PASSIVOS UTILIZADOS EM FONTES CHAVEADAS J. A. Pomilio 7. COMPONENTES PASSIVOS UTILIZADOS EM FONTES CHAVEADAS 7.1 Capacitores Pode-se considerar o seguinte modelo para um capacitor: C Rse Lse Figura 7.1. Circuito equivalente de capacitor C: capacitância Rs : resistência série equivalente e L s : indutância série equivalente e Deste circuito, pode-se afirmar que em baixas freqüências o capacitor tem seu comportamento determinado pela capacitância. À medida que aumenta a freqüência, no entanto, o elemento indutivo se torna mais significativo, sendo dominante em altas freqüências. A resistência se deve, basicamente, ao eletrólito (em capacitor eletrolítico) e às conexões, variando significativamente com a temperatura. A figura 7.1 mostra curvas típicas para capacitores eletrolíticos [7.1]. C = 100 uF L = 100 nH 10 R = 1 ohm (T = -40 C) R=.1 ohm (T=0 C) 100m R = .01 ohm (T = 85 C) 1.0m 10Hz 100Hz 1.0KHz 10KHz 100KHz 1.0MHz 10MHz 100MHz Figura 7.2 Comportamento típico da impedância de capacitores (Icotron) A resistência tem um efeito significativo em termos da ondulação da tensão observada nos terminais do componente, além de ser responsável pelas perdas (aquecimento) do dispositivo. http://www.dsce.fee.unicamp.br/~antenor 7-1
  • 107.
    Fontes Chaveadas -Cap. 7 COMPONENTES PASSIVOS UTILIZADOS EM FONTES CHAVEADAS J. A. Pomilio Para uma certa variação de corrente ∆I, a resistência série produz uma variação de tensão ∆V=Rs .∆I, a qual pode ser muito maior que a variação determinada pela carga ou e descarga da capacitância. Muitas vezes é em função da resistência Rs que se determina o e capacitor a ser usado como filtro de saída de uma fonte, de modo a se obter a desejada variação de tensão. A figura 7.3 mostra a tensão de saída de um conversor abaixador de tensão, indicando claramente a predominância da variação de tensão causada pela queda resistiva em Rse. Os valores utilizados foram obtidos do catálogo do fabricante. L L=1mH C=220uF + Rse=.45 ohm Rse Ro=.5 ohm E Ro Vo E=20V Vo=10V C 10.04V 10.02V 10.00V 9.98V 9.96V 0s 0.2ms 0.4ms 0.6ms 0.8ms 1.0ms Ondulação relativa à capacitância Ondulação nos terminais do capacitor Figura 7.3 Ondulação da tensão de saída e sobre a capacitância C Usa-se definir o "fator de perdas" do capacitor (tg δ), o qual se relaciona com Rs pela e seguinte expressão: Rs = (tg δ) / (2.π.f.C) e (7.1) O fator de perdas diminui com o aumento da temperatura e aumenta com a elevação da freqüência de operação. Os valores são indicados, geralmente para 120Hz e 85°C. Para os capacitores eletrolíticos especiais para operação em alta freqüência (série HFC da Siemens, por exemplo), os valores especificados são para 100kHz e 85°C. Quanto à Rs , ela também varia e com estes parâmetros, mas, usualmente, diminui com a elevação da freqüência. Como as perdas no capacitor estão diretamente relacionadas com a corrente RMS por ele, a uma variação de Rs corresponde uma mudança na máxima corrente admissível. Assim, e se a freqüência de operação de um capacitor eletrolítico comum for acima de 2kHz, admite-se http://www.dsce.fee.unicamp.br/~antenor 7-2
  • 108.
    Fontes Chaveadas -Cap. 7 COMPONENTES PASSIVOS UTILIZADOS EM FONTES CHAVEADAS J. A. Pomilio uma corrente 40% maior do que a especificada para 120Hz (devido à redução de Rs ). Para e uma temperatura ambiente de 40°C, admite-se uma corrente 220% maior do que a especificada para 85°C, o que se justifica pela maior facilidade de troca de calor com o ambiente. Por todos estes fenômenos, o valor equivalente do capacitor sofre profundas alterações, podendo, em última análise, ser obtido para cada freqüência e temperatura, das curvas de impedância mostradas anteriormente. Em geral, capacitores para uso em CC sofrem menores variações do que aqueles para uso em CA. 7.1.1 Tecnologias de capacitores para fontes chaveadas 7.1.1.1 Capacitores eletrolíticos O capacitor eletrolítico tem seu funcionamento baseado em fenômenos eletroquímicos. A principal característica reside no fato que um dos eletrodos, o catodo, é constituído pelo próprio fluído condutor (eletrólito), e não por uma placa metálica. O outro eletrodo, o anodo, é constituído de uma folha de alumínio em cuja superfície é formada (por um processo eletroquímico) uma camada de óxido de alumínio, a qual serve de dielétrico. A principal vantagem destes capacitores é a alta capacitância específica (F/m3). Isto se deve, principalmente à espessura da camada de óxido, tipicamente de 0,7 µm (outros materiais dielétricos dificilmente tem espessura inferior a 6 µm), mesmo para componentes para baixas tensões. A intensidade de campo permitida é de aproximadamente 800 V/ µm. O método de bobinagem é o mais empregado na fabricação dos componentes. A bobina contém, além da folha do anodo, uma segunda folha de alumínio (chamada de folha do catodo) que tem, no mínimo, a mesma dimensão da folha do anodo.Esta segunda folha não é oxidada e sua função é servir como uma grande área supridora de corrente para o eletrólito. Ambas folhas são separadas por camadas de papel, cujas funções são: armazenador de eletrólito (nos poros do papel absorvente) e separador das folhas metálicas (para evitar curto- circuitos). Capacitores construídos como descrito só funcionam convenientemente quando se liga o potencial positivo ao anodo. A ligação inversa produz um processo eletrolítico de deposição de óxido sobre a folha do catodo. Neste processo ocorre geração interna de calor e gás, que pode destruir o componente. Por outro lado, a capacitância diminui, uma vez que é aumentada a espessura do dielétrico. Assim, a aplicação típica é em tensões contínuas. Tensões alternadas, sobrepostas à contínua, desde que não alterem a polaridade, podem ser utilizadas. Na verdade as polarizações invertidas podem ocorrer até cerca de 2 V, que é o potencial no qual se inicia o processo de deposição de óxido. Existem capacitores eletrolíticos bipolares que, por construção, já tem ambas folhas de alumínio oxidadas. Obviamente, a capacitância específica é menor. Como aplicações típicas em fontes chaveadas pode-se citar: • Filtros de entrada: usa-se capacitor eletrolítico de alumínio, com alto produto capacitância x tensão (CV) e baixas perdas. • Filtros de saída: capacitor eletrolítico de alumínio, com baixo Rs e L s , especiais para e e operação em altas freqüências. Outra característica importante dos capacitores refere-se à sua confiabilidade. Os fabricantes especificam seus componentes em função de sua expectativa de vida, sendo os de alta confiabilidade aqueles que apresentam a maior durabilidade. Esta variável é determinada, http://www.dsce.fee.unicamp.br/~antenor 7-3
  • 109.
    Fontes Chaveadas -Cap. 7 COMPONENTES PASSIVOS UTILIZADOS EM FONTES CHAVEADAS J. A. Pomilio para os capacitores eletrolíticos de alumínio, pela qualidade dos materiais utilizados na fabricação. 7.1.1.2 Capacitores de filme plástico metalizado Seu dielétrico é um filme plástico (poliéster ou polipropileno) em cuja superfície é depositada, por vaporização, uma camada fina de alumínio com espessura de 0,02 a 0,05µm. Na fabricação do capacitor pode-se bobinar ou dispor o conjunto armaduras/dielétrico e m camadas. Através da contactação das superfícies laterais dos capacitores com metal vaporizado obtém-se bom contato entre as armaduras e os terminais. Este método também assegura baixa indutância e baixas perdas. Estes capacitores tem como característica a propriedade de auto-regeneração. No caso de uma sobre-tensão que perfure o dielétrico, a camada de alumínio existente ao redor do furo é submetida a elevada temperatura, transformando-se em óxido de alumínio (isolante), desfazendo o curto-circuito. O tempo necessário para ocorrer a regeneração é menor que 10µs. A constante dielétrica dos filmes plásticos é dependente da freqüência e a capacitância apresenta um decréscimo com o aumento da freqüência (tipicamente de 3% a 1Mhz, do valor a 1kHz). A variação com a temperatura é reversível, variando, tipicamente, poucos porcento numa faixa de 100oC. Com tensões alternadas (senoidais ou não) de alta freqüência, certos cuidados precisam ser tomados, uma vez que o componentes pode estar submetido a elevados picos de corrente, causando problemas para os contatos e aumentado sua temperatura. Os manuais fornecem ábacos que permitem determinar, para uma dada aplicação (componente, freqüência, forma da tensão alternada: pulso, senóide, trapézio, dente-de-serra), a amplitude da tensão que o componente suporta. Fornece ainda a taxa de subida da tensão (V/µs) e o valor característico do pulso (Ko [ V2/ µs]). O valor Ko da aplicação, bem como o dv/dt, devem ser inferiores ao especificado. O fator de perdas depende principalmente das perdas no dielétrico (que variam com a temperatura e freqüência). As resistências dos contatos e armaduras são de valores relativamente menores e praticamente constantes. A indutância própria depende da bobina e das indutâncias dos terminais. A freqüência de ressonância está, tipicamente, entre 1 e 10 MHz. Em circuitos pulsados, quando o capacitor fica sujeito a valores elevados de dv/dt (como nos circuitos amaciadores) devem-se usar componentes com dielétrico de polipropileno, especiais para regime de pulsos. 7.2 Componentes magnéticos As características ideais de um componente magnético são: resistência nula, capacitância parasita nula, densidade de campo magnético (B) não-saturável (eventualmente pode-se desejar corrente de magnetização e indutância de dispersão nulas). O desejo de não-saturação conduz a um elemento com núcleo de ar, o que implica num número elevado de espiras, com fio fino e, assim, elevada resistência e capacitância parasita. O uso de fios com maior secção transversal leva a enrolamentos muito grandes e pesados. É necessário, assim, o uso de algum núcleo magnético permitindo, com número razoável de espiras e volume aceitável, obter-se a indutância desejada, com reduzido fluxo disperso. http://www.dsce.fee.unicamp.br/~antenor 7-4
  • 110.
    Fontes Chaveadas -Cap. 7 COMPONENTES PASSIVOS UTILIZADOS EM FONTES CHAVEADAS J. A. om l o O correto dimensionamento de um elemento magnético, seja ele um indutor ou um transformador não é um trabalho simples e seu sucesso depende em grande parte da quantidade e qualidade das informações disponíveis a respeito do núcleo a ser utilizado. Diferentes autores e diferentes fabricantes indicam diferentes formas de dimensionamento destes elementos. No entanto, a própria forma construtiva pode alterar significativamente o desempenho do dispositivo, especialmente em termos das indutâncias de dispersão e capacitâncias parasitas. Assim, este dimensionamento e construção estão mais para a "arte" do que para a ciência. A principal característica de um material ferromagnético a ser usado na construção de um elemento magnético utilizado em uma fonte chaveada é a capacidade de trabalhar e m freqüência elevada sem apresentar elevadas perdas, o que significa possuir um laço de histerese com pequena área. Desejáveis são o maior valor possível de densidade de campo magnético, Bmax, bem como uma elevada permeabilidade. Além disso a resistividade do núcleo deve ser elevada a fim de reduzir as perdas relativas às correntes induzidas no próprio núcleo. Os materiais mais utilizado são ferrites, as quais possuem valores relativamente reduzidos de Bmax (entre 0,3T e 0,5T), apresentando, porém, baixas perdas em alta freqüência e facilidades de manuseio e escolha, em função dos diversos tipos de núcleos disponíveis. As ferrites são constituídas por uma mistura de óxido de ferro (Fe2O3) com algum óxido de um metal bivalente (NiO, MnO, ZnO, MgO, CuO, BaO, CoO). Possuem resistividade muito maior do que os materiais metálicos (da ordem de 100kΩ.cm) o que implica em perdas por correntes de Foucault desprezíveis quando operando com um campo magnético alternado. Algumas aplicações em que não se pode admitir distorção no campo magnético deve-se utilizar núcleo de ar, com o inevitável valor elevado do fluxo disperso. Núcleos de ferro laminado são utilizados apenas em baixa freqüência por apresentarem laço de histerese muito largo, embora possuam um Bmax de cerca de 1,5T. Os núcleos de ferrite tipo "pot core" (e seus derivados tipos RM, PM, EP, cube core, etc.) são geralmente usados na construção de indutores e transformadores para pequenas e médias potências, com baixa dispersão, devido à sua forma fechada. Os núcleos EE e EI apresentam valores mais elevados de Bmax, sendo mais usados e m aplicações de potência mais elevada. Apresentam valores maiores de fluxo disperso. Já os núcleos tipo U e UI são utilizados em transformadores de alta tensão, devido à possibilidade de alocar-se cada enrolamento numa das pernas, facilitando a isolação, à custa de um maior fluxo disperso. Tanto os núcleos E como os U podem ser associados, criando maiores secções transversais, possiblitanto a obtenção de transformadores para potência na faixa dos quilowatts. Finalmente, os núcleos toroidais são usados em aplicações onde o fluxo disperso deve ser mínimo, permitindo obter-se indutores muito compactos. São usados especialmente e m transformadores de pulso e filtros de IEM. 7.2.1 Histerese, saturação e fluxo residual A figura 7.4 mostra a relação entre B (densidade de campo magnético [G] ou 2 [T=Wb/m ]) e H (campo magnético [A.esp/m]) quando uma tensão alternada é aplicada ao enrolamento que magnetiza o núcleo. B é proporcional ao fluxo magnético [Wb] e H é proporcional à corrente que circula pelo enrolamento. Nota-se que o caminho seguido quando o fluxo (ou B) cresce não é o mesmo seguido quando o fluxo diminui. Este comportamento é chamado histerese. http://www.dsce.fee.unicamp.br/~antenor 7-5
  • 111.
    Fontes Chaveadas -Cap. 7 COMPONENTES PASSIVOS UTILIZADOS EM FONTES CHAVEADAS J. A. om l o Quando H=0, a densidade de fluxo não é zero, tendo um valor + Br, chamada magnetização remanente, ou densidade de fluxo residual. Quando B=0, o campo magnético não é nulo, mas vale + Hc, parâmetro chamado força coerciva do material. A inclinação ∆B/∆H é a permeabilidade incremental do material, µi , a qual tende a µ0 (permeabilidade do vácuo) quando B tende para seu valor máximo, Bmax, que caracteriza a saturação do núcleo. Na maior parte das aplicações, a operação na região de saturação é evitada. A razão para isso é que, na saturação ocorre uma drástica redução na indutância e, associado a isso, ocorrem grandes elevações de corrente (associada a H) para pequenas variações de tensão (associada a B). Para um transformador, a saturação significa ainda uma redução no fator de acoplamento entre os enrolamentos, uma vez que o núcleo perde sua característica de menor relutância em relação ao ar. O dimensionamento de um elemento magnético é feito, via de regra, em situações de regime permanente, ou seja, considerando-se que a tensão média nos terminais do dispositivo é nula e a densidade de campo mangético excursiona entre os valores simétricos de B. B(G) 5.0K Bmax A Br -Hc -3.0 -2.0 -1.0 0.0 Hc 1.0 2.0 3.0 -Br H (A.esp/m) 1 T = 10000 G -Bmax -5.0K Figura 7.4 Curva de histerese típica de ferrite O problema da saturação é agravado nas situações transitórias, especialmente no início de operação do dispositivo (start-up). Partindo-se de uma situação em que B=0, no primeiro semi-ciclo de funcionamento tem-se a possibilidade de variar o fluxo em apenas metade da excursão necessária. A solução, óbvia, de projetar o elemento para suportar o dobro de variação de fluxo, não é muito razoável por aumentar demasiadamente (4 vezes) o volume do componente. A melhor solução é controlar eletronicamente a partida do conversor (soft-start). O problema de “start-up” é agravado quando Br tem valor elevado. Suponhamos que o circuito foi desenergizado quando se estava no ponto A da curva B x H (figura 7.4). A corrente irá a zero e tem-se B=Br. O reinício de operação a partir deste ponto leva a resultados ainda piores do que uma partida com B=0. A magnetização remanente pode ser atenuada pela inclusão de um entreferro no núcleo. Hg ⋅ g+ Hm ⋅ l c = N⋅i (7.2) http://www.dsce.fee.unicamp.br/~antenor 7-6
  • 112.
    Fontes Chaveadas -Cap. 7 COMPONENTES PASSIVOS UTILIZADOS EM FONTES CHAVEADAS J. A. om l o B = µ 0 ⋅ H g = µc ⋅ H m (7.3) Hm e Hg são as intensidades do campo magnético no núcleo e no entreferro, respectivamente. l c é o comprimento do circuito magnético (no núcleo) e g é o comprimento do entreferro. N⋅i B⋅ g Hm = − (7.4) l c µ0 ⋅ l c Nota-se em (7.4) que a introdução do entreferro permite que Hm seja atingido para valores maiores de corrente. O efeito sobre a curva B x Ni é mostrado na figura 7.5. A indutância incremental se reduz, mas é linearizada. O valor de Br também se reduz. Bmax não se altera por ser uma característica do material. O aumento do entreferro leva a uma diminuição da indutância, mas aumenta o valor da corrente na qual ocorre a saturação. B (G) 5.0K +Br -10 -5 0 5 10 H(A.esp/m) -5.0K Figura 7.5 Curva de histerese em indutor com entreferro 7.2.2 Modelo para um transformador Um modelo de parâmetros concentrados pode ser usado para análise de um transformador, incluindo seus elementos parasitas e não-idealidades, associados a um transformador ideal. A figura 7.6 mostra um circuito de parâmetros concentrados para modelamento de transformadores. Rp e Rs são as resistências dos enrolamentos de primário e secundário, respectivamente. Lp e Ls representam as indutâncias de dispersão. Lm é a indutância de magnetização do primário, enquanto Rfe representa as perdas no núcleo por causa da histerese e das corrente de Foucault. Cp e Cs são as capacitâncias existentes entre espiras de cada enrolamento, enquanto Cps indica a capacitância entre os enrolamentos. Na verdade estas capacitâncias são elementos distribuídos e o modelo é válido apenas dentro de certos limites de freqüência, acima do qual deixa de representar adequadamente o dispositivo. Este modelo não inclui os efeitos da saturação (o que daria uma característica não-linear às indutâncias), uma vez que o projeto do transformador deve evitar a operação nos limites da saturação. http://www.dsce.fee.unicamp.br/~antenor 7-7
  • 113.
    Fontes Chaveadas -Cap. 7 COMPONENTES PASSIVOS UTILIZADOS EM FONTES CHAVEADAS J. A. om l o Cps Rp Lp Rs Ls Cp Lm Cs Rfe 1:N IDEAL Figura 7.6 Modelo de parâmetros concentrados para transformador Para os transformadores de alta tensão, onde o número de espiras do secundário é elevado, a capacitância Cs pode assumir valores muito significativos, especialmente quando refletida ao primário. Já a capacitância entre enrolamentos produz um caminho de baixa impedância entre primário e secundário, em altas freqüências, fazendo um acoplamento muito danoso, especialmente em termos de interferência eletro-magnética. A resposta em freqüência de um transformador, obtida por simulação do modelo estudado (com os parâmetros estimados a partir de resultados experimentais de um transformador de alta tensão) é mostrada na figura 7.7. Em baixas freqüências e efeito dominante é o da indutância de magnetização. À medida que se eleva a freqüência, a reatância das capacitâncias dos enrolamentos vai se tornando mais importante, chegando-se a uma ressonância paralela entre estas capacitâncias e Lm, com o fator de qualidade dado principalmente por Rfe. Em freqüência ainda mais altas surge o efeito da indutância de dispersão, que produzirá uma ressonância série com as capacitâncias dos enrolamentos e se tornará dominante após tal freqüência. 90d Fase Rp=.01 Lp=1uH Rfe=10k Cp=10pF Lm=100uH Cps=10pF -90d N=40 10k Módulo Cs=100pF Ls=10uH Rs=1 10m 1.0kHz 10kHz 100kHz 1.0MHz 10MHz 100MHz Figura 7.7 Impedância, vista pelo primário, de transformador http://www.dsce.fee.unicamp.br/~antenor 7-8
  • 114.
    Fontes Chaveadas -Cap. 7 COMPONENTES PASSIVOS UTILIZADOS EM FONTES CHAVEADAS J. A. om l o 7.2.3 A posição dos enrolamentos A forma construtiva dos enrolamentos é muito significativa para a determinação dos valores da indutância de dispersão e das capacitâncias. Para obter uma pequena dispersão de fluxo deve-se colocar os enrolamentos numa disposição que permita ao fluxo produzido por um deles enlaçar de maneira mais efetiva as espiras do outro. Por exemplo, a disposição mostrada na figura 7.8, com todo o secundário colocado sobre o primário, apresenta um maior fluxo disperso do que um arranjo no qual o primário é enrolado entre 2 segmentos do secundário. Outra possibilidade é fazer um enrolamento bifilar, mas isto só é possível quando ambos condutores tiverem diâmetros semelhantes, e quando não for necessária uma maior isolação entre os enrolamentos. Primário Primário NÚCLEO NÚCLEO Isolamento Secundário Secundário Figura 7.8 Posições de enrolamentos em transformador Se, por um lado este arranjo reduz a dispersão, por outro aumenta a capacitância entre os enrolamentos. A redução da capacitância entre enrolamentos pode ser obtida pela colocação de um filme ou fita entre cada enrolamento. Uma fita metálica pode ser usada ainda como uma blindagem eletrostática, o que pode ser útil para efeito de redução de interferência eletro- magnética. Obviamente a fita não pode se constituir numa espira em curto, devendo ser adequadamente isolada. 7.2.3.1 Regulação Cruzada Em transformadores com mais de 1 secundário, a realimentação é feita a partir do secundário que fornece a saída de maior potência. É esta saída que determinará se o ciclo de trabalho deve aumentar ou diminuir, a fim de manter estável a tensão de saída. Caso não tenha ocorrido variação semelhante na carga das demais saídas, suas tensões sofrerão alteração e m virtude da mudança na largura do pulso. Por exemplo, consideremos uma fonte que forneça saídas de +5V, +12V e -12V, com a saída de +5V sendo utilizada para efeito de realimentação. A figura 7.9 mostra a s características de regulação (normalizadas). Um aumento na carga desta saída provoca uma queda maior nas resistências dos enrolamentos (primário e secundário +5V), produzindo uma redução na tensão de 5V, o que leva o circuito de controle a aumentar a largura do pulso a fim de recuperar a tensão esperada (caso A). Supondo que não tenha havido variação significativa nas cargas conectadas às saídas de +12V e -12V, suas tensões serão aumentadas indevidamente (caso B). http://www.dsce.fee.unicamp.br/~antenor 7-9
  • 115.
    Fontes Chaveadas -Cap. 7 COMPONENTES PASSIVOS UTILIZADOS EM FONTES CHAVEADAS J. A. om l o De maneira oposta, se ocorrer um aumento na carga de uma das s aídas não realimentadas, o circuito de controle não se dará conta da alteração, não alterando o ciclo de trabalho e, assim, não corrigindo a tensão (caso C). Tais variações podem, facilmente ultrapassar 20%, podendo colocar em risco as cargas alimentadas pela fonte. Tensão de saída (normalizada) B Saída realimentada A C 100 120 Potência de saída (%) Figura 7.9 Tensões de saída normalizadas para fonte com múltiplas saídas As medidas relativas aos enrolamentos e que podem minimizar estes fenômenos referem-se também a buscar o máximo acoplamento possível entre todos os enrolamentos. A melhor maneira de se obter este acoplamentos é se fazer um cabo com todos os fios que performarão cada saída, enrolando-os juntos no núcleo (desde que a isolação propiciada pelo verniz dos fios seja suficiente para a aplicação específica). Isto permite que a variação de carga em uma das saídas afete a tensão nas demais, de modo a que o circuito de controle perceba a perturbação. A figura 7.10 mostra diferentes arranjos, e a tabela 7.I dá os resultados experimentais [7.2]. Caso este tipo de enrolamento não seja possível, deve-se buscar a melhor disposição relativa dos enrolamentos, como mostrado nas figuras abaixo. T1 T2 T3 T4 Primário Secundário 1 Secundário 2 Figura 7.10. Diferentes arranjos de enrolamentos em transformador com múltiplas saídas. http://www.dsce.fee.unicamp.br/~antenor 7-10
  • 116.
    Fontes Chaveadas -Cap. 7 COMPONENTES PASSIVOS UTILIZADOS EM FONTES CHAVEADAS J. A. om l o TABELA 7.I Resultados de variação da tensão da saída não realimentada (secundário 2, 12 V) com a variação da carga na saída realimentada (Vo1 = 5 V e Ro2 = 7,8 Ω) T1 (V) T2 (V) T3 (V) T4 (V) R01(Ω) 18,20 17,20 16,40 16,30 0,44 17,97 16,97 16,26 16,15 0,50 17,78 16,75 16,15 16,00 0,56 17,59 16,45 15,96 15,85 0,65 17,41 16,19 15,76 15,70 0,77 17,20 15,97 15,61 15,55 0,96 17,13 15,74 15,51 15,45 1,27 16,85 15,55 15,36 15,30 1,83 13,36 12,14 12,27 12,26 3,5 7.2.4 Perdas nos elementos magnéticos 7.2.4.1 Perdas no núcleo Estas perdas são devidas às correntes induzidas no núcleo (correntes de Foucault) e à histerese do material magnético. As perdas por histerese são o resultado da energia consumida para girar a orientação dos domínios magnéticos dentro do material. Esta energia corresponde à área interna do laço de histerese. Seu valor por ciclo e por unidade de volume do material é: r r E = ∫ H ⋅ dB (7.5) Os materiais atualmente disponíveis não conduzem simultaneamente a boas soluções para ambas perdas. Quando se obtém um curva B-H estreita (como em materiais com manganês e zinco), a resistividade é baixa. Em ferrites à base de níquel tem-se elevada resistividade, mas um laço de histerese consideravelmente maior. Em materiais de baixa resistividade faz-se a laminação do núcleo a fim de elevar a resistência. As lâminas devem ser isoladas entre si, o que ocorre, via de regra, pela própria oxidação do material ou pelo uso de verniz. Núcleos laminados podem ser utilizados e m freqüências até 20 kHz. Acima deste valor devem-se utilizar cerâmicas (ferrites) ou núcleos de pó. As perdas no núcleo podem ser expressas por: R fe = µ ⋅ L ⋅ (a ⋅ B ⋅ f + c ⋅ f + e ⋅ f 2 ) (7.6) Rfe: resistência equivalente para as perdas totais no núcleo µ: permeabilidade L: indutância a: coeficiente de perdas por histerese (dado de catálogo) http://www.dsce.fee.unicamp.br/~antenor 7-11
  • 117.
    Fontes Chaveadas -Cap. 7 COMPONENTES PASSIVOS UTILIZADOS EM FONTES CHAVEADAS J. A. om l o c: coeficiente de perdas residuais (dado de catálogo) e: coeficiente de perdas por correntes de Foucault (dado de catálogo) B: fluxo máximo de trabalho (especificação do projeto) f: freqüência Como as perdas por histerese dependem de B, usualmente utiliza-se um valor relativamente baixo para este parâmetro (50% de Bmax para os circuitos MLP e 15% para os ressonantes). A evolução das perdas devido às correntes induzidas com o quadrado da freqüência, leva à necessidade determinante do uso de materiais com elevada resistividade volumétrica, como as ferrites. 7.2.4.2 Perdas nos enrolamentos As perdas nos enrolamentos não são devidas unicamente à resistência dos fios de cobre utilizados, mas, principalmente, ao efeito pelicular ("skin effect"). O efeito pelicular é devido à presença de componentes de corrente em alta freqüência, que produzem um elevado campo elétrico no interior do condutor, o qual é normal à superfície do fio. Isto "empurra" a corrente do centro para a periferia do condutor, reduzindo a àrea por onde, efetivamente, passa a corrente, elevando a resistência do caminho, elevando as perdas. A expressão para o efeito pelicular, para um condutor de cobre, pode ser aproximada por: 4,35 ⋅ 10 −3 γ= (7.7) f γ: dimensão dentro da qual, para uma dada freqüência, não ocorre redução significativa na superfície condutora (em metros) Por exemplo, para 20kHz, γ = 0,47 mm, ou seja, um fio com diâmetro de 0,94 mm pode ser usado para conduzir uma corrente a 20kHz sem ter sua área condutora significativamente reduzida pelo efeito pelicular. Relembre-se aqui que as correntes não são, via de regra, senoidais, de modo que deve ser considerado um certo fator de folga para acomodar as perdas devidas às componentes harmônicas. A figura 7.11 mostra, para cada freqüência, qual condutor (de cobre) pode ser usado de maneira evitar o aumento das perdas pelo efeito pelicular. A maneira usual de se contornar este problema é o uso de "fio Litz", o qual é um cabo composto por diversos fios (isolados entre si) de diâmetro adequado à freqüência de operação, cuja secção transversal total permita uma densidade de corrente suficientemente baixa para não causar perdas elevadas (em geral inferior a 3 A/mm2). Outra possiblidade é o uso de fitas de cobre com espessura inferior a 2γ. Como, geralmente, estas fitas não são isoladas, deve-se tomar cuidados adicionais com este aspecto. Um outro aspecto que deve ser lembrado refere-se à indução de corrente nos condutores próximos às regiões do núcleo nas quais ocorre um estrangulamento do fluxo magnético com uma consequente dispersão local pelo ar. É óbvio que este problema é mais grave se for utilizado um enrolamento com fita metálica, a qual apresenta uma resistência menor do que um cabo Litz de área equivalente (em virtude da isolação entre cada fio). http://www.dsce.fee.unicamp.br/~antenor 7-12
  • 118.
    Fontes Chaveadas -Cap. 7 COMPONENTES PASSIVOS UTILIZADOS EM FONTES CHAVEADAS J. A. om l o Diâmetro do fio em mm 10 1 0.1 4 5 6 1000 1 10 1 10 1 10 f(Hz) Figura 7.11 Diâmetro de fio que deve ser usado em função da freqüência. Em um transformador, caso se faça uso de condutores sólidos, de cabos Litz e fitas, a colocação de cada um no núcleo, deve seguir à seguinte ordem: cabo Litz mais próximo ao núcleo (e, assim, mais suceptível ao fluxo disperso), metade do enrolamento do primário, os secundário com fita, e a segunda metade do primário. Note-se que a posição do secundário enrolado com fio Litz não contido pelo primário, leva a um aumento do fluxo de dispersão, com os inconvenientes já citados. A figura 7.12 mostra o arranjo recomendado. Fio Litz Secundários Fitas de isolação Núcleo 1/2 primário Figura 7.12. Arranjo de enrolamentos em transformador de alta freqüência 7.3 Referências Bibliográficas [7.1] “Capacitores Eletrolíticos de Alumínio”. Catálogo Icotron. [7.2] Nascimento, W.B.M. e Fagundes, J.C., ” Static Cross Regulation Analysis Using a Multiple Output Forward Converter” 1º Congresso Brasileiro de Eletrônica de Potência. Florianópolis, Dezembro de 1991 http://www.dsce.fee.unicamp.br/~antenor 7-13
  • 119.
    Fontes Chaveadas -Cap. 8 CONTROLE DE FONTES CHAVEADAS J. A. Pomilio 8. CONTROLE DE FONTES CHAVEADAS A implementação de uma (ou mais) malhas de controle tem por objetivo garantir a precisão no ajuste da variável de saída, bem como a rápida correção de eventuais desvios provenientes de transitórios na alimentação ou mudanças na carga. Embora o sistema a ser controlado seja obviamente não-linear, o fato de a freqüência de chaveamento ser muito maior que a freqüência de corte dos filtros passa-baixas do sistema, torna razoável fazer o modelo do sistema considerando os valores médios das variáveis sujeitas ao chaveamento. A ferramenta básica de projeto é, em geral, o diagrama de Bode (figura 8.1), usando- se os critérios de margem de fase e margem de ganho para estabelecer o compensador adequado. 0 Margem de fase: 66 graus -180 -400 50 0 Margem de ganho: -10 dB -50 100Hz 1.0kHz 10kHz 100kHz 1.0MHz 10MHz Figura 8.1 Diagrama de Bode indicando as margens de ganho e de fase. O uso de realimentação negativa já produz uma defasagem de 180°. Assim, o sistema não deve acrescentar defasagem de mais 180° nas freqüências em que o ganho for maior que 1 (0 dB). A maneira usual de desenvolver-se a análise é buscar uma expressão para a relação entre a tensão de saída e a tensão de controle. Em termos do compensador a ser utilizado, existe uma infinidade de alternativas, das quais apresentaremos algumas a título de ilustração. A tensão de controle é aquela que determina o ciclo de trabalho da fonte, sendo fornecida pelo compensador, a partir do erro existente entre a referência e a tensão de saída. O compensador deve ter como característica, além de assegurar a estabilidade do sistema, um ganho que se reduza com o aumento da freqüência, de modo que o chaveamento do circuito de potência não seja sentido na malha de controle. Outra implementação interessante é de um ganho infinito para freqüência zero, o que garante um erro de regime nulo, ou seja, a tensão de saída é igual à referência. Adicionalmente, o aumento da banda passante é interessante uma vez que melhora a resposta dinâmica do sistema, permitindo compensar com maior rapidêz os transitórios. 8.1 Conversor tipo "fly-back" no modo tensão (condução descontínua) Procura-se a relação Vo/Vc para, conhecendo-a, determinar o compensador que garanta a estabilidade do sistema. O circuito opera no modo descontínuo. A figura 8.2 http://www.dsce.fee.unicamp.br/~antenor 8-1
  • 120.
    Fontes Chaveadas -Cap. 8 CONTROLE DE FONTES CHAVEADAS J. A. Pomilio mostra a topologia com o sistema de controle. Na figura 8.3 tem-se a forma de onda da corrente de entrada. Vi .. N1 : N2 C Ii L Ro Rse + Vs Vo io Compensador Vc + Vref Figura 8.2 Conversor “fly-back” controlado no modo tensão. Ip Ii 0 tT τ Figura 8.3 Forma de onda da corrente de entrada. Vi ⋅ t T Ip = (8.1) L Vi ⋅ t 2 Ii = T (8.2) 2⋅ L ⋅ τ Vi 2 ⋅ t 2 Pi = Vi ⋅ Ii = T (8.3) 2⋅ L ⋅ τ Considerando uma eficiência de 100%: Po = Ro ⋅ i o2 = Pi (8.4) O ciclo de trabalho é determinado pela relação entre a tensão de controle e a amplitude da onda dente de serra. http://www.dsce.fee.unicamp.br/~antenor 8-2
  • 121.
    Fontes Chaveadas -Cap. 8 CONTROLE DE FONTES CHAVEADAS J. A. Pomilio tT Vc =δ= (8.5) τ Vs Seja D o valor médio (não perturbado) do ciclo de trabalho δ. Vi 2 ⋅ t 2 Vi Vc io = ⇒ io = ⋅ 2 T (8.6) 2 ⋅ L ⋅ Ro ⋅ τ 2 ⋅ L ⋅ Ro ⋅ f Vs Seja: Vi A= (8.7) 2 ⋅ L ⋅ Ro ⋅ f Desprezando Rse, o circuito de saída pode ser representado como na figura 8.4: + io C Ro Vo Figura 8.4 Circuito equivalente da saída, desprezando Rse. dv o vo io = C⋅ + (8.8) dt Ro dv o vo A Vc + = ⋅ (8.9) dt C ⋅ Ro C Vs Aplicando a transformada de Laplace: Vo(s) A S ⋅ Vo(s) + = ⋅ Vc(s) (8.10) Ro ⋅ C C ⋅ Vs A função de transferência é: Vo(s) Vi 1 1 G(s) = = ⋅ ⋅ (8.11) Vc(s) 2 ⋅ L Vs (1 + s⋅ Ro ⋅ C) Ro ⋅ τ Da função de transferência tem-se que: - é um sistema de primeira ordem; - ganho estático (ou seja, quando s tende a zero) depende da carga. Considerando Rse, introduz-se um zero em G(s). Vi 1 (1 + s⋅ Rse ⋅ C) G(s) = ⋅ ⋅ (8.12) 2 ⋅ L Vs (1 + s⋅ Ro ⋅ C) Ro ⋅ τ http://www.dsce.fee.unicamp.br/~antenor 8-3
  • 122.
    Fontes Chaveadas -Cap. 8 CONTROLE DE FONTES CHAVEADAS J. A. Pomilio Nota-se claramente que a presença da resistência série do capacitor impede que o ganho se reduza com o aumento da freqüência, o que implica na presença, no sinal realimentado, de uma componente de tensão na freqüência do chaveamento. Os diagramas mostrados na figura 8.5 indicam a resposta do circuito. Sem a presença da resistência série do capacitor a amplitude é sempre decrescente com o aumento da freqüência, enquanto a fase se mantém em -90 graus. Considerando-se a presença de Rse e, portanto, de um zero na função de transferência o ganho deixa de decrescer com a aumento da freqüência e a defasagem vai a -90 graus mas retorna para zero. Dada a dependência da carga, os diagramas devem ser analisados para as condições extremas de Ro, fazendo-se o projeto em função do pior caso. 20 0 Ganho (dB) Fase (graus) Rse=0 -100 20 0 Ganho (dB) Fase (graus) Rse>0 -100 100mHz 1.0Hz 10Hz 100Hz 1.0KHz 10KHz 100KHz 1.0MHz Figura 8.5 Diagramas de Bode do conversor “fly-back”, no modo descontínuo, para Rse=0 e Rse>0. 8.1.1 O compensador Considerando os diagramas de Bode apresentados anteriormente, pode-se afirmar que deve haver preocupação quanto à margem de fase, uma vez que, com realimentação negativa e com o uso de algum elemento integrador, a máxima defasagem poderá atingir 360°, podendo levar o sistema à instabilidade. Quanto ao ganho, deve-se buscar elevar o ganho CC a fim de reduzir o erro estático, além disso, para freqüências elevadas, deve-se garantir um ganho decrescente. A freqüência de cross-over (ganho 0dB), em malha fechada, deve ser ajustada para cerca de 1/5 da freqüência de chaveamento. Um possível compensador é mostrado na figura 8.6, o qual tem uma característica de filtro passa-baixas, tendo o ganho CC ajustado pelas resistências. Sua freqüência de corte é dada por: ωpa=1/RfCi. Para evitar que a margem de fase se estreite muito, a freqüência de corte do compensador deve ser colocada próxima à freqüência determinada pelo zero da função de transferência. Mostram-se a seguir os diagramas relativos a 2 compensadores diferentes. Na figura 8.7 tem-se a freqüência de corte do filtro alocada em um valor bem abaixo da freqüência determinada por Rse e pela capacitância. Note-se a estreita margem de fase (menor que 12°). No segundo caso (figura 8.8) a freqüência do filtro foi alocada para a freqüência relativa ao zero da função de transferência. Observa-se claramente a melhoria na margem de fase (70°), a expansão da faixa de passagem para 266Hz (contra 16Hz do caso anterior), mantendo-se o ganho CC (50dB) e a atenuação para freqüências crescentes. http://www.dsce.fee.unicamp.br/~antenor 8-4
  • 123.
    Fontes Chaveadas -Cap. 8 CONTROLE DE FONTES CHAVEADAS J. A. Pomilio O deslocamento da freqüência de corte do filtro para valores mais elevados faz com que a mudança na fase ocorra numa região em que o zero também esteja atuando, o que provoca a melhoria na margem de fase. Rf Ganho CC = Rf/Ri Ci Ri Ve - Vc Tensão de erro Ve=Vr-Vo + Figura 8.6 Compensador para “fly-back” no modo descontínuo. 50 0 Fase (graus) Ganho (dB) -100 -180 100mHz 1.0Hz 10Hz 100Hz 1.0KHz 10KHz 100KHz 1.0MHz Figura 8.7 Resposta de “fly-back” realimentado com freqüência de corte do compensador muito baixa. 50 0 Ganho (dB) Fase (graus) -100 -180 100mHz 1.0Hz 10Hz 100Hz 1.0KHz 10KHz 100KHz 1.0MHz Figura 8.8 Resposta de “fly-back”realimentado com freqüência de corte do compensador igual à freqüência do zero (Rse.C). 8.2 “ Fly-back” no modo contínuo A operação de um conversor tipo abaixador-elevador, operando no modo de condução contínuo, apresenta uma importante dificuldade do ponto de vista do controle em http://www.dsce.fee.unicamp.br/~antenor 8-5
  • 124.
    Fontes Chaveadas -Cap. 8 CONTROLE DE FONTES CHAVEADAS J. A. Pomilio malha fechada, em virtude da existência de um zero da função de transferência no semi- plano direito (RHP). Os diagramas de Bode da função de transferência (8.13) são mostrados na figura 8.9. A função de transferência para pequenas perturbações em torno do ponto de operação é:  D s⋅ L  (1 − D)2 ⋅ 1 − ⋅  ⋅  Vo(s) Vi  (1 − D)2 Ro   = ⋅ (8.13) s⋅ L  1  2 2 Vc(s) Vs  1  1+ ⋅  + s ⋅ L ⋅ C⋅  2  Ro  1 − D   1− D -0 Valores utilizados: ganho (db) Vi=100V Vo=100V Vs=10V -100 Fly-back operando no modo contínuo, sem isolação Ro=100 ohms L=10mH C=100uF fase (graus) -200 10Hz 100Hz 1.0KHz 10KHz 100KHz Figura 8.9 Diagramas de Bode da função de transferência do conversor “fly-back” no modo contínuo. Um zero no RHP provoca, sobre o ganho, uma variação de +20dB/dec (como um polo no semi-plano esquerdo). No entando, produz um defasagem de -90°, como se vê na figura 8.10. 0 Ganho Fase 50 100 freq freq Figura 8.10 Resposta em frequência de um zero no semi-plano direito. Isto o torna muito difícil de compensar, uma vez que se tentamos compensar o ganho crescente (pelo uso de um filtro passa baixas, por exemplo), a defasagem tende a 360°, reduzindo drasticamente a margem de fase. Se se tenta compensar a fase, o ganho se torna crescente à medida que se eleva a freqüência, impedindo a atenuação do sinal determinado pelo chaveamento do conversor. A única alternativa simples é reduzir o ganho, o que traz a freqüência de cruzamento (cross-over, 0dB) para valores muito baixos, tornando extremamente pobre a resposta do sistema às perturbações. Além das dificuldades de compensação já comentadas, outro problema é que a freqüência do zero no RHP varia com o ponto de operação (Ro ou Vo), tornando ainda http://www.dsce.fee.unicamp.br/~antenor 8-6
  • 125.
    Fontes Chaveadas -Cap. 8 CONTROLE DE FONTES CHAVEADAS J. A. Pomilio mais difícil a determinação de um compensador. Esta freqüência é dada pela expressão a seguir: Ro ⋅ (1 − D) 2 ω z ( RHP) = (8.14) L ⋅D A manifestação desta característica do conversor fly-back no modo contínuo pode ser visualizada considerando o comportamento do sistema (supondo malha fechada), como mostrado na figura 8.11. iL Io T D T D Figura 8.11 Efeito de variação de carga sobre o ciclo de trabalho em malha fechada. Na ocorrência de um aumento em degrau na carga (o que provoca uma redução na tensão de saída, devido às perdas do circuito e à regulação do transformador), o amplificador de erro produz um aumento no ciclo de trabalho do conversor, buscando elevar a tensão de saída. No entanto, um maior ciclo de trabalho implica num menor intervalo de tempo no qual ocorre a condução do diodo de saída, intervalo este no qual ocorre a transferência de energia para a saída. Ora, se o crescimento da corrente média pelo indutor demora alguns ciclos para se estabilizar, a redução do intervalo de condução do diodo é instantânea a partir da a mudança no ciclo de trabalho. Assim, o primeiro efeito que s e observa sobre a carga é, na verdade, o de uma redução ainda maior na tensão, causada pela diminuição na corrente de saída. Isto continua até que a corrente pelo indutor cresça para o novo e adequado valor. 8.3 Conversor tipo seguidor de tensão (forward) Estes conversores são aqueles que possuem um filtro de segunda ordem na saída, como o abaixador de tensão ou o push-pull. A figura 8.12 mostra uma topologia típica com controle de tensão. O filtro LC produz a mais baixa freqüência de corte do sistema e significa um polo duplo (-40dB/dec e defasagem de -180°). O capacitor e sua resistência série representam um zero (+20dB/dec e defasagem de +90°). 1 1 f LC = ωo = (8.15) 2⋅ π ⋅ L ⋅C L ⋅C 1 fz = (8.16) 2 ⋅ π ⋅ C ⋅ Rse http://www.dsce.fee.unicamp.br/~antenor 8-7
  • 126.
    Fontes Chaveadas -Cap. 8 CONTROLE DE FONTES CHAVEADAS J. A. Pomilio Vi .. V2 L C +Vo N3 . N1 N2 Rse Ro Vs - + Compensador Vc - Vr + Figura 8.12. Conversor “forward” com controle de tensão. A tensão no secundário é dada por: N2 Vi ⋅ N 2 ⋅ Vc V2 = Vi ⋅ ⋅δ = (8.17) N1 N 1 ⋅ Vs V2 Vi ⋅ N 2 = (8.18) Vc Vs ⋅ N 1 A relação entre a tensão no secundário e a tensão de saída é dada pela resposta do filtro de segunda ordem da saída. Desconsiderando o efeito da resistência da carga e de Rse tem-se um fator de qualidade infinito. Vo 1 = (8.19) V2 1 + s ⋅ L ⋅ C 2 A função de transferência é: Vo(s) Vi ⋅ N 2 G(s) = = (8.20) Vc(s) Vs ⋅ N 1 ⋅ (1 + s2 / ω o2 ) Quando se considera Rse, adiciona-se um zero à função: Vo(s) Vi ⋅ N 2 ⋅ (1 + s / ω z ) G(s) = = (8.21) Vc(s) Vs ⋅ N1 ⋅ (1 + s2 / ω o )2 1 ωz = (8.22) Rse ⋅ C http://www.dsce.fee.unicamp.br/~antenor 8-8
  • 127.
    Fontes Chaveadas -Cap. 8 CONTROLE DE FONTES CHAVEADAS J. A. Pomilio Os diagramas mostrados na figura 8.13 ilustram a resposta do filtro de segunda ordem para diferentes resistências de carga. À medida que aumenta a resistência, o ganho na freqüência de ressonância se eleva e a mudança de fase se torna mais abrupta. Nos diagramas da figura 8.14 tem-se o efeito da presença de Rse associado ao capacitor, introduzindo o zero na função, o que faz com que a atenuação passe a ser de 20dB/dec, e a defasagem se reduz para 90 graus em altas freqüências. Note-se em ambos os casos que a defasagem produzida apenas pelo filtro de s aída já é de 180°. Adicionando-se a defasagem proveniente da realimentação negativa, chega-se aos 360°, o que significa que se deve ter muito cuidado na escolha do compensador, o qual deve garantir uma melhora na margem de fase. 50 Ganho (dB) -200 0d Fase (graus) -200d 1.0Hz 10Hz 100Hz 1.0KHz 10KHz 100KHz 1.0MHz Figura 8.13 Resposta de filtro de segunda ordem, para diferentes resistências de carga. 50 Ganho (dB) -200 0d Fase (graus) -200d 1.0Hz 10Hz 100Hz 1.0KHz 10KHz 100KHz 1.0MHz Figura 8.14 Resposta de filtro de segunda ordem, considerando Rse, para diferentes resistências de carga. 8.3.1 O compensador O compensador mostrado na figura 8.15 tem como principal característica oferecer uma defasagem positiva, o que vem a permitir uma melhoria na margem de fase. Sua função de transferência é dada por: Vc(s) (1 + Riz ⋅ Ci ⋅ s) ⋅ (1 + Cf ⋅ Rfz ⋅ s) = (8.23) Ve(s)  R ⋅R  s⋅ Cf ⋅ ( Rip + Riz ) ⋅  1 + s⋅ Ci ⋅ ip iz    Riz + Rip   http://www.dsce.fee.unicamp.br/~antenor 8-9
  • 128.
    Fontes Chaveadas -Cap. 8 CONTROLE DE FONTES CHAVEADAS J. A. Pomilio Ci Rfz Cf Ve - Vc Rip Riz + Figura 8.15 Compensador com 2 polos e 2 zeros. Pela função de transferência do circuito indicado, observa-se a presença de 2 pólos e 2 zeros, nas seguintes freqüências: ω p1 = 0 R ip + R iz ω p2 = Ci ⋅ R ip ⋅ R iz 1 (8.24) ω z1 = Ci ⋅ R iz 1 ω z2 = Cf ⋅ R fz Usualmente ωz1=ωz2=ωo e ωp2=5ωo<ωz. O ganho CC é, teoricamente, infinito, levando a um erro de regime nulo. O desvio positivo na fase provoca uma melhoria na margem de fase. Para freqüências elevadas o compensador apresenta um ganho determinado, mas, a redução é garantida, em malha fechada, pelo filtro de saída. O diagrama de Bode deste compensador é mostrado na figura 8.16. Note que o ganho não se reduz com o aumento da freqüência, sendo dado pela relação das resistência. Mas o efeito mais importante é o de ter-se uma defasagem positiva, o que permitirá a melhoria da margem de fase do sistema. 100 Ganho (dB) 50 0 -50 Fase (graus) -100 100mHz 1.0Hz 10Hz 100Hz 1.0KHz 10KHz 100KHz 1.0MHz Figura 8.16 Resposta em freqüência do compensador. Isto pode ser observado nos diagramas da figura 8.17, quando se obtém uma margem de fase de 31 graus, numa freqüência de cross-over de 97Hz. O ganho decrescente para altas freqüências é atingido pelo efeito do próprio filtro de saída. http://www.dsce.fee.unicamp.br/~antenor 8-10
  • 129.
    Fontes Chaveadas -Cap. 8 CONTROLE DE FONTES CHAVEADAS J. A. Pomilio 100 Ganho (dB) 0 Fase (graus) -100 -200 100mHz 1.0Hz 10Hz 100Hz 1.0KHz 10KHz 100KHz 1.0MHz Figura 8.17 Resposta em freqüência do circuito completo. 8.4 Conversor Boost Embora com função de transferência distinta, o conversor Bosst apresenta comportamento semelhante ao do conversor “fly-back”, ou seja, no modo contínuo possui um zero no semi-plano direito. A figura 8.18 mostra os diagramas de Bode. A função de transferência entre a tensão de saída e a tensão de controle, no modo contínuo, é dada por: 2 s⋅ L  1  ⋅  1− Vo(s) Vi Ro  1 − D  G(s) = = ⋅ (8.25) s⋅ L  1  2 Vc(s) Vs 2 s ⋅L ⋅C+ +  R  1− D No modo descontínuo não existe o zero no RHP e a função de transferência é: Vi 2 ⋅ Ro ⋅ τ  Vi  1 G(s) = ⋅ ⋅ 1 − ⋅ (8.26) Vs L  Vo   Vi   Vi  2 −  + 1−  ⋅ s⋅ C ⋅ Ro  Vo   Vo  Os diagramas de Bode, para o modo descontínuo, estão mostrados na figura 8.19. 100 Ganho (dB) Valores utilizados -0 Vi=100V Vo=200V Ro=100 ohms L=100mH -100 C=100uF Vs=10V Fase (graus) -200 -300 10Hz 100Hz 1.0KHz 10KHz 100KHz Figura 8.18 Resposta em freqüência de conversor Boost no modo contínuo. http://www.dsce.fee.unicamp.br/~antenor 8-11
  • 130.
    Fontes Chaveadas -Cap. 8 CONTROLE DE FONTES CHAVEADAS J. A. Pomilio 40 0 Ganho (dB) Fase (graus) 20 0 50 20 40 4 100 4 10 100 1000 1 10 10 100 1000 1 10 f(Hz) f(Hz) Figura 8.19 Resposta em freqüência de conversor Boost no modo descontínuo. 8.5 Controle feed-forward Como se pode apreender das expressões das funções de transferência apresentadas, se ocorre uma mudança na tensão de entrada, produz-se um erro na saída, o qual, eventualmente, é corrigido pela realimentação. Isto significa uma performance dinâmica lenta, especialmente por causa da elevada constante de tempo dos filtros de saída. Se o ciclo de trabalho puder ser ajustado diretamente para acomodar a alteração na tensão de entrada, então a saída poderá nem sentir que ocorreu alguma mudança. Isto pode ser obtido fornecendo um sinal da tensão de entrada para o circuito que produz o sinal MLP, mas especificamente, ao gerador de rampa, o qual deve ter sua amplitude variável em função da tensão de entrada, como mostrado na figura 8.20. Nota-se que a um aumento da tensão de entrada, eleva-se o valor de pico da onda dente de serra, provocando, para uma mesma referência, uma redução no ciclo de trabalho, o que levará a uma estabilização da tensão de saída, desde que o ganho que realiza o aumento da amplitude da rampa esteja corretamente dimensionado. Vi maior Vs2 Vs1 Vc δ1 δ2 Figura 8.20 Variação na amplitude da onda dente de serra e no ciclo de trabalho com controle feed-forward. O uso desta técnica em fontes tipo abaixador de tensão e fly-back (modo descontínuo), tem excelente resultado. Já sua aplicação em conversores tipo push-pull, meia- ponte e ponte completa, necessita de atenção para evitar a saturação do transformador, o que poderia ocorrer caso a forma de onda deixasse de ser simétrica. http://www.dsce.fee.unicamp.br/~antenor 8-12
  • 131.
    Fontes Chaveadas -Cap. 8 CONTROLE DE FONTES CHAVEADAS J. A. Pomilio 8.6 Controle no modo corrente O controle MLP convencional está mostrado na figura 8.21. Aqui, a tensão de controle, obtida a partir do erro de tensão e do compensador, determina a largura do pulso pela comparação com uma onda dente de serra de freqüência fixa. Este controle da chave de potência ajusta a tensão sobre o indutor e, assim, sua corrente. Vi .. L + Ro Vo Vr Compensador + Comparador . C Vc + - Acionador - Figura 8.21 Esquema básico de controle no modo tensão. No controle no modo corrente, uma malha adicional de corrente é usada como mostra a figura 8.22. Neste caso, a tensão de controle determina diretamente a corrente do indutor e, assim, a tensão de saída. Idealmente, a tensão de controle atuaria no sentido de ajustar a corrente média pelo indutor de modo a se ter uma rápida resposta, o que, dependendo de como o controle seja implementado, nem sempre ocorre. Existem 3 tipos básico de controle no modo corrente: a) histerese b) tempo desligado constante c) freqüência constante com acionamento sincronizado. Vi .. L + Ro Vo . Compensador C Vr Clock + Ir - - Latch Acionador io + Comparador Figura 8.22 Esquema de controle no modo corrente. http://www.dsce.fee.unicamp.br/~antenor 8-13
  • 132.
    Fontes Chaveadas -Cap. 8 CONTROLE DE FONTES CHAVEADAS J. A. Pomilio Em todas estas alternativas, ou a corrente do indutor, ou a corrente pela chave de potência (a qual é proporcional à corrente do indutor) é medida e comparada com a tensão de controle. A figura 8.23 mostra as diferentes técnicas. No controle por histerese (também chamado de Modulação por Limites de Corrente - MLC), a tensão de controle determina o valor médio da corrente do indutor. A variação da corrente ∆I é um parâmetro de projeto. A freqüência de chaveamento varia com diversos parâmetros do circuito, como o próprio ∆I, as tensões de entrada e de saída, a indutância, a carga. Note-se que enquanto a corrente for menor do que o limite superior a chave permanece fechada. Atingido tal limite, a chave se abre e assim permanece até que seja atingido o limite inferior. Este controle da corrente média é bastante interessante, mas funciona bem apenas no modo contínuo. No modo descontínuo, como a corrente atinge zero, os limites estabelecidos para ∆I exigiriam uma corrente negativa. Se o compensador não puder atender a tal exigência, a chave não voltará a se fechar, uma vez que não se atinge o limite inferior, fazendo com que a corrente decaia para zero. No controle com tempo desligado constante, a tensão de controle determina o valor máximo da corrente. Uma vez atingido este valor, a chave de potência é desligada por um intervalo fixo. Também aqui a freqüência de chaveamento é variável com os parâmetros do circuito. No controle com freqüência constante com acionamento sincronizado (o mais usado dos métodos), a chave é fechada no início de cada período. A tensão de controle determina a corrente máxima e o instante de desligamento. A chave permanece desligada até o início do próximo ciclo. O uso de uma freqüência fixa facilita o dimensionamento do filtro de saída. Imax ∆I Imédio=K.Vc Imin a) Histerese Imax=K.Vc toff=cte b) Tempo desligado constante Imax=K.Vc τ = cte c) Freqüência constante com acionamento sincronizado Figira 8.23 Técnicas de controle no modo corrente. http://www.dsce.fee.unicamp.br/~antenor 8-14
  • 133.
    Fontes Chaveadas -Cap. 8 CONTROLE DE FONTES CHAVEADAS J. A. Pomilio O controle no modo corrente apresenta diversas vantagens sobre o controle pela tensão de saída: a) Limite do pico de corrente pela chave de potência. Como se faz uma medida da corrente, seja no indutor, seja na própria chave, é possível estabelecer um valor máximo para a tensão de controle de modo a proteger a chave semicondutora contra sobre-corrente. b) Redução da ordem do sistema. O fato de se controlar a corrente pelo elemento indutivo (o que o torna uma "fonte de corrente") altera significativamente o comportamento dinâmico dos sistemas. Nos circuitos tipo "forward", com um filtro de segunda ordem na saída, o uso de controle no modo corrente reduz a ordem do sistema, uma vez que se passa a ter um capacitor alimentado por uma fonte de corrente, ou seja, um comportamento dinâmico como o do conversor fly-back. A figura 8.24 mostra um diagrama de blocos para o controle de corrente. ∆I Vr + Ir Io Ro Vo Gr Kc + 1+sCRo Hv Figura 8.24 Diagrama de blocos de conversor abaixador de tensão com controle de corrente. A função de transferência é: Vo(s) Kc ⋅ Ro = (8.27) Ir (s) 1 + s⋅ C ⋅ Ro c) Modularidade. Saídas de mais de uma fonte podem ser facilmente paraleladas, mantendo uma distribuição equilibrada de corrente, quando se usa uma mesma tensão de controle para todos os módulos. d) Simetria de fluxo. Em conversores push-pull ou em ponte, o controle de corrente elimina o problema de desequilíbrio de fluxo, dado que se monitora os picos de corrente. Caso o circuito tenda para a saturação, ocorre um aumento no valor instantâneo da corrente, levando a uma redução da largura de pulso e, assim, da tensão aplicada, saindo-se da saturação. e) Comportamento antecipativo (feed-forward) em relação à tensão de entrada. Como a derivada da corrente depende do valor da tensão de entrada, caso ocorra uma alteração em tal tensão, a nova inclinação da corrente produz uma variação na largura de pulso que automaticamente compensa a perturbação, de modo que ela não seja observada na saída, conforme se vê na figura 8.25. http://www.dsce.fee.unicamp.br/~antenor 8-15
  • 134.
    Fontes Chaveadas -Cap. 8 CONTROLE DE FONTES CHAVEADAS J. A. Pomilio Imédia ∆ I δ1 δ2 Figura 8.25 Efeito da variação da tensão sobre a taxa de crescimento da corrente. É claro que existem problemas com esta estratégia de controle, dentre as quais os principais são: a) Tendência para oscilações sub-harmônicas. Nos modos de controle de corrente nos quais se realiza a comutação a partir do valor de pico da corrente, é possível que a s correções para um desvio na tensão de saída ocorram de modo a levar a tensão além do valor desejado, implicando numa variação da tensão numa freqüência abaixo da freqüência de chaveamento. b) Perda de resposta dinâmica. O uso de controle pelo valor de pico da corrente apresenta um desempenho dinâmico inferior ao obtido com controle por histerese (controlando a corrente média, efetivamente). c) Sensibilidade a ruído. Especialmente para correntes baixas, os ruídos presentes na corrente, provenientes principalmente de ressonâncias entre capacitâncias parasitas associadas ao indutor e indutâncias parasitas do circuito, podem levar, erroneamente, à mudança de estado da chave. A redução destes ruídos pode ser obtida pelo uso de filtros passa-baixas, os quais, no entanto, também afetarão a corrente real, levando a uma deterioração da resposta dinâmica do sistema. http://www.dsce.fee.unicamp.br/~antenor 8-16
  • 135.
    Fontes Chaveadas -Cap. 9 MODELAMENTO DE FONTES CHAVEADAS NO ESPAÇO DE ESTADO E SÍNTESE DE COMPENSADORES J. A. Pomilio 9. MODELAMENTO DE FONTES CHAVEADAS NO ESPAÇO DE ESTADO E SÍNTESE DE COMPENSADORES Os métodos de modelamento têm como objetivo fornecer uma expressão matemática que contenha informações sobre o comportamento estático e/ou dinâmico do sistema, a partir da qual seja possível estabelecer-se o compensador desejado e ainda estudar o sistema utilizando ferramentas de análise linear. Desconsiderando efeitos de saturação nos elementos magnéticos, a não-linearidade do sistema encontra-se no estágio de potência. Fazendo-se, por algum método, a linearização deste elemento, o critério de estabilidade de Nyquist e os diagramas de Bode podem ser utilizados para determinar o compensador e estudar a estabilidade do sistema. A referência [9.1] refere-se a uma técnica desenvolvida para obter um modelo de variáveis médias no espaço de estado, resultando em um modelo linear para o estágio de potência, incluindo o filtro de saída, modelo este válido para pequenas perturbações, fazendo- se a linearização em torno do ponto de operação. Desta forma, cada bloco pode ser representado por uma função de transferência. Os pequenos sinais causadores, ou resultados, da perturbação são indicados por uma letra no formato v, d, i. A figura 9.1 mostra um diagrama de blocos do sistema, enquanto em 9.2 tem-se uma representação em termos de funções de transferência. Zf Vs Vi Zi Vc Controlador δ Estágio de Vo Potência e Vr + PWM filtro Compensador Figura 9.1 Diagrama de blocos do conversor V o T1(s)= V c d V o Tm(s)= Tp(s)= Tc(s) V c d Vr=0 + V e V c Controlador d Estágio de V o Compensador Potência e - PWM filtro Figura 9.2 Funções de transferências do conversor. http://www.dsce.fee.unicamp.br/~antenor 9-1
  • 136.
    Fontes Chaveadas -Cap. 9 MODELAMENTO DE FONTES CHAVEADAS NO ESPAÇO DE ESTADO E SÍNTESE DE COMPENSADORES J. A. Pomilio 9.1 Linearização do estágio de potência, incluindo o filtro de saída, usando valores médios das variáveis de estado para obter vo(s)/d(s) O objetivo deste estudo é obter uma função de transferência para pequenos sinais entre a tensão de saída (vo) e o ciclo de trabalho (δ), em torno de seus pontos de operação, Vo e D, respectivamente. Quando for indicada a variável em tipo maiúsculo (Vo, por exemplo), refere-se ao valor médio da variável. Quando for indicado vo, indica-se apenas o componente alternado, relativo à perturbação, e quando se expressar a variável em tipo minúsculo (vo), refere-se à soma de Vo com vo. A análise que se segue refere-se à operação no modo contínuo, podendo a análise no modo descontínuo ser encontrada na referência [9.2]. a) Passo 1: Descrição no espaço de estado para cada estado do circuito Operando no modo contínuo, existem apenas 2 configurações topológicas para o circuito, uma quando a chave controlada está conduzindo e outra quando está bloqueada. Durante cada sub-intervalo, o circuito (linear) é descrito através de seu vetor de estado, x, o qual é composto pela corrente do indutor e pela tensão sobre o capacitor. É possível incluir no modelo as resistências do indutor e do capacitor. V i é a tensão de entrada. A 1 e A2 são matrizes de estado e B1 e B2 são vetores. x = A 1 ⋅ x + B1 ⋅ v i & durante δ ⋅ τ (9.1) x = A 2 ⋅ x + B2 ⋅ vi & durante (1 - δ) ⋅ τ (9.2)  iL  x=   vC  A tensão de saída pode ser escrita em termos apenas de suas variáveis de estado: v o = C1 ⋅ x d ur ant e δ ⋅ τ (9.3) v o = C2 ⋅ x d ur ante (1-δ)⋅τ (9.4) onde C1 e C2 são vetores transpostos. b) Passo 2: Mediar a descrição das variáveis de estado usando o ciclo de trabalho (δ) Para produzir uma descrição média do circuito em um período de chaveamento, as equações correspondentes às duas variações topológicas são ponderadas em relação ao tempo, resultando em: x = [ A 1 ⋅ δ + A 2 ⋅ (1 − δ)] ⋅ x + [B 1 ⋅ δ + B 2 ⋅ (1 − δ)] ⋅ v i & (9.5) v o = C1 ⋅ δ + C 2 ⋅(1 − δ) ⋅ x (9.6) Passo 3: Introdução de pequena perturbação e separação de componentes CC e CA http://www.dsce.fee.unicamp.br/~antenor 9-2
  • 137.
    Fontes Chaveadas -Cap. 9 MODELAMENTO DE FONTES CHAVEADAS NO ESPAÇO DE ESTADO E SÍNTESE DE COMPENSADORES J. A. Pomilio As variáveis serão decompostas em: x= X+x v o = Vo + vo (9.7) δ = D+d Em geral, vi =Vi +vi. Entretanto, como o objetivo aqui é obter uma função entre vo e δ, consideraremos a tensão de entrada sem variação, de modo que vi =Vi . & Usando as equações precedentes e reconhecendo que X =0, tem-se: x = A ⋅ X + B ⋅ Vi + A ⋅ x+ [( A 1 − A 2 ) ⋅ X + (B 1 − B 2 ) ⋅ Vi ] ⋅ d & (9.8) Há ainda termos contendo produtos de xe d, os quais serão desprezados, visto serem o produto de duas variações as quais, por definição, são pequenas. A = A 1 ⋅ D + A 2 ⋅(1 − D) (9.9) B = B1 ⋅ D + B 2 ⋅(1 − D) (9.10) O comportamento em regime permanente pode ser obtido da equação (9.8), fazendo- se nulos os termos variáveis no tempo e as perturbações, resultando em: A ⋅ X + B ⋅ Vi = 0 (9.11) A expressão apenas para a componente alternada é: x = A ⋅ x + [( A 1 − A 2 ) ⋅ X + ( B 1 − B 2 ) ⋅ Vi ] ⋅ d & (9.12) Analogamente, Vo + v0 = C ⋅ X + C ⋅ x+ (C1 − C 2)⋅ X ⋅ d (9.13) C = C1 ⋅ D + C 2 ⋅(1 − D) (9.14) Das equações precedentes, em regime permanente tem-se: Vo = C ⋅ X (9.15) vo = C ⋅ x+ (C1 − C 2)⋅X ⋅ d (9.16) A relação entrada/saída, em regime é dada por: Vo = − C ⋅ A −1 ⋅ B (9.17) Vi Passo 4: Transformação da equação CA para o domínio da freqüência para obter a função de transferência http://www.dsce.fee.unicamp.br/~antenor 9-3
  • 138.
    Fontes Chaveadas -Cap. 9 MODELAMENTO DE FONTES CHAVEADAS NO ESPAÇO DE ESTADO E SÍNTESE DE COMPENSADORES J. A. Pomilio Aplicando a transformada de Laplace à equação (9.12) tem-se: s⋅ x( s) = A ⋅ x( s) + [( A 1 − A 2 ) ⋅ X + ( B1 − B2 ) ⋅ Vi ] ⋅ d( s) (9.18) ou, x( s) = [s⋅ I − A] [( A 1 − A 2 ) ⋅ X + ( B1 − B2 ) ⋅ Vi ] ⋅ d( s) −1 (9.19) onde I é uma matriz unitária. A função de transferência buscada é expressa por: vo( s) = C ⋅ [s⋅ I − A] ⋅ [( A 1 − A 2 ) ⋅ X + ( B1 − B2 ) ⋅ Vi ] + ( C1 − C2 ) ⋅ X −1 Tp ( s) = (9.20) d( s) 9.2 Exemplo 1 Obter a função de transferência vo(s)/d(s) em um conversor abaixador de tensão, operando no modo contínuo. As duas variantes da topologia estão indicadas na figura 9.3. L RL x2 L RL x2 C C + + x1 x1 Ro Vo Ro Vo Vi Rse Rse (a) (b) Figura 9.3 Alternativas topológicas (modo contínuo) de conversor abaixador de tensão: condução do transistor (a) e condução do diodo (b). A resistência série do capacitor é indicada como Rse, enquanto a resistência do indutor é RL . x1 é a corrente pelo indutor e x2 é a tensão sobre o capacitor. Considerando a malha externa no circuito mostrado na figura 9.3.a tem-se: − Vi + L ⋅ x1 + RL ⋅ x1 + Ro ⋅ ( x1 − C ⋅ x 2 ) = 0 & & (9.21) Escrevendo a equação de tensões para a malha de saída: − x 2 − C ⋅ R se ⋅ x 2 + Ro ⋅ ( x 1 − C ⋅ x 2 ) = 0 & & (9.22) Numa forma matricial, as equações anteriores, que são válidas durante o intervalo normalizado δ, podem ser escritas como:  Ro ⋅ ( Rse + RL ) + Rse ⋅ RL Ro  − −  1    x1   & L ⋅ ( Rse + Ro) L ⋅ ( Ro + Rse )   x1     x  =     +  L  Vi (9.23) &   Ro − 1  x 2   0    2   C ⋅ ( Ro + Rse ) C ⋅ ( Ro + Rse )   http://www.dsce.fee.unicamp.br/~antenor 9-4
  • 139.
    Fontes Chaveadas -Cap. 9 MODELAMENTO DE FONTES CHAVEADAS NO ESPAÇO DE ESTADO E SÍNTESE DE COMPENSADORES J. A. Pomilio As equações de estado para o circuito na situação em que o transistor está desligado, por inspeção, podem ser obtidas facilmente, apenas observando que a tensão V i vale zero. Assim A2 = A1 e B2 = 0. A tensão de saída, em ambos os casos é dada por: Ro ⋅ R se ⋅ x 1 + Ro ⋅ x 2 v o = Ro ⋅ ( x 1 − C ⋅ x 2 ) = & (9.24) Ro + R se Então:  Ro ⋅ R se Ro  C1 = C 2 =   (9.25)  Ro + R se Ro + R se  Assim, a matriz e vetor médios são: A = A1 B = B1.D C = C1 As seguintes simplificações podem ser feitas: usualmente, Ro >> Rse , e tanto RL quanto Rse são pequenos, o que simplifica as matrizes e vetores para:  R se + R L 1  − − A = A1 = A2 =  L L  1 1  (9.26)  −   C C ⋅ Ro  C = C1 = C 2 ≈ R se 1 (9.27)  1 B = B1 ⋅ D =  L  ⋅ D (9.28)  0   A inversa da matriz A é:  1 1   − C ⋅ Ro L ⋅ C ⋅ Ro L  A = −1  + RL  (9.29) Ro + R se + R L  − 1 R − se   C L  Usando estes últimos resultados, a função de transferência estática é: Vo Ro + R se = D⋅ ≅D (9.30) Vi Ro + R se + R L A função de transferência vo(s)/d(s) é: http://www.dsce.fee.unicamp.br/~antenor 9-5
  • 140.
    Fontes Chaveadas -Cap. 9 MODELAMENTO DE FONTES CHAVEADAS NO ESPAÇO DE ESTADO E SÍNTESE DE COMPENSADORES J. A. Pomilio vo( s) 1 + s⋅ Rse ⋅ C Tp ( s) = ≅ Vi ⋅ (9.31) d( s)   1 R + RL  1  L ⋅ C ⋅  s2 + s⋅  + se +   Ro ⋅ C L  L ⋅ C  Os diagramas de Bode são mostrados na figura 9.4. 50 Ganho (dB) 0 50 4 5 6 10 100 1000 1 10 1 10 1 10 0 Fase (graus) 100 200 4 5 6 10 100 1000 1 10 1 10 1 10 ω (rd/s) Figura 9.4 Diagramas de Bode do conversor abaixador de tensão para pequenas perturbações. 9.3 Função de transferência δ(S)/vc(S) de um modulador MLP a partir de onda dente de serra A tensão de controle, vc(t), que é a tensão de erro modificada pelo compensador, é comparada com uma onda periódica, vs(t), a qual determina a freqüência do sinal MLP. Esta onda tem um valor máximo Vs. A tensão de controle, que varia entre 0 e Vs, é formada por um nível CC e uma componente alternada (por hipótese, senoidal): v c(t)= Vc + vc(t) (9.32) vc(t)= a ⋅ sin( ωt + φ) (9.33) A figura 9.5 mostra as ondas estudadas: O sinal δ(t) pode ser expresso como: δ ( t ) = 1 se v c ( t ) ≥ v s( t ) (9.34) δ ( t ) = 0 se v c ( t ) < v s( t ) Vc a ⋅ sin(ωt + φ) δ(t ) = + + componentes de freqüência maior (9.35) Vs Vs http://www.dsce.fee.unicamp.br/~antenor 9-6
  • 141.
    Fontes Chaveadas -Cap. 9 MODELAMENTO DE FONTES CHAVEADAS NO ESPAÇO DE ESTADO E SÍNTESE DE COMPENSADORES J. A. Pomilio v s(t) v c (t) Vs a Vc t δ (t) Componente fundamental 1 D 0 t Figura 9.5 Tensão de controle e sinal MLP. Os termos em freqüência elevada presentes em δ(t) não se refletem significativamente na tensão saída em função do filtro passa baixas na saída do conversor, podendo ser ignorados. Assim: δ(t)= D + d(t) (9.36) Vc D= (9.37) Vs a ⋅ sin(ωt + φ) d( t ) = (9.38) Vs A relação buscada é bastante simples, não possuindo qualquer elemento dinâmico: d( s) 1 Tm ( s) = = (9.39) vc( s) Vs 9.4 Projeto de compensador usando o fator K [9.3] Os circuitos mostrados utilizam amplificadores operacionais para realizar as funções de compensação. Na entrada positiva é aplicada a tensão de referência, enquando na entrada não inversora será conectado um sinal proporcional à tensão instantânea de saída. Como a montagem é do tipo inversora de tensão, isto significa que a tensão de saída está sendo subtraída da referência, caracterizando uma realimentação negativa. A análise feita não considera esta inversão de fase entre o sinal de saída do compensador (vc) e o erro da saída, uma vez que o critério de estabilidada já o considera ao limitar a defasagem a 180o para ganhos maiores que 0dB. 9.4.1 Definição dos tipos de compensadores Definiremos 3 tipos básicos de compensadores, em função do número de pólos e zeros de sua respectiva função de transferência e, principalmente, em função de sua característica de defasagem. http://www.dsce.fee.unicamp.br/~antenor 9-7
  • 142.
    Fontes Chaveadas -Cap. 9 MODELAMENTO DE FONTES CHAVEADAS NO ESPAÇO DE ESTADO E SÍNTESE DE COMPENSADORES J. A. Pomilio a) Tipo 1 10 Cf Ri ve - vc vc( ω ) 1 Tensão de erro + ve=Vref-vo 0.1 4 5 1000 1 10 1 10 ω Figura 9.6 Compensador Tipo 1 e respectivo diagrama de ganho Este circuito apresenta um pólo na origem, apresentando uma defasagem constante de -90° e uma atenuação de 20dB/dec. A função de transferência e a freqüência de corte são, respectivamente: vc ( s) 1 = (9.40) ve ( s) Ri ⋅ Cf ⋅ s onde v e ( s) = v ref ( s) − v o ( s) 1 fc = (9.41) 2π ⋅ R i ⋅ C f b) Tipo 2 R2 C1 C2 ve R1 - Vc Tensão de erro ve=Vref-vo + Figura 9.7 Compensador Tipo 2. Aqui temos 1 zero e 1 pólo, e a defasagem sofre um crescimento entre -90° e 0°. O circuito apresenta um ganho AV que pode melhorar a faixa de resposta, tendo os seguintes valores característicos: v c (s) 1 + s⋅ C1⋅ R2 = (9.42) v e (s) s⋅ R1⋅ (C1 + C2 + s⋅ R2 ⋅ C1⋅ C2) R2 O ganho AV é dado por: AV = R1 http://www.dsce.fee.unicamp.br/~antenor 9-8
  • 143.
    Fontes Chaveadas -Cap. 9 MODELAMENTO DE FONTES CHAVEADAS NO ESPAÇO DE ESTADO E SÍNTESE DE COMPENSADORES J. A. Pomilio 0d Fase (graus) -100d Ganho (dB) -20 dB/dec AV 1.0mHz 100mHz 10Hz 1.0KHz 100KHz 1.0MHz Figura 9.8 Diagramas de Bode do compensador Tipo 2. As freqüências do zero e do segundo polo são: 1 fz = (9.43) 2π ⋅ R2 ⋅ C1 C1 + C2 1 f p2 = ≅ se C1 >> C2 (9.44) 2π ⋅ R2 ⋅ C1 ⋅ C2 2π ⋅ R2 ⋅ C2 c) Tipo 3 Este circuito, mostrado na figura 9.9, apresenta 2 zeros e 3 pólos (sendo um deles na origem). Isto cria uma região em que o ganho aumenta (o que pode melhorar a resposta dinâmica) , havendo ainda um avanço de fase. R2 AV1 = (9.45) R1 R 2 ⋅(R1 + R 3) R 2 AV2 = ≅ se R 1 >> R 3 (9.46) R1 ⋅ R 3 R3 C3 R3 R2 C1 C2 ve R1 - Vc Tensão de erro + ve=Vref-vo Figura 9.9 Compensador Tipo 3. http://www.dsce.fee.unicamp.br/~antenor 9-9
  • 144.
    Fontes Chaveadas -Cap. 9 MODELAMENTO DE FONTES CHAVEADAS NO ESPAÇO DE ESTADO E SÍNTESE DE COMPENSADORES J. A. Pomilio 1 f1 = (9.47) 2π ⋅ R 2 ⋅ C1 1 1 f2 = ≅ (9.48) 2π ⋅ C3 ⋅(R1 + R 3) 2 π ⋅ C3 ⋅ R1 1 f3 = (9.49) 2 π ⋅ C3 ⋅ R 3 C1 + C2 1 f4 = ≅ se C1 >> C2 (9.50) 2π ⋅ C1 ⋅ C2 ⋅ R 2 2 π ⋅ C2 ⋅ R 2 Para um melhor desempenho deste controlador, em malha fechada, a freqüência de corte deve ocorrer entre f2 e f3. 100 Fase (graus) -100 Ganho (dB) AV2 -20 dB/dec +20 dB/dec -20 dB/dec AV1 1.0mHz 100mHz 10Hz 1.0kHz 100kHz 1.0MHz f1 f2 f3 f4 Figura 9.10 Diagramas de Bode do compensador Tipo 3. d) O fator k O fator k é uma ferramenta matemática para definir a forma e a característica da função de transferência. Independente do tipo de controlador escolhido, o fator k é uma medida da redução do ganho em baixas freqüências e do aumento de ganho em altas freqüências, o que se faz controlando a alocação dos pólos e zeros do controlador, em relação à freqüência de cruzamento do sistema (fc). Para um circuito do tipo 1, k vale sempre 1. Para o tipo 2, o zero é colocado um fator k abaixo de fc, enquanto o pólo fica um fator k acima de fc. No tipo 3, um zero duplo está alocado um fator k abaixo de fc, e o pólo (duplo), k acima de fc. Sendo fc a média geométrica entre as alocações dos zeros e pólos, o pico do avanço de fase ocorrerá na freqüência de corte, o que melhora a margem de fase. Seja α o avanço de fase desejado. Para um circuito do tipo 2, o fator k é dado por: α π  k = tg +  (9.51)  2 4 http://www.dsce.fee.unicamp.br/~antenor 9-10
  • 145.
    Fontes Chaveadas -Cap. 9 MODELAMENTO DE FONTES CHAVEADAS NO ESPAÇO DE ESTADO E SÍNTESE DE COMPENSADORES J. A. Pomilio Para um circuito tipo 3, tem-se:   α π  2 k =  tg +  (9.52)   4 4  A figura 9.11 mostra o avanço de fase em função do fator k. 200 Avanço de fase Tipo 3 (graus) 150 100 Tipo 2 50 0 4 1 10 100 1000 1 10 Fator k Figura 9.11 Avanço de fase para diferentes compensadores. 9.4.2 Síntese de controlador Passo 1: Diagrama de Bode do conversor: vo(s)/vc(s) Passo 2: Escolha da freqüência de corte (em malha fechada) desejada. Quanto maior esta freqüência, melhor a resposta dinâmica do sistema. No entanto, para evitar os efeitos do chaveamento sobre o sinal de controle, tal freqüência deve ser inferior a 1/5 da freqüência de operação da fonte. Passo 3: Escolha da margem de fase desejada. Entre 30° e 90°. 60° é um bom compromisso Passo 4: Determinação do ganho do controlador. Conhecida a freqüência de corte e o ganho do sistema (em malha aberta), o ganho do controlador deve ser tal que leve, nesta freqüência, a um ganho unitário em malha fechada. Passo 5: Cálculo do avanço de fase requerido. α = M - P - 90° M: margem de fase desejada, P: defasagem provocada pelo sistema Passo 6: Escolha do tipo de compensador. Passo 7: Cálculo do fator k. O fator k pode ser obtido das equações já indicadas ou das curvas decorrentes. A alocação dos zeros e pólos determinarão os componentes, de acordo com as equações mostradas a seguir. http://www.dsce.fee.unicamp.br/~antenor 9-11
  • 146.
    Fontes Chaveadas -Cap. 9 MODELAMENTO DE FONTES CHAVEADAS NO ESPAÇO DE ESTADO E SÍNTESE DE COMPENSADORES J. A. Pomilio O pólo na origem causa uma variação inicial no ganho de -20dB/dec. A freqüência na qual esta linha cruza (ou deveria cruzar) o ganho unitário é definida como a "freqüência de ganho unitário" - UGF. G é o ganho necessário dar ao compensador para que se obtenha a freqüência de corte desejada. Tipo 1: 1 UGF = (9.53) 2π ⋅ Cf ⋅ Ri ⋅ G Tipo 2: 1 UGF = (9.54) 2π ⋅ R1 ⋅(C1 + C2 ) 1 C2 = (9.55) 2π ⋅ f ⋅ G ⋅ k ⋅ R1 C1 = C2 ⋅(k 2 − 1) (9.56) k R2 = (9.57) 2π ⋅ f ⋅ C1 Tipo 3: 1 UGF = (9.58) 2π ⋅ R1 ⋅(C1 + C2 ) 1 C2 = (9.59) 2π ⋅ f ⋅ G ⋅ R1 C1 = C2 ⋅(k − 1) (9.60) k R2 = (9.61) 2π ⋅ f ⋅ C1 R1 R3 = (9.62) k −1 1 C3 = (9.63) 2π ⋅ f ⋅ R3 ⋅ k 9.4.3 Exemplo 1 Considere um conversor em meia ponte, operando a 20kHz, cuja função de transferência apresenta os diagramas de Bode (vo(s)/vc(s)) mostrados na figura 9.12. Determinar um compensador para que se tenha uma margem de fase de 60°. http://www.dsce.fee.unicamp.br/~antenor 9-12
  • 147.
    Fontes Chaveadas -Cap. 9 MODELAMENTO DE FONTES CHAVEADAS NO ESPAÇO DE ESTADO E SÍNTESE DE COMPENSADORES J. A. Pomilio Ganho(dB) + 40 Fase (graus) +20 Ganho +90 +12 -40dB/dec Fase 0 0 -12 -20 -90 -155 -40 -180 0.1 1 4 10 100 Freq. (kHz) Figura 9.12 Diagramas de Bode de conversor meia-ponte. Solução: A freqüência de corte em malha fechada será de 4kHz. Nesta freqüência, o sistema apresenta uma atenuação de 12dB. Assim, o controlador deve ter um ganho de 12dB (4 vezes). Ainda em 4kHz, a defasagem provocada pelo sistema é de 155°. O avanço de fase necessário é: Avanço = 60° - (-155°) - 90° = 125° Isto significa que devemos usar um controlador do tipo 3. Usando as curvas mostradas anteriormente, determinamos um fator k = 16. Os componentes são agora calculados, arbitrando um valor para R1 de 10kΩ. C2 = 1nF C1 = 15nF R2 = 10,6kΩ R3 = 667Ω C3 = 15nF O zero duplo estará alocado em 1kHz, enquanto o pólo duplo estará em 16kHz. O diagrama de Bode do controlador está mostrado na figura 9.13. 50d 40 Ganho (dB) 30 0d 20 -50d 10 Fase (graus) -100d 0 10Hz 100Hz 1.0KHz 10KHz 100KHz Figura 9.13 Diagrama de Bode do compensador tipo 3. http://www.dsce.fee.unicamp.br/~antenor 9-13
  • 148.
    Fontes Chaveadas -Cap. 9 MODELAMENTO DE FONTES CHAVEADAS NO ESPAÇO DE ESTADO E SÍNTESE DE COMPENSADORES J. A. Pomilio 9.4.4 Exemplo 2 Consideremos um conversor elevador de tensão, operando no modo contínuo. Como já foi visto no capítulo anterior, neste caso tem-se um sistema que apresenta um zero no semi- plano direito, sendo de difícil controle. Utilizando um compensador do Tipo 3, projetado de acordo com o roteiro visto, foi simulado um sistema apresentando margem de fase de 10 graus e margem de ganho de 1,5 dB. Tais valores estreitos indicam que a resposta do sistema a uma variação rápida na referência (ou na carga) deve ter um comportamento pouco amortecido, mas deve ser estável. A figura 9.14 mostra a resposta do sistema, em malha aberta (sem o compensador) e em malha fechada, obtida a partir do circuito cujos parâmetros estão mostrados na figura 9.15. Na figura 9.16 tem-se a resposta no tempo a uma mudança de 5% na referência, podendo-se notar a variação da saída inicialmente no sentido oposto ao desejado (sistema de fase não mínima) e o comportamento estável mas subamortecido. 100 Ganho (dB) Conversor boost, em malha aberta, no modo contínuo 0 Fase (graus) -180 o -360 100 Ganho (dB) Conversor boost em malha fechada com compensador Tipo 3 0 Fase (graus) -180 o -360 10Hz 100Hz 1.0KHz 10KHz 100KH Figura 9.14 Resposta em freqüência de conversor boost operando no modo contínuo, incluindo compensador do Tipo 3. Figura 9.15 Diagrama do conversor boost simulado, incluindo o compensador. http://www.dsce.fee.unicamp.br/~antenor 9-14
  • 149.
    Fontes Chaveadas -Cap. 9 MODELAMENTO DE FONTES CHAVEADAS NO ESPAÇO DE ESTADO E SÍNTESE DE COMPENSADORES J. A. Pomilio 400V 300V Tensão de saída 200V Tensão de referência 100V 0s 10ms 20ms 30ms 40ms 50ms Figura 9.16 Resposta no tempo a uma variação em degrau na referência para um conversor boost operando no modo contínuo, com compensador Tipo 3. 9.5 Referências Bibliográficas [9.1] Middlebrook, R.D. and Cuk, S.: "A General Unified Approach to Modelling Switching Converter Power Stage". 1976 IEEE Power Electronics Specialists Conference Record, pp. 18-34 [9.2] Cuk, S. and Middlebrook, R.D. : "A General Unified Approach to Modelling Switching DC-to-DC Converter in Discontinuous Conduction Mode". 1977 IEEE Power Electronics Specialists Conference Record, pp 36-57 [9.3] Venable, H.D.: "The k-factor: A New Mathematical Tool for Stability Analysis and Synthesis" Proc. of Powercon 10, March 22-24, 1983, San Diego, USA http://www.dsce.fee.unicamp.br/~antenor 9-15
  • 150.
    Fontes Chaveadas -Cap. 10 MODELAGEM DE CONVERSORES UTILIZANDO MODELO DA CHAVE PWM J. A. Pomilio 10. MODELAGEM DE CONVERSORES UTILIZANDO MODELO DA CHAVE PWM As topologias básicas de conversores cc-cc possuem uma chave controlada e outra não-controlada associadas a elementos lineares invariantes no tempo. O conjunto destas duas chaves recebe o nome de chave PWM [10.1]. O objetivo neste capítulo é desenvolver um modelo linear para estas chaves, válido em torno do ponto de operação. O projeto adequado do compensador necessita um conhecimento do modelo matemático do comportamento do conversor frente a pequenas perturbações. 10.1 Propriedades invariantes das chaves PWM A figura 10.1 mostra os conversores básicos, indicando terminais chamados a, p e c, denominados ativo, passivo e comum. a c L L c p ia ic ic Vi C Vi C p a ia L1 a p L2 a c p i a C1 ia Vi Vi C L C c ic ic Figura 10.1 Conversores básicos indicando terminais ativo (a), passivo (p) e comum (c). A chave pode ser modelada da seguinte forma: a δ c ia ic δ* p Figura 10.2 Modelo da chave PWM. onde δ é o ciclo de trabalho e δ*=(1-δ), o seu complemento. No modo contínuo, ic será sempre diferente de zero. No intervalo (δ.τ) (chave controlada fechada), independentemente da topologia, tem-se: i a(t)= i c (t) (10.1) http://www.dsce.fee.unicamp.br/~antenor 10-1
  • 151.
    Fontes Chaveadas -Cap. 10 MODELAGEM DE CONVERSORES UTILIZANDO MODELO DA CHAVE PWM J. A. Pomilio v ap (t)= v cp (t) (10.2) No intervalo complementar: i a(t)= 0 (10.3) v cp (t)= 0 (10.4) Novamente, também neste tipo de análise, interessam os valores médios das variáveis (uma vez que se pretende utilizar ferramentas de análise linear de sistemas). No estudo do comportamento dinâmico, as perturbações estudadas serão, por hipótese, em frequência muito menor do que a frequência de chaveamento e de pequena amplitude. As grandezas médias serão expressas por tipos maiúsculos, enquanto os termos relativos às perturbações serão indicados com uma letra em estilo script: d, v, etc. Pode-se demonstrar que a seguinte relação é verdadeira: I a = δ⋅I c (10.5) Considerando as formas de corrente ia(t) e ic(t) mostradas na figura 10.3, e ainda a presença da resistência série do capacitor do filtro de saída, tem-se as ondas de vap(t) e vcp(t) indicadas na figura 10.4, considerando e desprezando a ondulação na corrente. ia (t) Ia=Ic. δ tT t τ i c (t) Ic t Figura 10.3 Corrente nos terminais ativo e comum. A forma retangular de vap(t) (exceto no conversor abaixador, quando vap(t) é sempre igual à tensão de entrada), decorre, assim, da presença de resistência no caminho da corrente ic(t). Desprezando a ondulação desta corrente, a ondulação na tensão vap(t) pode ser dada por: Vr = I c ⋅ Re (10.6) onde Re é função da resistência série equivalente do capacitor e da carga, Ro. http://www.dsce.fee.unicamp.br/~antenor 10-2
  • 152.
    Fontes Chaveadas -Cap. 10 MODELAGEM DE CONVERSORES UTILIZANDO MODELO DA CHAVE PWM J. A. Pomilio vap (t) vap (t) Vr Vap tT tT vcp (t) τ t vcp (t) τ t Vcp δ δ∗ t δ δ∗ t (a) (b) Figura 10.4 Tensões nos terminais da chave PWM sem (a) e com (b) a ondulação na corrente considerada. Nos conversores elevador e abaixador-elevador, o capacitor de s aída está e m paralelo com a carga, de modo que o valor de Re é a associação em paralelo de Rse e R. No conversor Cuk Re = Rse. Da figura anterior, pode-se obter: Vcp = δ ⋅ ( Vap − I c ⋅ Re ⋅ δ* ) (10.7) 10.2 Modelo CC da chave PWM Seja o ciclo de trabalho composto por uma componente de valor constante e uma perturbação: δ= D+ d (10.8) Para um ciclo de trabalho constante (δ=D), e supondo que as variáveis sofram alguma perturbação devido a mudança na tensão de entrada ou na carga, tem-se: (I a + i a ) = D ⋅ ( I c + i c ) (10.9) ia = D ⋅ ic (10.10) vcp = D ⋅ vap − D * ⋅D ⋅ R e ⋅ i c (10.11) Das equações anteriores, obtém-se o circuito equivalente dado na figura 10.5, no qual o "transformador" é um elemento fictício e que permite a transformação de tensões ca ou cc. http://www.dsce.fee.unicamp.br/~antenor 10-3
  • 153.
    Fontes Chaveadas -Cap. 10 MODELAGEM DE CONVERSORES UTILIZANDO MODELO DA CHAVE PWM J. A. Pomilio a c ia . . D.D*.Re ic vap 1: D vcp p Figura 10.5 Circuito equivalente (fictício) para chave PWM com transformador CC. 10.3 Modelo CA da chave PWM Para uma pequena perturbação no ciclo de trabalho, tem-se: ia = D ⋅ ic + I c ⋅ d (10.12) vcp = D ⋅ ( vap + I c ⋅ R e ⋅ d − i c ⋅ R e ⋅ D* ) + d ⋅ ( Vap − I c ⋅ R e ⋅ D* ) (10.13) [ ] vcp d vap = + i c ⋅ R e ⋅ D * − V ap + I c ⋅ ( D − D* ) ⋅ R e ⋅ (10.14) D D V D = Vap + I c ⋅ R e ⋅ ( D − D* ) (10.15) Destas equações pode-se representar a chave como mostrado na figura 10.6: Na verdade, este modelo é geral, podendo ser usado para a análise CC fazendo-se d=0 e ic = Ic. a c - + ia VD d . . D.D*.Re ic D 1: D d. Ic vcp p Figura 10.6 Modelo da chave CA 10.4 Efeito das perdas em condução e do tempo de armazenamento sobre o modelo da chave PWM Especialmente para os transistores bipolares, a atraso decorrente do tempo de armazenamento provoca uma alteração no ciclo de trabalho efetivo do conversor, de modo que a perturbação no ciclo de trabalho pode ser representada por: http://www.dsce.fee.unicamp.br/~antenor 10-4
  • 154.
    Fontes Chaveadas -Cap. 10 MODELAGEM DE CONVERSORES UTILIZANDO MODELO DA CHAVE PWM J. A. Pomilio ic δ ef = δ − (10.16) I me onde I me é um parâmetro que depende do tipo de circuito de acionamento de base do transistor. Substituindo (16) em (12) e (14) chega-se a:  Ic  i a = D − ⋅ i + Ic ⋅d I me  c (10.17)   vcp  r  V vap = + i c ⋅  Re ⋅ D * + m  − D ⋅ d (10.18) D  D D VD rm = (resistência modulada) I me Como geralmente D >> Ic/Im , pode-se reescrever (10.17): e ia = D ⋅ ic + I c ⋅ d (10.19) Isto significa que, no modelo, a inclusão do tempo de armazenamento não afeta o comportamento da corrente, mas apenas o da tensão, como se pode observar na figura 10.7, na qual são incluídas as resistências de condução do diodo (rd) e do transistor (rt). a c r D.D*.Re r ia t m ic r d p Figura 10.7 Modelo da chave incluindo resistências do diodo, do transistor e “modulada”. Vcp = D ⋅ ( Vap − I c ⋅ D * ⋅Re − I c ⋅ rt ) − D * ⋅I c ⋅ rd (10.20) Admitindo uma perturbação no ciclo de trabalho, δ = D + d, de (10.20) chega-se a: vcp VD vap = + i c ⋅ rc − d ⋅ (10.21) D D rc = rm + D ⋅ rt + D * ⋅rd + D ⋅ D * ⋅Re (10.22) VD = Vap + ( D − D* ) ⋅ I c ⋅ Re + I c ⋅ ( rd − rt ) (10.23) http://www.dsce.fee.unicamp.br/~antenor 10-5
  • 155.
    Fontes Chaveadas -Cap. 10 MODELAGEM DE CONVERSORES UTILIZANDO MODELO DA CHAVE PWM J. A. Pomilio O que leva ao modelo mostrado na figura 10.8: a - + ia . . D.D*.Re rm D rt +D*rd i c c VD d D 1: D d.Ic p Figura 10.8 Modelo completo da chave PWM. 10.5 Análise do conversor abaixador de tensão As seguintes relações serão obtidas: vo(s)/vi(s) : variação da saída frente a perturbação na entrada M = Vo/Vi : taxa de conversão Zin : impedância de entrada Zout : impedância de saída vo(s)/δ(s) : variação da saída frente a perturbação no ciclo de trabalho O circuito (figura 10.9) e o modelo (figura 10.10) estão indicados a seguir. a c L ia ic Vi C p Figura 10.9 Conversor abaixador de tensão. VD d D r m D r +D* r L RL io a a1 c1 D.D*.Re ' t d - + ia . . ic c + Rse d.Ic 1: D vap vc1p Ro vo vi va1p C vcp i1 p Figura 10.10 Modelo para o conversor abaixador de tensão. http://www.dsce.fee.unicamp.br/~antenor 10-6
  • 156.
    Fontes Chaveadas -Cap. 10 MODELAGEM DE CONVERSORES UTILIZANDO MODELO DA CHAVE PWM J. A. Pomilio 10.5.1 Análise CC Analisando o modelo, e considerando que: o ciclo de trabalho é constante (d = 0); os indutores são representados apenas por suas resistências; os capacitores estão abertos; a tensão de entrada; Vi é constante; Re = 0, obtém-se: Vap = Vi (10.24) Vc1p = D ⋅ Vap (10.25) Vc1p − Vo = ( RL + rm + D ⋅ rt + D * ⋅rd ) ⋅ I c (10.26) Vo Io = (10.27) Ro de cujas equações se obtém: Vo D ⋅ Ro M= = (10.28) Vi Ro + R L + rm + rt ⋅ D + rd ⋅ D * Desprezando rm, RL , rt e rd, então: Vo M= =D (10.29) Vi 10.5.2 Determinação de vo(s)/vi(s) Admitindo ciclo de trabalho constante (d = 0) e que a tensão se entrada sofra pequenas perturbações (vi = Vi + vi ), da inspeção do modelo tem-se: D ⋅ vi − vo = ( rm + D ⋅ rt + D * ⋅rd + R L ) ⋅ i c + L ⋅ di c (10.30) dt vo = Ro ⋅ i o (10.31) R1 = rm + D ⋅ rt + D * ⋅rd + R L (10.32) ∫ i ⋅ dt 1 vo = R se ⋅ i 1 + (10.33) C 1 i c = i o + i1 (10.34) Aplicando a transformada de Laplace às equações anteriores e resolvendo-se, chega- se ao diagrama de blocos mostrado na figura 10.11: Pelo diagrama, obtém-se: http://www.dsce.fee.unicamp.br/~antenor 10-7
  • 157.
    Fontes Chaveadas -Cap. 10 MODELAGEM DE CONVERSORES UTILIZANDO MODELO DA CHAVE PWM J. A. Pomilio D ⋅ Ro ⋅ (s⋅ C ⋅ Rse + 1) vo (s) ( Ro ⋅ C ⋅ L + Rse ⋅ C ⋅ L ) = (10.35) vi (s)  C ⋅ ( Ro ⋅ R1 + Ro ⋅ Rse + R1 ⋅ Rse ) + L  Ro + R1 s2 + s⋅  +  L ⋅ C ⋅ ( Ro + Rse )  L ⋅ C ⋅ ( Ro + Rse ) vi + 1 ic + i1 1 vo δ Rse+ - sL+R 1 sC - io 1 Ro Figura 10.11 Diagrama de blocos do sistema. Desprezando os elementos parasitas do modelo, recai-se na expressão clássica para o conversor: 1 vo (s) = D⋅ L ⋅C (10.36) vi (s) 1 1 s2 + s⋅ + Ro ⋅ C L ⋅ C Nota-se de (10.35) e (10.36) que o comportamento depende do ponto de operação, ou seja, do ciclo de trabalho. 10.5.3 Cálculo de v (s)/d(s) o Sabendo que V ap = V i , e admitindo vi constante (vi = 0) e que o ciclo de trabalho sofra pequena perturbação, da análise do modelo tem-se: d vap = va1p − VD ⋅ =0 (10.37) D vc1p = D ⋅ va1p (10.38) o que resulta em: vc1p = VD ⋅ d (10.39) Como não existe ondulação de tensão em vap (já que para este conversor Re = 0), pode-se escrever, de (10.23): V D = Vi + I c ⋅ ( rd − rt ) (10.40) Definindo R2 = rd - rt +RL (10.41) http://www.dsce.fee.unicamp.br/~antenor 10-8
  • 158.
    Fontes Chaveadas -Cap. 10 MODELAGEM DE CONVERSORES UTILIZANDO MODELO DA CHAVE PWM J. A. Pomilio chega-se ao seguinte sistema de equações, o qual leva ao diagrama de blocos mostrado na figura 10.12: di c VD ⋅ d − vo = R 2 ⋅ i c + L ⋅ (10.42) dt vo = Ro ⋅ i o (10.43) 1 C∫ vo = R se ⋅ i 1 + i 1 ⋅ dt (10.44) i c = i o + i1 (10.45) d + 1 ic + i1 1 vo VD Rse+ - sL+R 2 sC - io 1 Ro Figura 10.12 Diagrama de blocos do sistema. Do circuito equivalente (figura 10.10) obtém-se: vo (s) = VD ⋅ F(s) (10.46) d(s) Ro ⋅ (1 + s⋅ C ⋅ Rse ) L ⋅ C ⋅ ( Ro + Rse ) F(s) = (10.47)  C ⋅ ( Ro ⋅ R2 + Ro ⋅ Rse + Rse ⋅ R2 ) + L  Ro + R2 s2 + s⋅  +  L ⋅ C ⋅ ( Ro + Rse )  L ⋅ C ⋅ ( Ro + Rse ) V D = Vi + I c ⋅ ( rd − rt ) (10.48) Nota-se que a resposta independe do valor médio do ciclo de trabalho, ou seja, do ponto de operação. A figura 10.13 mostra os diagramas de Bode da função de transferência entre a tensão de saída e o ciclo de trabalho, considerando e desprezando as resistências “parasitas” do modelo. http://www.dsce.fee.unicamp.br/~antenor 10-9
  • 159.
    Fontes Chaveadas -Cap. 10 MODELAGEM DE CONVERSORES UTILIZANDO MODELO DA CHAVE PWM J. A. Pomilio 50 Ganho (db) 0 Com Rse e R2 Sem Rse e R2 50 1 10 100 1000 110 4 1105 Valores usados: 0 Vi=100 rm=1 Ro=10 δ=0,5 Fase (graus) Rse=0,3 C=100uF L=10mH 100 Po=250W rt=0,1 rd=0,3 200 1 10 100 1000 110 4 1105 f (Hz) Figura 10.13 Diagramas de Bode relativos à figura 10.12. 10.5.4 Cálculo de Zin (impedância dinâmica de entrada) Por definição: Zin = Vin(s)/Iin(s) (10.49) Do modelo, V in(s) = vi (s) e I in(s) = ia(s). Admitindo um ciclo de trabalho constante (d = 0), tem-se: ia = D ⋅ ic (10.50) Do diagrama de blocos tem-se: s⋅ C ⋅ Ro R 1  ⋅  se + + 1 i c (s) L ⋅ C ⋅ (Ro + Rse )  Ro s⋅ C ⋅ Ro  = (10.51) D ⋅ vi (s)  L + C ⋅ (Ro ⋅ ( R1 + Rse ) + R1 ⋅ Rse ) R1 + Ro s2 + s⋅  +  L ⋅ C ⋅ ( Ro + Rse )  L ⋅ C ⋅ ( Ro + Rse )  L + C ⋅ (Ro ⋅ ( R1 + Rse ) + R1 ⋅ Rse ) R1 + Ro E = s2 + s⋅  + (10.52)  L ⋅ C ⋅ ( Ro + Rse )  L ⋅ C ⋅ ( Ro + Rse ) vi (s) 1 E ⋅ C ⋅ L ⋅ ( Ro + R se ) Z in = = 2⋅ (10.53) i a (s) D 1 + s⋅ C ⋅ ( Ro + R se ) 10.5.5 Cálculo de Zout (impedância dinâmica de saída) Por definição, curto-circuitando as fontes de tensão, e abrindo as fontes de corrente, tem-se:  v (S)   1  Zout =  o  / / Ro / / Rse +  (10.54)  i c (S)   S⋅ C  http://www.dsce.fee.unicamp.br/~antenor 10-10
  • 160.
    Fontes Chaveadas -Cap. 10 MODELAGEM DE CONVERSORES UTILIZANDO MODELO DA CHAVE PWM J. A. Pomilio 8 Módulo [Ω] 6 4 4 5 10 100 1000 1 10 1 10 100 Fase (graus) 50 0 5 10 100 1000 1 10 4 1 10 f (Hz) Figura 10.14 Comportamento da impedância de entrada. Do diagrama de blocos, vo (s) = s⋅ L + R1 (10.55) i c (s) Trabalhando as equações precedentes, tem-se: Ro ⋅ R1  S⋅ L  ⋅ 1 +  ⋅ [1 + s⋅ C ⋅ Rse ] L ⋅ C ⋅ ( Ro + Rse )  R1  Zout = (10.56) E 1.5 Módulo [Ω] 1 0.5 0 4 5 10 100 1000 1 10 1 10 0 Fase (graus) 20 40 4 5 10 100 1000 1 10 1 10 f (Hz) Figura 10.15 Comportamento da impedância de saída. 10.6 Referências Bibliográficas [10.1] Vorpérian, V.: “Simplify PWM Converter Analysis Using a PWM Switch Model”. PCIM, March 1990, pp. 10-15. http://www.dsce.fee.unicamp.br/~antenor 10-11
  • 161.
    Fontes Chaveadas -Cap. 11 CIRCUITOS INTEGRADOS DEDICADOS J. A. Pomilio 11. CIRCUITOS INTEGRADOS DEDICADOS AO ACIONAMENTO E CONTROLE DE FONTES CHAVEADAS Nos últimos 15 anos, uma variedade de circuitos integrados dedicados ao controle de fontes chaveadas foi desenvolvida. Os controladores que operam no modo tensão (controlando o valor médio da tensão de saída) ainda dominam o mercado, embora diversos permitam operação no modo corrente (controlando a corrente sobre o elemento indutivo do circuito). O método de controle mais utilizado é o de Modulação por Largura de Pulso, embora existam circuitos que operam com Modulação em Freqüência. Alguns CIs possuem apenas 1 s aída, enquanto outros fornecem 2 saídas deslocadas de 180° elétricos entre si. Além disso, a maioria possui um amplificador de erro e uma referência interna, permitindo a implementação da malha de controle. A tabela 11.I indica algumas características de diferentes circuitos. TABELA 11.I Classificação e exemplos de circuitos integrados para fontes chaveadas Modo Tensão Modo Tensão com Modo Corrente Latch Osc. S Técnica de controle Osc. Osc. (esquemático) MLP S I Q R Ref. Ref. R MLP Ref. Saída única MC34060 MPC1600 UC1842 Saída dupla TL494/594 SG3525/26/27 UC1846 Característica Baixo custo Limite digital de Especial para Fly-back. corrente. Inerente compensação Boa imunidade a ruído da tensão de entrada Formas de onda As características específicas de cada CI variam em função da aplicação, do grau de desempenho esperado, das proteções implementadas, etc. Em linhas gerais pode-se dizer que os atuais CIs possuem as seguintes características: . oscilador programável (freqüência fixa até 500kHz) . sinal MLP linear, com ciclo de trabalho de 0 a 100% . amplificador de erro integrado . referência de tensão integrada . tempo morto ajustável . inibição por sub-tensão . elevada corrente de saída no acionador (100 a 200mA) . opção por saída simples ou dupla http://www.dsce.fee.unicamp.br/~antenor 11-1
  • 162.
    Fontes Chaveadas -Cap. 11 CIRCUITOS INTEGRADOS DEDICADOS J. A. Pomilio . "soft start" . limitação digital de corrente . capacidade de sincronização com outros osciladores 11.1 Técnicas de isolação de sistemas com reguladores chaveados A implementação de uma fonte de tensão desacoplada da rede deve prever a capacidade de oferecer na saída uma tensão com boa regulação e, em geral de valor reduzido (em comparação com a tensão da rede). Uma outra característica deve ser a isolação entre entrada e saída, de modo a proteger o usuário de choques devido à fuga de corrente e ao elevado potencial da entrada. A figura 11.1 indica 2 possibilidades de implementação de fontes de alimentação isoladas, podendo-se notar os diferentes "terras". T1 Vi (ac) Retificador e Vo Retificador de Elementos de Filtro de entrada e filtros Chaveamento Saída T2 Amplif. de erro e Controlador MLP T1 Vi (ac) Retificador e Vo Retificador de Elementos de Filtro de entrada e filtros Chaveamento Saída Ampl. Ref erro Controlador Isolador ótico MLP Figura 11.1 Algumas alternativas para isolação do circuito de controle e acionamento Na 1ª figura, o circuito de controle está no mesmo potencial da saída, ficando a isolação por conta dos transformadores T1 (de potência) e T2 (de acionamento). Já na figura (b) o circuito de controle está no potencial da entrada e a isolação é feita pelo transformador T1 (potência) e por um isolador ótico, o qual realimenta o sinal de erro da saída. http://www.dsce.fee.unicamp.br/~antenor 11-2
  • 163.
    Fontes Chaveadas -Cap. 11 CIRCUITOS INTEGRADOS DEDICADOS J. A. Pomilio 11.2 TL494 A figura 11.2 mostra o diagrama interno do CI TL494. Modo de controle da saída 13 Vcc 6 5 . R C Oscilador Comparador FF Q . Q1 . . 4 . com tempo morto - CK Q . . 0,12V 0,7V + - . Q2 0,7mA . + MLP + -1 . + 2- GND Referência Vref Vcc 12 Amplif. de erro 7 5V 1 2 3 15 16 14 Figura 11.2 Diagrama interno do CI TL494 O TL494 possui 2 s aídas, com deslocamento de 180° elétricos, de modo a ser possível o acionamento de uma topologia tipo push-pull. Caso ambas saídas sejam conectadas em paralelo, tem-se um acionamento para um conversor de uma única chave. A onda dente de serra utilizada para gerar o sinal MLP vem de um oscilador interno cuja freqüência é determinada por um par RC conectado externamente. O sinal MLP é obtido pela comparação da tensão sobre o capacitor (dente de serra) com o sinal proveniente de um dos sinais de controle. A cada subida do sinal MLP altera- se o estado do flip-flop, de modo a selecionar uma das saídas a cada período do oscilador. Uma operação lógica entre o sinal MLP e as saídas do FF, é enviada às saídas. Além disso, um sinal de controle de modo de saída (pino 13) faz com que, quando em nível alto, a s saídas sejam adequadas a um conversor push-pull. Quando em nível baixo, ambas as saídas variam simultaneamente, uma vez que os sinais do FF ficam inibidos. O sinal MLP depende ainda de um comparador que determina o tempo morto, ou seja, uma largura de pulso máxima em cada período, o que garante um intervalo de tempo em que ambas as saídas estão desligadas. Em uma topologia push-pull ou em ponte isto impede a condução simultânea de ambas as chaves, o que colocaria em curto-circuito a fonte. Uma tensão interna de 120mV associada à entrada de tempo morto garante um valor mínimo de cerca de 4%, limitando assim o ciclo de trabalho máximo a 96%. Um potencial mais elevado conectado a este pino (4), aumenta o tempo morto, numa faixa de variação de 0 a 3,3V (tempo morto de 100%). A regulação da tensão de saída é usualmente feita por meio dos amplificadores de erro, com o sinal de realimentação disponível no pino 3. Os 2 amplificadores de erro podem ser usados para fazer a realimentação de tensão e limitar a corrente pelo circuito. As saídas dos amplificadores estão conectadas de modo a que o sinal na entrada do comparador MLP (pino 3) seja determinado pelo amplificador que apresentar a tensão http://www.dsce.fee.unicamp.br/~antenor 11-3
  • 164.
    Fontes Chaveadas -Cap. 11 CIRCUITOS INTEGRADOS DEDICADOS J. A. Pomilio mais elevada, o que leva à menor largura de pulso nas saídas. A tensão neste pino encontra-se entre 0,5 e 3,5V. O CI dispõe de uma fonte de referência interna de 5V 11.3 UC1840 A família dos circuitos integrados UC1840 (Unitrode) foi desenvolvida especialmente para uso no lado da entrada em conversores fly-back ou forward. A figura 11.3 mostra o diagrama de blocos do circuito. 11: Vin (sensor) Ger. Rampa 10: Rampa Clock Rt/Ct : 9 Osc. 15: Vin (fonte) Drive Latch Compensação: 1 R 14: Polarização Ent. inv: 17 do driver - Amp S Latch 12: saída MLP +Comp. Ent. NI: 18 + + MLP MLP + Start/sub-tensão: 2 + Comp. 200uA Histerese 5V 16: Ref. de 5V Fonte 3V (int.) S Interna Start 40V latch Reset: 5 S 13: GND Comp. Reset R Latch 8: Partida suave ou 3V(int.) + limitador de largur R Parada ext.: 4 Comp. + 6: Limiar de R + Comp. limite de corrente S Erro Latch Comp. + 7: sensor de corrente Comp. sobre-tensão: 3 + 400mV Figura 11.3 Diagrama de blocos interno do UC1840 O integrado oferece as seguintes características: . operação em freqüência fixa, ajustável por um par RC externo . gerador de rampa com inclinação variável de modo a manter um produto (volt x segundo) constante, possibilitando regulação de tensão mesmo em malha aberta, minimizando ou até eliminando a necessidade de controle por realimentação . auto-inicialização de funcionamento . referência de tensão interna, com proteção de sobre-tensão . proteção contra sobre e sub-tensão, incluindo desligamento e religamento programável . acionador de saída único, para alta corrente, otimizado para rápido desligamento da chave de potência Um circuito típico de aplicação é mostrado na figura 8.4. http://www.dsce.fee.unicamp.br/~antenor 11-4
  • 165.
    Fontes Chaveadas -Cap. 11 CIRCUITOS INTEGRADOS DEDICADOS J. A. Pomilio Entrada cc Rr Rin N3 Entrada ca +Vin N1 Vref R4 16 15 Cin N4 11 Rt Ger. Vref 9 Rampa 10 Osc. Ct Cr N5 N2 +Vin R1 Rf Cf 1 Drive 17 Rb Cd 14 R5 Vref 18 Ampl. PWM 12 Erro 2 Vref Rd R6 R8 sub-tensão R2 6 sobre-tensão 3 7 Limite R3 corrente R7 Rs Stop 4 Rcs Remoto Partida 8 Reset 5 Suave 13 Rdc Cs UC1804 Figura 11.4 UC1840 acionando conversor forward. No início da operação, e antes que a tensão no pino 2 atinja 3V, o comparador de partida/sub-tensão (UV) puxa uma corrente de 200uA, causando uma queda de tensão adicional em R1. Ao mesmo tempo o transistor de saída está inibido, fazendo com que a única corrente por Rin seja devido ao "start-up". O transistor de partida lenta está conduzindo, mantendo o capacitor Cs descarregado. Enquanto a tensão de controle permanecer abaixo do limite de partida (determinado pelos resistores R4 e R5), o latch de partida não monitora sub-tensão. Atingido o limite, o comparador de partida/UV elimina os 200uA, setando o FF de partida para monitorar a sub-tensão. Além disso, ativa o transistor de saída para alimentar a chave de potência, desliga o transistor de partida lenta, permitindo a carga de Cs (via Rs) e o aumento gradativo da largura de pulso. O pino 8 pode ser usado tanto para partida lenta quanto para limitar o máximo ciclo de trabalho, bem como uma entrada de inibição do sinal MLP. A largura de pulso pode variar de 0 a 90%, podendo o valor máximo ser limitado por um divisor de tensão colocado no pino 8 (Rdc). Quando se deseja uma rampa constante, Rr deve ser conectado à referência interna de 5V. Quando se quiser uma operação com o produto (volt x segundo) fixo, Rr deve ser ligado à linha de alimentação CC. A inclinação da rampa será dada por: dv V (linha) = (8.1) dt R R ⋅ CR Seu valor máximo é de 4,2V e o mínimo de 0,7V. A freqüência é determinada por RT (entre 1kΩ e 100kΩ) e CT (entre 300pF e 100nF). http://www.dsce.fee.unicamp.br/~antenor 11-5
  • 166.
    Fontes Chaveadas -Cap. 11 CIRCUITOS INTEGRADOS DEDICADOS J. A. Pomilio A parte MLP do integrado é formada pelo oscilador, pelo gerador de rampa, pelo amplificador de erro, pelo comparador MLP, pelo FF de latch e pelo transistor de saída. O amplificador de erro é um operacional convencional, com uma tensão de modo comum entre 1 e (Vin-2)V. Assim, qualquer das entradas pode ser conectada à referência de 5V. A outra entrada deve monitorar a tensão de saída (ou a de entrada). O comparador MLP possui entradas para o gerador de rampa, o amplificador de erro, o circuito de partida lenta e o limitador de corrente. À saída deste comparador tem-se um pulso que se inicia ao final do pulso de clock do oscilador e termina quando a rampa cruza o menor dos três sinais de entrada citados. A duração do sinal do oscilador determina a máxima duração possível para o pulso MLP. O FF assegura a existência de apenas 1 pulso por período. O transistor de s aída é capaz de fornecer 200mA, podendo acionar diretamente transistores MOSFET ou bipolares. Circuitos auxiliares para permitir detecção de sobre-tensão, parada e acionamento comandados externamente também estão presentes. Limitação de corrente e desligamento em caso de sobre-corrente são implementados com comparadores de diferentes limiares. Na ocorrência de uma sobrecarga, estes comparadores estreitam o sinal MLP, ao mesmo tempo em que ligam o transistor de partida lenta, descarregando Cs, assegurando um reinício de operação adequado, quando cessar a falha. 11.4 UC1524A O circuito integrado UC1524A é uma versão melhorada dos primeiros controladores MLP, o SG1524. O diagrama de blocos está mostrado na figura 11.5. Um gerador de onda dente de serra tem sua freqüência determinada por um par RC conectado externamente. O limite usual é de 500kHz. A rampa gerada tem uma excursão de aproximadamente 2,5V. O comparador MLP tem uma entrada (positiva) proveniente deste gerador de rampa e a outra pode ser fornecida pelo amplificador de erro da tensão de saída ou pelo limitador de corrente da saída.. O integrado possui um fonte interna de referência de 5V, +1%. Desta forma, tal tensão pode ser usada no amplificador de erro como referência direta para saídas de 5V. Caso a saída seja de maior valor, usa-se um divisor de tensão. O amplificador de erro é do tipo transcondutância, ou seja, apresenta uma elevada impedância de saída, comportando- se como uma fonte de corrente. O compensador pode ser utilizado tanto entre a saída (pino 9) e a entrada inversora ou entre a saída e o terra. O amplificador limitador de corrente pode ser usado no modo linear ou com limitação pulso a pulso. Sua tensão de limiar é de 200mV. Um sensor de subtensão inibe o funcionamento dos circuitos internos, exceto a referência, até que a tensão de entrada (Vin, pino 15) seja superior a 8V. O sinal do oscilador aciona um flip-flop de modo a selecionar a qual das saídas será enviado o sinal MLP. Este sinal passa por um latch, de modo a garantir um único pulso por ciclo, podendo ainda ser inibido pela entrada de shutdown (pino 10), o qual atua em 200ns. A saída dupla permite o acionamento de uma topologia push-pull. Os transistores podem fornecer 200mA, suportando 60V, podendo ser paralelados. A figura 11.6 mostra um conversor implementado com este CI. http://www.dsce.fee.unicamp.br/~antenor 11-6
  • 167.
    Fontes Chaveadas -Cap. 11 CIRCUITOS INTEGRADOS DEDICADOS J. A. Pomilio Vin 15 . + 5V Referência 16 Vref Sub- Para circuitos internos tensão Osc. Flip- . 12 Ca Rt 3 6 . Osc. . .Clock Flop .. 11 Ea Ct 7 + R . 13 Cb Compensação 9 Ampl. Erro . - PWM S Latch 14 Eb Inv. N. Inv. 1 - + . 8 GND 2 4 200mV - + . 1k 10 Shutdown 5 Limite de corrente . 10k Figura 11.5 Diagrama de blocos interno do UC1524A Figura 11.6 Conversor forward usando UC1524A. Quando a alimentação é ligada, a partida é possibilitada pelo capacitor C2, o qual se carrega via R1. O enrolamento N2 assume a alimentação quando se atinge a operação em regime. A realimentação da tensão de saída é fornecida por um circuito composto pelo http://www.dsce.fee.unicamp.br/~antenor 11-7
  • 168.
    Fontes Chaveadas -Cap. 11 CIRCUITOS INTEGRADOS DEDICADOS J. A. Pomilio transistor Q3 e transformador T2, o qual permite amostrar a saída de 5V a uma freqüência de 40kHz. A cada ciclo, a tensão de saída é transferida de N1 para N2 (em T2), onde o retificador D1 carrega o capacitor de 20nF, fornecendo um sinal médio proporcional à saída. O diodo D2 (conectado à referência interna de 5V) é usado para compensar e m termos de temperatura o efeito de D1. D3 realiza uma limitação do ciclo de trabalho. Um sensor resistivo é usado para limitar, a cada ciclo, a corrente pelo enrolamento N1 de T1. O compensador utilizado, basicamente do tipo PI, é conectado ao pino 9. 11.5 UC1846 Este CI, mostrado na figura 11.7, é adequado ao controle no modo corrente [11.1]. Possui uma fonte interna de referência de 5,1V +1%, usada também para alimentar circuitos de baixo consumo. Um gerador de rampa, com freqüência fixa, determinada por um par RC conectado externamente (pinos 9 e 8), pode produzir um sinal de 1MHz. Um sinal de sincronismo é fornecido no pino 10. O sinal de saída do oscilador tem um tempo baixo mínimo, o qual inibe ambas as saídas durante um intervalo, garantindo um tempo morto mínimo. A duração deste intervalo depende também do resistor e do capacitor do oscilador, sendo coincidente com o intervalo de diminuição da tensão da onda dente de serra. Vin . + 5,1 V Referência Vref 15 Sub- . 2 Vc Sinc. tensão T Q . . 13 Saída 11 A Rt 10 . Clock FF Q .. 9 Osc. Ct 8 Comp. . . Saída B 4 3 - X3 + PWM + - S R . 14 12 GND S Q Sensor de corrente 0,5 mA 0,5V . . 1 Limite de Corrente 6 Ampl. Erro - . . + - 16 Shutdown + 350mV 6k 5 Comp. 7 Compensação Figura 11.7 Diagrama de blocos do UC1846 O amplificador de erro admite tensões na entrada entre 0 e (Vin-2)V. Sua saída, é comparada com a corrente (característica de operação no modo corrente), definindo a largura do pulso. http://www.dsce.fee.unicamp.br/~antenor 11-8
  • 169.
    Fontes Chaveadas -Cap. 11 CIRCUITOS INTEGRADOS DEDICADOS J. A. Pomilio Diferentes métodos de se observar a corrente podem ser usados. O método resistivo é o mais simples, embora em geral, para reduzir a dissipação de potência, tenha-se uma tensão reduzida. Um filtro RC é recomendado para eliminar ruídos espúrios, os quais poderiam alterar o comportamento da largura do pulso de maneira errada. Um acoplamento via transformador permite isolação e aumento de eficiência, embora aumente a complexidade e o custo do sistema. A figura 11.8 mostra algumas possibilidades de medida da corrente. Rs Saída + 4 X3 + Rs - 3 3 X3 - (c) 4 (a) + 4 I X3 + - 3 Cf Rs 3 X3 Trafo de corrente - 4 (d) Spike (b) Figura 11.8 Métodos para medição da corrente pelo transistor O CI permite ainda um limitador de corrente, através de uma limitação do máximo valor do erro de tensão, cujo valor pode ser estabelecido pelo usuário, através do pino 1. Este mesmo pino, pela colocação de um par RC pode ser usado para partida suave. Uma função de inibição do funcionamento do CI (impedindo a saídas dos pulsos) pode ser feita através do pino 16 (shutdown), por meio da aplicação de uma tensão superior a 350mV. Sub-tensão é detectada, através da medida da tensão Vin (pino 15), inibindo a saída dos pulsos. Os transistores de saída podem fornecer 100mA contínuos ou 400mA de pico. A figura 11.9 mostra um conversor push-pull utilizando o UC1846. Note-se que não existe nenhuma implementação visando impedir o desbalanceamento de corrente entre os enrolamentos, o que levaria à saturação do núcleo. Tal função é naturalmente realizada pela operação no modo corrente, pois, caso o núcleo entrasse em saturação, a corrente cresceria muito rapidamente, o que implicaria numa redução na largura do pulso, diminuindo a tensão aplicada numa das polaridades. http://www.dsce.fee.unicamp.br/~antenor 11-9
  • 170.
    Fontes Chaveadas -Cap. 11 CIRCUITOS INTEGRADOS DEDICADOS J. A. Pomilio Figura 11.9 Conversor push-pull usando o UC1846 11.6 GP605 O GP605 [11.2] utiliza modulação em freqüência ao invés de MLP. O pulso é mantido com largura constante enquanto a freqüência varia dentro de uma faixa determinada por um capacitor (freqüência mínima) e por um resistor (freqüência máxima). A figura 11.10 mostra seu diagrama de blocos. Vcc 2 7 OLRD GND 4 16 Sobrecarga Shutdown OL síncrono 1 Sobretensão 12 RSD Soft-start Subtensão Soft-start Remoto 15 UV/OV 13 VCO 14 VCO Monoestável R 11 3 C 5V Vref 9 Ton 8 Out A 10 FF Seq. 6 Out B 5 GND Figura 11.10 Diagrama de blocos do GP605 A realimentação de tensão controla a freqüência do sinal nas duas saídas complementares, as quais tem capacidade de acionamento direto de MOSFETs. Estas http://www.dsce.fee.unicamp.br/~antenor 11-10
  • 171.
    Fontes Chaveadas -Cap. 11 CIRCUITOS INTEGRADOS DEDICADOS J. A. Pomilio saídas podem ser conectadas de modo a atuarem conjuntamente, fornecendo uma saída com o dobro da freqüência. A freqüência de operação vai até 2MHz. O CI inclui ainda funções auxiliares como partida suave, desligamento remoto, fonte interna de 5V, proteções contra sub-tensão, sobre-tensão e sobre-carga, . Em caso de desligamento (comandado ou por sobre-carga) o sistema se reinicializa sozinho quando a causa da parada deixa de existir. O atraso na volta ao funcionamento é determinado por um par RC conectado ao pino 2, o qual passa a atuar quando a sobre-carga (monitorada pelo pino 16) deixa de existir. A largura do pulso é também determinada por um par RC conectado em paralelo e ligados ao pino 9. A duração do pulso deve ser tal que, na máxima freqüência de operação, seja possível haver um tempo desligado mínimo de cerca de 300ns, necessário para a correta operação do CI. O capacitor conectado ao pino 11 controla a mínima freqüência do VCO. Já o resistor ligado ao pino 14 determina a máxima freqüência. Seu mínimo valor é 10kΩ. A partida lenta é feita através de um capacitor conectado ao pino 12. A entrada do VCO é projetada para utilizar diretamente um opto-acoplador cujo diodo esteja referenciado à saída. A faixa de operação linear é entre 1,1 e 6,5V. A proteção contra sub e sobre-tensão é feita por um comparador com janela. Na ocorrência de falha inibe-se a saída de pulsos, até que a falha cesse. Uma aplicação típica em conversor ressonante (meia ponte), com carga e m paralelo, é mostrada na figura 11.11. Figura 11.11 Conversor ressonante (meia-ponte) usando GP605 A partida é feita aproveitando-se a própria alimentação CC, a qual é substituída através de um enrolamento auxiliar do transformador principal. R6 deve ser elevado o http://www.dsce.fee.unicamp.br/~antenor 11-11
  • 172.
    Fontes Chaveadas -Cap. 11 CIRCUITOS INTEGRADOS DEDICADOS J. A. Pomilio suficiente para produzir baixas perdas. O acionamento de um dos transistores é feito diretamente, enquanto para o outro é necessária isolação, o que é feito por T3. A sobre-carga é detectada por um transformador de corrente, conectado em série com o primário de T1. Do secundário vai a informação para o pino 16. A referência é dada por uma fonte estabilizada e ajustável (U4), sendo que o compensador é implementado no potencial da saída. A informação é transferida para o potencial da entrada pelo opto-acoplador, diretamente para a entrada do VCO. 11.7 MC34262 A maneira mais simples de obter uma tensão CC para alimentar uma fonte chaveada, a partir da rede, é utilizar um retificador e um filtro capacitivo. O capacitor se carrega apenas quando a tensão da entrada for maior do que a tensão sobre ele, o que implica em um pico de corrente pela alimentação. Isto resulta em um fator de potência muito baixo (entre 0,5 e 0,7), além de grande conteúdo harmônico da corrente. A figura 11.12 mostra o circuito e a figura 11.13 mostra as formas de onda da corrente e da tensão de entrada . Carga + Vac Conversor Figura 11.12 Conversor com filtro capacitivo Figura 11.13 Formas de onda da corrente e da tensão de entrada no conversor. Um fator de potência mais elevado pode ser obtido por meio de um filtro passivo de entrada, mas o qual deve operar em 60Hz, chegando-se, nos melhores casos a um fator de potência de 0,9. Uma solução mais adequada é o uso de um circuito ativo [11.3], o qual possibilita um fator de potência praticamente unitário, além de, por operar a alta freqüência, permitir o uso de elementos de filtragem de baixo valor e tamanho. Estes circuitos ativos podem ser, por exemplo, conversores elevadores de tensão (de uso mais generalizado) ou ainda conversores abaixadores-elevadores. A figura 11.14 mostra um exemplo. http://www.dsce.fee.unicamp.br/~antenor 11-12
  • 173.
    Fontes Chaveadas -Cap. 11 CIRCUITOS INTEGRADOS DEDICADOS J. A. Pomilio Carga MC + Vac 34262 Conversor Cap. para Pré-regulador altas freq. Figura 11.14 Pré-regulador de fator de potência baseado na topologia elevadora de tensão. O MC34262 é um CI especialmente projetado para operar como um pré-conversor capaz de garantir um fator de potência unitário na entrada de um conversor CC-CC (ou CC-CA). É adequado a um conversor elevador de tensão, operando no modo corrente, possuindo muitas das implementações usuais nos CIs descritos anteriormente, mas também algumas específicas para sua aplicação. O diagrama de blocos do circuito, em uma aplicação típica, está mostrado na figura 11.15. Figura 11.15. Diagrama de blocos e circuito de aplicação do MC34262 O amplificador de erro é do tipo transcondutância, ou seja, tem elevada impedância de saída, o que permite realizar a função do controlador conectando-se os componentes adequados apenas em sua saída (pino 2). A entrada não inversora deste amplificador não é http://www.dsce.fee.unicamp.br/~antenor 11-13
  • 174.
    Fontes Chaveadas -Cap. 11 CIRCUITOS INTEGRADOS DEDICADOS J. A. Pomilio acessível, dispondo internamente de uma tensão de referência de 2,5V. O sinal da tensão de saída, por meio de um divisor de tensão adequado, é conectado à entrada inversora (pino 1). Este mesmo sinal é usado pelo sensor de sobre-tensão de saída, o qual inibe a liberação de pulsos para o transistor de potência. A s aída deste amplificador de erro é uma das entradas do bloco multiplicador, o qual se constitui no responsável pela característica de corretor de fator de potência do CI. A outra entrada do multiplicador vem da tensão de entrada, após o retificador de onda completa (pino 3). A saída do multiplicador determina o nível de tensão utilizado no comparador de corrente, definindo assim o comportamento da corrente, em sua forma e amplitude. A corrente consumida pelo pré-conversor passará a seguir uma forma senoidal, estando em fase com a tensão, o que garante o fator de potência unitário. O CI opera no modo de condução crítico, ou seja, permitindo que a corrente atinja o zero, mas não deixando-a neste nível, como pode ser visto na figura 11.16. Tensão da rede ID5 Corrente de IQ1 entrada corrente média ON OFF Figura 11.16 Formas de onda no modo de condução crítico O transistor de s aída permanece em condução até que o valor instantâneo da corrente atinja o limite estabelecido pela saída do multiplicador. Com seu desligamento, a corrente circula pelo diodo D5, diminuindo, até atingir zero. A detecção do zero é feita por um comparador com histerese, a partir de um sinal vindo de um enrolamento auxiliar acoplado ao indutor. Quando se verifica tal situação, o latch RS libera a saída de um novo e único pulso para acionamento do transistor de potência. O mesmo enrolamento auxiliar possibilita a alimentação do CI, sendo a partida determinada pela carga do capacitor C4 através do resistor R6. O temporizador permite o início ou reinício de funcionamento do conversor caso a saída fique em nível baixo por 400us após a corrente do indutor ter atingido zero. Isto pode ocorrer, por exemplo, se um ruído for detectado pela entrada do pino 4, levando ao desligamento incorreto da saída. O detetor de sub-tensão fica monitorando a tensão CC de alimentação do CI, a qual deve ficar entre 8 e 14V (comparador com histerese). Um diodo zener interno de 36V protege o integrado contra sobre-tensões. O "quickstart" carrega o capacitor de compensação, C1, com 1,6V, o que o coloca no limiar de atuação do multiplicador. Deste modo, assim que o circuito inicia a partida o controle passa a atuar. http://www.dsce.fee.unicamp.br/~antenor 11-14
  • 175.
    Fontes Chaveadas -Cap. 11 CIRCUITOS INTEGRADOS DEDICADOS J. A. Pomilio Os transistores de acionamento podem fornecer picos de 500mA, com tempos de subida e descida de 50ns, com uma carga de 1nF. Um zener de 16V protege a junção gate/source do MOSFET. 11.8 Referências bibliográficas [11.1] Linear/Switchmode Voltage Regulator Handbook Motorola Inc. 4ª Ed., 1989, USA [11.2] Product Catalog Gennum Corporation Canada, 1989 [11.3] Alberkrack, J.H.; Barrow, S.M. Power Factor Controller IC Minimizes External Components PCIM, Feb. 1993 http://www.dsce.fee.unicamp.br/~antenor 11-15
  • 176.
    Fontes Chaveadas -Cap. 12 CARACTERIZAÇÃO DE FONTES CHAVEADAS J. A. Pomilio 12. CARACTERIZAÇÃO DE FONTES CHAVEADAS Apresentaremos aqui alguns aspectos que servem à caracterização do desempenho das fontes chaveadas, bem como outros temas relacionados com o enquadramento do equipamento dentro de normas internacionais de comportamento. 12.1 Requisitos de qualidade na alimentação de equipamentos sensíveis Especialmente para os equipamentos de computação, são estabelecidos limites em termos da qualidade da energia a ele suprida. Não existem, ainda, padrões industriais reconhecidos, no entanto, graças à ação de grandes usuários (especialmente militares), a CBEMA (Computer Business Equipment Manufacturer’s Association) adotou as curvas mostradas na figura 12.1. Estas curvas aparecem na norma IEEE 446 como “prática recomendada para sistemas de alimentação de emergência, em aplicações industriais e comerciais”. As curvas definem um envelope dentro do qual deve estar o valor eficaz da tensão suprida ao equipamento. Ou seja, quando os limites forem violados, o sistema de alimentação ininterrupta deve atuar, no sentido de manter a alimentação dentro de valores aceitáveis. Em outras palavras, se a tensão de alimentação estiver dentro dos limites não deve ocorrer mal-funcionamentos do equipamento alimentado. Violações dos limites podem, então, provocar falhas, que devem ser evitadas. Via de regra, quem suporta a alimentação do equipamento na ocorrência de falhas de curta duração são as capacitâncias das fontes de alimentação internas, de modo que, eventualmente, mesmo violações mais demoradas do que aquelas indicadas podem ser suportadas. Nota-se na figura 12.1 que, em regime, a tensão deve estar limitada a uma sobretensão de 6% e uma subtensão de 13%. Quanto menor a perturbação, maior a alteração admitida, uma vez que os elementos armazenadores de energia internos ao equipamento devem ser capazes de absorvê-la. Assim, por exemplo, a tensão pode ir a zero por meio ciclo, ou ainda haver um surto de tensão com 3 vezes o valor nominal (eficaz), desde que com duração inferior a 100 µs. 12.2 Tempo de sustentação da tensão de saída (Hold-up) Este teste determina o intervalo de tempo no qual a s aída é capaz de manter a corrente nominal de saída quando ocorre uma interrupção na alimentação. Esta interrupção na alimentação do equipamento pode ter origem em manobras de equipamentos alimentados pela mesma rede, causando uma queda na tensão CA (ou CC) com duração maior que 1/2 ciclo (8,33 ms). O desempenho esperado determina a energia a ser acumulada nos capacitore a s sere utilizados na entrada e na saída do equipamento, o que pode levar a valores muito m maiores do que os necessários para a operação em regime, ou seja, apenas para reduzir a ondulação de tensão advindado chaveamento. A figura 12.2 indica o procedimento de teste. http://www.dsce.fee.unicamp.br/~antenor 12-1
  • 177.
    Fontes Chaveadas -Cap. 12 CARACTERIZAÇÃO DE FONTES CHAVEADAS J. A. Pomilio Envelope de tolerância de tensão +200% para equipamento computacional +100% +30% +6% 100% Regime -30% -70% -13% -42% 0% .001 .01 0.1 1 10 100 1000 ciclos 100u 1m 8.33m .1 .5 2s Figura 12.1 Envelope de tolerância de tensão típico para sistema computacional. + + Fonte carga Vi sob teste nominal osciloscópio - - Tensão de entrada 100% 0 Tempo de sustentação Vo Vomin Figura 12.2 Teste para verificação do tempo de sustentação da tensão de saída. 12.3 Regulação de linha O teste relativo à chamada regulação de linha mede a alteração na tensão de saída em resposta a uma mudança na tensão de entrada. O teste se faz com a fonte operando à carga nominal, ou seja, todas as saídas devem estar fornecendo a corrente nominal. A tensão de saída é medida (0,1% de precisão mínima) em 3 situações de tensão de entrada: mínima, nominal e máxima. A figura 12.3 mostra o arranjo para medição. A regulação de linha, dada em porcentagem é: http://www.dsce.fee.unicamp.br/~antenor 12-2
  • 178.
    Fontes Chaveadas -Cap. 12 CARACTERIZAÇÃO DE FONTES CHAVEADAS J. A. Pomilio Vomax − Vomin Regulaç ã de Linha = o ⋅ 100 (12.1) Voideal onde Vomax e Vomin são medidas, respectivamente, à máxima e mínima tensão de entrada. + + Fonte Carga Vi V sob teste nominal Vo ajustável - - Figura 12.3 Teste de regulação de linha. 12.4 Regulação de carga Este teste mede a alteração na tensão de saída em resposta a uma mudança na corrente média de cada saída da fonte. O teste é feito com tensão nominal na entrada. Cada saída é medida com 50% e com 100% da corrente nominal. Vomax − Vomin Regulaç ã de carga = o ⋅ 100 (12.2) Voideal onde Vomax e Vomin são medidas, respectivamente, a 50% e 100% da carga nominal. + + Fonte 1/2 Vi sob teste carga 1/2 Vo nominal nominal carga nominal - - Figura 12.4 Teste de regulação de carga. http://www.dsce.fee.unicamp.br/~antenor 12-3
  • 179.
    Fontes Chaveadas -Cap. 12 CARACTERIZAÇÃO DE FONTES CHAVEADAS J. A. Pomilio 12.5 Resposta dinâmica à variação de carga Embora este parâmetro não seja usualmente publicado, ele é uma informação interessante, especialmente para o projetista, uma vez que permite verificar o desempenho do sistema de controle utilizado. É basicamente um teste para medir o tempo necessário para que a realimentação corrija a tensão de saída na ocorrência de uma variação em degrau na carga. Este é um parâmetro que é pior nas fontes chaveadas do que nas lineares, dada a limitação (ao inverso da freqüência de chaveamento) no mínimo tempo de resposta. Em geral são necessários alguns ciclos para que ocorra a correção desejada. Isto ocorre principalmente por que o filtro de saída impede uma resposta rápida à mudança na carga, sendo necessário algum tempo para que todo o sistema atinja o novo ponto de operação e possa corrigir a saída. Tempos muito longos podem indicar um ganho CC muito baixo e ainda uma freqüência de corte muito reduzida. Quanto mais os parâmetros do compensador são ajustados para uma situação conservativa em termos de estabilidade, pior a resposta dinâmica. A figura 12.5 mostra o arranjo para a realização do teste. + + Fonte 1/2 Vi sob teste carga nominal 1/2 nominal carga nominal osciloscópio - - carga 100% 50% tempo de resposta Vo Figura 12.5 Teste de resposta dinâmica à variação de carga. 12.6 Teste de isolação Este teste verifica se a isolação entre a entrada, chassis e saída(s) excede um valor de tensão mínima especificado. As tensões de teste são, tipicamente, CA (50 ou 60Hz), podendo ser substituídas por uma tensão CC com um valor equivalente ao pico da tensão CA. http://www.dsce.fee.unicamp.br/~antenor 12-4
  • 180.
    Fontes Chaveadas -Cap. 12 CARACTERIZAÇÃO DE FONTES CHAVEADAS J. A. Pomilio O propósito do teste é assegurar que não exista possibilidade de que tensões potencialmente letais advindas da rede ou do próprio equipamento atinjam o usuário final do produto. As áreas críticas para este teste são as isolações do transformador de potência, o espaçamento entre as trilhas da placa de circuito impresso e a isolação para o chassis. A falha é detectada caso ocorra uma corrente acima da especificada durante a aplicação da tensão ao equipamento. Alguns cuidados devem ser tomados durante a verificação da isolação, com o intuito de não danificar os componentes do equipamento. Por exemplo, os fios de entrada devem ser curto-circuitados, bem como os de saída. O uso de tensão CC é mais conveniente por não permitir a ocorrência de fugas pelo transformador (acoplamento capacitivo), o que poderia danificar algum componente. A figura 12.6 mostra o teste com tensão aplicada entre entrada e saída, enquanto na figura 12.7 tem-se o teste entre entrada e chassis. Realiza-se também o teste entre chassis e saída. Os componentes colocados entre os terminais de entrada ou de s aída e o chassis devem suportar uma tensão maior que a tensão de teste. Tais componentes são basicamente os capacitores do filtro de IEM. Também aqui deve ser usada uma tensão CC. A tensão de teste deve ser rampeada em um tempo sempre superior a 2 segundos, de modo a evitar a indução de tensões elevadas no circuito. + + Todas as Fonte Entrada e retorno saídas e sob teste curtocircuitados retornos curtocircuitados conjuntamente Alta - - Tensão CC Figura 12.6 Teste de alta tensão entre entrada e saída. + + Todas as Entrada e retorno Fonte saídas e curtocircuitados sob teste retornos curtocircuitados conjuntamente Alta - - Tensão CC Chassis/terra Figura 12.7 Teste de alta tensão entre entrada e carcaça. 12.7 Interferência Eletromagnética (IEM) Dois tipos de interferência devem ser consideradas: a conduzida pela rede de alimentação e a irradiada. http://www.dsce.fee.unicamp.br/~antenor 12-5
  • 181.
    Fontes Chaveadas -Cap. 12 CARACTERIZAÇÃO DE FONTES CHAVEADAS J. A. Pomilio Diferentes normas, nacionais (VDE - Alemanha, FCC - EUA) e internacionais (CISPR - IEC), determinam os valores limites admissíveis para o ruído eletromagnético produzido pelo equipamento. No Brasil, a adoção de normas específicas sobre este assunto está em discussão, seguindo-se, em princípio, as normas IEC-CISPR [12-1] a [12-4]. Estas normas, além dos limites de sinal irradiado ou conduzido, determinam os métodos de medida, os equipamento de teste e classificam os produtos a serem testados e m função de suas características próprias e do local onde devem ser utilizados (CISPR 16). Via de regra, as fontes chaveadas são elementos internos aos equipamentos, devendo-se utilizar os limites e procedimentos explicitados para tal equipamento. Os limites mais severos referem-se a produtos utilizados em ambientes "doméstico" (classe B), o que significa, que são alimentados por uma rede na qual existem usuários que não são indústrias ou estabelecimentos comerciais. Ambientes industriais e comerciais tem seus equipamentos incluídos na chamada classe A. No que se refere à IEM conduzida, equipamentos de informática possuem suas normas (CISPR 22), enquanto os aparelhos de uso industrial, científico e médico (ISM), são regulados pela CISPR 11. Aparelhos eletrodomésticos são controlados pela CISPR14. De modo simplificado, os testes de IEM irradiada devem ser feitos em ambientes anecóicos, quer seja um campo aberto ou uma câmara especial. Já as medidas de IEM conduzida fazem uso de uma impedância artificial de linha, sobre a qual se realiza a medida dos sinais de alta freqüência injetados pelo equipamento. 12.7.1 IEM irradiada As medidas de IEM irradiada são feitas, tipicamente, para freqüências de 30MHz a 1GHz. As normas VDE estabelecem também limites para a faixa entre 10kHz e 30MHz. Tal procedimento, no entanto, não é adotado pelas normas CISPR nem pela maioria das normas nacionais, que definem apenas a faixa de freqüências mais elevadas. Os equipamentos ISM são divididos em grupos. No grupo 1 tem-se aqueles nos quais existe energia em rádio-freqüência intencionalmente gerada e/ou condutivamente acoplada, a qual é necessária para o funcionamento interno do equipamento. No grupo 2 tem-se aqueles nos quais existe energia em rádio-freqüência intencionalmente gerada e/ou usada em forma de radiação eletromagnética para o tratamento de materiais ou eletro- erosão. O perfil relativo aos limites da classe A é determinado pela divisão do espectro, e m função da sua ocupação pelo sistema de comunicação. Quando houver uma faixa de uso comercial, aí o limite deve ser mais baixo. Por esta razão, este perfil pode ser diferente em cada país, adaptando-se à utilização real do espectro. A captação dos campos elétrico e magnético emitidos pelo equipamento é feita por meio de antenas localizadas em posições normatizadas. A figura 12.8 mostra os limites da norma CISPR 11 (equipamento ISM) para classe B. Os limites entre 150 kHz e 30 MHz estão sob consideração. A origem do ruído irradiado está na presença de componentes de alta freqüência presentes nas tensões e correntes da fonte (ou mesmo de outros subsistemas do equipamento). Tais componentes, associados a elementos parasitas (indutâncias e capacitâncias), podem produzir fenômenos de ressonância que potencializam os efeitos de tal ruído. Para freqüências elevadas, os condutores nos quais circulam as correntes, ou os terminais nos quais se tem tensão, atuam como antenas, irradiando para o ambiente. Do ponto de vista do projeto da fonte, não existe uma sistemática explícita para minimizar tais problemas, pode-se, no entanto, tomar algumas precauções que visam evitar o agravamento da situação. http://www.dsce.fee.unicamp.br/~antenor 12-6
  • 182.
    Fontes Chaveadas -Cap. 12 CARACTERIZAÇÃO DE FONTES CHAVEADAS J. A. Pomilio Todos os caminhos nos quais circula corrente elevada devem ter o menor comprimento possível, o que implica na proximidade física entre os componentes de potência. Os elevados dv/dt e di/dt advindos do chaveamento devem ser minimizadas por meio de supressores e amaciadores. Normalmente as fontes são colocadas dentro de caixas metálicas, as quais confinam os campos magnéticos produzidos (baseando-se na teoria da esfera Gaussiana). A blindagem deve envolver todo o circuito que produz interferência, formando um "curto-circuito" e m torno a ele. Qualquer junção na blindagem deve ter uma resistência de contato muito baixa, sob o risco de se perder sua eficácia. Limite dB(uV) Medidas à distância de 10 m 50 40 37dB 30 10 30 100 300 1000 Frequência (MHz) Figura 12.8 Limites de IEM irradiada para equipamento ISM, grupo 1, classe B 12.7.2 IEM conduzida pela rede A principal motivação para que se exija um limitante para a IEM que um equipamento injeta na rede é evitar que tal interferência afete o funcionamento de outros aparelhos que estejam sendo alimentados pela mesma rede. Esta susceptibilidade dos aparelhos aos ruídos presentes na alimentação não está sujeita a normatização, embora cada fabricante procure atingir níveis de baixa susceptibilidade. A medição deste tipo de interferência é feita através de uma impedância (LISN - Line Impedance Stabilization Network) colocada entre a rede e o equipamento sob teste, cujo esquema está mostrado na figura 12.9. A indutância em série evita que os ruídos produzidos pelo equipamento fluam para a rede, sendo direcionados para a resistência de 1kΩ, sobre a qual é feita a medição (com um analisador de espectro com impedância de entrada de 50Ω). Os eventuais ruídos presentes na linha são desviados pelo capacitor de 1µF, não afetando a medição. Esta impedância de linha pode ser utilizada na faixa entre 150kHz e 30MHz, que é a banda normatizada pela CISPR. A faixa entre 10kHz e 150kHz é definida apenas pela VDE, estando em estudo por outras agências. Nesta faixa inferior, a LISN é implementada com outros componentes, como mostrado na mesma figura 12.9. Também são feitas as distinções quanto à aplicação e ao local de instalação do equipamento. A figura 12.10 mostra estes limites para a norma CISPR 11 (equipamentos ISM). O ambiente de medida é composto basicamente por um plano terra sobre o qual é colocada a LISN. Acima deste plano, e isolado dele, coloca-se o equipamento a ser testado. As elevadas taxas de variação de tensão presentes numa fonte chaveada e correntes pulsadas presentes em estágios de entrada (como nos conversores para correção de fator de potência) são os principais responsáveis pela existência de IEM conduzida pela rede. http://www.dsce.fee.unicamp.br/~antenor 12-7
  • 183.
    Fontes Chaveadas -Cap. 12 CARACTERIZAÇÃO DE FONTES CHAVEADAS J. A. Pomilio No caso das correntes pulsadas, esta razão é óbvia, uma vez que a corrente presente na entrada do conversor está sendo chaveada em alta freqüência, tendo suas harmônicas dentro da faixa de verificação de IEM conduzida. . L1 . L2 . 9 a 150 kHz L1=250uH 150kHz a 30MHz L1=0 C1 C2 C3 L2=50uH L2=50uH Fonte C1=4uF C1=0 Rede Vo C2=8uF C2=1uF CA R1 R2 R3 C3=250nF C3=100nF .. . . R1=10 R2=5 R3=1k R2=0 R3=1k Analisador de Espectro (50 ohms) Figura 12.9 Impedância de linha normatizada (LISN). dBuV 100 90 80 70 60 Classe A 50 Classe B 10k 100k 1M 10M 100M f (Hz) Figura 12.10 Limites de IEM conduzida pela norma CISPR 11 (equipamentos de uso Industrial, Científico e Médico - ISM) A redução dos níveis de IEM conduzida pode ser obtida com o uso de filtros de linha [12.6]. Seu objetivo é criar um caminho de baixa impedância de modo que as componentes de corrente em alta freqüência circulem por tais caminhos, e não pela linha. Devem-se considerar 2 tipos de corrente: a simétrica e a assimétrica. No caso de correntes simétricas (ou de modo diferencial), sua existência na linha de alimentação se deve ao próprio chaveamento da fonte. A figura 12.11 mostra esta situação. A redução da circulação pela linha pode ser obtida pelo uso de um filtro de segunda ordem, com a capacitância oferecendo um caminho de baixa impedância para a componente de corrente que se deseja atenuar. Os indutores criam uma oposição à fuga da corrente para a rede. Em 60Hz a queda sobre tais indutâncias deve ser mínima. http://www.dsce.fee.unicamp.br/~antenor 12-8
  • 184.
    Fontes Chaveadas -Cap. 12 CARACTERIZAÇÃO DE FONTES CHAVEADAS J. A. Pomilio Já para as correntes assimétricas (ou de modo comum), como sua principal origem está no acoplamento capacitivo do transistor com o terra, a redução se faz também com um filtro de segunda ordem. No entanto, o elemento indutivo deve ser do tipo acoplado e com polaridade adequada de enrolamentos, de modo que represente uma impedância elevada para correntes assimétricas, mas não implique em nenhuma impedância para a corrente simétrica. Os capacitores fornecem o caminho alternativo para a passagem de tal componente de corrente. rede . . fonte aterramento Filtro de linha Figura 12.11 Circuito típico com filtro de linha. 12.8 Referências Bibliográficas: [12.1] “CISPR specification for radio interference measuring apparatus and measurement methods”. International Electrotechnical Comission, International Special Committee on Radio Interference, CISPR 16, second edition, 1987. [12.2] “Limits ans methods of measurement of electromagnetic disturbance characteristics of industrial, scientific and medical (ISM) radio-freqüency equipment”. International Electrotechnical Comission, International Special Committee on Radio Interference, CISPR 11, second edition, 1990. [12.3] “Limits and methods of measurement of radio disturbance characteristics of electrical lighting and similar equipment”. International Electrotechnical Comission, International Special Committee on Radio Interference, CISPR 15, fourth edition, 1992. [12.4] “Limits and methods of measurement of radio disturbance characteristics of electrical motor-operated and thermal appliances for household and similar purposes, electric tools and electrical apparatus”. International Electrotechnical Comission, International Special Committee on Radio Interference, CISPR 14, third edition, 1993. [12.5] Barbi, Ivo: “Curso de fontes chaveadas”, Florianópolis, 1987. [12.6] Nave, Mark J.: “Power Line Filter Design for Switched-Mode Power Supplies”. Van Nostrand Reinhold, New York, 1991. http://www.dsce.fee.unicamp.br/~antenor 12-9