4-23ARQUIVO:..NPRC700S_V1.DSN
CIRCUITO: JACK / ENTRADA
NPRC 700
FOLHA: 02/03
I N D Ú S T R I A E L E T R Ô N I C A L T D A.
Todos resistores são de 1/4 W e todos
capacitores eletrolíticos são de 25V,
exceto aqueles com indicação.
A numeração dos integrados é feita da
esquerda para direita (na maior dimen-
são da placa) e de cima para baixo.
4558
SUPERIOR
VISTA
MICSEND
GND
+15V
GND
GND
BASS
GND
GND
FIN
GND
-15V
GND
GND
MICRET
LINEOUT
-15V
GND
GND
GND
GND
MIC1/2
+15V
GND
+15V
KEY
CD/MD
GND
GUITAR
-15V
MIC3/4
10uF
22K
22K
100K100K
330pF
100K
56pF
1M
10K
68K
470K
GUITARHIGH
GUITARLOW
6K8
56K
68K
FOOTSWITCH
BASS LOW
2K2
22K
10K
10K
BASS HIGH
220pF
680K
100K
150K
470K
4K7
8K2
MIC3
56pF
330K
8K2
82K
4K7
100pF
MIC4
220pF
1uF 27K
10uF
39K
10uF
1uF
8K2
MIC1
39K
MIC2
56pF
10uF
10uF
220pF
330K
47K
27K
4K7
82K
8K2
100pF
4K7
VIDEOKE
100K100K100K
10K
KEY L
KEY R 470pF
10K
10K
100K
8K2
6K8
22K 22K
120K
120K
1K
3K3
10uF
3K3
120K
1K
10uF
CD/MDR
1K5
22K
CD/MDL
470pF
10K
10K
10K
22K
120K
8K2
LINEOUT/MIXMIC
3K910K
82K
INSERT
22K
22K
68K
10uF
22K
PL543
FLAT1
FOUT
GND
3/3
4558
3/3
4558
2/3
4558
1/3
4558
2/3
4558
1/3
4558
LINEIN
V1
DATA:17/06/2003
8
7
6
54
3
2
1
-15V
+15V
+15V
-15V
+15V
-15V
-15V
+15V
+
+
+
+
_
7
5
6
1
2
3
4
5
6
7
8
9
10
11
12
13
14
15
16
17
18
19
20
21
22
23
24
25
26
28
29
30
31
32
33
34
27
+
+
+
_
8
3
2
4
1
+
_
7
5
6
+
+
_
8
3
2
4
1
+
+
+
+
+
_
7
5
6
+
_
8
3
2
4
1
ARQUIVO:..NPRC700S_V1.DSN
FOLHA: 01/03CIRCUITO: PRÉ / CONTROLE DE TON
I N D Ú S T R I A E L E T R Ô N I C A L T D A.
A numeração dos integrados é feita da
esquerda para direita (na maior dimen-
são da placa) e de cima para baixo.
Todos resistores são de 1/4 W e todos
capacitores eletrolíticos são de 25V,
exceto aqueles com indicação.
VISTA
4066 4558
4-23
SUPERIOR
33K
100K
15K
33K
ACOUSTIC/ELETRIC
6/9
4066
180K
100pF
9/9
4558
10K
180K220K220K4K7
47K
47K
200pF
33K
10uF
2K2
33K
68K
470pF
150K
47K
56K
47K
4K7
1K
10K
10KB
10K
100K
1K
1K8
100KA
OVERDRIVE
100R
2K210K33K
22K
150pF
33K
22K
220K2K7
180K
180K
150pF
8/9
45588K2
10K
220pF
100K
330K
47K
10K
BC557
BC557
J111
47K
2K7
8K2
10KB
VOLUMECD/MD
8K2
10KB
VOLUMEKEY
47K
10KB
VOLUMEMIC1/2
VOLUMEMIC3/4
10KB
47K
330pF
3K3 27K
47R
10uF
100K
10K
47K
7/9
220pF
10uF
220K
4558
4K7
50KC
BRIGHT
6K8VOLUMEBASS
10KB
10K
1K
470pF
100K
10K
22K
15K
56K
180K
100K100K
8K2
330pF
10uF
LOW
50KB15K 15K
22K
22K
33K
10K 10K
HIGH
1K5
56pF
1K
50KB
MID50KB
47K
6K8
10K
27K
2K7
1/9
4558
100pF
10K
56K
10uF
47K
68K 68K
150K
8K2
4558
3/9
GND
GND
FLAT 2
-B1
POWER OUT
GND
+B1
GND
GND
10R
100uF
15Vx1W
100K
15Vx1W
10R
100uF
100K
390Rx1/2W
47uF
6V2
6V2
680R
47uF
ON4K7
MICSEND
MICRET
GUITAR
GND
GND
+15V
GND
GND
-15V
MIC1/2
GND
GND
+15V
CD/MD
LINEOUT
KEY
BASS
GND
MIC3/4
GND
GND
GND
GND
-15V
GND
GND
GND
-15V
+15V
GND
PL542
BC557
J111
VISTA
FRONTAL
4558
4/9
4558
1/9
4558
3/9
100pF
VOLUMECLEAN
82K
10K
12K
560R
100R
100K
56K
22uF
10uF
68R
100K
1uF
18K
4K7
100pF2/9
VOL.MASTER
470pF
47K
68K
56K
82K
2K2
2K2
220pF
270R
VOL.DRIVE
4066
4K7
82K
47K
47K
1uF
120K
2K7
10KB
10KB
LEDVERM.
LEDVERM.
FOUT
FIN
FLAT1
100uF
150pF
100K
1K
7/9
4558
9/9
4558
8/9
4558
5/9
5/9
4558
4/9
4558
NPRC 700
HIGHCUT
4.5Khz -6dB
4558
100K
100K
DATA:17/06/2003
8
7
6
54
3
2
1
4
3
2
1
11
12
13
14
10
87
6
5
9
-6V2
+6V2
-15V
-15V
+15V
-15V
+15V
-15V
+15V
-15V
+15V
-15V
+6V2
+15V
-6V2
-15V
+15V
+15V
-15V
DSGCBE
-6V2
+15V
+6V2
+15V
-15V
+15V
-15V
+15V
-15V
+15V
+
_
+
8
2
3
4
1
_
+
7
6
5
+
_
8
3
2
4
1
+
_
8
3
2
4
1
+
1
2
3
4
5
6
7
8
9
10
11
12
13
14
15
16
17
18
19
20
21
22
23
24
25
26
28
29
30
31
32
33
34
27
+
_
+
7
6
5
+
5
8
6
3
4
7
2
1
+
_
8
3
2
4
1
5
13
6
12
9
8
E0
E2
E1
E3
VEE VDD
7 14
11
10
2
1
3
4
Z2
Y2
Y3
Z3
Z0
Y0
Y1
Z1
_
+
8
2
3
4
1
+
+
+
_
8
3
2
4
1
+
_
+
7
6
5
+
_
7
5
6
+
_
7
5
6
+
_
7
5
6
+
+
+
_
8
3
2
4
1
+
+
5
13
6
12
9
8
E0
E2
E1
E3
VEE VDD
7 14
11
10
2
1
3
4
Z2
Y2
Y3
Z3
Z0
Y0
Y1
Z1
+
+
_
+
7
6
5
+
A numeração dos integrados é feita da
esquerda para direita (na maior dimen-
são da placa) e de cima para baixo.
ARQUIVO:..NPRC700S_V1.DSN
I N D Ú S T R I A E L E T R Ô N I C A L T D A.
2SC5200
CIRCUITO: POWER / FONTE* A corrente quiescente deve ser medida
sobre um dos resistores de 0.47Rx5W,
estando o aparelho com carga e sem
sinal de entrada.
Todos resistores são de 1/4 W e todos
capacitores eletrolíticos são de 25V,
exceto aqueles com indicação.
O ajuste de 0V deverá ser feito no
jack de saída, estando o aparelho sem
carga e sem sinal de entrada, para
aproximadamente 0Vdc.
FOLHA: 03/03
4-23
620R
12K
0.47Rx5W
100Rx1W
3x1N4002
47Kx100V
2SC2688L
8 x 1N4002
10Rx1W
1K2
GND
GND
GND
10Rx1W
680pF
2SC5200
100uFx50V
Tweeter
1K
1N4002
3300uF
x63V
1K5x1W
18V
100K
220R
33Rx10W
GND
3K3x1W
TIP29C
470K
4R7
3300uF
x63V
x500V
100Kx100V
AJUSTEOV
270Rx5W
GND
100pF
2.2uFx250V
FLAT 2 470R
22K
390R
2xBC640C
47uFx63V
100R
2SC5200
6R8
22K
AC
82R
+B1
ALTO-FALANTE
-B1
680pF
0.47Rx5W
10uF
TIP30C
100pFx500V
2K7x1W
x500V
47uF
AC
100K
POWER IN
GND
TIP30C
BC 640
TIP29A
2SC2688L
PL541
8OHMS
470Rx10W
560Rx10W
VISTA
FRONTAL
NPRC 700
x100Vx100V
110V - 2A
220V - 1A
TNPRC700S
V1
- 49.0 Vdc
POT. MÁX.
CORRENTE QUIESCENTE
+ 49.0 Vdc
41.4 VacTENSÃO DO TRAFO
4 mA ( 2 mV DC)*
REPOUSO
- 57.3 Vdc
TENSÃO DA FONTE (+B) + 57.3 Vdc
TENSÃO DA FONTE (-B)
17AWG
2K2x500V
110V
PLA007
REDE
GND
AC
10Kx1000V
220V
AC
2x
DATA:17/06/2003
B C E
B ECCBE
BCE
5
8
6
3
4
7
2
1
+
+
+
+
+
+

Ciclotron nprc700 super

  • 1.
    4-23ARQUIVO:..NPRC700S_V1.DSN CIRCUITO: JACK /ENTRADA NPRC 700 FOLHA: 02/03 I N D Ú S T R I A E L E T R Ô N I C A L T D A. Todos resistores são de 1/4 W e todos capacitores eletrolíticos são de 25V, exceto aqueles com indicação. A numeração dos integrados é feita da esquerda para direita (na maior dimen- são da placa) e de cima para baixo. 4558 SUPERIOR VISTA MICSEND GND +15V GND GND BASS GND GND FIN GND -15V GND GND MICRET LINEOUT -15V GND GND GND GND MIC1/2 +15V GND +15V KEY CD/MD GND GUITAR -15V MIC3/4 10uF 22K 22K 100K100K 330pF 100K 56pF 1M 10K 68K 470K GUITARHIGH GUITARLOW 6K8 56K 68K FOOTSWITCH BASS LOW 2K2 22K 10K 10K BASS HIGH 220pF 680K 100K 150K 470K 4K7 8K2 MIC3 56pF 330K 8K2 82K 4K7 100pF MIC4 220pF 1uF 27K 10uF 39K 10uF 1uF 8K2 MIC1 39K MIC2 56pF 10uF 10uF 220pF 330K 47K 27K 4K7 82K 8K2 100pF 4K7 VIDEOKE 100K100K100K 10K KEY L KEY R 470pF 10K 10K 100K 8K2 6K8 22K 22K 120K 120K 1K 3K3 10uF 3K3 120K 1K 10uF CD/MDR 1K5 22K CD/MDL 470pF 10K 10K 10K 22K 120K 8K2 LINEOUT/MIXMIC 3K910K 82K INSERT 22K 22K 68K 10uF 22K PL543 FLAT1 FOUT GND 3/3 4558 3/3 4558 2/3 4558 1/3 4558 2/3 4558 1/3 4558 LINEIN V1 DATA:17/06/2003 8 7 6 54 3 2 1 -15V +15V +15V -15V +15V -15V -15V +15V + + + + _ 7 5 6 1 2 3 4 5 6 7 8 9 10 11 12 13 14 15 16 17 18 19 20 21 22 23 24 25 26 28 29 30 31 32 33 34 27 + + + _ 8 3 2 4 1 + _ 7 5 6 + + _ 8 3 2 4 1 + + + + + _ 7 5 6 + _ 8 3 2 4 1
  • 2.
    ARQUIVO:..NPRC700S_V1.DSN FOLHA: 01/03CIRCUITO: PRÉ/ CONTROLE DE TON I N D Ú S T R I A E L E T R Ô N I C A L T D A. A numeração dos integrados é feita da esquerda para direita (na maior dimen- são da placa) e de cima para baixo. Todos resistores são de 1/4 W e todos capacitores eletrolíticos são de 25V, exceto aqueles com indicação. VISTA 4066 4558 4-23 SUPERIOR 33K 100K 15K 33K ACOUSTIC/ELETRIC 6/9 4066 180K 100pF 9/9 4558 10K 180K220K220K4K7 47K 47K 200pF 33K 10uF 2K2 33K 68K 470pF 150K 47K 56K 47K 4K7 1K 10K 10KB 10K 100K 1K 1K8 100KA OVERDRIVE 100R 2K210K33K 22K 150pF 33K 22K 220K2K7 180K 180K 150pF 8/9 45588K2 10K 220pF 100K 330K 47K 10K BC557 BC557 J111 47K 2K7 8K2 10KB VOLUMECD/MD 8K2 10KB VOLUMEKEY 47K 10KB VOLUMEMIC1/2 VOLUMEMIC3/4 10KB 47K 330pF 3K3 27K 47R 10uF 100K 10K 47K 7/9 220pF 10uF 220K 4558 4K7 50KC BRIGHT 6K8VOLUMEBASS 10KB 10K 1K 470pF 100K 10K 22K 15K 56K 180K 100K100K 8K2 330pF 10uF LOW 50KB15K 15K 22K 22K 33K 10K 10K HIGH 1K5 56pF 1K 50KB MID50KB 47K 6K8 10K 27K 2K7 1/9 4558 100pF 10K 56K 10uF 47K 68K 68K 150K 8K2 4558 3/9 GND GND FLAT 2 -B1 POWER OUT GND +B1 GND GND 10R 100uF 15Vx1W 100K 15Vx1W 10R 100uF 100K 390Rx1/2W 47uF 6V2 6V2 680R 47uF ON4K7 MICSEND MICRET GUITAR GND GND +15V GND GND -15V MIC1/2 GND GND +15V CD/MD LINEOUT KEY BASS GND MIC3/4 GND GND GND GND -15V GND GND GND -15V +15V GND PL542 BC557 J111 VISTA FRONTAL 4558 4/9 4558 1/9 4558 3/9 100pF VOLUMECLEAN 82K 10K 12K 560R 100R 100K 56K 22uF 10uF 68R 100K 1uF 18K 4K7 100pF2/9 VOL.MASTER 470pF 47K 68K 56K 82K 2K2 2K2 220pF 270R VOL.DRIVE 4066 4K7 82K 47K 47K 1uF 120K 2K7 10KB 10KB LEDVERM. LEDVERM. FOUT FIN FLAT1 100uF 150pF 100K 1K 7/9 4558 9/9 4558 8/9 4558 5/9 5/9 4558 4/9 4558 NPRC 700 HIGHCUT 4.5Khz -6dB 4558 100K 100K DATA:17/06/2003 8 7 6 54 3 2 1 4 3 2 1 11 12 13 14 10 87 6 5 9 -6V2 +6V2 -15V -15V +15V -15V +15V -15V +15V -15V +15V -15V +6V2 +15V -6V2 -15V +15V +15V -15V DSGCBE -6V2 +15V +6V2 +15V -15V +15V -15V +15V -15V +15V + _ + 8 2 3 4 1 _ + 7 6 5 + _ 8 3 2 4 1 + _ 8 3 2 4 1 + 1 2 3 4 5 6 7 8 9 10 11 12 13 14 15 16 17 18 19 20 21 22 23 24 25 26 28 29 30 31 32 33 34 27 + _ + 7 6 5 + 5 8 6 3 4 7 2 1 + _ 8 3 2 4 1 5 13 6 12 9 8 E0 E2 E1 E3 VEE VDD 7 14 11 10 2 1 3 4 Z2 Y2 Y3 Z3 Z0 Y0 Y1 Z1 _ + 8 2 3 4 1 + + + _ 8 3 2 4 1 + _ + 7 6 5 + _ 7 5 6 + _ 7 5 6 + _ 7 5 6 + + + _ 8 3 2 4 1 + + 5 13 6 12 9 8 E0 E2 E1 E3 VEE VDD 7 14 11 10 2 1 3 4 Z2 Y2 Y3 Z3 Z0 Y0 Y1 Z1 + + _ + 7 6 5 +
  • 3.
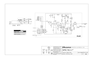
    A numeração dosintegrados é feita da esquerda para direita (na maior dimen- são da placa) e de cima para baixo. ARQUIVO:..NPRC700S_V1.DSN I N D Ú S T R I A E L E T R Ô N I C A L T D A. 2SC5200 CIRCUITO: POWER / FONTE* A corrente quiescente deve ser medida sobre um dos resistores de 0.47Rx5W, estando o aparelho com carga e sem sinal de entrada. Todos resistores são de 1/4 W e todos capacitores eletrolíticos são de 25V, exceto aqueles com indicação. O ajuste de 0V deverá ser feito no jack de saída, estando o aparelho sem carga e sem sinal de entrada, para aproximadamente 0Vdc. FOLHA: 03/03 4-23 620R 12K 0.47Rx5W 100Rx1W 3x1N4002 47Kx100V 2SC2688L 8 x 1N4002 10Rx1W 1K2 GND GND GND 10Rx1W 680pF 2SC5200 100uFx50V Tweeter 1K 1N4002 3300uF x63V 1K5x1W 18V 100K 220R 33Rx10W GND 3K3x1W TIP29C 470K 4R7 3300uF x63V x500V 100Kx100V AJUSTEOV 270Rx5W GND 100pF 2.2uFx250V FLAT 2 470R 22K 390R 2xBC640C 47uFx63V 100R 2SC5200 6R8 22K AC 82R +B1 ALTO-FALANTE -B1 680pF 0.47Rx5W 10uF TIP30C 100pFx500V 2K7x1W x500V 47uF AC 100K POWER IN GND TIP30C BC 640 TIP29A 2SC2688L PL541 8OHMS 470Rx10W 560Rx10W VISTA FRONTAL NPRC 700 x100Vx100V 110V - 2A 220V - 1A TNPRC700S V1 - 49.0 Vdc POT. MÁX. CORRENTE QUIESCENTE + 49.0 Vdc 41.4 VacTENSÃO DO TRAFO 4 mA ( 2 mV DC)* REPOUSO - 57.3 Vdc TENSÃO DA FONTE (+B) + 57.3 Vdc TENSÃO DA FONTE (-B) 17AWG 2K2x500V 110V PLA007 REDE GND AC 10Kx1000V 220V AC 2x DATA:17/06/2003 B C E B ECCBE BCE 5 8 6 3 4 7 2 1 + + + + + +