Incorporar apresentação
Baixar para ler offline
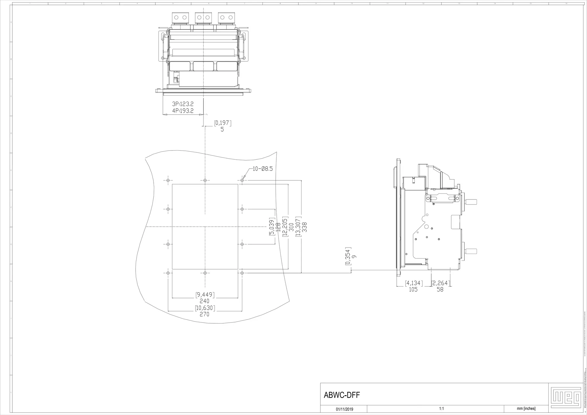
![3P:123.2
4P:193.2
10-Ø8.5
L
J
I
H
G
F
E
D
C
B
A
1 2 3 4 5 6 7 8 9 10 11 12 13 14 15 16
mm [inches]1:1
A0+
01/11/2019
ABWC-DFF
Sujeitoaalteraçãosemavisoprévio.Asinformaçõescontidassãovaloresdereferência.Losvaloresdemostradospuedensercambiadossinavisoprevio.Lainformaciónésdereferenciasolamente.
Thevaluesshownaresubjecttochangewithoutpriornotice.Theinformationisforreferenceonly.
5,039
128
12,205
310
13,307
338
10,630
270
9,449
240
4,134
105
2,264
58
0,197
5
0,354
9](https://image.slidesharecdn.com/abwc-dff-201106005819/75/Abwc-dff-1-2048.jpg)

O documento apresenta medidas em milímetros e polegadas de diferentes peças identificadas por letras maiúsculas de A a J, variando de 0,197 mm a 13,307 mm. As informações são fornecidas apenas para referência e podem ser alteradas sem aviso prévio.
![3P:123.2
4P:193.2
10-Ø8.5
L
J
I
H
G
F
E
D
C
B
A
1 2 3 4 5 6 7 8 9 10 11 12 13 14 15 16
mm [inches]1:1
A0+
01/11/2019
ABWC-DFF
Sujeitoaalteraçãosemavisoprévio.Asinformaçõescontidassãovaloresdereferência.Losvaloresdemostradospuedensercambiadossinavisoprevio.Lainformaciónésdereferenciasolamente.
Thevaluesshownaresubjecttochangewithoutpriornotice.Theinformationisforreferenceonly.
5,039
128
12,205
310
13,307
338
10,630
270
9,449
240
4,134
105
2,264
58
0,197
5
0,354
9](https://image.slidesharecdn.com/abwc-dff-201106005819/75/Abwc-dff-1-2048.jpg)